高级搜索

留言板

尊敬的读者、作者、审稿人, 关于本刊的投稿、审稿、编辑和出版的任何问题, 您可以本页添加留言。我们将尽快给您答复。谢谢您的支持!

姓名
邮箱
手机号码
标题
留言内容
验证码

优先发表

优先发表栏目展示本刊经同行评议确定正式录用的文章,这些文章目前处在编校过程,尚未确定卷期及页码,但可以根据DOI进行引用。本栏目内容尚未正式出版,未经编辑部许可,不得转载。
显示方式:
"第三届智天论坛-卫星信息智能处理与应用技术"专题
基于异构平台的遥感数据智能解译任务调度算法
郝利江, 田路云, 孙鹏, 陈剑, 刘鹏英, 贺广均, 娄淑琴
, doi: 10.11999/JEIT251072
摘要:
基于异构平台的遥感数据智能解译任务存在任务多样、资源差异、环境动态变化等问题,多任务并发引发资源竞争,导致负载失衡、资源利用率下降,制约解译效率。如何实现复杂多任务在异构资源下的自适应高效调度,是当前的核心难题。该文提出异构遥感数据智能解译任务调度算法(HRS-ITS),通过双层优化提升效率与均衡性,一方面改进CP-SAT优化器,引入数据亲和性、负载均衡、完工时间以及跨设备传输4类评分因子,生成任务资源卸载的初始调度方案,解决任务阻塞问题;另一方面建立融合自适应资源扩展机制的D3QN深度强化学习模型,优化任务排序并动态调整资源配置,解决资源空闲问题。不同任务数量的仿真实验表明,与轮询、随机映射、贪心及DDQN调度算法相比,HRS-ITS任务完工时间分别缩短38.49%, 24.98%, 24.06%和12.58%,负载均衡值平均降低33.67%, 36.09%, 32.45%和32.73%,显著提升解译效率与资源均衡性。
合双分支优化SAM与全局-局部协同匹配的单样本目标检测方法
樊盛华, 尹航, 刘俭, 瞿涛
, doi: 10.11999/JEIT250982
摘要:
单样本目标检测(OSOD)可有效缓解传统目标检测对大规模标注数据的依赖,但现有方法存在新类别特征表达不足、类间相似性高导致判别边界模糊等问题。为此,该文提出基于双分支优化SAM与全局-局部协同匹配的单样本目标检测算法DOS-GLNet。首先,设计基于SAM的双分支微调特征提取网络:全局微调分支通过在SAM的编码器中插入轻量级适配模块,在保留通用视觉表征能力的同时适配检测任务;局部感知分支通过卷积网络提取局部空间节并与全局特征跨层融合,弥补SAM局部信息缺失;结合多尺度特征生成模块,将SAM单尺度特征扩展为多尺度特征金字塔,适配不同尺寸目标检测需求。其次,构建全局-局部协同的两阶段匹配机制:全局匹配模块(GMM)通过余弦相似度度量查询与目标特征的全局相关性,引导区域提议网络生成高质量候选区域;双向局部匹配模块(BLMM)通过稠密4D相关性张量捕捉查询与目标的双向语义关系,实现细粒度特征对齐。在Pascal VOC与MS COCO数据集上的实验表明,DOS-GLNet相较于主流OSOD算法在检测精度上具有显著优势,消融实验验证了各创新模块对检测性能的有效增益,可降低深度学习目标检测网络对海量标注数据的依赖。
原型对齐与拓扑一致性约束下的多模态半监督遥感图像语义分割
韩汶杞, 蒋雯, 耿杰, 鲍衍琛
, doi: 10.11999/JEIT251115
摘要:
在遥感图像语义分割任务中,模态异构性与标注成本高昂是制约模型性能提升的主要瓶颈。针对多模态遥感数据中标注样本有限的问题,该文提出一种原型对齐与拓扑一致性约束下的多模态半监督遥感图像语义分割方法。该方法以未标注的SAR图像为辅助信息,构建教师-学生框架,引入多模态类别原型对齐机制与拓扑一致性伪监督策略,以提升融合特征的判别性与结构稳定性。首先,构建光学与SAR模态的共享语义原型,并通过对比损失实现跨模态语义一致性学习;其次,设计基于持久同调理论的拓扑损失,从结构层面优化伪标签质量,有效缓解伪监督过程中的拓扑破坏问题。在公开数据集WHU-OPT-SAR数据集以及自建数据集Suzhou数据集(https://www.scidb.cn/detail?dataSetId=a55977a3a8d849a992cbb51e426370a8&version=V1&code=j00173)两个多模态遥感数据集上的实验结果表明,该方法在标注不足条件下仍具备优异的分割性能与良好的泛化能力。
基于深度强化学习的自适应大邻域搜索算法在成像卫星调度问题中的应用
魏普远, 何磊
, doi: 10.11999/JEIT251009
摘要:
卫星调度问题(Satellite Scheduling Problem, SSP)是典型的NP-hard组合优化问题,其目标是在满足一系列复杂物理和运行约束的条件下,最大化观测收益或完成任务数量。自适应大邻域搜索(Adaptive Large Neighborhood Search, ALNS)是求解此类问题的有效元启发式算法,其性能高度依赖于破坏与修复算子的选择策略。传统ALNS算法通常采用基于历史表现的启发式计分机制来调整算子选择概率,这种机制受参数影响较大且无法动态适应搜索过程中的复杂状态变化。为解决此问题,该文提出了一种基于深度强化学习(Deep Reinforcement Learning, DRL)的自适应大邻域搜索算法(DR-ALNS)。该算法将算子选择过程建模为一个马尔可夫决策过程,利用深度强化学习智能体在每次迭代中根据当前解的状态动态选择最合适的破坏与修复算子。通过端到端的学习,DRL智能体能够学习到一种隐式的、高效的算子选择策略,从而更好地引导搜索方向,提升算法的全局探索与局部开发能力。通过在标准的卫星调度问题测试集上进行实验,可以看出DR-ALNS算法产生的解的质量优于传统ALNS及其他算法。
联合掩码引导与多频域双重注意力机制的急性缺血性脑卒中CT到DWI影像生成模型
张泽华, 赵宁, 王帅, 王璇, 郑强
, doi: 10.11999/JEIT250643
摘要:
基于人工智能的跨模态医学图像生成技术为急性缺血性脑卒中的快速多模态诊疗提供了新的路径。针对现有医学图像生成方法仅依赖图像数据本身的统计特征、忽略医学图像的解剖结构,从而造成病灶模糊和结构偏差问题,该文提出了一种新的联合掩码与多频双重注意力GAN模型,用于急性脑缺血性卒中CT到DWI影像生成。该模型主要包含:(1)掩码引导特征融合模块:通过CT图像与掩码图像的卷积融合,引入解剖结构的空间先验信息,增强脑区及病灶区域的特征表达;(2)多频域注意力编码器:采用离散小波变换分解低频全局特征与高频边缘特征,通过双通路注意力跨尺度融合,减少深层信息的丢失;(3)自适应融合权重模块:结合卷积神经网络与注意力机制,自动学习每个输入特征的自适应权重系数。该研究在临床CT到DWI多模态急性脑缺血性卒中数据集上开展了实验验证,分别在全局尺度采用均方误差、峰值信噪比、结构相似度指数进行评估,在局部尺度基于超像素分割后统计灰度均值相关性进行分析。结果表明,所提模型在各项指标上均优于当前先进方法,对脑区轮廓和病灶区域具有更高的准确性和还原性。
面向智能电网信息物理融合攻击的建模、检测和防御理论与方法
王文婷, 田博彦, 吴法宗, 贺云鹏, 王鑫, 杨明, 冯冬芹
, doi: 10.11999/JEIT250659
摘要:
智能电网(Smart Grid, SG)基于大量传感与检测单元,通过先进的网络通信、监测、调度与优化技术,显著提升了传统电网的管理和调节能力。然而,智能电网的开放性和互联性大幅提高的同时,也加剧了遭受恶意攻击的风险。特别是,攻击者可能通过同时干扰信息层和物理层的感知与决策过程,削弱系统的控制和恢复能力。以往研究通常根据攻击的对象或类型进行分类,而该文提出了一种涵盖智能电网主要组件和通信链路的综合性架构,从整体性的抽象视角对涉及智能电网组件的多种攻击类型进行系统性的信息物理风险评估。此外,该文还从多个角度探讨了智能电网中信息物理融合攻击的检测与防御问题。最后,基于现有的研究进展和趋势,该文对未来智能电网信息物理安全的研究方向进行了讨论与展望。
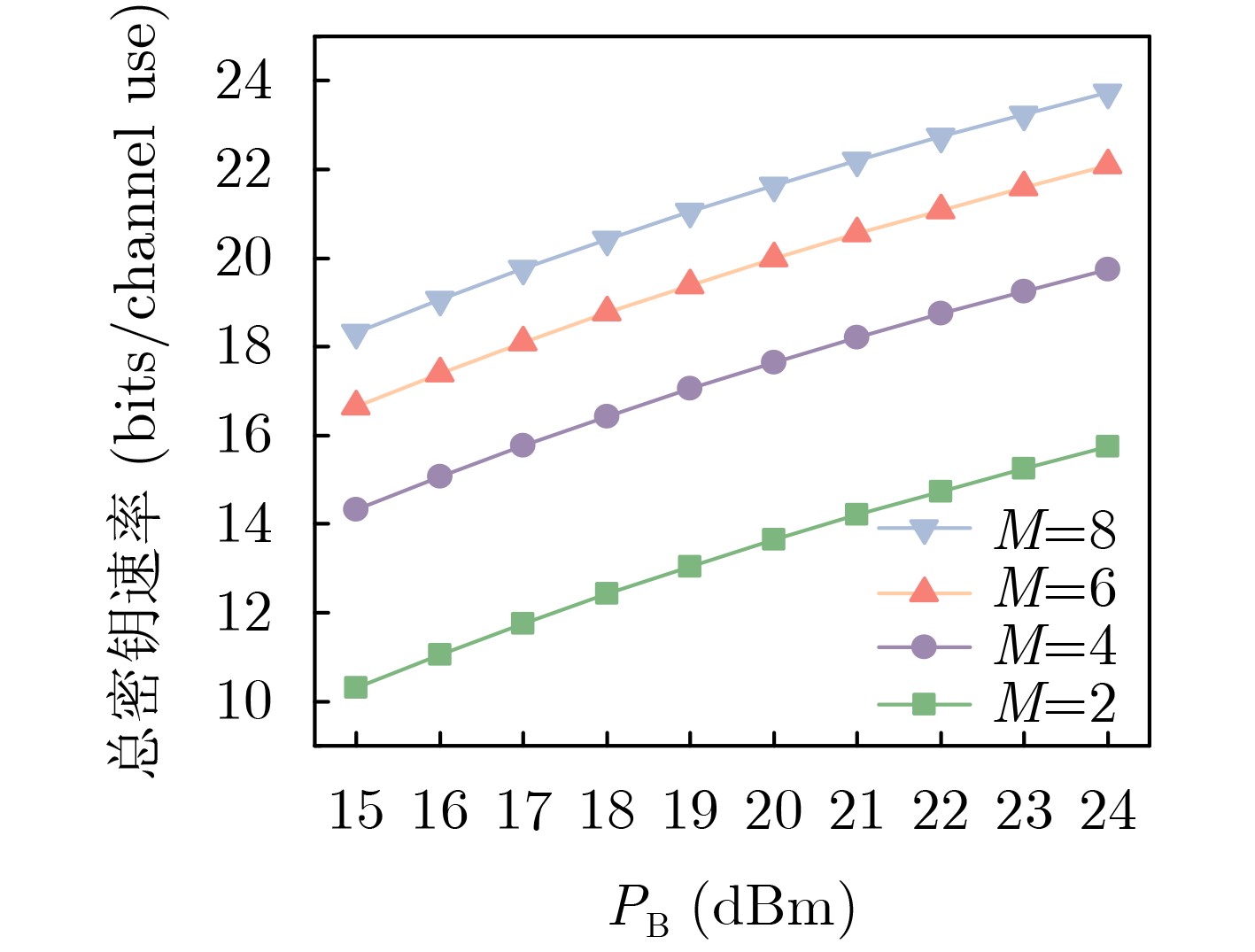
面向通信与感知一体化系统的物理层密钥生成方法
刘柯欣, 黄开枝, 裴杏龙, 金梁, 陈亚军
, doi: 10.11999/JEIT251034
摘要:
针对通信与感知一体化(ISAC)系统中存在的信息泄露问题,该文提出一种面向ISAC的物理层密钥生成(PLKG)方法。首先,提出一种面向ISAC系统的PLKG协议,并推导了总密钥生成速率(SKGR) 和感知精度克拉美-罗界(CRB)的闭式表达式。接着,在感知精度的约束下,建立了一个总密钥生成速率SKGR最大化问题。最后,提出一种基于双延迟深度确定性策略梯度(TD3)的联合通信与感知波束赋形算法,进一步提升系统安全性。仿真结果表明,所提方法相较于基准方法具有更好的有效性和优越性。
面向掌纹识别的多尺度感兴趣区域特征融合机制
马宇轩, 张飞飞, 李光辉, 唐鑫, 董正阳
, doi: 10.11999/JEIT250940
摘要:
定位感兴趣区域(ROI)是掌纹识别流程中的关键环节,然而,在实际应用中,光照变化与手掌姿态的多样性常常导致ROI定位出现偏移,进而影响识别系统的性能。为缓解此问题,该文提出一种新颖的多尺度ROI特征融合机制,并据此设计了一个双分支协同工作的深度学习模型。该模型由特征提取网络和权重预测网络构成:前者负责从多个不同尺度的ROI中并行提取特征,后者则自适应地为各尺度特征分配权重。该融合机制的核心思想在于,不同尺度的ROI既共享了掌纹的核心纹理等本质特征,又各自包含了独特的尺度相关信息。通过对这些特征进行加权融合,模型能够强化共有的本质特征,同时抑制由定位不准引入的噪声和冗余信息,从而生成更具鲁棒性的特征。在IITD, MPD和NTU-CP等多个公开掌纹数据集上的综合实验表明,该模型在存在显著定位误差时,其识别精度仅出现小幅下降,展现出远超传统单尺度ROI模型的抗误差能力。特别是在NTU-CP定位误差测试中,该模型的等错误率(EER)仅从1.96%小幅上升至5.01%,而其他对比模型的EER均超过10%,这充分证实了所提多尺度ROI特征融合机制的有效性与优越性。
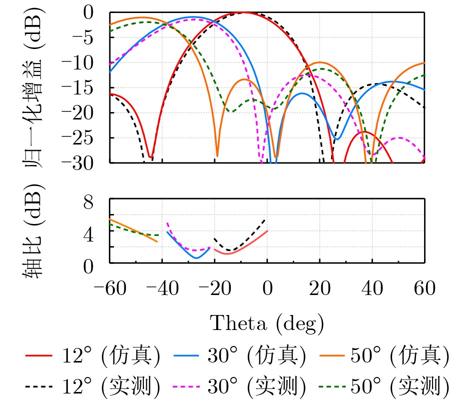
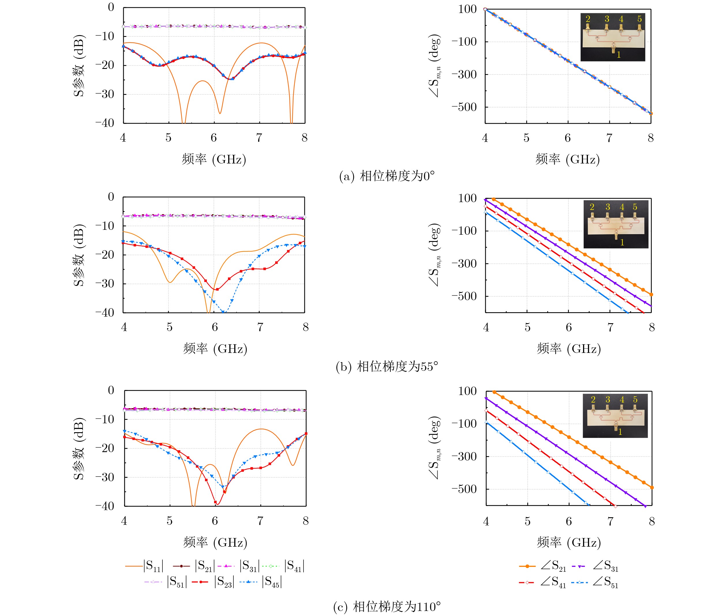
加载人工磁导体的三频可穿戴天线
靳彬, 张佳琳, 杜成珠, 褚君
, doi: 10.11999/JEIT251050
摘要:
该文设计了一款加载人工磁导体(AMC)的三频可穿戴天线,分别设计了三叉戟结构的三频单极子天线和3层方形环状的三频AMC单元,天线和AMC均采用半柔性基板Rogers 4003,通过在天线背面加载4×5的AMC阵列,获得的集成天线实测工作带宽为2.38~2.52 GHz, 3.3~3.86 GHz和5.54~7.86 GHz 3个频段,覆盖ISM科学频段(2.4~2.4835 GHz)、5G-n78频段(3.3~3.8 GHz)和5G-WiFi 5.8 GHz频段(5.725~5.875 GHz)。在2.4 GHz, 3.5 GHz和5.8 GHz处实测增益分别提升了5.3 dB, 4.6 dB和2.2 dB;前后比(FBR)较不加载AMC时分别提升了19.8 dB, 16.7 dB和12.4 dB。此外,AMC反射板能够有效降低比吸收率(SAR值),使得集成天线SAR值均在0.025 W/kg/g以下,远低于美国联邦通信委员会(FCC)标准和欧洲联邦通信委员会(ETSI)标准,并对天线附着在人体胸腔、背部和大腿上时的性能进行实测,测试结果表明,所设计的天线能够安全、灵活地应用于人体。
融合记忆力和自注意力机制的脑电图情绪识别模型
刘善锐, 闭应洲, 霍雷刚, 甘秋静, 周淑姮
, doi: 10.11999/JEIT250737
摘要:
脑电图(EEG)作为一种非侵入式的神经信号获取手段,蕴含丰富的情感和认知信息,在脑科学研究与情感识别中具有广泛应用。当前Transformer在脑电图情绪识别中虽具备良好的全局建模能力,但其多头自注意力机制忽略了脑电图是由大脑活动产生的数据,会有遗忘效应,人在当前时刻会对其它时刻产生的状态产生遗忘,而目前的Transformer仅关注当前时刻与其它时刻相关性大小,忽略了遗忘效应,限制了模型在脑电图情绪识别中的作用。因此,亟需设计一种兼顾相关性大小与遗忘效应的脑电图情绪识别模型,该文提出一种融合记忆力遗忘机制和自注意力机制的脑电情感识别模型(MSA),在兼顾相关性大小的同时注入符合人类遗忘机制的遗忘机制,在几乎不增加额外参数和计算量的情况下提升模型的性能。该模型首先利用聚合卷积神经网络(ACNN)聚合各通道的时空特征,再借助MSA结构建模全局依赖关系和记忆关系。再通过分类头得出最终分类结果。在DEAP二分类任务中,MSA模型在效价和唤醒维度上分别获得98.87%与98.30%的分类准确率;在SEED三分类任务中达到97.64%的分类准确率,在SEED-IV四分类任务中获得95.90%的准确率,均优于现有主流方法。实验结果验证了所提模型在多类别情感识别任务中的有效性与鲁棒性。
基于忆阻器的视杆细胞光感模型与电路设计
孙晶茹, 马文静, 王春华, 薛晓勇
, doi: 10.11999/JEIT250901
摘要:
人类视觉系统通过多层神经元相互配合,实现了具备自适应性、灵敏度高、响应速度快的光感知功能。该文通过研究人类视觉系统中感光细胞的工作原理,提出了一种基于忆阻器的视杆细胞光感电路,并应用于脉冲相机。首先,通过总结视杆细胞感光过程中离子变化机制提出了视杆细胞数学模型。其次,提出两种忆阻器模型以模拟感光细胞中钠离子和钙离子通道的特性。之后,构建了视杆细胞光感电路,实现光电转换,电路具备自适应性,同时具有速度高、功耗低、动态范围广等优势。最后将视杆细胞光感电路应用于脉冲相机,电路仿真结果表明,与采用简化神经元光感电路和传统CMOS方案的脉冲相机相比,基于视杆细胞光感电路的脉冲相机转换速度提升了20%和150%,系统功耗相比于传统CMOS电路降低了30%。
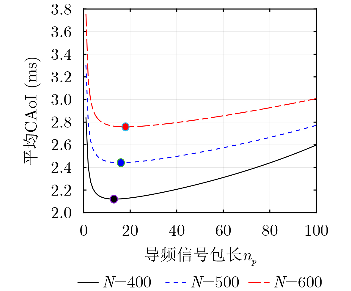
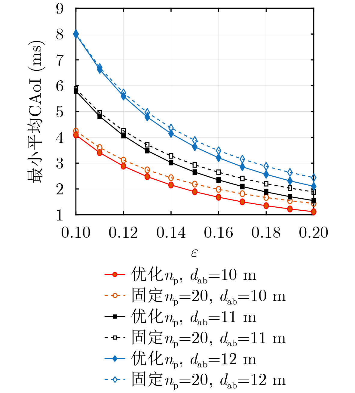
非理想信道条件下面向信息年龄最小化的短包隐蔽通信设计
朱开基, 马瑞谦, 林志, 马越, 王勇, 管新荣, 蔡跃明
, doi: 10.11999/JEIT250836
摘要:
该文针对短包隐蔽通信场景,考虑信道估计误差导致的非理想信道条件,研究了最小化平均隐蔽信息年龄(CAoI)的通信参数优化问题。具体地,首先推导了非理想信道条件下的隐蔽约束和平均CAoI的闭式表达式;其次,推导了最小化平均CAoI的发送功率表达式。在此基础上,进一步基于黄金分割法对导频信号包长和数据信号包长进行优化,以最小化平均CAoI,从而实现通信隐蔽性和时效性之间的最优折中。此外,该文还分析了平均CAoI与收发距离、隐蔽容忍度等参数的变化关系。仿真结果表明,存在最优包长和最优导频信号包长,使得平均CAoI最小,并且与固定包长分配比例的情况相比,所提优化方法可以获得更好的性能。并且当隐蔽性约束更严格时,由于发送功率的降低,最优的导频信号包长随之增大。
面向短包通信的分组稀疏矢量码
张雪婉, 张迪, 古博
, doi: 10.11999/JEIT251143
摘要:
稀疏矢量码(SVC)技术因其实施简单、传输可靠等优点在短包高可靠低时延通信方面获得了广泛关注。构造短稀疏矢量并使用小尺寸随机扩频码本是确保其系统性能的关键。为此,该文提出一种基于分组的SVC (GSVC)方案。该方案摒弃了经典的索引调制全局稀疏变换方式,通过对索引比特分组划分,以分组稀疏变换的形式在同一预定稀疏矢量上逐次选取出各分组的非零位置,从而实现位置资源对所有分组的共享,达到压缩稀疏矢量的目的。因此,所提GSVC方案具有高的位置资源利用率,能够构造出比常规全局选取方式要短的稀疏矢量来传输既定信息比特。与现有多种SVC改进方案的仿真对比结果表明,所提方案在低阶调制模式下具有更优的误块率性能。
无线网络中跨模态检索增强的高能效多模态联邦学习
刘婧媛, 马可, 徐润辰, 常征
, doi: 10.11999/JEIT251221
摘要:
通过整合多模态信息,多模态联邦学习(MFL)在医疗保健和智能感知等领域往往优于单模态联邦学习(FL)。但在无线边缘场景下,能量受限且样本常缺失模态,直接对所有样本进行补全会放大计算与通信开销,整体能耗随之上升。为此该文提出基于跨模态检索增强的高能效多模态联邦学习(CREEMFL)框架。该框架的核心思想是选择性插补:仅对缺失模态的部分样本从公共多模态库中检索补充,剩余样本采用零填充以限制计算量。进一步,在系统级建立能耗模型,并将检索率作为变量纳入联合优化,以在单轮成本与整体能耗之间取得平衡。该文构造两层优化:外层用经验搜索确定检索率,内层在给定检索率下对上行传输时间、发射功率与中央处理器(CPU)频率进行协同分配,并给出闭式或半闭式更新。基于MIMIC-CXR胸部X光数据集的实验表明,CREEMFL在保证或提升准确率的同时显著缩短完成时间并降低总能耗,验证了所提框架的有效性。
基于深度强化学习的连续微流控生物芯片一步式架构综合
刘耿耿, 焦鑫悦, 潘友林, 黄兴
, doi: 10.11999/JEIT251058
摘要:
连续微流控生物芯片因其微型化、高可靠性和低样品消耗等优势,广泛应用于生物医学领域。然而,随着芯片集成度提升,其设计复杂性显著增加,传统分步式设计方法将绑定、调度、布局和布线等任务分步处理,各环节间信息交互不足,导致方案质量低、设计周期长。为此,该文提出一种基于深度强化学习的连续微流控生物芯片一步式架构综合方法。首先,通过图卷积神经网络提取状态特征,有效捕捉节点及其关系的信息;其次,在近端策略优化算法中结合A*算法和列表调度算法,从而得到具体的架构设计方案;最后,设计了一种多目标奖励函数,将生化反应时间、流道总长度及阀门数量进行归一化加权组合,并通过近端策略优化算法的策略梯度更新机制实现复杂决策空间的高效探索。实验表明,在基准测试用例上,与现有方法相比,该文方法在生化反应时间上优化了2.1%,流道总长度减少21.3%,阀门数量减少65.0%,且在较大规模芯片上仍能生成可行解。
高效侧信道分析:从协同去噪到自适应B样条降维
罗玉玲, 徐海洋, 欧阳雪, 付强, 秦圣, 刘俊秀
, doi: 10.11999/JEIT251047
摘要:
侧信道分析(SCA)是一种强大的密码分析技术,但其攻击效率受到原始功耗轨迹信噪比低、冗余高维数据掩盖局部泄露以及关键参数设定依赖经验等挑战的严重制约。针对上述问题,该文提出自适应B样条降维与协同去噪的侧信道分析方法,以实现高效且鲁棒的侧信道攻击。该框架包含3个核心步骤。首先,构建协同去噪框架(CDF),通过整合基于皮尔逊相关系数的轨迹筛选机制和基于奇异值模板的去噪方法,有效提升了功耗轨迹的信噪比。其次,设计一种新颖的基于邻域不对称性聚类(NAC)的方法,用于自适应地确定CDF中的关键阈值,从而增强方法的鲁棒性。最后,首次将B样条技术引入功耗轨迹的降维处理,并提出基于自适应B样条降维(ABDR)的高效局部建模降维方法,在大幅度压缩数据量的同时,最大限度地保留了关键泄漏信息,显著降低后续侧信道分析的计算开销。实验结果表明,在数据集OSR2560上,信噪比提升了60%,密钥恢复所需的痕迹数量从3 000条减少至1 200条。在数据集OSR407上,信噪比提升了150%,将痕迹数量从2 400条减少至1 500条,在显著降低数据维度的基础上,有效增强了正确密钥与错误猜测密钥的区分度,进而提高了攻击效率。
状态更新卫星物联网中基于联盟形成博弈的用户组网方法
高志祥, 刘爱军, 韩晨, 张森柏, 林鑫
, doi: 10.11999/JEIT250838
摘要:
状态更新是卫星物联网(S-IoT)的重要场景。该文研究了状态更新S-IoT中基于基站辅助的用户组网问题。首先,建立了地面用户经基站向卫星网络传输的双层正交接入状态更新模型,并分析推导了地面用户的平均信息年龄(aAoI)的闭合表达式和高信噪比下的渐进表达式。其次,基于联盟形成博弈(CFG),提出一种双层CFG用户-基站-卫星组网算法。接着,利用精确势能博弈,证明了所提博弈算法具有纳什均衡解,能够形成稳定的基站-用户-卫星网络。最后,仿真结果表明,aAoI的理论分析的正确性以及所提算法的较传统算法的性能提升。
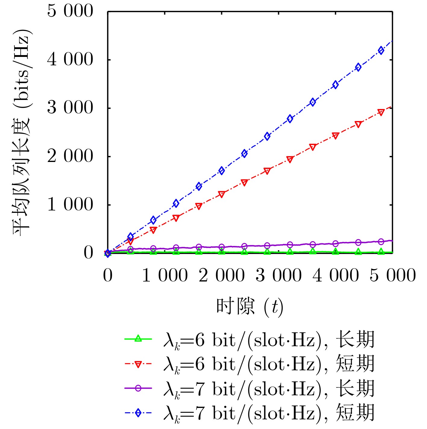
能量收集型短包通信LoRa网络的信息年龄建模与优化
肖舒予, 孙兴华, 袁岸珊, 詹文, 陈翔
, doi: 10.11999/JEIT250814
摘要:
针对工业物联网短包通信的应用场景,该文研究了能量收集驱动短包通信LoRa网络中的信息新鲜度问题。该文将能量队列建模为马尔可夫链,推导出平均信息年龄的一般表达式。进一步地,在最小电池容量与理想无限电池容量两种情况下,给出平均信息年龄优化策略及最优参数的解析解。最后,仿真验证了理论优化结果,并分析了网络各参数对系统性能的影响,为能量收集驱动的工业物联网的设计与优化提供了理论参考。
面向通信信号高效接收处理的压缩感知技术综述
程伊婷, 董涛, 苏昱玮, 文霄杰, 杨陶隽, 李逸博
, doi: 10.11999/JEIT250855
摘要:
压缩感知凭借其突破奈奎斯特采样定理限制、实现超低采样率的高质量信号处理与重构的优势,成为通信信号高效接收处理的研究热点。该文依据压缩感知原理,按照字典矩阵设计、测量矩阵设计和信号重构3个主要研究方向对技术发展脉络进行了梳理,提出了当前压缩感知技术研究面临的挑战。基于现阶段工程应用面临的问题,对压缩感知技术发展趋势进行展望。
结合双流注意力与对抗互重建的双模态情绪识别方法
刘佳, 张洋瑞, 陈大鹏, 毛碟, 卢国瑞
, doi: 10.11999/JEIT250424
摘要:
随着情感计算的不断发展,基于多模态信号的情绪识别方法得到了广泛关注。脑电情感信号因受试个体的不同存在较大的分布差异,导致分类识别率不高。为了解决现有情绪识别方法中单一模态存在的噪声大、个体差异明显等问题,该文结合脑电信号(EEG)与语音信号提出一种基于双流注意力与对抗互重建的双模态情绪识别方法。在脑电模态方面,设计集成时间帧-通道联合注意力与Mamba网络的双重特征提取器,实现对关键时序片段与频谱特征的深度建模。在语音模态方面,引入帧级随机掩码机制与双向长短时记忆网络结构,增强模型对语音情绪变化的建模能力及抗干扰能力。通过模态精炼融合模块引入梯度反转层与正交投影机制,提升模态对齐与判别能力;进一步地,结合对抗互重建机制,在共享隐空间中重建同类情绪特征,实现跨被试的一致性建模。实验在MAHNOB-HCI, EAV与SEED等多个基准数据集上验证了所提方法的有效性,结果表明该模型在跨个体情绪识别与模态信息融合方面具有显著优势,为多模态情感计算提供了一种有效解决方案。
双视角频谱注意力融合的电池组多故障诊断算法
刘明俊, 顾深宇, 尹敬德, 张逸凡, 董哲康, 纪晓悦
, doi: 10.11999/JEIT251156
摘要:
随着新能源汽车的快速发展,其使用规模不断扩大,电池组故障的概率和严重程度随之增加,迫切需要高效的故障诊断方法。近年来,尽管基于深度学习的电池故障诊断方法已取得显著进展,但现有研究在内短路(ISC)、传感器噪声、传感器漂移及荷电状态(SOC)不平衡故障的多故障下的工况的覆盖性以及故障间耦合关系的挖掘方面仍存在不足。针对既有挑战,该文提出一种双视角频谱注意力融合算法。该算法由两大核心模块组成:一是双视角分词模块,负责全链路捕捉电池组的时空信息;二是频谱注意力机制,负责非平稳特征处理与长期依赖挖掘。这种特征工程与频域分析的深度结合,有效增强了模型的故障诊断鲁棒性。该文提出的方法在联邦城市驾驶循环(FUDS)、城市测功机行驶工况(UDDS)和补充联邦测试程序(US06)3种典型工况下的诊断性能均显著优于现有主流算法,其平均精确率提升了10.98%,召回率提升了12.64%,F1分数提升了13.84%,准确率提升了13.45%。此外,该文设计并实施了系统的消融实验与鲁棒性分析,对比了各核心模块对模型整体性能的贡献机理,同时充分验证了所提方法在复杂噪声环境下的抗干扰能力与鲁棒性。该文所提出的双视角频谱注意力框架不仅提升了多故障诊断性能,也为复杂时空特征建模提供了新思路,为提升汽车安全性提供新的方案。
大规模遥感卫星智能任务调度方法研究进展
杜永浩, 张本奎, 吴健, 陈盈果, 闫东磊, 于海琰, 邢立宁, 白保存
, doi: 10.11999/JEIT251038
摘要:
针对遥感卫星任务调度大规模、复杂化的发展趋势和星群协同、即时服务的常态要求,依据自顶向下的原则,该文相继综述了其任务调度框架、模型与算法的发展现状。首先,基于集中式调度框架、分布式调度框架和集中-分布式调度框架,阐明了各调度框架的典型流程和适用场景。其次, 按照发源时间与建模特点的不同,从经典运筹学模型、约束满足优化模型和基于神经网络的决策模型3个角度出发, 探讨了不同卫星任务调度模型的描述方式和适用性。在此基础上,介绍了精确求解、元启发式和机器学习类等3类卫星任务调度主流算法, 揭示了各算法运行原理与优劣势。最后, 指出了规模化、订单化改造调度框架,发展混合式调度模型以及机器学习、大模型交融背景下算法工程化等未来研究新方向。
面向低轨卫星的时空特征融合LSTM松弛测量方法
杨孟欣, 张青婷, 曾令昕, 顾忆宵, 曾丹, 夏斌
, doi: 10.11999/JEIT251146
摘要:
为降低低轨(LEO)卫星系统的高动态性导致的终端频繁链路测量,现有松弛测量方案主要采用基于静态阈值或常规的时空预测模型的方法。然而,卫星的高动态性导致不同历史时刻的测量数据和不同测量指标的重要性随之动态演化,而传统方法难以捕获这种时空重要性的动态变化。为此,针对上述挑战,该文提出一种面向低轨卫星的时空特征融合长短期记忆递归神经网络(LSTM)松弛测量方法。首先,建立了LEO卫星通信系统模型,以获取所需要的历史测量数据。然后,构建了集成双重注意力机制的LSTM预测模型,实现对关键历史时刻与动态重要特征的精准聚焦,从而完成对测量频点集合与测量周期的精准预测。最后,在选择的测量频点集合和松弛周期下,执行自适应的链路测量。仿真结果表明,相较于基线方法,该文所提松弛测量方案在确保链路可靠性的同时,可以显著降低终端的测量频次。与基线相比,在更大的速度和松弛周期下,具有更强的自适应性。
面向卫星任务规划的专家链构建与优化方法
夏维, 魏宏图, 程颖, 汪君婷, 胡笑旋
, doi: 10.11999/JEIT251018
摘要:
卫星任务规划是航天资源调度领域的关键优化问题,在面对动态需求时,传统方法因其复杂的建模流程,常面临响应滞后、灵活性不足等挑战,且业务语言与数学模型间存在语义断层。为此,该文提出一种基于专家链(CoE)与动态知识增强机制(DKE)的大语言模型(LLM)推理框架。该框架聚焦于模型动态修改,通过设计一个需求解析、指令路由、代码生成的专家协同工作流,实现从自然语言指令到数学模型的精确映射。此外,该框架借助动态知识库与Few-Shot学习策略,使系统在不依赖梯度更新情况下具备持续优化能力。实验结果表明,相较于标准提示词方法(SP)、思维链技术(CoT)以及基于GPT4-o的标准提示词方法,准确率达到82%,平均响应时间81.28 s,显著优于所有对比基线,实验结果验证了该方法能够有效提升LLM在卫星任务规划模型动态修改任务中的处理能力。
NAS4CIM:面向忆阻器存算一体芯片的神经网络结构搜索框架
李源堃, 王泽, 张清天, 高滨, 吴华强
, doi: 10.11999/JEIT250978
摘要:
基于忆阻器(RRAM)的存算一体(CIM)芯片被认为是解决卫星任务在轨智能处理过程中功耗受限与效率瓶颈的一条重要出路,在提升深度神经网络推理效率方面展现出巨大潜力。然而面向星上处理任务的复杂性,RRAM-CIM架构需要探索匹配的神经网络结构来发挥其能效优势。在 RRAM-CIM 场景下,现有方法在任务性能搜索中多采用基于随机采样的一次性训练,容易导致训练过程不稳定;在硬件性能建模上则常依赖预测器或算子级建模,前者需要高昂的初始成本,后者则忽视了网络整体的硬件表现。为此,该文提出NAS4CIM搜索框架,并引入半解耦式蒸馏增强的梯度系数超网训练方法(DDE-GSCST),有效缓解候选算子间的干扰问题,提高搜索过程的稳定性和鲁棒性。同时,该文采用基于Top-K统计的算子选择策略,在保证任务精度的同时显著优化了硬件性能。在CIFAR-10与ImageNet数据集上的实验表明,该方法在相同硬件架构下较现有方法提升2.2%的最优精度,并降低33.3%的能耗-延迟积(EDP)。此外,基于真实RRAM宏单元的实片测试结果与仿真结果一致,进一步验证了方法的有效性。
基于任务耦合约束及时间受限窗口的卫星测试任务自动化编排
李朕, 虞志刚, 章扬, 朱雪田, 解宁宇, 杨帆
, doi: 10.11999/JEIT250878
摘要:
近年来,空间在轨资产规模持续扩张,卫星星座建设步伐显著加快,卫星发射数量快速攀升,在轨测试需求急剧增加,而受限于地面站数量和可见弧段资源,测试机会高度稀缺,“星多站少、弧段稀缺”的矛盾日益突出。传统以人工预编排为主的卫星任务规划方式,因决策周期长、规划效率低、调度易出错等缺点,难以适应大规模、多任务和高耦合的复杂测试场景,亟需发展高效的在轨测试任务自动化规划技术,提升星地可见弧段的测试利用效率。为解决上述问题,该文提出卫星任务自动化规划技术,以支撑未来星地一体化系统在建设与运维全生命周期中的高效性与可靠性。首先,建立任务滑块模型及时间窗口模型,通过设计基础任务编排约束以及专有任务编排约束,构建卫星任务通用约束范式,提出非凸约束转换方案;其次,选取星地链路测试为典型应用场景,在可见弧段极度受限的星地链路中,以可编排的任务数量为优化目标,提出基于任务耦合约束及时间受限窗口的卫星任务自动化编排模型,实现测试任务自动化编排的同时,进一步提高星地可见弧段的利用效率;最后,以星地链路测试作为典型的在轨测试场景,该文通过涉及多个低地球轨道卫星和有限可见弧段的仿真实验,对所自主编排框架进行了评估。仿真结果表明,所提方法能够有效地调度测试任务,同时严格满足所有运行约束。与包括遗传算法、禁忌搜索和粒子群优化在内的传统启发式算法相比,该方法性能显著提升,使调度的星地链路测试任务总数增加了约1.9~22.3倍。结果进一步表明,在高度受限的可见窗口条件下,所提模型能够充分利用可用弧段并避免资源冲突,从而显著提高星地链路的利用效率。
LightMamba:一种轻量级Mamba用于高光谱图形和激光雷达数据联合分类网络
廖帝灵, 赖涛, 黄海风, 王青松
, doi: 10.11999/JEIT250981
摘要:
高光谱图像(HSI)和激光雷达(LiDAR)数据的联合分类是遥感领域的一项关键任务,它通过融合丰富的光谱信息和精确的三维结构信息,显著提升了对地物识别的精度。然而,现有的基于深度学习(DL)的联合分类方法依然受限于高模型计算复杂度。因此,该文提出一种新颖的轻量级Mamba网络。该网络的核心是引入了先进的状态空间模型(SSM),其线性计算复杂度特性使其能够高效地建模遥感数据中的长距离上下文依赖关系。首先,多源对齐模块被用于对异构的HSI和LiDAR数据进行特征提取与空间-光谱维对齐,以提供一致的特征表示;其次,多源轻量Mamba模块以LiDAR的高程信息作为引导,采用轻量化设计融合双流序列,高效建模长距离依赖;最后,设计了一种基于MLP的分类器,并输出分类结果。在多个公开基准数据集上的实验结果表明,与当前先进方法相比,LightMamba在分类精度上取得了显著提升,同时保持了更低的计算复杂度,证明了基于Mamba的架构在遥感多源数据融合与分类任务中的巨大潜力。LightMamba的代码可访问https://www.scidb.cn/detail?dataSetId=064dc4ac5350418e87a8b82dd324737b&version=V1&code=j00173
面向雷达信号分选的卷积混合多注意力编解码网络
常怀昭, 顾颖彦, 韩蕴智, 晋本周
, doi: 10.11999/JEIT251031
摘要:
雷达信号分选是电磁环境感知领域中的关键技术之一。随着雷达辐射源调制样式、工作模式和协同方式日益复杂,对雷达辐射源的侦收过程中,虚假脉冲、脉冲丢失和参数测量误差等问题日益突出,常规信号分选方法性能严重下降。针对上述问题,该文提出一种卷积混合多注意力的编解码网络,其中编码器与解码器均基于双分支扩张瓶颈模块构建,通过并行膨胀卷积路径捕获多尺度时序模式,逐步扩大感受野以融合上下文信息;在编解码器间嵌入局部注意力模块,用于建模脉冲序列的时序依赖关系并增强全局表征能力;同时在跳跃连接中引入特征选择模块,自适应地筛选多阶段特征图中的关键信息,最终通过分类器实现逐脉冲的雷达信号分类,进而实现分选。仿真实验表明,与主流基线方法相比,在脉冲丢失和虚假脉冲概率高且存在脉冲到达时间估计误差等复杂条件下,所提出方法具有更好的信号分选性能。
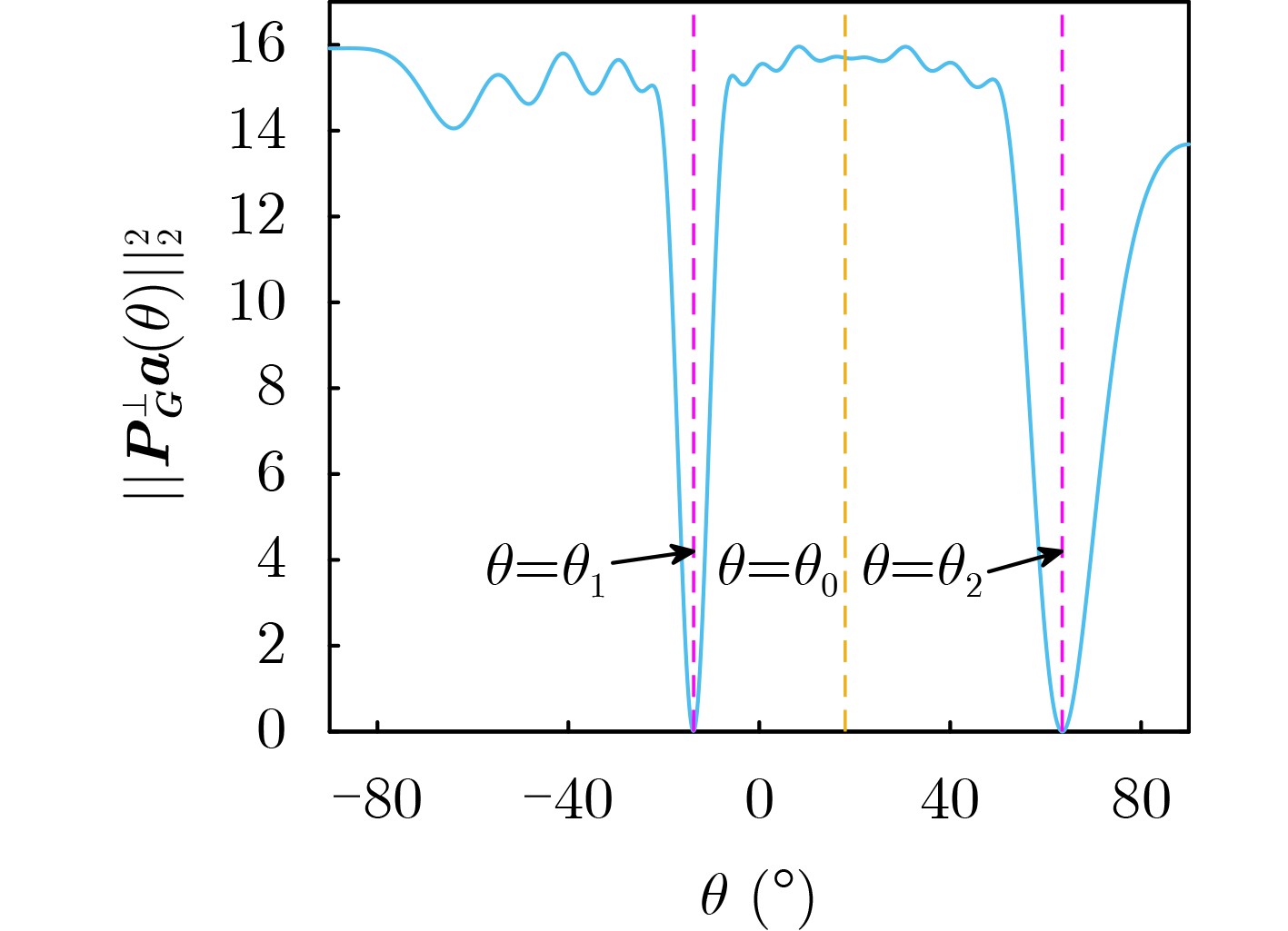
基于主特征向量提取与正交投影的稳健自适应波束成形算法
刘毅远, 张晓凯, 徐煜华, 郑学强, 杨炜伟
, doi: 10.11999/JEIT251282
摘要:
该文针对传统自适应波束成形算法对信号到达角(DOA)失配敏感的问题,提出一种能有效抑制功率压制型干扰的稳健自适应波束成形算法。首先分析了DOA失配情况下的接收端波束成形输出信干噪比,基于正交投影理论提出一种能实现方向图精确控制的理想波束成形器。然后,通过干扰信号到达角扇区的功率谱积分构造协方差矩阵,分析了矩阵主空间与实际干扰导向矢量列空间的等价性,提出一种正交投影矩阵生成方法,能够提升波束成形器对干扰信号DOA失配的鲁棒性。同理,在期望信号到达角扇区进行功率谱积分,利用所得矩阵的主空间与实际期望信号导向矢量列空间的等价性来估计期望信号导向矢量。最后,基于生成的正交投影矩阵和估计的期望信号导向矢量提出一种能有效抑制干扰的稳健自适应波束成形器。仿真结果表明,所提算法在不存在失配、DOA失配、导向矢量失配等情况下都展现出比传统算法更优的空域抗干扰性能和鲁棒性。
残差子空间原型学习约束的SAR目标类增量识别
徐延杰, 孙浩, 林秦杰, 计科峰, 匡纲要
, doi: 10.11999/JEIT251007
摘要:
合成孔径雷达(SAR)目标识别系统在开放环境中的部署常面临新类别持续涌现的挑战。该文提出一种残差子空间原型学习约束的SAR目标类增量识别方法,通过构建轻量级任务专属的适配器扩展特征子空间,有效学习新类并缓解灾难性遗忘。首先利用自监督学习预训练骨干网络,提取SAR数据的通用特征表示。在增量学习阶段,冻结主干网络,训练残差适配器学习新旧类的差异化特征,使模型聚焦于判别性特征的变化,缓解灾难性遗忘。针对特征空间扩展导致的旧类原型失效问题,提出结构化约束的原型补全机制,在无回放条件下合成旧类在新子空间的原型表示。推理时,根据目标与集成子空间原型的相似度进行预测。在MSTAR, SAMPLE和SAR-ACD数据集上的实验验证了该方法的有效性。
基于参数高效ViT与多模态导引的遥感图像小样本分类方法
文泓力, 胡庆浩, 黄立威, 王培松, 程健
, doi: 10.11999/JEIT250996
摘要:
针对传统少样本遥感图像分类方法在特征提取能力、模型泛化性及计算资源消耗等方面存在的不足,该文提出一种基于参数高效微调预训练视觉变换器(ViT)与多模态交叉度量的少样本遥感图像分类方法(EFS-ViT-MM)。该方法首先构建一个低秩高效视觉特征提取器(ELR-ViT),采用前沿预训练Transformers作为骨干网络,并引入低秩参数高效微调策略,以利用其强大的视觉特征提取能力,在大幅降低训练参数量的同时有效抑制了过拟合且提升了其泛化性。其次,为了引入更丰富的语义信息以指导分类,该方法利用多模态大语言模型为支持集样本生成描述性文本,并通过先进的文本嵌入模型将其转换为语义向量,进而通过特征级线性调制(FiLM)将语义向量融入视觉特征中,实现对视觉表征的动态调整。最后,该文设计了一种新颖的交叉注意力度量模块,以替代传统的人工设计距离函数。该模块能够自适应地学习查询图像与多模态增强后的支持集样本之间的相关性,实现更精准的相似度匹配。在NWPU-RESISC45, WHU-RS19, UC-Merced, AID等多个公开遥感数据集上的实验结果表明,相较于基线模型,所提方法在5-way 1-shot和5-way 5-shot任务上的分类准确率分别提升了4.7%和7.0%,同时可训练参数量显著减少。研究表明,该方法有效融合了预训练大模型的强大能力与参数高效微调技术,并通过多模态信息与交叉注意力机制显著提升了少样本分类性能,为解决遥感领域数据稀缺场景下的图像分类问题提供了一个高效、泛化的新范式。
航天器自主远距离快速抵近的近端策略优化研究
林政, 胡海鹰, 邸鹏, 朱永生, 周美江
, doi: 10.11999/JEIT250844
摘要:
在考虑地球扁率J2摄动的影响下,该文针对限定携带燃料和限定转移时间下的异面轨道航天器远距离快速转移的最省燃料轨迹优化问题,基于近端策略优化(PPO)设计脉冲机动的时长与脉冲增量大小,实现最省燃料消耗的转移轨迹设计。首先构筑J2摄动下航天器转移变轨的动力学模型,并进行航天器在轨运行中的不确定性分析,其次,将问题转化为最优控制问题,并建立强化学习训练框架;此后,设计基于过程约束和终端约束的合适的奖励函数,提高算法的探索能力和训练过程的稳定性;最后,在该强化学习框架下进行训练得到模型,生成变轨机动策略,通过仿真并进行对比实验验证算法性能。相较已有深度强化学习(DRL)方法,该文设计的改进型密集奖励函数结合位置势函数与速度引导机制,显著提升了算法的收敛速度、鲁棒性与燃料优化性能,仿真结果表明,该方法能够很好地生成策略并达到预期抵近要求。
利用智能手机采集心音分析的肥厚型心肌病合并射血分数保留心衰的辅助筛查
董先鹏, 孟祥彬, 张阔, 房冠辰, 盖威蒿, 王文尧, 汪京嘉, 高峻, 潘俊君, 唐振超, 宋震
, doi: 10.11999/JEIT250830
摘要:
射血分数保留心衰(HFpEF)是一种高度异质性的临床综合征,在肥厚型心肌病患者(HCM)中较为常见。由于其诊断流程复杂,开展初步筛查与早期识别具有重要意义。对此,该文基于患者智能手机所采集的心音信号,提取了梅尔频率倒谱系数和短时傅里叶变换时频谱特征,并基于此分别构建了支持向量机与卷积神经网络两个基分类器。随后将两者预测概率作为新特征,构建并训练了以逻辑回归为元分类器的集成学习模型,用于HCM合并HFpEF的识别。结果显示,集成模型在测试集的曲线下面积(AUC)达到了0.900,准确率、灵敏度和特异度分别达到了0.813, 0.768和0.854,有效提升了预测性能。结果表明,该文设计的分类模型可以基于智能手机采集的心音实现HCM合并HFpEF的高效识别,有望用于HCM患者对自身病情的动态监测和HFpEF初步筛查,从而缩短诊断延迟。
变压器声纹故障诊断研究综述
龚文洁, 林国松, 韦晓广
, doi: 10.11999/JEIT251076
摘要:
变压器作为电网的核心枢纽设备,其运行状态直接影响电力系统的安全性与稳定性。传统监测技术存在依赖人工经验、实时性不足等问题,声纹故障诊断技术凭借非接触式监测等优势成为当前变压器故障诊断领域的研究热点。该文梳理了变压器声纹故障诊断领域的研究进展,明晰变压器主要故障类型与监测技术差异,归纳时域、频域及时频域3类声纹特征提取方法,剖析主流机器学习与深度学习模型的优劣势及适用场景等,并针对当前研究中存在的噪声鲁棒性不足、样本分布不平衡、模型可解释性差、标准化体系缺失、跨模态融合不足等关键问题深入分析,展望未来研究方向,以期为该领域的理论研究与工程应用提供系统性参考。
T3FRNet:一种融合三重感知细粒度重构的换衣行人重识别方法
庄建军, 王楠
, doi: 10.11999/JEIT250476
摘要:
针对换衣行人重识别(CC Re-ID)任务中存在的有效特征提取困难和训练样本不足的问题,该文提出一种融合三重感知细粒度重构的换衣行人重识别方法,利用细粒度纹理感知模块处理后的纹理特征与深度特征进行拼接,提高服装变化下的识别能力,引入Transformer注意力机制的ResFormer50网络增强模型对图像特征提取的感知能力,通过自适应混合池化模块(AHP)进行通道级自主感知聚合,对特征进行深层次细粒度挖掘,从而达到整体表征一致性与服装变化泛化性并重的效果。新的自适应细粒度重构策略(AFR)通过细粒度级别的对抗性扰动与选择性重构,在不依赖显式监督的前提下,显著提升模型对服装变换、局部细节扰动的鲁棒性和泛化能力,从而提高模型在实际场景中的识别准确率。大量实验结果表明了所提方法的有效性,在LTCC和PRCC数据集换衣场景下,Rank-1/mAP分别达到了45.6%/19.8%和70.6%/69.1%,优于同类前沿方法。
无蜂窝大规模MIMO系统中下行短包传输的叠加导频功率分配
沈璐瑶, 周星光, 许子乐, 王一航, 夏文超, 朱洪波
, doi: 10.11999/JEIT250655
摘要:
无蜂窝大规模多输入多输出(CF-mMIMO)系统需要支持大量用户接入,这使得信道估计变得更加复杂。基于常规导频配置的信道估计方法占用较大开销,使得数据传输可用符号大大减少,导致传输速率下降,该问题在短包传输场景中尤为明显。对此,该文研究了CF-mMIMO系统中基于叠加导频(SP)的下行短包传输方案。首先,基于最大比传输预编码方案,在非完美信道状态信息下推导了下行可达速率的闭式表达式。为了减小SP配置下导频与数据之间的干扰,进一步提出基于几何规划和连续凸近似的迭代优化算法,以优化导频和数据间的功率分配。最后,仿真结果验证了下行可达速率闭式表达式的正确性,并表明所提SP功率优化算法能够显著提高短包传输性能。
面向低轨卫星物联网短包通信的GFRA前导码设计与活跃设备检测技术研究
代健美, 张梦晨, 李可盈, 苏琪, 程颖, 王贤鹏, 许容
, doi: 10.11999/JEIT250609
摘要:
在低轨卫星物联网(LEO-IoT)短包通信场景中,大规模设备随机接入过程面临前导码冲突与检测复杂度高的问题。传统随机接入方案受限于导码池容量有限、检测算法效率不足,难以实现海量设备高可靠接入。为此,该文在免授权随机接入(GFRA)框架下提出了一种新的前导码结构和检测方法。首先,构建了一种带循环前缀的叠加前导码结构,在不增加系统时频资源开销的前提下,将导码池容量提升至传统方案的3.2倍,有效缓解了多设备接入场景下的前导码冲突问题。进一步地,针对叠加前导码的检测需求,提出一种基于空闲前导码搜索的动态检测算法,与传统穷举搜索方法相比,该算法在保持99.5%检测准确率的同时,将计算复杂度降低至原方案的18.7%。与压缩感知方法相比,该算法在检测精度和计算复杂度之间取得了优异的平衡,其多项式级的复杂度使其更适合部署在低轨卫星物联网系统中。理论推导证明,所提方案在误码率(BER)为10–5时可实现3.8 dB的系统信干噪比(SINR)增益。仿真验证进一步证明,即使在设备激活率超过80%的高负载场景下,该方案仍能保持低于2%的漏检率,且在异步接入环境下具备良好鲁棒性。
基于多码深度特征融合生成对抗网络的文本生成图像方法
顾广华, 孙文星, 伊柏宇
, doi: 10.11999/JEIT250516
摘要:
文本生成图像是一项极具挑战的跨模态任务,其核心在于生成与文本描述高度一致、细节丰富的高质量图像。当前基于生成对抗网络的方法多依赖单一噪声输入,导致生成图像细粒度不足;同时,单词级特征利用不充分,也制约了文本与图像之间的语义对齐精度。为此,该文提出一种多码深度特征融合生成对抗网络(mDFA-GAN)。该方法通过设计多噪声输入生成器与多码先验融合模块,提升生成图像的细节表现力;在生成器中引入多头注意力机制,从多角度对齐单词与图像子区域,增强语义一致性;此外,提出多码先验融合损失以稳定训练过程。在CUB和COCO数据集上的实验结果表明,所提方法在IS与FID评价指标上均优于当前主流生成对抗网络方法,能够生成更逼真、细节更丰富、语义一致性更强的图像。
一类线性码及其子域码
柴烨, 朱士信, 开晓山
, doi: 10.11999/JEIT250775
摘要:
少重量线性码在秘密共享、强正则图、关联方案和认证码等方面有着广泛的应用。该文基于有限域上Kloosterman和,完全确定了一类\begin{document}$ q $\end{document}元少重量线性码及其删余码的参数和重量分布,研究了它们的对偶码及其子域码,得到了关于球包界最优的线性码。
低空经济赋能者:智能无人机技术体系综述与展望
钱志鸿, 王义君
, doi: 10.11999/JEIT251246
摘要:
随着新质生产力与数字经济的深度发展,低空经济作为融合通用航空、无人机物流和空中出行等形态的新型产业体系,正成为全球经济增长的新引擎。无人机凭借其高性价比、可扩展性与高度智能化,在其中扮演着核心赋能者角色。该文系统性梳理并构建了面向低空经济的智能无人机技术体系,该体系遵循从底层基础到顶层应用的逻辑,通过通信网络贯通“感知-决策-行动”闭环,总结了无人机在物流运输、城市空中交通、公共安全和工业巡检等典型场景中的应用模式。剖析了其在感知与定位、通信与组网、智能决策与控制及空域集成与安全4大领域的关键技术内涵;归纳低空无人机通信3大关键网络类型,即无人机与蜂窝网络深度融合网络、无人机自组织专用网络、无人机计算应用网络,并详细分析了智能反射面(IRS)辅助的非正交多址接入(NOMA)通信、自组网拓扑优化和移动边缘计算分别在3类网络中的核心作用。解析了无人机在可靠通信、智能感知、自主协同和能源动力等方面面临的技术挑战以及在空域管理、法规标准、商业模式与社会接受度方面的非技术挑战。展望智能全域通信、认知群体智能、高置信度自主安全及绿色可持续技术等未来融合发展趋势的同时,提出基于“挑战驱动-技术融合-体系构建-反馈迭代”的低空经济无人系统技术闭环演进范式,揭示了其发展内在逻辑是以应用为导向、具备自我优化能力的动态递归过程。
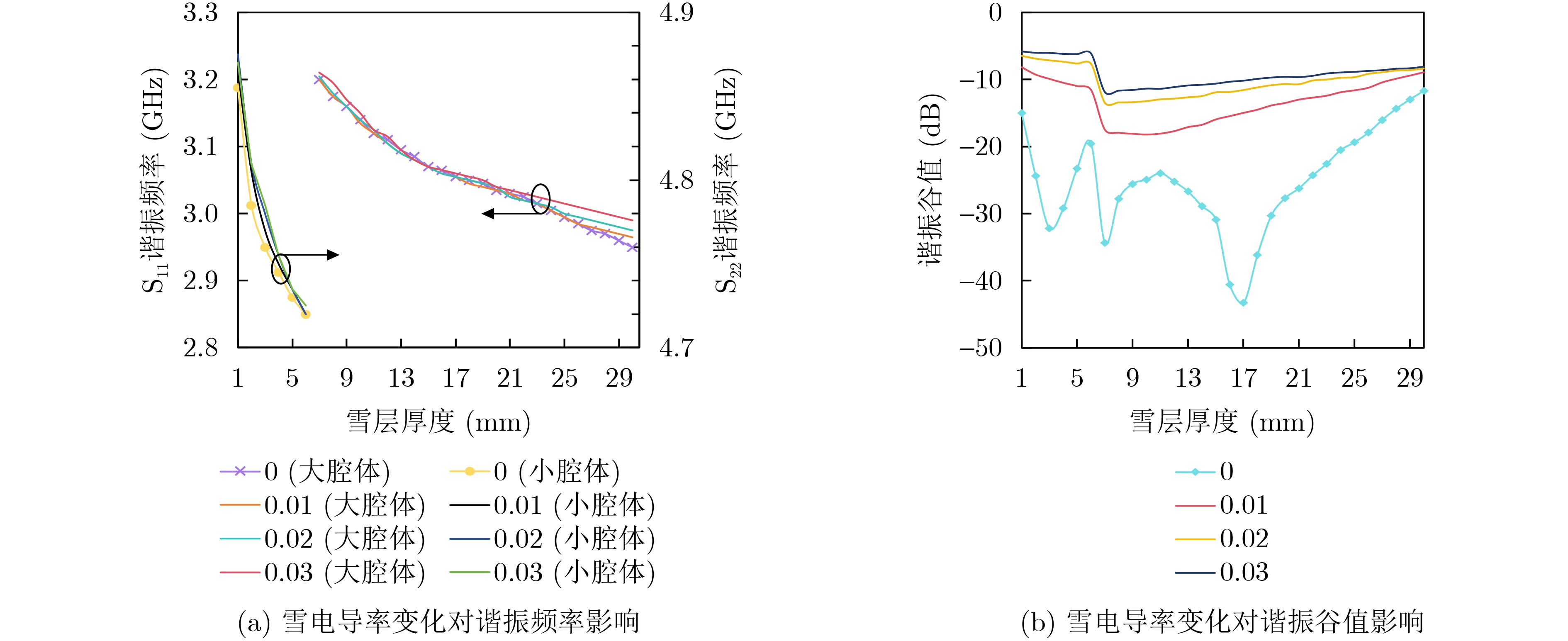
基于微波开口双频段谐振腔的雪层厚度测试技术研究
李梦瑶, 张鹏飞, 冯浩, 马中发
, doi: 10.11999/JEIT250724
摘要:
能实时准确测量雪层厚度并进行预警的设备对于保护冬季长时间暴露在外界环境中的供电、通信、雷达等设备具有重要的应用价值。该文研究了基于微波矩形波导开口双腔体的雪层厚度测试方法,设计了对应的测量装置,给出了相关的构造、参数获取、数据反演策略。在此过程中,提出了基于单舱内嵌入金属隔板或频率选择表面(FSS)隔板的双腔双馈电双频段测试方法,通过大腔体低频大动态范围和小腔体高频高精度的策略结合参数相关处理算法,合理解决了大量程和高测试精度之间的矛盾。论文分析了自然降落覆盖在谐振腔开口处的不同雪层厚度对腔体的反射系数谐振频率和S参数的影响,并讨论了雪的密度、湿度对厚度测量精度的影响,比较了不同反演算法的效果,实现了1~30 mm的雪层厚度的分段测量,反演算法精度达到0.16 mm。测试精度优于1 mm。对应的技术和设备可直接或扩展用于以雪厚测试为代表的介质几何参数测试。
用户需求差异化场景下信息年龄优先的多无人机部署及资源分配方法
金飞鸿, 张静, 谢亚琴
, doi: 10.11999/JEIT251062
摘要:
在发生自然灾害等紧急情况下,地面固定基站被损毁,可能无法及时恢复。同时,由于无人机的灵活性和低成本特性,基于无人机的应急通信需求吸引了学术界和工业界的广泛关注。然而,在探索应急通信中的带宽和功率分配方案时,现有的方案忽略了不同地面用户之间业务量需求的差异性,同时也未充分考虑信息新鲜度对应急决策的重要性。考虑到不同用户的业务量需求,且信息年龄(AoI)直接影响应急响应的时效性,该文提出一种用于应急场景下的基于AoI的多无人机部署及资源分配方案。首先,在满足用户总业务量需求下,求解所需最少无人机数量。然后,进一步优化无人机的带宽、功率和三维位置,以最小化系统的平均AoI。仿真结果表明,所提方案在保证AoI最小的同时,所需的无人机数量最少。此外,与未联合优化无人机位置及通信资源的基准方案相比,所提方案显著提升了信息新鲜度,使系统平均AoI降低了21.1%。
面向图像恢复任务的语义通信网络能耗优化
陈阳, 马欢, 姬智, 李英奇, 梁佳宇, 郭兰
, doi: 10.11999/JEIT250915
摘要:
针对语义通信网络在图像恢复任务中计算和传输能耗过高的问题,该文提出一种改进型多智能体近端策略优化算法驱动的网络能耗优化策略,在保障任务性能的同时最小化网络总能耗。首先,量化分析语义提取率、发射功率、计算资源与网络能耗间的耦合关系。随后,构建以小区总能耗最小化为目标,同时满足时延、图像恢复质量等多维约束的优化模型。最后,设计改进型多智能体近端策略优化算法对该模型进行求解。仿真结果表明,与基准算法相比,所提算法在维持相当能耗水平的同时,训练收敛速度提升66.7%~80%,网络能耗和用户时延稳定性显著提升,并能有效降低平均误符号率。
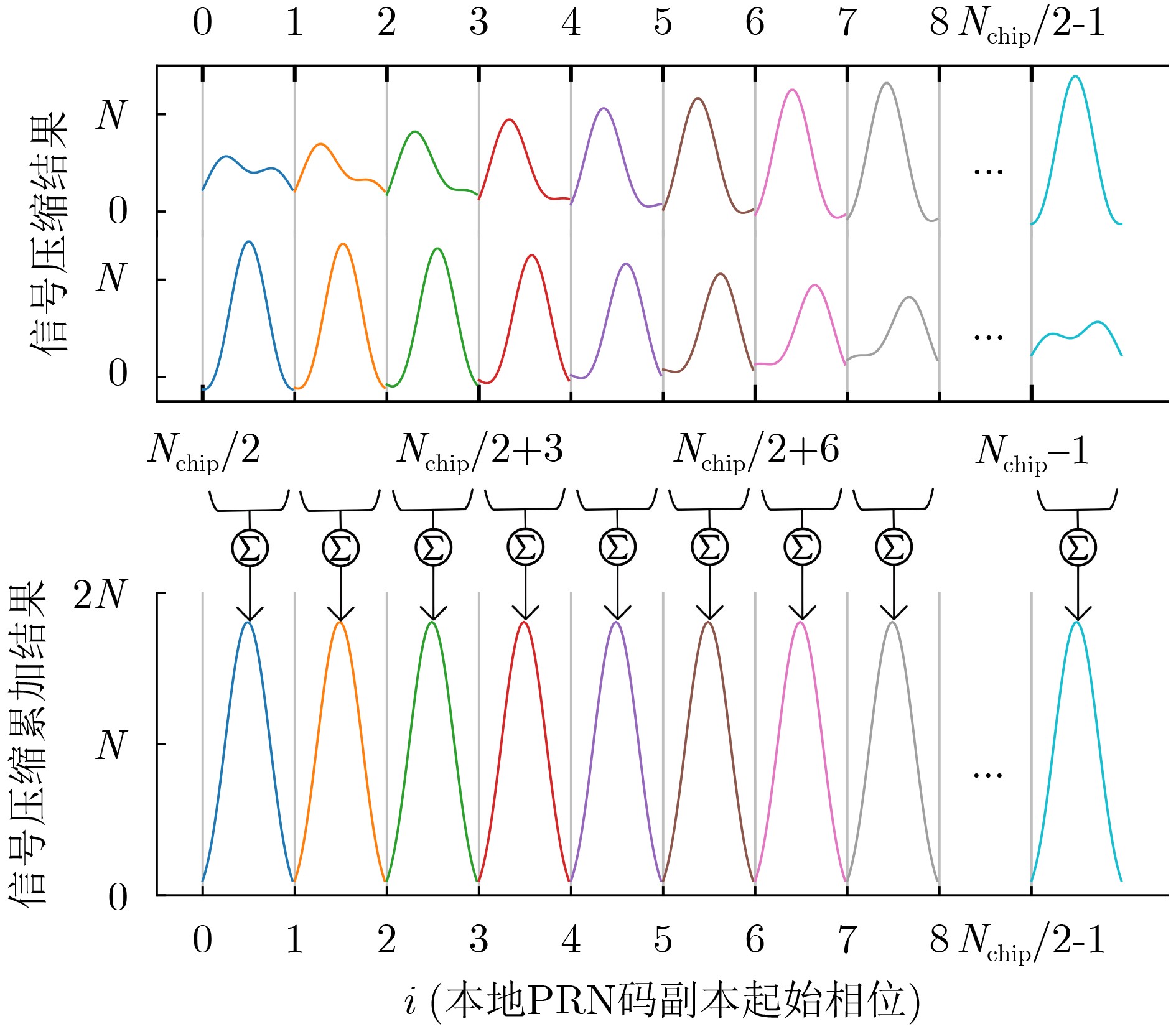
基于带限信号压缩的高效软件无线电卫星双向时间比对
程龙, 董绍武, 武文俊, 弓剑军, 王威雄, 高喆
, doi: 10.11999/JEIT250705
摘要:
卫星双向时间比对(TWSTFT)技术因其高精度特性在时间同步领域具有重要应用价值,其中实时性是衡量系统性能的关键指标。传统硬件实现的TWSTFT存在显著的周日效应问题,而基于开环架构和高分辨率多相关器的软件定义无线电(SDR)实现方法虽能有效抑制该效应,却因计算复杂度高而面临实时性挑战。为提升SDR接收机的运算效率并改善其短期稳定性,该研究在传统信号压缩法基础上提出了一种基于带限信号压缩的高效SDR实现方法。该方法创新性地采用伪随机噪声(PRN)码整数倍抽取序列与接收信号进行相关运算以获得压缩值,并通过建立抽取序列采样频率与信号带宽的定量关系实现相关结果的高效重构。该机制通过消除传统算法的冗余计算环节,在保证测量精度的同时显著提升了运算效率并降低了系统资源开销。为验证方法有效性,该文设计了不同带宽和基线长度的对比实验,结果表明:相较于TWSTFT SDR中常用的多相关器法,该方法的运算速度提升了7~8倍,资源消耗量降低了85~90%,且信号预处理阶段的滤波操作能有效抑制带外噪声干扰。这种效率提升不仅增加了单位拟合周期内的有效测量数据量,通过统计平均效应降低了随机噪声影响,还显著提高了比对结果的短期稳定性,为高精度时间比对提供了新的技术途径。
频域感知与空间信息约束的SAR图像舰船目标实例分割方法
张博雅, 王勇
, doi: 10.11999/JEIT250938
摘要:
针对合成孔径雷达(SAR)图像中舰船实例分割面临的目标尺度变化大、分布不均匀以及背景环境复杂等难题,该文设计了一种频域感知与空间信息约束网络,通过充分挖掘和融合深度网络中SAR图像不同尺度特征信息,增强目标特征表达能力,进而提高SAR图像舰船目标实例分割精度。首先,在主干网络中构建频域感知网络单元,将特征图在频域编码为特征向量,以获取目标频域特征信息,提高网络对舰船目标与背景特征的判别能力;其次,构建选择性特征聚合网络,通过将高层语义信息聚合到低层特征中,引导网络选择性关注图像重要特征,实现不同尺度特征图的有效聚合;最后,提出一种空间信息约束的掩模损失函数,通过预测掩模与目标间的质心位置和方向偏差,引导模型参数更新,进一步提高舰船目标实例分割精度。实测数据集上的实验结果表明,所提方法对复杂背景中的舰船目标具有较好的实例分割性能和泛化能力。
一类双阶扭曲Generalized Reed-Solomon码及其扩展码
程鸿丽, 朱士信
, doi: 10.11999/JEIT251045
摘要:
该文研究了有限域\begin{document}$ {\mathbb{F}}_{q} $\end{document}的一类双阶扭曲广义里德-所罗门(GRS)码\begin{document}$ {C}_{k,\boldsymbol{h},\boldsymbol{\eta }}(\boldsymbol{\alpha },\boldsymbol{v}) $\end{document}及其扩展码\begin{document}$ {C}_{k,\boldsymbol{h},\boldsymbol{\eta }}(\boldsymbol{\alpha },\boldsymbol{v},\mathrm{\infty }) $\end{document},不仅给出了这两类码的校验矩阵,还分别刻画了码\begin{document}$ {C}_{k,\boldsymbol{h},\boldsymbol{\eta }}(\boldsymbol{\alpha },\boldsymbol{v}) $\end{document}是极大距离可分(MDS)码或者是几乎极大距离可分(AMDS)码以及码\begin{document}$ {C}_{k,\boldsymbol{h},\boldsymbol{\eta }}(\boldsymbol{\alpha },\boldsymbol{v},\mathrm{\infty }) $\end{document}是MDS码的充要条件。基于舒尔方法,当\begin{document}$ k\geq 4 $\end{document}时,该文确定了这两类码的非GRS性质,还分别给出了码\begin{document}$ {C}_{k,\boldsymbol{h},\boldsymbol{\eta }}(\boldsymbol{\alpha },\boldsymbol{v}) $\end{document}为几乎自对偶码以及码\begin{document}$ {C}_{k,\boldsymbol{h},\boldsymbol{\eta }}(\boldsymbol{\alpha },\boldsymbol{v},\mathrm{\infty }) $\end{document}为自正交码的充要条件,并且构造了一类具有灵活参数的几乎自对偶双阶扭曲GRS码。
多尺度分数信息势场与动态梯度引导能量建模的SAR与多光谱图像融合
宋加文, 王青松
, doi: 10.11999/JEIT250976
摘要:
合成孔径雷达(SAR)与多光谱图像融合在遥感应用中具有重要意义。然而,现有方法常因斑点噪声、强散射以及模态差异而引起结构失真和光谱畸变。为解决这些问题,该文提出一种结合多尺度分数信息势场与动态梯度引导能量建模的鲁棒融合方法。首先,设计了一种多尺度分数信息势场显著性检测方法,融合局部熵驱动的自适应尺度机制、傅里叶域分数阶建模与梯度增强策略,实现细节层显著结构的稳定提取。其次,针对模态间噪声差异及结构响应不一致的问题,提出局部方差感知的动态正则化项,并基于贝叶斯最小均方误差准则构建了细节融合模型,以提升结构一致性及抗噪性能。进一步,提出梯度引导的多分辨率结构能量建模方法,用于基础层特征提取,从而增强几何结构的保持能力。最后,设计了基于信息熵与均方根误差的联合驱动机制,实现SAR散射信息的自适应贡献平衡,确保融合图像的光谱协调性与视觉一致性。实验结果表明,所提方法在WHU, YYX和HQ数据集上的整体性能超过7种主流方法,评价指标相较次优方法平均提升29.11%,并在结构保持、光谱保真和噪声抑制方面表现出显著优势。
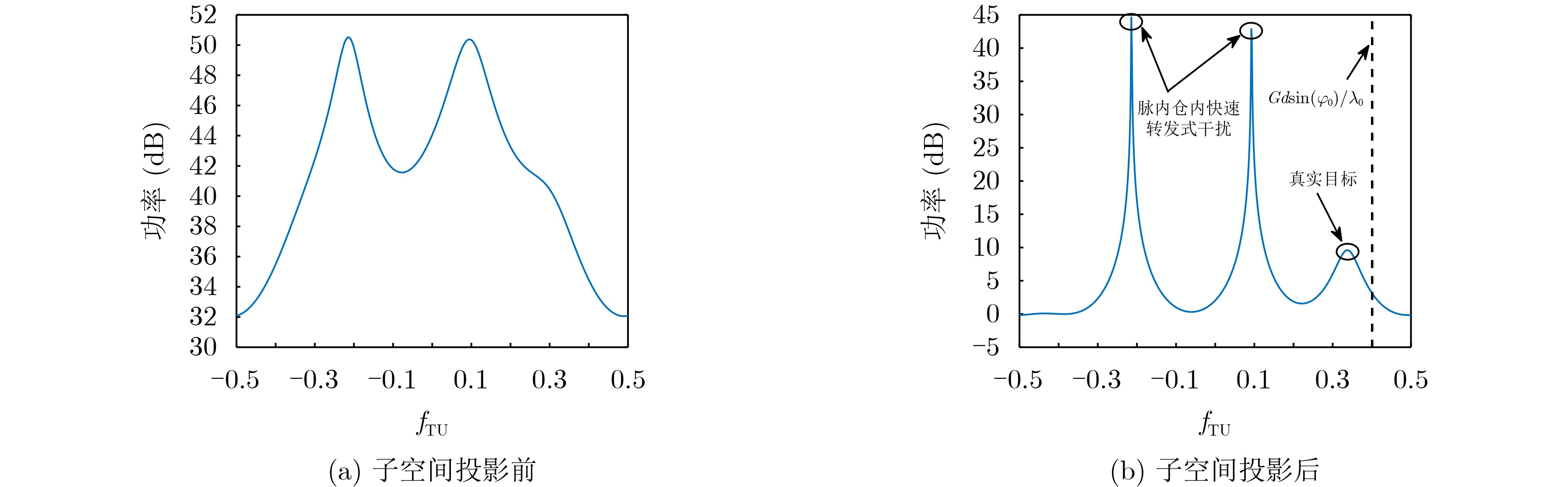
子阵频率分集阵列MIMO雷达距离模糊杂波与主瓣欺骗式干扰联合抑制方法
张梦迪, 鲁珈豪, 许京伟, 李世银, 王宁, 刘志鑫
, doi: 10.11999/JEIT251116
摘要:
距离模糊杂波与主瓣欺骗式干扰严重制约了雷达空时自适应处理(STAP)的性能。针对此问题,该文提出一种基于子阵频率分集阵列多输入多输出(FDA-MIMO)雷达的杂波与干扰联合抑制方法。具体而言,通过在发射子阵内和子阵间分别引入小频率增量和大频率增量,子阵FDA-MIMO雷达具备了子阵内与子阵间两级距离自由度(DOFs)。通过距离依赖补偿,可在发射空间频域实现真实目标与距离模糊杂波、跨脉冲转发式干扰以及脉内快速转发式干扰的有效分离。随后,在子阵内发射维设计预STAP滤波器,以抑制距离模糊杂波与跨脉冲转发式干扰。最后,采用基于子空间投影的三维(3-D)STAP方法同时抑制本地杂波与脉内快速转发式干扰。仿真实验验证了所提联合抑制方法的有效性。
面向小样本的空间目标ISAR序列运动建模与模糊姿态分类方法
叶炬航, 段佳, 张磊
, doi: 10.11999/JEIT250689
摘要:
空间目标姿态分类是空间态势感知中的关键环节,针对现有方法存在计算复杂度高、训练数据依赖性强、分类粒度粗糙,以及时序运动建模和小样本分类能力不足等问题,该文提出一种面向小样本、融合运动建模与模糊理论的姿态模糊分类方法。所提方法依托地基逆合成孔径雷达成像与图像解译技术,构建融合地平坐标系、UNW轨道坐标系和机体坐标系的映射模型,从姿态与特征间映射关系出发,结合傅里叶级数深入目标时序运动建模,利用特征设计细化分类粒度,并引入模糊理论实现小样本下线性阶计算复杂度姿态模糊分类。仿真实验验证了该方法在小样本场景下,不同成像角度与异常干扰下的稳健性。横向对比结果表明,所提方法无须训练,且在实时性和小样本处理能力等方面实现性能提升。
模型驱动的天基支援一体化仿真技术研究
任育利, 游令非, 常创业, 郭志奇
, doi: 10.11999/JEIT251004
摘要:
该文聚焦于基于模型的系统工程(MBSE)应用于天基支援一体化仿真,旨在解决复杂运行体系下信息描述、系统互操作与集成仿真的关键难题。针对传统仿真方法在功能逻辑-时空信息的跨平台协同、动态扩展和高效集成方面的不足,该文提出一种基于离散事件系统规范(DEVS)的多视角建模仿真方法,并构建了“1个平台+N个组件适配器”的分布式混合仿真集成框架。该框架通过基本对象管理、异构软件适配器、时间管理控制和发布订阅四大核心模块,实现了对系统模型的抽象化互联、仿真资源的即插即用、全局时序的精确同步以及高性能实时通信,有效支撑了异构仿真软件的互操作与可重用。在此基础上,进一步设计了联合仿真系统,整合体系架构开发与验证软件与运行可视化与推演的时空仿真软件,利用消息中间件实现状态机与时空模型之间的双向同步交互,完成了从运行概念到数字推演的闭环验证。以“海上天基支援拒止”为典型场景,开展了运行概念设计、资源分析与联合仿真,验证了体系功能逻辑的合理性与可信性。该研究成果为复杂联合运行体系的数字化设计、推演优化与方案改进提供了有效的技术路径与环境支撑。
分布式多卫星协同遥感图像场景分类方法
金晶, 王峰
, doi: 10.11999/JEIT250866
摘要:
随着空天信息技术的快速发展,卫星遥感平台对海量数据的高效处理与智能解译的需求日益增强。传统集中式遥感场景分类方法需将数据回传至地面中心进行集中处理与训练,受限于通信带宽、传输延迟及链路稳定性,难以满足“空天信息时代”高时效性与低通信负载的需求。针对这一问题,该文提出一种基于联邦学习的分布式多卫星协同遥感场景分类方法,在保留各卫星本地遥感数据的前提下,由各卫星独立完成本地模型训练,仅上传更新后的模型参数至中心节点进行全局聚合,并将优化后的全局模型参数下发至各卫星继续迭代,实现跨卫星的联合建模与协同推理。同时,结合星间直连通信机制开展参数共识,再由中心节点选取代表节点参与全局聚合,从而减少星地链路的传输负载,有效降低通信开销并提升系统可扩展性。在NWPU-RESISC45与UC-Merced数据集上的实验结果表明,该方法在分类准确率、通信效率和模型鲁棒性方面均优于现有主流算法,验证了其在多卫星协同遥感场景分类中的有效性与应用潜力。
基于注意力机制的轻量级双卷积手指静脉识别网络
赵冰艳, 梁义怀, 张中霞, 张文政
, doi: 10.11999/JEIT250380
摘要:
基于深度学习的指静脉识别方法已广泛应用于生物特征识别领域,然而现有模型普遍存在复杂度与分类性能失衡的问题,难以在内存受限和计算资源稀缺环境下高效完成识别任务。针对上述问题,该文提出了一种融合注意力机制的轻量化双通道卷积神经网络模型。此模型设计有双分支协同架构,旨在分别提取核心特征与辅助特征,从而丰富特征集合并增强网络对远程依赖特征的捕捉能力。通过设计一种并行双重注意力机制,以促进融合特征间的信息交互,引导模型聚焦于高价值信息,学习更具区分度的特征表示。实验结果显示,此模型在USM、HKPU和SDUMLA三个公开数据集上的识别准确率分别达到99.70%、98.33%和98.27%,比现有先进方法分别提升2.34%、1.79%和2.03%,而参数量减少11.35%-60.19%,表明提出的双卷积模型实现了网络规模与识别准确率之间的有效平衡。
多尺度时空群组建模与扩散生成的多模态行人轨迹预测
孔祥燕, 高玉龙, 王钢
, doi: 10.11999/JEIT250900
摘要:
针对行人轨迹预测中多模态特征捕捉不足及群体动态关系缺失的问题,该文提出了一种新颖的多模态行人轨迹预测框架——MSGD (Multi-Scale Spatio-Temporal Group Modeling and Diffusion),首先我们利用多尺度时空特征,准确构建多尺度时空群体;其次,设计时空交互三元组编码机制,对个体—邻居—群体的时空关系进行联合建模,兼顾局部交互细节与全局动态结构,提升对群体行为演化的表征能力。最后利用扩散模型的逆过程在生成阶段逐步减少可行区域内的不确定性,最终生成多样、合理且逼真的目标轨迹。该文在三个公开数据集(ETH、UCY和NBA数据集)上对所提出的方法进行了广泛评估,并与当前最先进的方法进行了比较。实验结果表明,MSGD框架在预测性能方面取得了显著提升,具体表现为平均偏移误差(ADE)和最终偏移误差(FDE)指标的显著改善,展现了其在建模复杂行人行为方面的有效性。
面向电池防伪的混合型PUF标签生成技术
贺章擎, 罗思雨, 张军明, 张寅, 万美琳
, doi: 10.11999/JEIT250967
摘要:
为应对动力电池供应链中的假冒风险并满足对电池全生命周期追溯的需求,本文提出一种面向电池防伪的混合型PUF标签生成技术。该技术利用PCB覆铜区与电池负极极耳构成的独特电容结构,结合分立电阻形成RC延时电路,并将其接入芯片内基于延时的传统仲裁器PUF(A PUF),从而构建一个集“电池-PCB-芯片”三重物理耦合于一体的混合型PUF电路。该电路将电池、PCB和芯片制造过程中固有的工艺偏差转化为独一无二的电池ID,并集成延时补偿模块与可靠性自筛选模块,显著提升了ID标签的随机性与可靠性。实验结果表明,所生成的标签在随机性(48.85%)、唯一性(49.15%)和可靠性(99.98%)方面均表现优秀。在更换不同电池、PCB或芯片的情况下,数字标签的变化率分别达到14.86%、24.58%和41.66%,有效验证了该方案实现了“电池-PCB-芯片”之间的深度绑定,为电池真伪验证提供了物理层面上的有效保障。
CaRS-Align:通道关系谱对齐的跨模态车辆再辨识方法
萨百慧, 庄靖怡, 郑锦杰, 朱建清
, doi: 10.11999/JEIT250917
摘要:
可见光与红外光作为智能交通场景中常用的两种图像模态,在长时间、广范围的车辆再辨识中具有重要应用价值。但是,由于成像机制与光谱响应的差异,两种模态的视觉表现特性并不一致,干扰身份表征学习,制约跨模态车辆再辨识。为此,该文提出通道关系谱对齐(Channel Relation Spectra Alignment, CaRS-Align)方法,以通道关系谱而非通道特征作为对齐目标,从关系结构层面削弱成像风格差异的干扰。具体地,首先在模态内构建通道关系谱,通过稳定的相关建模获取语义协同的通道—通道关系谱;随后,在跨模态层面最大化两模态对应通道关系谱的相关性,实现通道关系谱一致性对齐。CaRS-Align 对齐的是关系结构而非强度幅值,对光照、对比度与成像条件变化更不敏感,有效提升跨模态再辨识性能。实验表明,在公开的MSVR310和RGBN300数据集上,所提出CaRS-Align方法优于现有先进方法,例如,在MSVR310数据集上,红外光-可见光检索模式下,CaRS-Align的Rank-1识别率达到64.35%,较之现有先进方法提升了2.58%。
梯度自适应调整驱动的三维目标识别对抗攻击方法
刘伟权, 沈晓影, 刘敦强, 孙宴文, 蔡国榕, 臧彧, 沈思淇, 王程
, doi: 10.11999/JEIT251264
摘要:
近年来,人工智能技术与光电感知系统深度融合,有力推动了智能驾驶技术的发展。激光雷达作为核心光电感知手段,能够获取高精度、高分辨的三维点云数据,已成为智能驾驶环境感知系统中不可或缺的新型信息来源。然而,基于深度学习的三维点云识别模型在面对对抗点云时表现出显著的脆弱性,极易受到精心设计的扰动攻击,导致识别性能急剧下降,对智能驾驶光电感知系统的安全构成了严峻挑战。因此,研究三维点云对抗攻击方法,不仅对提升光电信息处理模型的鲁棒性具有重要意义,更是保障智能驾驶系统安全可靠运行的关键一环。现有攻击方法虽在攻击有效性上有所提升,但生成扰动不够隐蔽,易产生离群点且不可感知性较差,限制了其在真实光电感知场景中的应用。为此,该文提出一种基于梯度自适应调整驱动的点云对抗攻击方法(GAA)。该方法首先分析三维点云分类网络的决策脆弱性,筛选对模型输出影响显著的关键点集;进而结合各点的局部曲率信息自适应调整梯度权重,并在主曲率方向的几何约束下优化扰动生成,从而在保证较高攻击成功率的同时,有效维持对抗点云的几何一致性与视觉自然性。在多个公开数据集上的实验结果表明,该方法在实现高攻击成功率的同时,显著降低了扰动强度,以ModelNet40数据集为例,在PointNet模型上平均仅扰动28个点便可达到97.69%的攻击成功率,显著优于现有对比方法,为评估和提升智能驾驶光电感知系统的安全性提供了有效工具。
二阶多智能体系统的弹性平均一致性算法及其应用
方崇荣, 还约辉, 郑文喆, 包贤晨, 李政
, doi: 10.11999/JEIT251155
摘要:
多智能体系统是实现协同协作的重要途径,而弹性一致性则是其安全支撑技术之一。该文针对二阶多智能体系统,研究在存在异常行为节点(包括恶意攻击和意外故障)情况下保证系统协同性能的弹性平均一致性问题。该问题面临双重挑战:如何实现分布式异常检测,以及如何通过一维加速度输入精确补偿二维状态误差。为解决该问题,该文首先推导了二阶平均一致性实现的充分条件。基于此,通过引入两跳通信信息设计了分布式检测机制,并提出能够精确补偿有限控制输入误差的方案。针对输入、速度、位置维度可能遭受的持续攻击,进一步提出具有容错机制的扩展算法。理论证明表明,所提算法能使节点在存在异常节点情况下渐近实现二阶平均一致性。最后,通过大量数值仿真和实验验证了所提方法的有效性。
AutoPenGPT:空间收敛与依赖建模驱动的抗漂移渗透测试
黄炜刚, 付丽嫆, 刘沛宇, 杜林康, 叶童, 夏亦凡, 王文海
, doi: 10.11999/JEIT250873
摘要:
随着工业互联网的发展,Web管理平台与工业路由器等边界组件被广泛配置为可达生产内网,显著扩大了工业控制系统的攻击面。针对这一风险,渗透测试已成为保障工控系统安全的重要手段。近年来,部分研究尝试引入大语言模型(LLMs)以实现智能化渗透测试,进而降低人力消耗。然而,工控安全测试任务空间庞大且利用链条复杂,同时测试过程容错空间有限、语义约束严格,现有系统在此类场景下易出现“策略漂移”和“意图漂移”问题,导致无法有效完成测试任务。为此,本文提出了一种智能化 Web 漏洞测试与利用系统 AutoPenGPT。该系统通过引入与测试目标一致的上下文约束,引导LLMs收敛测试空间,以缓解复杂任务场景下的策略漂移问题;同时,AutoPenGPT 基于语义分析从反馈数据中提取并组织关键信息,对多步骤漏洞利用过程进行依赖建模,从而降低意图漂移对测试连贯性的影响。针对工控系统测试任务参数复杂且上下文动态变化的特点,系统进一步设计了高灵活性的半结构化提示词框架,以支持不同测试场景下的语义对齐与任务适配,最终实现与用户需求一致的自动化漏洞检测与利用。实验结果显示,AutoPenGPT在CTF测试集中漏洞类型探测准确率达97.62%,需求完成率为80.95%;在多个工控、通用Web平台的脆弱性测试中达到约70%的需求完成率,并成功发现7个未披露漏洞,其中已有两个漏洞获得CVE和CNVD编号,验证了其在真实场景下的实用性。
多无人机射频信号CNN|Triplet-DNN异构网络特征提取与机型识别
赵慎, 李广选, 周鲜成, 黄雯蒂, 杨玲玲, 高丽萍
, doi: 10.11999/JEIT250757
摘要:
随着无人机技术的广泛应用,多机共存场景中机型识别对空域管理与黑飞无人机反制具有重要意义。针对射频(RF)信号的特征提取与机型识别需求,提出CNN|Triplet-DNN异构网络模型。该模型采用不同深度卷积层与三元组(Triplet)结合的三分支结构,通过交叉熵、中心及三元组损失的动态协同,从分类准确性、类内聚集性和类间分离性三个角度,提取并融合时频图的异构多层特征;进一步利用深度神经网络(DNN)增强特征的非线性拟合能力,提升机型的识别准确率。基于DroneRFa数据集进行消融实验,验证了模型分支设计的有效性;通过叠加DroneRFa中单无人机信号模拟四类及以下多机共存场景,CNN|Triplet-DNN模型的机型识别准确率达83%~100%;在实飞实验中,该模型对二、三、四类共存场景中的机型识别准确率分别为86%、57%和73%。与CNN、Triplet-CNN和Transformer模型相比,CNN|Triplet-DNN模型的识别性能更优。
融合大语言模型与强化学习的敏捷卫星任务分配算法设计
陈盈果, 王斐然, 胡云鹏, 杨斌, 严冰
, doi: 10.11999/JEIT250991
摘要:
多敏捷对地观测卫星任务调度(MAEOSMSP)是一个复杂的NP-难问题,其求解算法的设计长期受限于对专家经验的依赖和场景适应性差的瓶颈。为突破这一局限,该文提出一种创新的自适应算法设计(AAD)框架,通过深度融合大语言模型(LLM)与强化学习(RL),实现调度算法的自动化生成与智能应用。框架的核心是一个离线进化-在线决策架构:离线阶段,利用LLM驱动的进化计算自动生成超越人类范式的分配算法,构建强大算法库;在线阶段,通过RL智能体根据实时求解状态,从算法库中动态选择最优算子,实现对新场景的强大泛化能力。在多个标准算例上的实验表明,AAD框架生成的任务分配算法在性能上全面超越了传统专家设计算法,尤其在复杂场景下性能提升高达9.8%。该研究证实了LLM与RL协同在自动化算法设计上的巨大潜力,为MAEOSMSP提供了一种高效、自适应的求解新范式。
一种形态学引导的解耦式SAR舰船有向检测框架
汪泽宇, 王青松
, doi: 10.11999/JEIT250979
摘要:
合成孔径雷达(SAR)以其全天时、全天候的观测能力,在遥感检测中得到了广泛应用。然而,受限于标注精度,目前主流的SAR目标检测方法多依赖水平框标注,难以实现精确的目标角度和尺度估计。同时,尽管弱监督学习在光学图像中的角度预测取得了进展,但其忽视了SAR特有的成像几何,难以有效泛化。为解决上述挑战,该文提出一种融合SAR成像机理的有向舰船检测新框架,核心思想在于将检测任务解耦为定位与方向估计两个独立的子模块。其中,定位模块可以直接利用任意现有的、在水平框标注上训练的检测器;而方向估计模块则在一个专门构建的形态学合成二值数据集上进行全监督训练。该框架的优势在于无需修改原有检测器结构和重新训练的前提下,即插即用地赋予模型高精度的有向框预测能力。实验验证了所提方法在多个数据集上相较于现有仅依赖水平框监督的方法表现出更优的性能,部分场景中甚至超越全监督方法,体现出强大的有效性与工程应用价值。
顾及灰度-梯度双通道特征与形变参数优化的陆标匹配方法
徐昌定, 刘世杰, 肖长江
, doi: 10.11999/JEIT250953
摘要:
面向深空探测任务对光学自主导航定位的迫切需求,该文提出一种融合影像灰度与梯度幅值双通道特征,并结合形变参数优化的陆标匹配算法。该方法将匹配问题转换为非线性函数求解问题,以陆标与着陆器影像在灰度与梯度特征上的差异最小化为目标,构建非线性函数,并采用Levenberg–Marquardt算法迭代求解最优形变参数,从而获得陆标在着陆影像上精确的匹配位置。实验结果表明,即便在存在多种先验误差的情况下,该方法仍能以亚秒级的速度实现鲁棒匹配,平均匹配误差模长为1.03像素。研究结果充分验证了该算法在高精度与高实时性陆标匹配任务中的有效性,可为无卫星导航条件下的月球着陆定位提供可靠的技术支撑。
基于高维特征随机森林的雷达扫描方式自主识别方法
吴康徽, 郭子薰, 范一飞, 谢坚, 陶明亮
, doi: 10.11999/JEIT250985
摘要:
在非协作电子侦察条件(被动截获、无先验/不同步、参数随任务时变且电磁环境拥挤)下,快速、稳健地区分雷达扫描方式是实现威胁评估、资源调度与对抗策略生成的重要环节。因此,面向非协作场景下的雷达扫描方式识别,该文围绕机械扫描(机扫)与相控阵电子扫描(相扫)的物理差异,提出一套时-频-图多域特征体系。时域方面,建立变异系数、总变差、高斯拟合度和主瓣相对宽度,用于度量平滑/跳变和形态规整度;频域方面,采用谱平坦度刻画能量集中与分散;图结构方面,将幅度序列映射为水平可见性图,并计算全局聚类系数与归一化度熵,以捕获由序列形状诱发的全局拓扑模式。结合所提出的7个有效差异性特征,形成7维特征向量,随后结合随机森林算法,完成扫描方式识别。基于包含机扫与相扫、覆盖多信噪比条件、含到达时间抖动的对照数据,实验结果表明,所提方法实现了97.59%的识别准确率,并在低信噪比条件下仍具稳健分辨力,充分验证了方案可行性。
聚焦注意力与紧致特征融合Transformer的城市遥感影像语义分割
周国宇, 张菁, 闫伊, 卓力
, doi: 10.11999/JEIT250812
摘要:
在空天信息智能处理深度融合遥感数据获取与智能解译技术的推动下,城市遥感影像(URSI)语义分割逐渐发展成为连接空天信息与城市计算的关键研究方向。然而,与通用遥感影像相比,URSI中地物目标具有高度多样性和复杂性,表现为同类地物内部细节有差异、不同类地物之间特征相似易混淆,同时地物边界往往模糊且形态不规则,这些因素共同构成了其精细化分割面临的挑战。尽管基于Transformer的遥感影像语义分割方法取得了显著进展,但将其用于URSI时,不仅要考虑其对细节和边缘的提取能力,还需应对自注意力机制带来的计算复杂度等问题。为此,该文在编码器端引入聚焦注意力,以高效捕捉类内和类间关键特征;同时在解码器端对边缘特征进行紧致融合。针对URSI的独特特性,该文提出一种聚焦注意力与紧致特征融合Transformer语义分割模型(F3Former)。首先,在编码器端引入特征聚焦编码块(FFEB),通过建模Query-Key特征对的方向性,在保持较低线性复杂度的同时提升类内特征聚合与类间判别能力;在解码器端设计紧致特征融合模块(CFFM),结合深度卷积降低跨通道冗余计算,增强URSI边缘区域的细粒度分割表现。实验结果表明,该文提出的F3Former在Potsdam、Vaihingen和LoveDA数据集上的mIoU分别为88.33%、81.32%和53.16%,计算成本减少到35.42 M Params、48.02 G FLOPs和0.09 s测试时间,相较基线计算成本下降了28.91 M Params和194.86 G FLOPs,显著平衡了URSI语义分割的精度和速度。
地空跨视角定位研究综述
胡迪, 袁夏, 徐孝强, 赵春霞
, doi: 10.11999/JEIT250167
摘要:
地空跨视角定位指的是利用空中视角图像作为参考,确定待查询的地面传感器位姿的过程。随着无人驾驶汽车、无人机导航等技术的发展,地空跨视角定位技术在智能交通、城市管理等领域扮演着越来越重要的角色。地空跨视角定位技术的发展经历了几个阶段:从早期基于人工设计特征的传统方法,到深度学习技术的引入衍生出的度量学习、图像变换及图像生成方法,以及结合距离传感器的定位技术。这些技术的发展标志着从依赖手工特征到自动学习特征表示的转变,以及从单一模态到多模态数据融合的进步。尽管取得了丰富的成果,地空跨视角定位领域仍存在很多挑战,尤其是在处理时空差异导致的定位误差问题上。这些挑战包括季节变化、日夜交替、天气状况差异等时间维度上的差异,以及视角改变、场景布局变化等空间维度上的差异,这些都对算法的鲁棒性和准确性提出了更高的要求。该文聚焦于地空跨视角定位,系统梳理了主要方法、关键数据集和评价方法,并对未来的发展趋势进行了分析。同时,该文首次系统化地整理了结合距离传感器的地空跨视角定位算法,为该领域的研究提供了新的视角和思路。
DetDiffRS: 面向细节优化的遥感图像超分辨率扩散模型
宋淼, 陈志强, 王培松, 邢相薇, 黄立威, 程健
, doi: 10.11999/JEIT250995
摘要:
遥感图像超分辨率技术对精确解析地物、支持城市规划与环境监测等下游应用具有至关重要的价值。近期基于扩散模型的方法在自然图像超分辨率任务中展现了卓越的性能,其强大的生成能力使其能够恢复精细的纹理。然而,当直接应用于遥感领域时,模型会面临由遥感影像特有的数据高低频信息分布不均衡所带来的挑战。影像中大面积、纹理单一的低频区域在训练中占据主导地位,导致模型对承载着关键信息的稀疏高频细节学习不足,最终的重建结果往往呈现全局平滑、细节模糊的特征。 因此,为解决这一问题,该文提出一种能够显著增强高频细节重建能力的遥感图像超分辨率扩散模型(DetDiffRS)。首先在数据输入端提出多尺度图块采样策略以应对低频区域在训练过程中占主导问题,该策略通过对多尺度图块进行加权采样,提升了富含高频信息图块的采样频率,从而引导模型更充分地学习这些关键细节。其次在优化端设计了一种复合感知损失函数,该损失函数在深度特征空间中约束高维感知损失,并且在傅里叶频域中对高频分量进行高频感知损失。这一设计从空间域和频率域两个维度增强了模型对高频细节的精确恢复能力。大量的实验结果表明,在AID,DOTA和DIOR等多个公开数据集上,DetDiffRS在客观量化指标(Fréchet Inception距离(FID)、峰值信噪比(PSNR)、结构相似性指数(SSIM))与视觉真实感方面均超越了现有的先进方法,尤其在细节恢复的清晰度上优势显著。
基于增强超分辨率的异源遥感影像双路径短期密集连接度量变化检测
李希, 曾怀恩, 韦朋成
, doi: 10.11999/JEIT250328
摘要:
光学异源高分辨率遥感影像变化检测中存在着空间分辨率差异、光谱差异以及变化类型复杂多样的问题,使得准确高效的检测异源高分辨率遥感影像中的变化更加困难。针对上述问题,该文提出一种基于增强超分辨率的异源遥感影像双路径短期密集连接度量变化检测网络(ESR-DSMNet),探讨光学异源高分辨率遥感影像高精度和高效率变化检测新路径。提出一种基于增强超分辨率的异源遥感影像质量优化网络(ESRNet),增强边缘信息和细节信息的同时,在影像级解决异源遥感影像空间分辨率差异;提出一种双路径短期密集连接度量变化检测网络(DSMNet),从特征级解决异源遥感影像的光谱差异,并实现高精度和高效率变化检测;在4组同源和异源遥感影像数据集进行对比分析表明,提出的方法领先于其他12种主流的变化检测方法,F1分别为79.69%, 71.01%, 95.87%和90.55%,所提的方法具有更高的精度和效率,泛化性能最好,在检测大面积地物和微小地物时,检测结果内部更具一致性、边缘更加精细。
双域多尺度状态空间网络下的口腔颌面全景X射线图像分割算法研究
李冰, 胡伟杰, 刘侠
, doi: 10.11999/JEIT250639
摘要:
针对口腔颌面全景X射线图像中存在的形态变异显著、牙体-牙龈边界模糊以及牙周组织灰度值重叠等问题,该研究提出基于双域多尺度状态空间网络的口腔颌面全景X射线图像分割算法。空间域利用视觉状态空间块建立牙弓动态传播模型,并利用微分方程实现跨象限长程关联捕捉。特征域构建可变形多尺度注意力金字塔,并利用通道-空间注意力动态加权关键解剖标志的灰度渐变特征,解析牙体-牙龈模糊边界。双域特征进一步通过三重注意力融合机制,强化解剖标注的语义表达。实验表明,该算法在颌面全景X射线图像分割任务中取得显著效果,戴斯系数(Dice)达93.8%,豪斯多夫距离(HD95)为18.73像素,充分验证了算法的有效性。
车联网边云协同下可搜索属性签密方法
俞惠芳, 王庆归, 王子豪
, doi: 10.11999/JEIT250750
摘要:
动态开放的网络环境使车联网难免遭受窃听、数据篡改和伪造,传统云计算因高延迟难以满足海量数据的实时性需求,安全性和性能之间固有冲突制约着车联网发展。为了解决上述问题,该文专为车联网设计出边云协同可搜索属性签密方法,可允许授权用户无须解密密文,就能通过云端快速匹配机制高效检索所需信息。利用边缘计算下沉计算能力到网络边缘,协同云服务器、边缘服务器和车载终端设备共同工作。通过属性签密和线性秘密共享机制的融合,实现车联网数据的细粒度访问控制,更好地保障数据的安全性。针对车载设备资源受限问题,将解签密过程中的复杂运算外包给高性能边缘节点处理,减轻了车载终端的运算负担且提升了响应速度,能够很好地适应车联网这种动态的资源受限复杂环境。
可控多双涡卷忆阻Hopfield神经网络建模及其动力学分析
刘嵩, 李子涵, 邱达, 罗敏, 赖强
, doi: 10.11999/JEIT250972
摘要:
忆阻Hopfield神经网络是一种类脑神经网络,能够产生丰富的动力学行为。该文提出一种新型包含反正切函数序列的忆阻器,将忆阻器耦合至神经网络中,可构建出一类包含电磁辐射与忆阻突触权重的忆阻全连接Hopfield神经网络。理论分析和数值仿真结果均表明,该模型可在相空间内生成单向、双向和3向多双涡旋混沌吸引子。进一步研究还发现,通过改变初始条件,发现该模型存在多个具有初始偏移增强特征的多双涡卷混沌吸引子,它们形状相同但位置不同,并且吸引子的数量以及双涡卷的个数均可控。此外改变忆阻突触耦合强度,结合分岔图和Lyapunov指数谱,发现该系统还存在丰富的共存对称吸引子,包括对称的周期吸引子与单涡卷混沌吸引子。最后基于FPGA平台完成了该系统的硬件实现,验证了该系统的物理存在性与可行性。
结合姿态不变性特征和半监督复兴稠密生成对抗分类网络模型的飞控系统故障诊断方法
张景森, 侯彪, 李志杰, 毕文平, 邬子同
, doi: 10.11999/JEIT250964
摘要:
无人机的飞控系统故障诊断主要面临以下两大挑战:其一,作为新兴的空中飞行平台,无人机可用于故障诊断的有效训练数据规模有限,存在显著的训练数据匮乏问题;其二,作为高机动性空中飞行平台,无人机在不同飞行姿态下的数据分布差异显著,存在数据环境高度变动的问题。针对这两种挑战,该文提出了一种结合姿态不变性特征和半监督复兴稠密生成对抗分类网络(RDC-GAN)模型的飞控系统故障诊断方法。方法首先通过基于微分平坦的数据筛选将无人机数据分为姿态相关数据和姿态不相关数据;对于姿态相关数据,利用经验模态挤压激励网络(EMD-SENet)提取对姿态变化具有鲁棒性的姿态不变性特征;之后采用自适应特征融合模块将姿态不相关数据、姿态相关数据和提取到的姿态不变性特征进行加权融合;最后将融合特征送入半监督RDC-GAN模型进行两阶段训练:第1阶段采用无监督训练,利用大量无标签数据对模型网络权重初始化,第2阶段采用有监督训练,通过少量有标签数据进一步对网络权重进行微调,从而实现仅用少量有效数据就能精确诊断出无人机飞控故障的目的。方法在公开数据集RflyMad上整体精度达到了95.71%,在真机故障诊断实验中的整体精度达到了92.78%。
伪三维卷积注意力网络的多步信道预测
陶静, 侯萌, 彭薇, 张国彦, 戴佳明, 刘卫明, 王海东, 王臻
, doi: 10.11999/JEIT251090
摘要:
现有大规模MIMO信道预测多以广义平稳假设为前提,且多采用单步预测。面对非平稳场景,单步结果极易失效,频繁迭代亦显著抬高导频开销。为此,该文构建一套融合伪三维卷积(P3D)与注意力模块的时频联合多步预测框架。该方案以伪三维卷积替代3D卷积实现信道状态信息(CSI)在时域与频域的高效特征提取,并叠加通道与空间的混合注意力(CBAM),增强网络对全局依赖的表征能力,从而提升预测精度。基于实测信道的实验验证显示,该方法在多步预测任务上具有明显优势。与此同时,结合迁移学习思路,完成了由单天线到多天线场景的平滑扩展。
深度强化学习赋能的无人机集群仿生行为建模方法
何明, 吴晶晶, 韩伟, 刘思聪, 潘璠, 夏恒煜
, doi: 10.11999/JEIT251103
摘要:
该文针对生物群体协同行为向无人机集群工程模型转化的难题,结合群体仿生智能与深度强化学习(BSI-DRL)的融合演进趋势,聚焦仿生映射理论与建模方法创新,梳理BSI-DRL驱动的无人机集群建模进展与挑战。首先,明确群体仿生智能概念与核心特征,分析其3阶段发展范式跃迁及技术价值,解析4类典型生物群体协同机制,提炼仿生映射3关键步骤;其次,围绕BSI-DRL核心范式,综合分析仿生规则参数化DRL优化、仿生规则生成式多智能体强化学习、动态角色分配与分层DRL协同优化3大方向的技术优势与挑战;最后,展望跨物种生物机制融合、BSI-DRL闭环协同、仿鸟群相变控制与DRL融合等未来方向,为技术工程化落地提供理论和方法支撑。
等效跨导补偿的负载调制增强准理想Doherty射频功率放大器研究
华均, 许高明, 陈景豪, 陆思炀, 尤蕾渊, 吕言, 李刚, 史卫民, 刘太君
, doi: 10.11999/JEIT250789
摘要:
现代无线通信系统对射频功率放大器在高动态范围的性能提出了严苛要求。Doherty功率放大器(DPA)虽然通过主功放与辅功放的动态负载调制显著提升了回退功率下的工作效率,但其工作在C类偏置下的辅功放因导通特性不足,导致输出电流受限,从而引发负载调制偏差,进而制约其性能表现。该文针对辅功放电流输出能力受限的问题,提出了等效跨导补偿的概念,通过引入补偿支路,精准矫正了C类偏压下辅功放较弱的输出电流,从而实现准理想的动态有源负载调制过程。为了验证所提方法的有效性,该文使用商用GaN HEMT器件CG2H40010F在1.3\begin{document}$ \sim $\end{document}1.8 GHz频段内设计并加工了一款负载调制增强的高效率DPA,并给出了可参考的设计过程。实验结果表明:在饱和状态下,放大器输出功率达43.7\begin{document}$ \sim $\end{document}44.5 dBm,漏极效率(DE)超过69.1%;6 dB回退工作状态下,DE仍保持在62.9%\begin{document}$ \sim $\end{document}69.4%,增益为9.7\begin{document}$ \sim $\end{document}10.5 dB;9 dB回退下,DE高达49.5%\begin{document}$ \sim $\end{document}57%,增益为10.3\begin{document}$ \sim $\end{document}11.5 dB。所提等效跨导补偿理论通过补偿电流注入机制有效解决了传统DPA的负载调制瓶颈,为高效率的宽带DPA设计提供了新思路。
智能反射面通信近邻互耦模型与可调阻抗优化方法
吴炜, 王文鼐
, doi: 10.11999/JEIT251109
摘要:
智能反射面(RIS)通常由大量可编程反射单元密集排布而成,当反射单元间距小于入射信号半波长时,电磁互耦效应会显著影响RIS部署的整体性能。为此,该文针对RIS辅助的无线通信系统,研究基于近邻互耦矩阵的简化信道模型以及可调阻抗优化方法。首先,依据互阻抗强度随间隔单元数增加而快速衰减的电磁特性,提取紧邻和次紧邻互耦参数,并结合对应的映射矩阵构建近邻互耦矩阵;其次,在远场条件下,基于等效耦合距离对收发端与RIS间互阻抗计算表达式进行简化,进而建立低复杂度互耦感知信道模型。进一步,基于简化模型并采用阻抗分解法,推导RIS可调阻抗的最优闭式解,其求解复杂度显著低于诺伊曼级数近似算法,并且不受反射单元间距和数量影响。仿真结果表明,所提信道模型和阻抗优化方法在反射单元间距小于等于1/4信号波长时具备较高的准确性和有效性。
视觉诱发响应研究中EEG与fMRI联合应用方法综述
危志伟, 肖晓琳, 许敏鹏, 明东
, doi: 10.11999/JEIT250781
摘要:
利用脑电图(EEG)和功能性磁共振成像(fMRI)等无创脑成像技术研究视觉诱发响应,是探索人类视觉信息加工机制的重要途径。EEG-fMRI联合技术综合了EEG的高时间分辨优势与fMRI的高空间分辨优势,从更全面的神经时空活动视角为视觉诱发响应研究提供了方法支撑。该文系统综述了视觉诱发响应研究中EEG和fMRI的经典融合方法和EEG-fMRI联合技术在神经科学领域的应用情况,最后讨论了EEG-fMRI联合应用方法在视觉诱发响应研究中面临的技术挑战和未来发展方向。
UMM-Det:面向异构多模态遥感影像的一体化目标检测框架
邹旻瑞, 李宇轩, 戴一冕, 李翔, 程明明
, doi: 10.11999/JEIT250933
摘要:
当前天基遥感目标检测任务面临着如何构建一个统一模型以有效处理合成孔径雷达(Synthetic Aperture Radar, SAR)、可见光、红外等多模态异构数据的挑战。针对此,该文提出一种异构多模态遥感影像一体化目标检测框架UMM-Det(Unified Multi-Modal Detector),致力于通过单一架构实现对多源数据的高性能目标检测。该框架采用单一共享架构,旨在实现对多源遥感数据的高效、统一检测。UMM-Det在基线模型SM3Det的基础上进行三点关键改进:首先,以具备动态采样与大感受野建模能力的InternImage替换原有ConvNeXt主干,旨在提升对多尺度、低对比度目标的特征提取精度;其次,针对红外分支设计了基于时序信息的时空视觉提示模块,通过精细化的帧差增强策略生成高对比度的运动特征,以此作为先验知识辅助网络区分动态弱小目标;最后,针对红外序列中普遍存在的弱小目标正负样本极度不均衡问题,引入概率性锚框分配策略(Probabilistic Anchor Assignment, PAA)优化检测头,显著提升了目标采样的精确性与检测性能。在SARDet-50K、DOTA与SatVideoIRSTD三个公开数据集上的实验表明,UMM-Det在SAR与可见光检测任务中 mAP@0.5:0.95 分别提升 2.40% 和 1.77%,并且在红外序列弱小目标检测任务中较基线模型SM3Det将检测率提升了2.54%。同时,该模型在保证精度提升的前提下将参数量减少50%以上,展现出精度、效率与轻量化的综合优势,为新一代高性能天基遥感态统一检测框架的构建提供了有效路径。
利用扩展卡尔曼动态编码的智慧航道系统船舶定位安全保护
唐风建, 闫霞, 孙泽仪, 朱钊伟, 杨文
, doi: 10.11999/JEIT250846
摘要:
随着智能航运系统的快速发展,船舶定位数据在无线传输过程中面临严重的隐私泄露风险。传统隐私保护方法如差分隐私和同态加密存在数据失真、计算开销大或依赖高成本通信链路等问题,难以在保证数据完整性的同时实现高效防护。本文针对船舶稳定系统的特点,提出一种基于时间扰动增强的动态编码方案。该方案结合扩展卡尔曼滤波(EKF),在编码过程中引入不稳定的时间扰动项,利用接收方对发送方发出的信息进行确认这一机制(ACK反馈)实现参考时间同步,并利用共享随机种子独立生成同步的扰动项。理论分析与仿真实验表明,该方案能够在合法接收方实现近乎零精度损失的状态估计的同时,使窃听者在单次丢包后解码误差随时间呈指数增长趋势,有效阻断单通道与多通道窃听攻击。方案采用共享随机种子同步机制,避免了复杂的密钥管理,显著降低了通信与计算开销,适用于资源受限的海上无线传感器网络环境,为船舶安全定位提供了有效保障。
面向稀疏辐射观测的无监督三维医学图像分割方法
俞晓帆, 邹兰兰, 顾文琦, 蔡君, 康彬, 丁康
, doi: 10.11999/JEIT250841
摘要:
神经衰减场是一种具有前景的三维医学图像重建方法,此方法利用稀疏辐射测量实现与完整观察相接近的重构精度。该文提出一种无监督三维医学影像分割方法,将无监督分割与神经衰减场集成为一个端到端的网络架构。具体而言,所提网络架构包括两个阶段:稀疏测量重建和交互式三维图像分割。两个阶段可通过联合学习自适应实现互惠优化。为解决类似肛肠等复杂病灶中边界模糊和区域过度扩展的难题,所提三维分割网络的交互式三维分割阶段设计了密度引导模块,有效利用衰减系数的先验知识,调节密度感知的注意力机制,提升三维分割泛化性能。通过与南京市中医院合作构建的结直肠癌数据集以及两个公开数据集上的大量实验证明所提方法的优越性,例如与基于全辐射观测的SAM-MED3D算法相比,所提网络仅使用14%稀疏观测值,在3个数据集的平均 Dice 系数提升 2.0%。
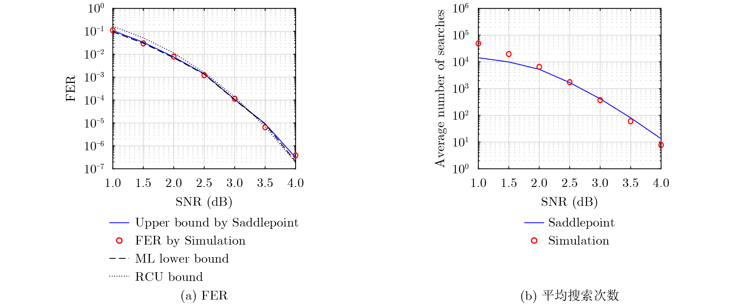
多矩阵的代表性顺序统计量译码算法
王义文, 王千帆, 梁济凡, 宋林琦, 马啸
, doi: 10.11999/JEIT250854
摘要:
代表性顺序统计量译码(Representative Ordered Statistics Decoding, ROSD)是一类针对阶梯矩阵码提出的能够支持并行高斯消元(Gaussian Elimination, GE)的高效译码算法。本文将ROSD推广至一般线性分组码,并利用最小重量阶梯生成矩阵(Minimum-Weight Staircase Generator Matrix, MWSGM)构造方法,为任意线性分组码生成对应的阶梯矩阵结构。在此基础上,我们特别提出了基于MWSGM的多矩阵构造与选择策略。具体而言,构造阶段在第0行(第一个阶梯)分别保留前\begin{document}$ M $\end{document}个最小重量候选码字,并对每个给定的候选独立地搜索后续各行,最终得到\begin{document}$ M $\end{document}个不同的阶梯生成矩阵。该多矩阵构造方法放宽了重编码基的选择约束,从而提升了其质量。译码阶段则根据各阶梯矩阵对应的可选重编码基的可靠度总和来选择一个阶梯矩阵,并针对其执行ROSD算法。在性能分析方面,本文基于鞍点近似提出了帧错误率(Frame Error Rate, FER)的上界与平均搜索次数估计。数值结果显示:(1)所提基于鞍点的FER上界能够有效预测FER性能,且所提平均搜索次数估计与实际仿真结果较为吻合;(2)相比于原始单矩阵ROSD基线算法,所提基于MWSGM的多矩阵构造与选择策略在相同最大搜索次数约束下能够显著降低FER,并有效减少平均搜索次数。
多接入边缘计算网络中动态资源感知与任务卸载方案设计
张冰雪, 李希胜, 尤佳
, doi: 10.11999/JEIT250640
摘要:
工业物联网中,多模终端应用需求的复杂和多样性对使用边缘计算卸载任务提出了更高的要求。多接入边缘计算网络的灵活切换为多模终端应用提供了更高效任务处理方案的机会,如何在工业无线局域网与5G公网协作系统中,在异构网络资源分配约束下,设计网络选择机制,以及使用公网资源的额外成本开销条件下,用户任务卸载方案制定,成为降低用户任务执行成本,提高任务卸载量与执行效率的关键挑战。该文研究了面向多模终端的多接入边缘计算网络中,任务卸载与网络选择的联合优化问题,建立了基于拍卖模型的系统成本优化模型,根据异构网络通信资源与边缘服务器计算资源的动态分配变化,提出了基于拍卖机制的动态资源感知与任务卸载算法,设计终端用户任务卸载机制与异构网络节点匹配,最小化系统成本开销,提高任务执行效率及用户服务体验。通过仿真实验证明,该算法机制对比基准算法能够降低至少5–15%系统成本开销,并能够平均提高10%的任务卸载数据量比例,有效提高多模终端任务处理效率。
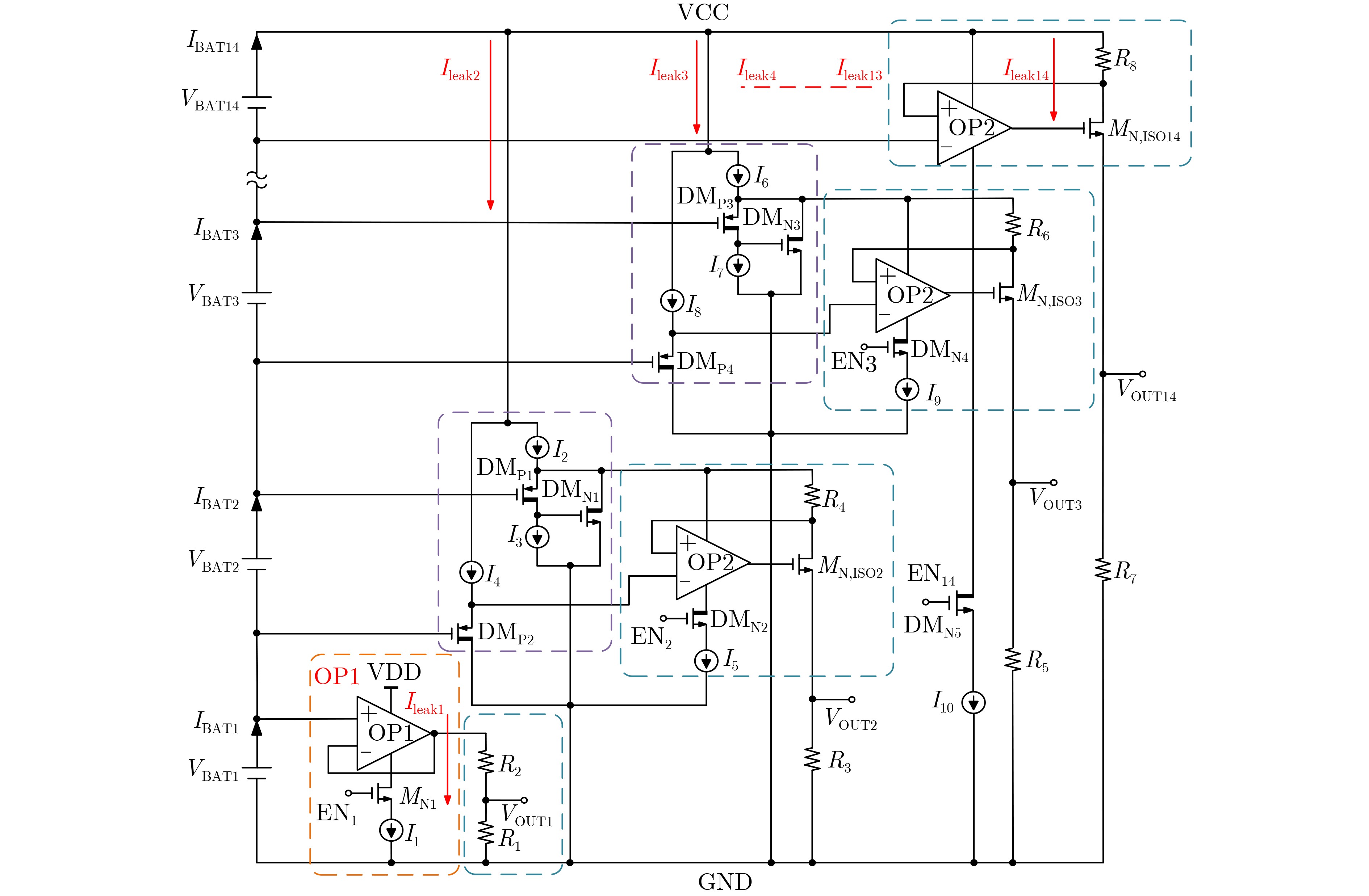
面向多节串联电池组的低漏电流电压采样方法研究
郭仲杰, 高宇洋, 董建锋, 白若楷
, doi: 10.11999/JEIT250733
摘要:
针对多节串联电池组采样电路存在通道漏电流导致各节电池电压不一致和影响采样精度的问题,本文提出了一种应用于14节串联锂电池的低漏电流电池电压采样方法。通过分析漏电流的产生机制,采用运放隔离有源驱动技术,减小各节电池的通道漏电流,同时为了减小高压MOSFET带来的面积开销,改进了高压域运算放大器。基于0.35 μm高压BCD(Bipolar CMOS DMOS)工艺对电路进行了详细设计和完整性能验证,结果表明,所设计的电池电压采样电路版图面积仅为3.105×0.638 mm2,在不同的温度和工艺角组合下,最大通道漏电流低至48.9 pA。在全面的PVT(Process Voltage Temperature)验证下,电池电压采样最大测量误差小于1.25 mV。该方法将采样过程对电池电压不一致性的影响从18.56%降低至2.122 ppm,为高可靠高精度多节串联电池管理系统提供了有效的解决方案。
融合客户端动态筛选的联邦半监督影像分割
刘振丙, 李焕兰, 王报源, 路皓翔, 潘细朋
, doi: 10.11999/JEIT250834
摘要:
多中心协同验证是临床研究的必然趋势,但患者隐私保护、跨机构数据分布异质性以及精确标注稀缺,使传统集中式医学图像分割方法难以直接应用。为此,本文提出一种融合动态客户端管理机制的联邦半监督医学图像分割框架,利用客户端性能驱动的加权聚合和教师–学生知识蒸馏,在保护隐私的前提下充分挖掘无标签客户端价值;并设计多尺度特征融合UNet (Multi-scale Feature Fusion UNet, MFF-UNet)作为分割骨干,以增强多中心异构影像的特征表征能力,实现对前列腺区域的精准分割。基于来自6家医疗机构的T2加权前列腺MRI数据的实验表明,本方法在有标签和无标签客户端上分别获得0.8405/0.7868的Dice系数和8.04/8.67的HD95,均优于多种现有联邦半监督医学图像分割方法。
雷诺定受体建模:从心肌钙循环到心律失常机制
高颖, 张宇澄, 王文尧, 苏煊怡, 宋震
, doi: 10.11999/JEIT250957
摘要:
雷诺定受体(RyR)是调控心肌细胞钙稳态的关键蛋白,主要介导肌浆网的钙离子释放。RyR的功能异常,无论是过度激活还是功能减弱,均可触发异常钙释放,诱发早期后去极化(EADs)和/或延迟后去极化(DADs),这是心律失常发生和发展的重要机制。为深入探究RyR在生理及病理状态下的行为特性,研究者已开发并广泛应用多种融合其随机门控特性的数学与计算模型。本文系统梳理了RyR的结构特征和关键生理功能,重点归纳了其建模策略,总结了RyR模型在心肌细胞钙循环模型中的整合研究进展及其在不同类型心肌细胞中的应用,并深入剖析了RyR功能异常介导心律失常的机制及其靶向药物的研发现状。进一步地,本文讨论了人工智能(AI)、数字孪生等新兴方法在 RyR 建模中的潜在作用,并对现有模型的适用性与发展方向进行了展望。
针对圆和非圆信号混合入射的多特征融合网络鲁棒测向算法
于淇, 尹洁昕, 刘正武, 王鼎
, doi: 10.11999/JEIT250884
摘要:
针对阵列误差影响下圆和非圆信号混合入射的波达方向(DOA)估计问题,该文提出一种基于改进视觉转换器(ViT)模型的鲁棒测向算法。该算法通过构建六通道类图像输入架构,融合接收信号的协方差矩阵实部、虚部、相位、幅值及非圆扩展特性,利用梯度掩码机制实现核心特征与辅助特征的自适应融合,充分提取并挖掘了非圆信号伪协方差矩阵中蕴含的额外信息;同时改进传统ViT模型结构,增加特征融合及卷积模块,并设计前后双分类标记注意力机制,增强模型对信号的学习能力和适应性。实验结果表明,该算法在低信噪比、圆与非圆信号混合及多种阵列误差共存等复杂场景下,相比于现有方法展现出了更好的鲁棒性和测向精度。此外,该算法对快拍数变化及未知调制类型的信号亦表现出良好的适应性与稳定性,为复杂环境中的波达方向估计提供了一种新的有效方法。
虚假数据注入攻击下融合高阶容积卡尔曼滤波与长短期记忆网络的配电网动态状态估计
许大星, 苏磊, 韩鹤乔, 王海伦, 张恒, 陈博
, doi: 10.11999/JEIT250805
摘要:
配电网动态状态估计是保障电力物理信息系统安全稳定运行的关键技术,但系统的强非线性、高维特性及虚假数据注入攻击(FDIA)严重制约了其精度与安全。针对上述问题,该文提出一种融合高阶容积卡尔曼滤波(HCKF)与长短期记忆网络(LSTM)的动态状态估计方法。首先,建立基于混合量测的配电系统状态估计模型,并利用HCKF通过高阶容积点生成策略提升对强非线性高维配电网的状态估计精度;其次,结合加权最小二乘法(WLS)与HCKF的状态估计值,基于残差分析实现FDIA的快速检测;最后,当检测到FDIA时,利用LSTM模型对受攻击节点的量测数据进行时序预测与重构,修正状态估计结果。在IEEE33节点配电系统上的实验表明,在无FDIA时基于HCKF的动态状态估计算法对电压幅值和相角的估计精度高于现有方法。在FDIA场景下,验证了基于残差分析的攻击检测方法、基于LSTM的量测数据预测,以及所提动态状态估计算法的有效性。
一种伪造注意图驱动的多任务深伪视频检测模型
刘鹏宇, 郑添阳, 董敏
, doi: 10.11999/JEIT250926
摘要:
目前高质量深度伪造视频检测方法大多基于隐式注意力机制的监督二分类模型。虽然该类模型能够通过自学习,判别伪造痕迹,鉴别异常区域,但在面对未经学习的伪造技术时,对伪造区域的敏感性降低,泛化性不足。基于此,该文提出一种伪造注意图驱动的多任务深伪视频检测模型(F-BiFPN-MTLNet)。首先,设计了一种融合伪造注意图的新型加权双向特征金字塔网络(F-BiFPN),通过伪造注意图监督低层和高层特征图的融合过程,在减少信息冗余的同时,增强模型对高质量伪造区域的敏感性。然后,定义了一种基于显式注意力机制的多任务学习网络(MTLNet)。一方面,该网络在原有基于监督二分类器的单任务模型的基础上,结合基于可学习掩码的注意策略与增强自一致性的注意策略,实现多任务加权判别,提高模型检测的可靠性;另一方面,引入显式注意力机制,通过生成的伪造位置标签对特征图进行监督,显式的指导模型聚焦于容易产生伪影的敏感区域,提高模型的泛化能力。实验结果表明,该文构建的F-BiFPN-MTLNet模型在多个基准测试中均表现出了较好性能,在曲线下面积(AUC)和平均精度(AP)等指标上取得了显著的提升。
可信度评估的抗噪异质医疗对话持续联邦
刘宇鹏, 张江, 唐诗晨, 孟鑫, 孟庆丰
, doi: 10.11999/JEIT250057
摘要:
针对异质和噪声文本,该文通过改进目标函数,聚合方式,本地更新方式等综合考虑,提出基于可信度评估的抗噪异质医疗对话联邦,增强了医疗对话联邦学习的鲁棒性。将模型训练划分为本地训练阶段和异质联邦学习阶段。在本地训练阶段,通过对称交叉熵损失缓解噪声文本问题,防止本地模型在噪声文本上过拟合。在异质联邦学习阶段,通过度量客户端文本质量进行自适应聚合模型以考虑干净,噪声(随机/非随机文本语法和语义)和异质文本。同时在本地参数更新时考虑局部和全局参数以持续自适应的更新参数,可以进一步提高抗噪和异质鲁棒性。实验结果显示,该方法在噪声和异质联邦学习场景下相比其他方法有显著提升。
基于脑电神经反馈的创伤后应激障碍辅助干预系统研究
谭理泽, 丁鹏, 王帆, 李娜, 龚安民, 南文雅, 李天文, 赵磊, 伏云发
, doi: 10.11999/JEIT250093
摘要:
针对现代社会中日益严重的应激障碍问题,该文设计开发了一个基于脑电(EEG)的神经反馈的调控系统(ENR),旨在缓解因应激反应调节机制异常引起的创伤后应激障碍(PTSD)症状及相关焦虑问题,从而减轻其对个体身心健康的负面影响。该文详细介绍了系统的设计理念、功能模块构成,以及针对PTSD和健康人群设计的在线神经反馈实验范式。通过招募被试者进行系统功能测试,并采用频谱分析对实验数据进行评估,可行性测试表明,该系统具备良好的实时性和有效性,是一种应用前景广阔的应对应激反应失调的辅助干预手段。
脉动阵列协同层融合的卷积神经网络加速器设计
卢迪, 王振发
, doi: 10.11999/JEIT250867
摘要:
卷积神经网络在边缘计算和嵌入式领域的实时应用对硬件加速器的性能和能效提出了严峻挑战。针对基于FPGA的卷积神经网络加速器中普遍存在的数据搬运瓶颈、资源利用率不足和计算单元效率低下等核心问题,提出一种脉动阵列协同层融合的混合卷积神经网络加速器架构,将计算密集型邻接层进行深度绑定,在同一级阵列内完成连续计算,减少中间结果向片外存储的频繁存取,降低数据搬运次数和功耗,提升计算速度和整体能效比;设计动态可配置脉动阵列方法,在硬件层面自适应支持多维度矩阵乘法计算,避免为不同规模运算分别部署专用硬件的资源浪费,降低整体FPGA逻辑资源的消耗,提升硬件资源的适应性与灵活性;通过精心规划计算流与控制逻辑,设计流式脉动阵列计算方法,确保脉动阵列计算单元始终保持在高效工作状态,数据在计算引擎中以高度流水化和并行方式持续流动,提升脉动阵列内部处理单元利用率,减少计算空洞期,提升整体吞吐率。实验结果表明,在Xilinx Zynq-7100平台上,VGG16、ResNet50以及Yolov8n在所提出加速器上的性能分别达到390.25GOPS、360.27GOPS和348.08GOPS,为部署高性能、低功耗的CNN推理至资源受限的边缘设备提供了有效的FPGA实现途径。
小型化宽阻带折叠基片集成波导滤波器研究
柯榕杰, 王洪斌, 程钰间
, doi: 10.11999/JEIT250869
摘要:
为满足5G/6G通信系统对小型化、高集成以及宽阻带的需求,该文提出一种基于高温共烧陶瓷(HTCC)技术的八分之一模折叠基片集成波导(FSIW)四阶带通滤波器。该滤波器融合折叠SIW的小型化优势与 HTCC的三维集成特性,通过八分之一模FSIW腔体结构实现尺寸缩减,滤波器尺寸仅为0.29λg×0.29λg,其中λg为其中心工作频率(f0)下对应的波导波长。采用金属通孔抑制高次模耦合,加载弯折微带线引入传输零点,增加L型枝节优化高频响应,在上阻带形成3个可控的传输零点,实现20 dB@3.73f0的宽阻带特性。实测结果显示,该滤波器中心频率为6.4 GHz,虽存在一定频偏与插入损耗,但相较现有研究,在小型化、阻带宽度及传输零点数量上均具明显优势,有望应用于高密度集成通信系统中。
稀疏重构远近场混合源定位改进算法
傅世健, 邱龙皓, 梁国龙
, doi: 10.11999/JEIT250165
摘要:
协方差向量具有比原始阵列输出更高的信噪比增益,该文将远近场混合源模型扩展到协方差域,并针对稀疏重构远近场混合源定位算法时间复杂度高的问题,提出了一种基于协方差域阵列信号模型和广义近似消息传递(GAMP)-变分贝叶斯推断(VBI)的远近场混合源定位改进算法(FN-GAMP-CVBI),实现了计算效率与定位精度的有效平衡。数值仿真表明,与现有的远近场混合源定位算法相比,该文所提算法具有更高的远近场源定位精度和较低的计算时间。湖试数据结果进一步验证了该文所提算法的高效性和有效性。
一种多尺度时空相关注意力与状态空间建模的降水临近预报方法
郑辉, 陈富, 何舒平, 邱学兴, 朱红芳, 王少华
, doi: 10.11999/JEIT250786
摘要:
降水临近预报,作为气象预测领域最具代表性的任务之一,通过利用雷达回波或降水序列来预测未来0-2小时的降水情况。当前的主流方法普遍存在局部细节丢失、条件信息挖掘不充分、对复杂地区适配性不足等问题。因此,该文提出了一种基于扩散网络模型的PredUMamba模型。在该模型中,一方面,引入了一种基于自适应蛇形扫描机制的Mamba块,不仅充分挖掘到关键的局部细节信息,且有效降低了计算复杂度;另一方面,设计了一种多尺度时空相关注意力模型,在增强时空层次化特征交互能力的同时实现了条件信息的全面表示。更重要地,构建了一个针对复杂地区降水临近预报任务的雷达回波数据集,即皖南山区雷达数据集,以验证模型对复杂地区突发性极端强降水的精准预报能力。此外,在领域内一些公开数据集上进一步开展了对比实验。实验结果表明,PredUMamba模型在上海雷达数据集和皖南山区雷达数据集上取得了最好的结果。同时,在SEVIR数据集上也取得了非常有竞争力的结果。
基于无线电地图的多网联无人机路径规划
周德诚, 王威, 邵翔, 陈美, 肖江浩
, doi: 10.11999/JEIT250821
摘要:
针对多网联无人机协同作业场景中,因冲突规避引发的个体服务质量不均衡问题,提出一种基于无线电地图辅助的协同路径规划方案。该方案以最小化所有无人机中最大任务完成时间与通信断联时间加权和为目标,构建了多无人机路径规划模型,并设计了一种改进的冲突搜索(ICBS)算法进行求解。该算法采用分层搜索架构:高层结构通过引入邻近冲突检测以确保满足安全距离约束,并利用重构的代价函数引导以公平性为导向的冲突消解与路径选择;低层结构则采用基于双向A*的最优路径算法,通过双向并行搜索机制提升寻优效率。仿真结果表明,相较于基准方案,所提方案能够有效降低所有无人机中最大加权时间,显著提升多无人机协同的公平性与整体性能。
鲁棒自适应稀疏阵列波束形成
范旭慧, 王宇翼, 王安义, 徐艳红, 崔灿
, doi: 10.11999/JEIT250952
摘要:
波束形成技术在阵列信号处理,尤其是在波达方向估计方面发挥着关键作用。尽管传统的鲁棒波束形成方法能够处理导向矢量失配的问题,但它们未能充分利用阵列稀疏化带来的硬件优势,并且在存在干扰源时,难以有效抑制副瓣。因此,该文提出一种能够协同优化鲁棒性、波束性能、副瓣电平与阵列稀疏性的统一框架。通过将l0范数作为稀疏约束、引入导向矢量误差以增强鲁棒性,并联合副瓣抑制约束,构建了一个全面的凸优化问题。特别地,该文在建模时进一步考虑了实际天线间的互耦效应,通过引入包含互耦参数的精确导向矢量模型,显著提升了算法在实际天线阵列中的适用性。仿真结果表明,在信噪比为5 dB、存在单个干扰源的条件下,所提算法能实现低于–40 dB的干扰抑制深度,并将峰值旁瓣电平稳定在–24.5 dB以下,同时减少10%的激活阵元。在与现有方法的定量对比中,该算法在信噪比为5 dB场景下的输出信干噪比相较于最小方差无失真响应方法提升11.37 dB。实验结果证明该框架能够在导向矢量失配及低信噪比等非理想条件下,以较少的阵元实现较高的输出信干噪比和较强的干扰抑制能力,对导向矢量误差与阵元间的相互耦合均表现出良好的鲁棒性。
面向大语言模型的海域通信物理层认证技术
陈乔鑫, 肖亮, 王鹏程, 李杰铃, 姚锦清, 徐小宇
, doi: 10.11999/JEIT250804
摘要:
物理层认证快速识别电子欺骗等攻击,但海域短包通信的信道估计误差大,且海域信道变化剧烈,造成认证精度低,速度慢,难以支撑基于大语言模型的智慧海洋业务。为此,该文研究面向大语言模型的海域通信物理层认证,根据终端无线信道和数据包的多种物理层特征,基于假设检验设计多模式认证机制,适配摄像头和温湿度传感器等多类型终端的长短包通信方式,并结合大语言模型推断结果的环境指示等,利用强化学习持续优化认证模式和检测阈值,提高认证精度和速度。设计漏报风险评估机制,修正认证策略分布,结合持续学习机制挖掘甲板和船舱等多场景下的多尺度认证经验,并在相似场景中快速回放,加速认证策略优化。基于LLaVA-1.5-7B大语言模型和海域实测信道数据的仿真结果表明,所提方案可显著提升认证精度和速度,防御多场景船载终端在大语言模型边缘推断过程中的电子欺骗等攻击,支撑智慧海洋业务。
基于图和代码切片的可解释性漏洞检测方法
高文超, 索建华, 张傲
, doi: 10.11999/JEIT250363
摘要:
深度学习已被广泛应用于漏洞检测,其主流方法可分为基于代码序列和基于代码图两类:前者易因忽视结构而误报,后者则难以捕获执行顺序。此外,两者普遍缺乏可解释性,难以定位漏洞根源。为此,该文提出一种基于图和代码切片的可解释性漏洞检测方法GSVD。该模型通过门控图卷积网络提取代码多维度图(AST, DDG, CDG)的结构语义,并结合“污点”分析驱动的代码切片与双向长短时记忆网络,精准捕获代码序列特征,实现二者优势互补。同时,引入HITS算法思想,设计VDExplainer解释器,直观揭示了模型的决策过程。实验表明,GSVD在Devign数据集上准确率达64.57%,优于多种基线模型,证明了其在有效检测漏洞的同时,能实现代码行级的可解释定位。
面向全覆盖路径规划的类Rulkov混沌映射算法设计
刘思聪, 何明, 李春彪, 韩伟, 刘承卓, 夏恒煜
, doi: 10.11999/JEIT250887
摘要:
该研究提出了一种基于正弦约束的类Rulkov超混沌映射(SRHC)系统,并将其应用于全覆盖路径规划算法(SRHC-CCPP)中,以解决智能机器人在复杂任务场景中的全覆盖路径规划问题。通过引入超混沌序列,该算法显著提升了机器人运动路径的随机性和动态性,避免了传统算法因规律性过强而可能陷入局部循环的问题。同时,结合记忆效应,算法能够动态记录网格访问历史,优先覆盖未访问区域,从而有效减少重复访问,提升覆盖效率。在障碍物处理方面,设计了碰撞检测与法线向量反射机制,使机器人能够灵活应对复杂环境中的障碍物干扰,并通过轻微扰动避免局部振荡。实验结果表明,SRHC-CCPP算法在无障碍和有障碍物条件下均表现出较高的覆盖速度和均匀性,展现了良好的初始值敏感性和鲁棒性。此外,算法的计算复杂度较低,适合大规模应用场景。该研究为智能机器人在灾区救援、火灾扑灭及未知地域勘探等高风险任务中的应用提供了新的技术支持。
基于潮涌卷积神经网络的说话人确认
陈晨, 仪志鑫, 李东源, 陈德运
, doi: 10.11999/JEIT250713
摘要:
近年来,最先进的说话人确认模型大多数以牺牲参数量和计算量的代价来实现感受野的固定获取,鉴于语音信号内部蕴含着丰富且多层次的信息,然而通过高度自主选择的动态感受野来描绘复杂信息是相对未被探索的,更没有直观地解释是什么构成了关于有效感受野的最佳实践。潮涌现象表现为潮水前端形成陡立水墙并伴随轰鸣声高速推进,受其非线性耦合行为的启发,该文提出潮涌卷积(TR-Conv)“使用潮涌感受野(T-RRF),获得更有效感受野”。首先采用二幂插值操作构建窗口内的主/从感受野,随后分别采用扫描-池化机制聚焦提取窗口外的关键信息、算子机制精细感知窗口内的差异信息,最后融合三重感受野,得到兼具多尺度、动态性、有效性的可变感受野。为全面验证潮涌卷积的表现,该文建立潮涌卷积神经网络(TR-CNN)。另外,针对数据集的错误标签问题,提出动态归一化的非目标(NTDN)损失与具有两个子中心的加性角边距(Sub-Center AAM)损失变体加权融合的总损失,以提升模型性能。实验结果表明,与ECAPA-TDNN(C=512)相比,TR-CNN(C=512, n=1)分别在测试集Vox1-O, Vox1-E, Vox1-H上的等错误率(EER)和最小检测代价函数(MinDCF)相对降低了4.95%, 31.55%, 4.03%, 17.14%和6.03%, 17.42%,参数量和乘加累积操作次数相对减少了32.7%,23.5%。进一步,TR-CNN(C=1024, n=1)的EER/MinDCF分别是0.85%, 0.0762, 1.10%, 0.1048, 2.05%, 0.1739。本研究代码已开源:https://www.scidb.cn/detail?dataSetId=a232c98b082941c58002958208ef3f43&version=V1&code=j00173
支持网络多模态共生与演化的体系结构及运行逻辑
张慧峰, 胡宇翔, 朱俊, 邹涛, 皇甫伟, 隆克平
, doi: 10.11999/JEIT250949
摘要:
针对多模态网络(PN)动态演化与共生协同的关键需求,该文分析了多模态网络业务域、模态(网络模态(NM))域、功能域、资源域的组成与域间映射,将其建模为复杂的动力学系统,并以业务服务质量、网络资源复用水平和业务包容性为系统目标,指出多模态网络的运行遵循最小自由能原理,并揭示了该动力学系统中的双尺度现象,为网络模态共生(SNM)和演化(ENM)提供理论指导。进而,提出一种网络模态共生与演化的3切面结构,即网络模态演化决策切面、网络模态智能生成切面和网络模态共生平台切面,为实现网络模态共生和演化提供使能架构。最后,分析了该体系结构的运行逻辑,为多模态网络中网络模态的高效协同与动态演化提供了运行指导。
面向无人机辅助电力巡检的短包通信资源优化
初航, 董志浩, 曹杰, 石怀峰, 曾海勇, 朱旭
, doi: 10.11999/JEIT250852
摘要:
在无人机辅助电力巡检场景中,为保障电网安全运行,无人机需实时采集并回传电网关键状态参数和图像、视频等多模态数据,控制中心基于此对电网进行调度与调控。无人机巡检任务中的数据采集与回传具有超可靠低时延和实时大带宽等通信需求。然而,无线通信资源的稀缺性和无人机能量约束使得上述异构需求难满足,进而导致巡检数据的时效性和巡检任务的有效性难保障。针对上述挑战,该文提出了数据传输调度与通信资源分配的协同优化算法,在任务性能与约束下,降低系统开销,并基于非正交多址接入技术设计长短包混合帧结构,满足异构通信需求。在无人机数据传输调度方面,将调度决策建模为马尔可夫决策过程,并将通信消耗纳入决策成本。在通信资源优化方面,联合优化长短包功率配置、短包包长和导频长度,进而在保障长包传输需求的前提下,提升短包传输的可靠性,满足异构通信需求,实现低开销的无人机电力巡检策略。仿真结果表明,该方法能够在保障传输可靠性的同时,显著降低通信成本,为无人机辅助电力巡检场景中的异构数据传输提供有效支撑。
面向车载元宇宙智能孪生体全局迁移的可靠服务链选择方案
邱显宜, 文锦柏, 康嘉文, 张焘, 蔡承均, 刘吉强, 肖明
, doi: 10.11999/JEIT250612
摘要:
车载元宇宙作为元宇宙与智能交通系统融合演进的新兴范式,正逐步成为汽车产业变革的重要推力。在这一背景下,智能孪生体作为覆盖车辆全生命周期并管理车载应用的数字化副本,为用户提供沉浸式车载元宇宙服务。针对车载元宇宙中孪生体迁移的服务连续性与网络安全性问题,该文提出一种基于路侧单元(RSU)链构建的孪生体全局安全动态迁移方案,以确保在面临多种类型分布式拒绝服务(DDoS)攻击时,孪生体能够高效安全迁移。具体而言,该方案通过通信不中断机制构建可靠RSU链集合,实现孪生体在不同RSU间的无缝迁移。然后,将全局迁移过程建模为部分可观测马尔可夫决策过程,综合考虑RSU负载、计算能力及攻击类型等动态环境因素。最后,利用多智能体深度Q网络算法对安全迁移优化问题进行求解。实验结果表明,在多种DDoS攻击场景下所提方案显著提升了迁移过程的效率与安全性,使孪生体有效避免与受攻击的RSU连接,从而保障全局迁移的高效可靠性。
质量图引导的频谱数据高能量区域保真压缩方法
刘向丽, 李赞, 陈一丰, 陈乐
, doi: 10.11999/JEIT250650
摘要:
在通信与雷达技术智能化演进过程中,射频数据压缩效率已成为制约传输带宽扩展和系统能效提升的关键因素。传统压缩方法在面对非均匀能量分布复杂场景时,往往难以兼顾压缩率与重构精度的平衡。针对非均匀能量分布的频谱数据保真压缩难题,该文提出一种质量图引导的频谱数据高能量区域保真压缩方法。该方法通过构建三维能量掩码,动态引导编码器增强高能量区域特征,同时结合多级复数卷积与逆向残差连接,实现数据特征的高效提取与精准重构。该方法的核心创新点包括三方面:复数提取网络生成质量图,实现能量与幅度分布多尺度建模;结合门控归一化抑制低能量噪声;引入残差结构和空间特征变换模块保留高频细节。实验结果表明,该方法在公开数据集RML2018.01a和自建数据集上的重构精度优于现有的经典算法,消融实验验证了质量图对高能量区域的关键保护作用,为非均匀能量分布数据压缩提供了新思路。
基于空间参考信号的数字干扰对消系统性能分析
信业镝, 何方敏, 葛松虎, 邢金岭, 郭宇, 崔中普
, doi: 10.11999/JEIT250679
摘要:
为了解决基于耦合器的传统参考信号取样方式在大功率射频系统部署难题,该文提出了一种采用定向天线和接收链路的数字干扰对消系统。针对该系统,基于干扰信号矩形带限频谱特征的假设,分别推导了接收信道和取样信道在多径环境下干扰对消比性能闭式表达式。此外,进一步给出了对消比性能上限表达式。最后,利用蒙特卡罗仿真验证了3种典型调制方式下推导结果的准确性,并分析了系统参数对于对消比的性能影响。结果表明,基于空间参考信号的数字干扰对消系统对消比性能受接收通道干噪比、取样通道干噪比、滤波器抽头数目、多径时延扩展长度、多径数目和时延匹配误差影响。
面向云网融合环境的网络模态报文处理柔性流水线构建机制
朱俊, 徐琪, 张富军, 王永杰, 邹涛, 隆克平
, doi: 10.11999/JEIT250806
摘要:
随着云网融合技术的发展,多样化的网络业务需求催生了对多模态网络报文柔性化处理的需求。该文提出一种基于多模态网元抽象模型与前-中-后端三段式编译架构的协议报文柔性化处理编译机制,通过中间表示切片算法将多种网络模态混合的处理逻辑拆解并映射至ASIC, FPGA, CPU等异构硬件资源上,构建支持自定义配置的柔性流水线以适应不同的网络业务传输要求。该文详细介绍该架构的设计理念、中间表示结构及中间表示切片算法,并验证所提出的柔性流水线在构造效果和功能满足方面的优越性。实验表明,该机制能构建从1段到5段等多种流水线样式,在原型系统上实现的多模态处理流水线平均延迟最低可达15.48μs。因此,该机制能够有效提升网络服务的灵活性和效率,为超融合云网环境下的网络报文处理提供了新的思路。
面向物联网应用的超低功耗3阶互调反向散射无源传感系统
黄瑞杨, 武鹏德
, doi: 10.11999/JEIT250787
摘要:
传统反向散射通信无法同步实现射频能量收集与传感信息读出,而基于有源标签的传感信息回传存在较高通信能耗。该文提出一种新颖的3阶互调(IM3)反向散射式无源传感系统,可在不影响射频能量收集效率的前提下实现传感信息低功耗读出。该文研究了整流电路中反向散射IM3产生机制,通过差频嵌入阻抗调控IM3信号转换效率,传感信息控制嵌入阻抗谐振频率变化,将传感信息映射到IM3信号强度凹陷点变化上,查询器通过扫描该凹陷点反演传感信息。实验结果表明,该系统能准确读取传感信息,能量转换效率仅比纯整流模式下降约5个百分点;在1 m无线传输距离下,反向散射IM3信号反演的传感电压与直接测量值误差小于5%,为解决同步能量收集与模拟量读出、低功耗信息传输问题提供了新方法。
MCL-PhishNet:多模态对比学习的钓鱼网址检测研究
董庆伟, 付雪廷, 张本奎
, doi: 10.11999/JEIT250758
摘要:
随着网络钓鱼攻击的复杂性和动态性日益加剧,传统检测方法在对抗新型攻击时面临特征维度虚高、多模态失配及对抗样本鲁棒性不足等挑战。该文提出多模态对比学习框架(MCL-PhishNet),通过层次化语法编码器、双向跨模态注意力机制和课程对比学习策略,实现钓鱼网址(URL)的精准检测。其中,多尺度残差卷积与Transformer协同建模了URL的局部语法模式和全局依赖关系,17维统计特征增强对抗样本的鲁棒性;动态对比学习机制通过在线谱聚类划分语义子空间,结合边界间隔约束优化特征空间分布。实验表明,MCL-PhishNet 在EBUU17, PhishStorm等数据集上实现了99.41%的准确率和99.65%的F1值,显著优于传统机器学习与深度学习方法。该方法为动态对抗攻击检测提供了端到端的技术范式。
智能辅助诊断系统云边大模型协同推理框架与算法研究
何倩, 朱磊, 李功, 游正朋, 袁磊, 贾斐
, doi: 10.11999/JEIT250828
摘要:
大模型在辅助诊断方面潜力大,但本地算力限制和云端医疗数据隐私风险制约其落地。针对此现状,提出一种云边大模型协同推理框架与算法,核心为云边协同推理智能体,集成智能路由与动态语义脱敏能力,实现边缘侧(医院端)与云端(区域云)推理任务的动态分配。智能路由机制基于问题语义特征与历史决策数据优化路径,平衡模型使用成本与诊断精度;动态语义脱敏技术通过识别与分级脱敏策略,在保证隐私安全的同时实现数据安全传输与有效推理。实验表明,该框架在医学实体理解等任务中表现优异,诊断准确率与云端大模型相当,且显著降低模型使用成本,为医疗人工智能系统提供技术范式。未来将聚焦算网资源智能调度、属地化大模型结合检索增强生成(RAG)优化,以及医疗诊断评估指标扩展。
嵌套式超原子实现的无串扰频率-自旋复用多功能器件
张明, 董朋, 陶恩, 杨琳, 韩琦, 何宇航, 侯卫民, 李康
, doi: 10.11999/JEIT251202
摘要:
电磁波的多种物理自由度为实现超高信息容量的多功能超表面提供了广阔的维度复用空间。然而,现有的多维度复用超表面通常依赖复杂的多层设计或空间划分,导致器件制备成本较高,且信道间往往存在不可避免的串扰。为简化设计并提高信道隔离度,该研究提出了一种基于嵌套式双光谱超原子的无串扰频率-自旋复用单层超表面。通过精心设计,无串扰双光谱超原子的物理结构和电磁响应能够同时巧妙地表示为两个单光谱超原子的线性叠加,显著降低了复用设计的复杂度。作为概念验证,设计并制备了两款超表面器件,分别在由两个频率和两个自旋态组成的四个信道中实现了独立且无串扰的涡旋光束生成和全息成像功能。实验结果验证了多维复用超表面优异的信道隔离性能。这种方法为超表面在提升信息容量方面提供了一种简单、低成本且无串扰的解决方案,并在6G多通道无线通信和全息成像等领域展现出广阔的应用前景。
动态小波多向感知与几何轴解引导三维CT骨折图像分割
张印辉, 刘凯, 何自芬, 张金凯, 陈光晨, 马志坚
, doi: 10.11999/JEIT250732
摘要:
三维骨折图像分割是临床骨科术前方案量化的关键,其中骨折面分割性能则直接影响手术决策的安全性与有效性。针对三维骨折图像分割中存在深层全局特征捕获不足、骨折面细节方向纹理模糊以及骨折图像几何结构利用不充分的问题,该文提出动态小波多向感知与几何轴解引导的三维CT骨折图像分割方法(Dynamic Wavelet Multi-Directional Perception and Geometry Axis-Solution Guided Network, DWAG-Net)。首先,为充分提取多维度视角下全局特征,设计动态可学习参数插值重构三平面视角特征,并与全维特征聚合实现多维度提取骨折图像全局信息。其次,引入三维小波变换,通过各方向高频子带的跨子带特征融合,增强模型对模糊骨折面中方向特征的纹理细节感知。最后,根据骨骼结构相似性与骨折面局部突变性设计几何轴解引导模块,通过几何亲和与距离衰减引导模型轴解分割,并重新分配类别权重缓解其不平衡问题,约束损失函数梯度向最优方向下降。在自建胫骨骨折数据集上,DWAG-Net模型相比现有先进模型展现出优越分割性能,平均Dice Score为71.20%其中骨折面类较基准提升了7.12%,平均HD95为1.38 mm其中骨折面类降低了3.70 mm,与前沿3D分割算法nnWNet相比平均Dice Score提升了4.63%。实验结果表明,DWAG-Net模型可有效实现三维骨折图像分割任务,为术前穿钉角度量化与固定位置精确选择提供了图像依据,对辅助医生优化术前方案具有重要意义。
开普勒定律启发的单幅图像细节增强算法
江鹤, 孙蟒, 郑州, 吴沛霖, 程德强, 周晨
, doi: 10.11999/JEIT250455
摘要:
近年来,基于残差学习的单幅图像细节增强算法备受关注,其通过更新残差层来拟合图像细节层,并与原图像线性叠加实现图像细节增强。然而,此更新过程使用的方法是贪心算法,极易使系统陷入局部最优解,进而限制了系统性能。鉴于此,受行星运动规律的启发,该研究将残差更新类比为行星空间位置的动态调整,借鉴开普勒定律,通过计算确定行星的全局最优位置,进而实现残差层的精准更新。具体而言,将输入图像分块,对每个原始图像块,将其候选图像块视为“行星”,最佳匹配块视为“恒星”。通过计算每个“行星”与原始图像块之间的差异、“行星”的速度和“恒星”的引力,更新“行星”和“恒星”的位置,直至“恒星”的位置达到收敛状态,确定全局最佳匹配块的位置。实验结果显示,该研究提出的算法在视觉效果及量化评估方面均优于当前方法。值得一提的是,在BSDS200数据集4倍增强因子的结果中,该研究提出的方法比当前流行方法QWLS的量化指标PSNR和SSIM分别高出1.51 dB和0.041 3,彰显了该研究算法的优越性。
一种测试时间自适应的夜间图像辅助波束预测方法
孙昆阳, 姚睿, 祝汉城, 赵佳琦, 李希希, 胡殿麟, 黄伟
, doi: 10.11999/JEIT250530
摘要:
针对毫米波通信系统中传统波束管理方法在动态场景下面临的高时延问题以及视觉辅助波束预测技术在恶劣环境下性能显著退化的问题,该文提出一种基于测试时间自适应(TTA)的夜间图像辅助波束预测方法。毫米波通信依赖大规模多进多出(MIMO)技术实现高增益窄波束对准,但传统波束扫描机制存在指数级复杂度与时延瓶颈,难以满足车联网等高动态场景需求。现有视觉辅助方法通过深度学习模型提取图像特征并映射波束参数,但在低照度、雨雾等突发恶劣环境下,因训练数据与实时图像特征分布偏移导致预测精度急剧下降。该文创新性地引入测试时间自适应机制,突破传统静态推理模式,仅需在推理阶段对实时采集的低质量图像执行模型的单次梯度反向传播,即可实现跨域特征分布动态对齐,无需预先采集或标注恶劣场景数据。具体而言,设计基于熵最小化的一致性学习策略,通过对原始视图与数据增强视图的预测一致性约束,驱动模型参数向预测置信度最大化方向迭代更新,降低预测不确定性。实验表明,在真实夜间场景下,该文所提方法的top-3波束预测准确率达93.01%,较静态部署方案提升约25%,且显著优于传统低光照增强方法。该方法充分利用基站固定部署场景中背景语义的跨域一致性特性,通过轻量化在线自适应机制实现模型鲁棒性增强,为毫米波通信系统在复杂开放环境中的高效波束管理提供了新路径。
多步随机观测滞后和丢包系统极大极小鲁棒Kalman滤波
杨春山, 赵颖, 刘政, 丘源, 经本钦
, doi: 10.11999/JEIT250741
摘要:
该文研究了多步随机观测滞后和丢包系统的极大极小鲁棒Kalman滤波问题。系统噪声方差不确定但有已知保守上界,传感器到估值器的多步随机观测滞后和丢包通过一组概率已知的伯努利分布随机变量描述。利用哈达玛乘积改进模型转换方法,设计了极大极小鲁棒时变Kalman估值器。利用矩阵初等变换、盖尔圆盘定理和哈达玛乘积定理证明了广义李雅普诺夫方程解的半正定性,进而应用矩阵分解和李雅普诺夫方程方法证明了所设计估值器的鲁棒性,即对所有容许的不确定性,确保实际估计误差方差有最小上界。给出时变广义李雅普诺夫方程存在稳态唯一半正定解的条件,进而设计了鲁棒稳态估值器。证明了时变和稳态估值器的按实现收敛性。仿真实例验证了其有效性。
时序复合扩散网络驱动的电网数据恢复方法
严彦东, 李晨熙, 李士杰, 杨漾, 葛宇昊, 黄雨
, doi: 10.11999/JEIT250435
摘要:
电网作为连接电力传输与终端用户的重要枢纽,其数据的管理与分析在保障电网稳定性和提升供电质量方面扮演着举足轻重的角色。电网相关数据涵盖范围广泛,内容复杂,包括用户用电模式、气象条件、设备信息及营销数据等多个层面。这些多源异构数据在采集和传输过程中,常受到噪声信号等冗余信息的影响,容易出现数据缺失现象。数据不完整不仅使运行状态监测变得更加困难,也严重制约了故障诊断、健康评估及运维决策等关键工作的效率与准确性。为了提高电网数据的效用性,更好地利用其来保障电网稳定运行,该文提出一种基于扩散模型的电网数据恢复方法,通过独特设计的双层扩散流,能将时序序列嵌入为条件信息,大幅优化了扩散网络在电网场景下的表现。模型将输入的高斯噪声映射到缺失数据的目标分布空间,从而按照其原始分布规律恢复出缺失数据,增强了数据的可用性和价值。实验表明,与以往的方法相比,该方法能够达到领先的恢复效果。
方向调制多载波通感一体化波形设计研究
黄高见, 张盛壮, 丁元, 廖可非, 金双根, 李兴旺, 欧阳缮
, doi: 10.11999/JEIT250680
摘要:
通感一体化(ISAC)利用一种波形实现雷达感知与无线通信两种功能,能够消除雷达与通信电磁互扰,显著提高频谱效率、信息交互效率,已经成为6G潜在关键技术。目前,如何设计ISAC信号波形成为一体化设计广泛研究重点。方向调制(DM)一体化信号波形,因其独特的信号设计特点,能够在一体化信号设计种呈现出天然优势。该文从DM技术出发,介绍DM一体化波形设计理论、优势及挑战,并提出多载波DM一体化信号波形旁瓣干扰抑制机理,分析DM一体化波形参数对安全通信及雷达感知性能影响,为一体化波形在复杂环境中的安全、抗干扰需求设计提供新思路。
5G-NTN低轨卫星通信中载波频偏和采样频偏低复杂度联合估计算法
龚险峰, 李颖, 刘明洋, 翟盛华
, doi: 10.11999/JEIT251086
摘要:
在5G非地面网络(5G-NTN)低轨卫星通信系统中,多普勒效应会带来载波频偏(CFO)、采样频偏(SFO)以及子载波间频偏(ISFO)。研究发现,当正交频分复用(OFDM)信号子载波数量较大且采用高阶调制时,ISFO会成为制约接收机性能的关键因素。现有算法多针对CFO和SFO的估计及补偿展开研究,极少考虑ISFO的影响。另外,采用传统的最大似然估计算法对CFO和SFO进行联合估计时,需要进行一维或二维网格搜索,计算复杂度非常高。针对上述问题,本文利用5G-NTN中导频信号的分布特点,提出了两种低复杂度的CFO和SFO联合估计算法。首先,利用5G-NTN中解调参考信号的互相关向量在主瓣内的单峰特性,设计了一种基于二分搜索的联合估计算法,可以实现快速收敛。然后,设计了基于观测量自相关的L&R估计算法,推导了待估参数的近似闭式解。典型实例分析和仿真表明,两种算法性能接近采用一维或二维搜索的最大似然估计算法,且所提二分搜索估计算法运算量仅为二维搜索最大似然估计算法的4%、一维搜索最大似然估计算法的44%。
基于压电作动器的准零刚度混合系统隔振设计
杨柳, 赵海洋, 赵坤, 程佳佳, 李东洁
, doi: 10.11999/JEIT250310
摘要:
低频振动对于精密仪器有着不容忽视的危害,通过弹簧的特殊排列可以实现近零刚度的非线性力学特性,不仅能够显著提高低频隔振效果,而且对于高频率的振动也有一定的隔离效果。然而,基于准零刚度的纯被动系统在动态响应上存在局限性,对振幅的依赖较大。因此,该文提出一种压电作动器的准零刚度混合主被动隔振系统,通过主动控制调节,从而增强混合系统整体的动态性能。首先,搭建基于压电作动器的准零刚度混合系统,由线性弹簧组成的准零刚度装置作为被动隔振装置,压电作动器作为主动隔振装置;其次,提出了一种改进的Bouc-Wen(B-W)模型,通过逆模型对其迟滞非线性进行补偿,对隔振对象施加精准的主动控制;最后,建立系统的动力学方程,对外界振动采用带Luenberger的滑模观测器的自适应滑模控制,提高系统的隔振性能。通过隔振控制实验验证,相比于单一被动隔振装置隔振效果提高35%左右。
WAM数据集与电磁波吸波材料分类方法及应用研究
袁宇洋, 张峻晗, 李丹丹, 沙建军
, doi: 10.11999/JEIT250166
摘要:
电磁辐射防护吸波材料的性能主要由厚度、最大反射损耗和有效吸收带宽决定。研究集中在金属有机框架、碳基和陶瓷吸波材料上,利用弱人工智能分析WAM(Wave Absorption Materials)数据集。划分训练集和测试集后进行数据增强以及相关性和主成分分析。采用决策树算法制定分类指标,发现MOFs(Metal Organic Frameworks)类材料的反射损耗优于碳基材料类,MOFs类材料容易满足最大反射损耗值小于–45 dB。多次训练后,随机森林算法泛化性能比决策树算法好,ROC-AUC值更高。运用神经网络进行分类研究,结果表明自组织映射神经网络在分类上表现更佳,而概率神经网络效果较差。将二分类问题扩展到三分类问题后,使用非线性分类、聚类和Boosting算法,发现最大反射损耗是关键指标。进一步分析表明,WAM数据集非线性可分,模糊聚类效果较好。人工智能有助于揭示材料特性与吸波性能的关系,加速新材料研发,支持吸波材料知识图谱和知识库的建设。
基于FRIDA的多通道切换阵列DOA估计算法
陈涛, 席豪林, 詹磊, 余玉威
, doi: 10.11999/JEIT250350
摘要:
针对波达方向(Direction Of Arrival, DOA)估计在实际测向系统中系统复杂度受接收通道数目影响的问题,该文提出一种基于FRIDA(Finite Rate of Innovation Direction-of-Arrival)的多通道切换阵列DOA估计算法。该算法首先利用开关将特定子阵接收的数据传输至通道从而减少测向系统中使用的通道数目,然后通过切换不同的子阵接入通道并采样得到多个少通道接收数据协方差矩阵,利用这些协方差矩阵重构出全通道接收数据向量,以此来构建基于有限新息率(Finite Rate of Innovation, FRI)的DOA估计模型,最后通过近端梯度下降算法获得信号入射方向的估计结果。仿真实验与对实测数据的实验验证了该算法优于同等条件下的其它算法。
面向AI计算服务的算网融合轻量化增量部署方法
王钦定, 谭斌, 黄光平, 段威, 杨冬, 张宏科
, doi: 10.11999/JEIT250663
摘要:
近年来,人工智能(AI)计算服务的规模和复杂性迅速增长要求算力资源能够被灵活访问和高效使用。作为用户与算力资源间访问和交互的重要通道,网络的能力和性能也亟需进行提升以支持AI计算服务的应用需求,如低时延、高并发等。然而,传统的域名系统(DNS)和基于IP的调度机制在满足这些需求方面面临适应性不足和智能化缺失的问题。因此,计算与网络资源的一体化(即算网融合)成为了解决上述问题的关键途径。鉴于此,该文引入了一种面向AI计算的语义化服务标识(AISID),用于对服务进行编码,AISID的引入实现了服务请求与资源位置的解耦,从而支持更灵活精确的服务调度。在此基础上,提出一种算网融合的轻量化增量部署方案,通过将智能路由与资源调度相结合以优化服务请求的路由及资源分配。通过对核心设备实施轻量化的增量部署,可在最小改动现有网络的情况下优化网络性能,并增强系统可扩展性。实验结果表明,在500个并发请求的负载条件下,相较于传统的DNS调度和网络架构,AISID机制将请求响应时间降低了61.3%;轻量化部署方案使链路带宽使用率方差和算力使用率方差分别降低32.8%和12.3%。这些结果验证了所提方法在提升AI计算服务性能和资源利用效率方面的有效性,表明该方法为实现算网融合提供了一种有效途径。
面向超融合中异构互连的非透明桥优化设计
郑锐, 沈剑良, 吕平, 董春雷, 邵宇, 朱正彬
, doi: 10.11999/JEIT250272
摘要:
为提升超融合(HCI)系统内异构域跨域的传输性能和稳定性,该文提出一种支持双传输模式的非透明桥(NTB)数据通路架构(D-MNTBA)。通过融合所提旁路架构下的快速传输模式和传统架构(TDPA)下的稳定传输模式,NTB能够结合HCI数据特性与跨域需求进行分流传输报文。通过对地址转换和ID转换进行硬件级优化,NTB中地址转换可支持更复杂的转换方案,并最大限度地压缩了ID转换时间。实验结果表明,在所构建的HCI环境中,D-MNTBA的最大带宽及吞吐量分别可达1500 MB/s和1.36 GB/s,ID转换时间降低至71 ns。相较于以太网卡,其带宽及吞吐量分别提升了约19.0%和40.2%。对比PEX8748,其ID转换时间缩短了约34.9%,带宽及吞吐量分别提升了约27.1%和51.1%,且系统稳定性更强,可有效支撑HCI中异构域的跨域传输。
考虑工作量不确定性的软件项目策略梯度超启发式调度
申晓宁, 施江熠, 马燕昭, 陈文言, 佘娟
, doi: 10.11999/JEIT250769
摘要:
该文围绕软件项目开发过程中存在的不确定因素,建立一种考虑任务工作量不确定性的多目标软件项目调度模型。该模型采用非对称三角区间二型模糊数描述工作量的不确定性。为了提高不确定环境下的决策质量,提出一种基于策略梯度的超启发式算法求解该模型。该算法将强化学习中的一种策略梯度算法(即Actor-Critic算法)作为高层策略,根据算法的当前运行状态选择合适的低层启发式策略。同时引入优先经验回放法,以利用历史经验信息更新网络参数,加快收敛速度并降低学习成本。将所提算法与6种代表性算法在12个人工合成算例和3个实例上进行了对比。实验结果表明,所提算法在不确定调度环境中能够搜索到一组收敛性和多样性更好的非支配解。
Alpha稳定分布噪声下的水声瞬态信号检测方法
陈雯, 邹男, 张光普, 李研赫
, doi: 10.11999/JEIT250500
摘要:
实际海洋环境噪声通常具有突发性尖峰等非高斯特性,导致基于高斯假设的传统信号检测方法性能显著下降甚至失效。针对非高斯背景下未知确定性瞬态信号的被动检测与到达时间(ToA)估计的问题,该文利用Alpha稳定分布为非高斯背景噪声建模并设计了一种数据预处理降噪-短时互相关熵检测(DP-STCCD)方法。该方法首先借鉴数据清洗思想对含噪信号进行异常值处理实现初级降噪,然后采用多级滤波技术进一步抑制噪声,最终利用降噪信号的短时互相关熵特征构建检测器并实现ToA估计。仿真结果表明,经预处理降噪的能量检测器(DP-ED)在一定程度上恢复了检测性能。但在相同条件下,DP-STCCD算法的检测性能与ToA估计精度显著优于DP-ED算法:当特征指数\begin{document}$ \alpha = 1.5 $\end{document}时,在–11 dB低广义信噪比下DP-STCCD检测概率较DP-ED仍提高约30.2%,ToA估计精度提高约18.4%。
面向车路协同的地理空间标识网络模态设计与场景应用
潘仲夏, 沈丛麒, 骆汉光, 朱俊, 邹涛, 隆克平
, doi: 10.11999/JEIT250807
摘要:
车路协同网络的拓扑结构变化频繁、业务需求呈现多样性等特征,给数据高效可靠传输带来了挑战。基于地理位置信息的网络协议标准,结合多模态网络的柔性可扩展架构,该文提出并设计了一种地理空间标识网络模态,在网络层协议上将IP替换为地理空间标识网络协议,并在可编程多模态网元设备上实现了基于地理空间信息的寻址和路由。为了验证地理空间标识网络模态的可用性,面向智慧交通场景研制了支持地理空间标识寻址机制的车路协同智慧交通系统,有效实现车路协同系统中包括道路安全和交通信息的传输。实验表明该系统具备良好的稳定性和高效性,可应用于泛连接、弹性业务流量等典型车路协同交通场景。
基于隐式证书的电力工业互联网轻量级身份认证方案
王胜, 张凌浩, 滕予非, 刘洪利, 郝隽阳, 吴文娟
, doi: 10.11999/JEIT250457
摘要:
随着电力工业互联网的快速发展,电力系统与互联网的深度融合在推动产业智能化升级的同时,也带来了严峻的安全挑战。资源受限的终端使电力设备易遭受恶意攻击,亟须高效安全的身份认证机制以保障系统内的数据安全传输。然而,现有认证方案计算开销较大,且在应对常见攻击时仍存在安全隐患,难以满足电力工业互联网的实际需求。针对这一问题,该文设计了一种安全轻量的身份认证方案。在设备注册阶段引入隐式证书技术,将公钥认证信息嵌入签名中,从而无须显式传输完整的证书信息。相比传统证书,隐式证书更短且验证效率更高,有效降低了传输与验证开销。在此基础上,该文构建了仅依赖哈希、异或及椭圆曲线模乘运算的轻量级认证流程,实现设备间的安全身份认证与会话密钥协商,更适用于资源受限终端。随后,该文通过形式化方法分析了方案安全性,证明其具备安全相互认证、会话密钥保密性与前向安全性,并能有效抵御重放与中间人等典型攻击。最后,通过实验对所提方案与现有先进方案进行了全面对比,结果验证了该文所提方案具备更低的计算和通信开销。
融合预训练音频大模型与密度估计的水轮发电机组声学无监督异常检测
武亭, 闻疏琳, 阎兆立, 付高原, 李林峰, 刘绪都, 程晓斌, 杨军
, doi: 10.11999/JEIT250934
摘要:
水轮发电机组作为水电站的核心动力设备,其安全稳定运行对于整个水电站具有重要意义。近年来,非接触式声学测量作为一种有效的检测手段受到广泛关注,然而水轮发电机组的实际运行的异常声信号难以采集,传统异常检测方法及基于监督学习的分类策略在该领域的应用受到限制。针对上述挑战,该文提出一种预训练音频大模型与密度估计k近邻(k-NN)的水轮发电机声学无监督异常检测方法。首先验证了预训练音频模型提取的通用音频特征在异常检测中的有效性;随后设计了一种融合注意力统计池化与warm-up的参数微调策略,实现模型的迁移优化,在推理阶段设计了一种密度估计的k近邻实现鲁棒的距离度量。实验结果表明,该方法在风洞环境达到了98.7%的多指标调和平均数,在滑环室则高达99.9%,为水电站的声学异常检测提供了切实可行且性能优异的解决方案。
智能反射面辅助的无线通信系统波束赋形及智能反射面相移技术综述
邢智童, 李云, 吴广富, 夏士超
, doi: 10.11999/JEIT250790
摘要:
自2020年5G设备开始大规模商用部署后,全球业界已经开始了6G技术的研究。在5G/6G时代,通信系统需要适应更加复杂的信道环境,如超高密度的城市环境、远海、沙漠、森林等地域。因此,如果能够有一种低能耗的方式,对无线通信信道进行自适应的调整和重构,将不仅有助于无线通信设备向传输时延更低、传输速率更快、接收能力更强等方面进一步迈进,而且可以帮助无线通信设备更好地部署于复杂信道环境的地域。智能反射面(IRS)被认为是实现信道环境重构的一种有效的设备。这些IRS设备大多是无源设备,因此,不会带来过多的能耗。当IRS与单输入单输出(SISO)、多输入单输出(MISO)、多输入多输出(MIMO)等技术相结合时,将进一步提高无线通信传输的传输速率、降低无线通信的能耗、增强无线通信设备对复杂信道环境的适应性。该文对IRS辅助的SISO,MISO和MIMO系统的信号传输模型进行系统总结,分析了IRS辅助的SISO,MISO和MIMO的信号传输建模方式,并对IRS辅助的SISO,MISO和MIMO系统的波束赋形和相移技术进行了综述。
抵抗语音转换伪造的扩散重构式主动防御方法
田浩原, 陈宇轩, 陈北京, 付章杰
, doi: 10.11999/JEIT250709
摘要:
语音深度生成技术已经能够生成逼真的语音。其在丰富人们娱乐和生活的同时,也易被不法分子滥用进行语音伪造,从而对个人隐私与社会安全带来巨大隐患。作为语音伪造的主流防御手段,现有的主动防御技术虽然已取得了一定成效,但在防御能力与防御样本不可感知性的平衡以及鲁棒性上仍然一般。为此,该文提出一种抵抗语音转换伪造的扩散重构式主动防御方法。该方法利用扩散声码器PriorGrad作为生成器,借助基于待保护语音的扩散先验指导逐步去噪过程,从而重构待保护语音直接得到防御语音样本。而且,该方法还设计了多尺度人耳感知损失,重点抑制人耳敏感频段的扰动幅度,进一步提升防御样本不可感知性。针对4个先进的语音转换模型的实验表明:该方法在兼顾语音防御样本不可感知性的前提下,基于说话人验证精度客观评价指标,防御能力相比次优方法在白盒场景下平均提升约32%,在黑盒场景下平均提升约16%,实现了防御能力与样本不可感知性之间更好的平衡;而且,针对3种不同有损压缩和高斯滤波攻击,该方法均取得了比现有方法更好的鲁棒性。
面向国产交换芯片的多模态网络后端编译器设计
凃化清, 王元鸿, 徐琪, 朱俊, 邹涛, 隆克平
, doi: 10.11999/JEIT250132
摘要:
当前,后端编译器相关工作主要针对软件可编程交换机(BMv2)、现场可编程门阵列(FPGA)、Intel Tofino系列芯片等可编程设备进行设计和优化,不适用于国产盛科TsingMa.MX交换芯片上多模态网络程序的编译。为此,该文提出面向TsingMa.MX交换芯片的多模态网络后端编译器p4c-TsingMa,实现了高级网络编程语言到TsingMa.MX交换芯片的编译,使TsingMa.MX交换芯片同时支持多种网络模态报文的解析与转发。p4c-TsingMa首先使用先序遍历方法从中间表示中提取出协议类型、协议字段、动作等关键信息,然后根据所提取的信息进行指令转译,最终生成TsingMa.MX芯片控制命令。同时,p4c-TsingMa采用用户自定义字段(UDF)合并方法,将不同网络模态的匹配指令合并在1个查找表中,从而1次提取多个模态的匹配项,提高芯片资源利用率。实验结果表明,p4c-TsingMa可实现对多种网络模态程序的正确编译,相较于未启用 UDF 表项合并算法、单端口独立配置各模态UDF规则的场景,其可将寄存器资源利用率提升37.5%~75%。
局部有源忆阻器电路的类生物神经网络存算研究
李付鹏, 王光义, 刘敬彪, 应佳捷
, doi: 10.11999/JEIT250631
摘要:
生物神经系统在低功耗计算、动态存储方面具有显著的优势,这与神经元通过定向分泌递质来传递神经信号的工作机制密切相关。神经信号的产生涉及刺激信号的放大和运算,其工作机制可以利用忆阻器容控混沌振荡器实现。本文利用局部有源忆阻器随外接电容改变形成稳定的倍周期分叉的电压信号振荡,获得了电路中电容与忆阻器两端电压信号之间稳定的映射关系,电路中电容的改变使得忆阻器两端串行输出不同形态的电信号,其电压幅值稳定的周期改变。使得改变的电容与输出的电压信号之间形成稳定的多状态映射关系,从而构成存算单元。结合蔡氏结型忆阻器模型建立了三阶忆阻器电路,当忆阻器工作在局部有源区其三阶电路构成的振荡器能够同时完成信号放大、运算和存储。
面向动态队形优化的无人机编队辐射源定位方法研究
吴苏洁, 吴彬彬, 杨宁, 王桁, 郭道省, 顾川
, doi: 10.11999/JEIT251023
摘要:
在障碍物密集、结构复杂的城市场景中,无人机编队进行辐射源定位常受到信号衰减、多径效应和建筑物遮挡等因素的影响,导致现有方法定位精度不高。针对这一问题,本文提出了一种基于动态队形调整的无人机编队辐射源定位方法。该方法通过优化无人机编队的几何构型,有效降低路径损耗与干扰,从而提升定位性能。具体而言,系统利用接收信号强度实时评估信号质量,并在编队运动过程中根据环境变化自适应调整队形,以优化信号传播路径。同时,结合几何定位精度因子、均方根误差等指标,对编队结构进行动态优化,从而提高距离估计与定位解算的可靠性。实验结果表明,相比传统方法,该方法在复杂城市环境中能够更快收敛并显著提升定位精度,定位误差降低了80%以上。同时,所提方法能够有效适应动态环境变化,展现出较强的鲁棒性与实用价值。
短包安全隐蔽通信设计与优化
田波, 杨炜伟, 沙力, 尚志会, 曹阔, 刘长明
, doi: 10.11999/JEIT250800
摘要:
针对短包多输入单输出(MISO)通信系统中面临窃听与检测双重安全威胁的问题,该文提出一种短包安全隐蔽通信设计与优化方案,分析了系统的隐蔽性能和物理层安全性能,在此基础上,提出衡量系统安全隐蔽性能的平均有效安全隐蔽速率(AESCR),该指标统一量化了系统隐蔽性、保密性和可靠性,且主要受包长和发射功率影响。构建了最大化AESCR的双变量优化问题并求解。仿真结果表明,所提方案与优化发射功率的基准方案相比,可以有效提高系统中的AESCR;系统AESCR随发射天线数单调递增,且存在最优包长权衡传输效率与隐蔽性。
LEO卫星网络中基于拥塞感知和内容价值的自适应缓存部署
刘忠禹, 谢亚琴, 张余, 朱建月
, doi: 10.11999/JEIT250670
摘要:
低地球轨道(LEO)卫星网络凭借其全球无缝覆盖与低传输延迟的优势,被视为空天地一体化通信系统的关键组成部分。然而,用户请求若未命中本地卫星缓存,则需通过星间链路或星地链路回源,从而引入较高延迟。同时,受限于星载硬件资源,卫星节点的存储容量极为有限,难以支持大规模内容缓存,这对动态自适应的缓存部署机制设计提出了严峻挑战。该文聚焦LEO卫星网络中的缓存部署问题,基于拥塞感知和内容价值,提出一种自适应缓存部署方案,根据网络的实时状态实施缓存决策,从而提升缓存命中率、降低星地回传负载、优化用户服务质量。首先,卫星节点实时监测链路拥塞状态,并将链路拥塞的概率通过数据包反馈给下游节点;其次,结合兴趣包的内容流行度、数据包的新鲜度构建二维价值评估模型;最后,依据拥塞等级动态调整缓存阈值,再结合跳数控制因子进行缓存决策。仿真结果表明,所提策略在缓存命中率、平均路由跳数及平均请求时延3项核心指标上均优于基于流行度感知的邻近度缓存(PaCC)与处处缓存(LCE)策略:在缓存容量动态变化场景下,缓存命中率较PaCC和LCE策略分别提升9.5%和43.7%;在Zipf分布参数变化场景下,缓存命中率较上述2种策略分别提升8.7%和29.1%;在网络传输性能方面,所提策略的平均路由跳数较PaCC策略总体下降2.24%,平均请求时延则较PaCC和LCE策略总体下降2.8%和9.5%。
无信道先验信息的双天线非合作干扰抑制技术研究
严丞, 李彤, 潘文生, 段柏宇, 邵士海
, doi: 10.11999/JEIT250378
摘要:
在电子对抗中,己方通信信号极易受到敌方干扰。针对非合作干扰信号抑制,通常选择辅助天线来提取干扰信号样本,对受扰的通信信号进行干扰抑制,进而保证通信质量。但辅助天线可能同时收到干扰信号和通信信号,影响干扰信号样本的获取,降低干扰抑制能力。该文在非合作干扰场景下,提出了一种快速独立成分分析联合模拟退火最大化输出信干噪比的干扰抑制方法,该方法通过快速独立成分分析方法来估计信干噪比、模拟退火算法搜索重建系数、重建滤波器结合重建系数得到干扰抑制后信号。仿真和实验证明:当双天线的信干噪比差异较大,或通信信号和辅助信号各自到达双天线的信道相关性较弱时,所提方法具备更优异的干扰抑制性能。在双天线具有14.8 dB的信干噪比差时,该方法可实现34.4 dB的干扰抑制比。
基于轨道角动量的无线供能NOMA通信系统设计与优化
陈瑞瑞, 陈雨, 冉佳乐, 孙彦景, 李松
, doi: 10.11999/JEIT250634
摘要:
视距信道是实现高效无线供能NOMA通信的必要条件,然而其强相关性将严重限制空间自由度,导致传统空间复用技术难以获得容量增益。利用新维度的轨道角动量(Orbital Angular Momentum, OAM),该文设计了基于OAM的无线供能NOMA通信系统,其可以通过模态复用独立传输多路信息从而在视距信道下显著提高通信容量。通过转化收集能量为信息上传的可实现容量,该文在通信容量和收集能量的阈值约束下构建了系统的总容量最大化问题。然后,将系统总容量最大化问题分解为两个子问题,推导了最优功率分割因子的闭式表达式,并利用次梯度方法获得了最优的功率分配。仿真结果表明,与传统无线通信系统相比,所提出的基于OAM的无线供能NOMA通信系统能够有效提高容量性能。
基于光量子传输距离矩阵构建的动态目标定位方法
周牧, 王敏, 曹静阳, 何维
, doi: 10.11999/JEIT250020
摘要:
利用纠缠态光量子的时间关联特性能够实现对目标的精确定位,但现有量子定位算法主要针对相对静止目标,难以适用于动态目标。该文提出一种基于光量子传输距离矩阵构建的动态目标定位方法,以实现对运动目标的高精度定位。首先,通过对量子回波信号进行分析,结合符合计数结果估计背景噪声,优化检测阈值,实现了高灵敏度的目标检测。其次,利用速度测量矩阵进行自适应光量子分组,以提升定位系统的精确度。最后,通过构建光量子传输距离矩阵,求解光源坐标、目标位置与光量子传输距离的方程组,实现了动态目标位置估计。实测结果表明,该文方法实现了对动态目标的高精度定位,定位误差为厘米级,该方法定位误差在0.06 m内的置信概率达85%,相较于现有光量子定位方法的置信概率提高了69%,相较于传统单光子激光雷达动态目标定位方法提高了31%。
禁飞区约束下的无人机可重构智能表面辅助通信网络性能优化
徐俊杰, 李斌, 杨敬松
, doi: 10.11999/JEIT250681
摘要:
在无人机(UAV)辅助通信网络的实际部署中,禁飞区(NFZs)会收缩可行空域并迫使无人机绕行,致使路径损耗加剧,从而引发通信性能下降。为恢复并增强覆盖,该文将可重构智能表面(RIS)集成于无人机平台并实施协同相位控制以构建可编程反射链路。然而,可重构智能表面的指向性增益对无人机姿态高度敏感,进而影响系统性能。为此,该文提出一种无人机搭载可重构智能表面的新型通信框架,考虑到多禁飞区环境,通过联合优化无人机轨迹、可重构智能表面相移、无人机姿态和基站波束赋形,建立通信速率最大化问题,并提出基于积分路径的完全规避禁飞区方案,在严格绕行禁飞区的同时保障禁飞区内外用户的通信。鉴于该优化问题具有高度复杂性,该文将其构建为马尔可夫决策(MDP)过程,并提出基于软演员-评论家的深度强化学习算法进行求解。仿真结果表明,在保证完全绕行禁飞区的同时,所提方法能够显著提升通信速率,并在可扩展性与稳定性方面优于基线方案。
面向山地森林区域的植被高度预测数据集
余翠琳, 钟梓炫, 庞弘毅, 丁煜晟, 赖涛, 黄海风, 王青松
, doi: 10.11999/JEIT250941
摘要:
植被高度是刻画森林垂直结构、碳储量和生态系统功能的重要参数,在生态学、气候变化和生物地理等领域具有广泛应用。随着人工智能尤其是大模型技术的发展,森林生态研究对大规模、标准化训练数据的需求愈加迫切。然而,目前公开数据仍缺乏覆盖广区域、统一规范的林冠高度预测数据集,限制了先进智能方法的应用。为此,该文构建了面向山地森林区域的植被高度预测数据集(VHP-Dataset),融合多光谱遥感影像、数字高程模型(DEM)、植被覆盖度和覆盖类型等多源数据,以全球生态系统动力学调查(GEDI)冠层高度为目标变量,形成18维输入特征。该文介绍了数据集的构建流程,并通过空间分布、模型验证和特征重要性分析等实验进行评估。结果表明,VHP-Dataset能够有效支持监督学习建模,在多地貌、多区域的植被高度预测中展现出良好的科学性与适用性,为森林结构反演提供了标准化训练样本支撑。
DeepSeek-V3.1和ChatGPT-5在结直肠癌肝转移多学科团队诊疗中的应用比较
张扬子, 许婷, 高兆亚, 司振铎, 徐蔚然
, doi: 10.11999/JEIT250849
摘要:
该文旨在比较DeepSeek-V3.1与ChatGPT-5在结直肠癌肝转移(CRLM)多学科团队(MDT)决策中的应用表现,评估其与MDT专家意见的一致性,为大语言模型(LLMs)的临床实践提供循证依据与优化方向。该文基于真实世界数据与最新指南,设计了6例涵盖不同肿瘤负荷、基因突变谱和体能状态的虚拟CRLM病例,通过结构化的提示策略,在DeepSeek-V3.1与ChatGPT-5模型中分别生成MDT治疗建议。由4名MDT专家采用7维度5级李克特量表对模型输出进行独立评审。并通过统计学分析对两款模型在各个病例、各项维度和各个学科的表现分别进行比较。2款大语言模型在所有病例中的综合得分均≥ 4.0分(满分5分),表明其在复杂的MDT决策场景下具备可接受的临床效能。在跨维度分析中,两者在清晰度、个体化程度、抗幻觉能力和伦理安全4项上得分较高,而在准确性、全面性和前沿性方面仍有一定提升空间。DeepSeek-V3.1在整体表现(4.27±0.77 vs 4.08±0.86)、前沿性(3.90±0.65 vs 3.24±0.72)与伦理安全(4.87±0.34 vs 4.58±0.65)方面显著优于ChatGPT-5(P<0.05);在放疗领域亦明显领先(4.55±0.67 vs 3.38±0.91, P<0.01)。ChatGPT-5则在胃肠外科领域表现优于DeepSeek-V3.1(4.48±0.67 vs 4.17±0.85, P =0.02)。DeepSeek-V3.1与ChatGPT-5均表现出为CRLM-MDT决策提供可靠建议的良好能力。其中,DeepSeek-V3.1在前沿知识整合、伦理安全性及放射肿瘤学领域展现出显著优势,而ChatGPT-5则在胃肠外科方面表现更优,二者形成优势互补。该文证实了大型语言模型作为“MDT协作者”的可行性,为缩小地域间诊疗水平差距、提升临床决策效率提供了一项便捷可靠的技术方案。
可微稀疏掩膜引导的红外小目标快速检测网络
盛卫东, 吴双林, 肖超, 龙云利, 李晓斌, 张一鸣
, doi: 10.11999/JEIT250989
摘要:
红外小目标检测在遥感探测、红外制导、环境监测等领域具有不可替代的应用价值,其核心挑战在于目标像素占比极小(目标尺寸通常小于9×9)、空间特征稀疏且易被复杂背景杂波淹没。现有红外小目标方法或依赖手工设计的背景抑制算子,难以适应复杂场景;或采用密集卷积神经网络,未充分考虑目标背景占比极不均衡导致的计算冗余。基于目标稀疏先验,本文提出一种可微稀疏掩膜引导的红外小目标快速检测网络。首先,设计可微稀疏掩膜生成模块作为预处理,输出目标候选区域的二值掩码,实现对目标的粗检测,并过滤大量背景冗余信息;其次,基于Minkowski Engine稀疏卷积构建稀疏特征提取模块,仅对二值掩码中的非零目标区域进行稀疏卷积运算,实现对目标候选区域的精细化处理;最后,通过金字塔池化模块进行多尺度特征融合,并将融合后的特征送入目标-背景二分类器输出最终检测结果。为验证方法有效性,在NUDT-SIRST与NUAA-SIRST两大主流红外小目标数据集上进行实验,实验结果表明,所提方法实现了在检测性能相当的情况下,实现了检测效率的极大改善,验证了所提方法的有效性。
基于相位起伏的机载分布式雷达欺骗干扰鉴别算法
吕卓宇, 杨超, 索成宇, 文才
, doi: 10.11999/JEIT240787
摘要:
欺骗干扰不仅会使雷达无法分辨真实目标与虚假目标,还会对真实目标的参数估计精度和跟踪性能产生极大影响。针对机载分布式雷达中的欺骗干扰鉴别问题,该文提出一种基于相位起伏的欺骗干扰鉴别方法。该方法首先对机载分布式雷达系统中影响回波信号相位的同步误差进行校正;然后对接收到的多站回波进行精细化处理以获取多站目标散射相位矢量;最后根据真假目标散射特性差异,采用相位矢量的起伏方差鉴别真假目标。所提方法可以增强机载分布式雷达系统在复杂电磁环境中的抗干扰性能,仿真结果验证了该方法的有效性。
针对完整性攻击的信息物理系统双通道联合编码检测
莫小磊, 曾维鑫, 富佳伟, 窦克勤, 王言伟, 孙希明, 林思达, 隋天举
, doi: 10.11999/JEIT250729
摘要:
信息物理系统(CPS)完整性攻击针对系统数据流发起攻击,破坏输入输出数据一致性,由于其攻击方式多变、隐蔽性强的特性,较其他CPS攻击在检测及防护上更为困难。为此,该文提出一种控制-输出双通道的数据加性-乘性联合编码检测方案,旨在检测完整性攻击并在3种典型攻击上进行验证,包括控制通道偏置攻击、输出通道重放攻击以及双通道隐蔽攻击。完整性攻击通过部分或全面系统信息的获取及掌控可使卡方检测器检测值小于阈值,从而实现对CPS系统“隐形”。为此,该文方案创新性地在通道两侧布置加性正负水印对以及乘性编码/解码矩阵对,未知信号及部件的引入为攻击者带来了信息不确定性,使残差统计特性偏离其期望数值。此外,水印对与矩阵对之间通过不同机制实现了解耦,其正负或互逆形式使得无攻击时不影响系统的控制性能,并且以时变形式防止攻击者对其重构。最后,通过计算推导出引入该文方案后3种攻击前后残差统计特性的变化,并以飞行器飞行轨迹仿真为例,说明方案的有效性和先进性。
面向低轨星座的空间激光通信终端全视场微弧度级光学标定方法
解青坤, 徐常志, 边晶莹, 郑小松, 张博
, doi: 10.11999/JEIT250734
摘要:
星间激光通信因其具有超大信道容量、极低传输损耗和物理层高安全性,已成为下一代低轨巨型星座实现全球高速数据传输的核心技术。然而,低轨卫星的高速相对运动与复杂轨道摄动,对激光终端的快速建链与稳定跟踪构成了严峻挑战。为实现稳定可靠的通信链路,必须在全空间范围内建立粗指向机构(CPA)与探测器间微弧度量级的光学标定关系。该文提出一种面向低轨星座的全视场微弧度级光学标定方法,将复杂光机耦合误差统一建模为线性映射关系,利用CPA的随机微扰动运动构建其转角微偏移量与探测器光斑位移间的共轭关系,从而精确估计光学标定矩阵。实验结果表明,该方法可有效抑制光学像旋、跨象限运动、异常跟踪及镜像等系统误差,全空间跟踪精度优于5 μrad,显著提升了终端动态跟踪性能。
海上船只目标多源数据集可见光图像部分
崔亚奇, 周天, 熊伟, 许赛飞, 林传齐, 夏沭涛, 孙炜玮, 唐田田, 张杰, 郭恒光, 宋鹏汉, 还迎春, 张振杰
, doi: 10.11999/JEIT250138
摘要:
为适应海上船只目标智能感知发展趋势,针对现有海上船只目标感知数据集信源单一、船只目标类别少、场景简单等问题,该文研制了由雷达、可见光、红外、激光、AIS、GPS等传感器构成的海上目标集成采集设备,开展了近2个月船载海上观测实验,累计时长达到200小时,收集海上多源原始数据90 TB;进一步对海量数据进行处理标注,并针对所采集原始数据海量、价值密度低的问题,设计了一套自动标注与人工校验相结合的数据快速标注流程,经多次智能标注模型训练与大量人工校验,目前已构建海上船只目标多源数据集的可见光图像部分(MSMS-VF)。该数据集涵盖客船、货船、快艇、帆船、渔船、浮标、漂浮物及海上平台等9种目标类别,包含265,233张图像,1,097,268个边界标注框,小目标占比达到55.88%,覆盖了多样化的海洋目标环境,可为目标检测、目标识别、目标跟踪等智能算法研究提供训练测试数据原料。未来,团队将陆续发布数据集的其他部分,并结合新的观测实验,对数据集进行不断更新。
自供能智能超表面可靠安全通信策略与性能分析
屈亚运, 曹堃锐, 王骥, 徐勇军, 陈京渝, 丁海洋, 金梁
, doi: 10.11999/JEIT250637
摘要:
智能超表面通常采用有线供电方式,电源线就像一条“尾巴”,严重限制了智能超表面在室外部署的机动灵活性。该文聚焦智能超表面与射频能量采集技术结合的自供能智能超表面(SIM),针对SIM面临的能量与信息双重中断挑战,分别提出基于静态无线供电和基于动态无线供电的SIM通信策略,探究两种策略下非放大型SIM(U-SIM)和放大型SIM(A-SIM)的通信机理;分别从通信可靠性和安全性两个角度提出并分析所提策略下U-SIM和A-SIM的能量与信息一体化性能,即能量与信息联合中断概率、联合截获概率。结果表明,动态无线供电策略可有效缓解采集能量不足导致的SIM通信可靠性问题;A-SIM的噪声放大虽会抑制其通信可靠性提升,但也能增强通信安全性;静态或动态同一策略下,随SIM反射单元数增多,A-SIM安全性更好,U-SIM可靠性更好。
面向移动边缘计算的协作NOMA安全卸载能耗优化
陈健, 马天瑞, 杨龙, 吕璐, 徐勇军
, doi: 10.11999/JEIT250606
摘要:
为降低移动边缘计算(MEC)网络安全卸载过程的能耗,该文设计一种基于协作非正交多址(NOMA)的安全卸载模式,利用协作节点的通信和计算能力置换系统的安全性能。考虑设备计算和通信等资源分配的联合设计,该文提出保密中断概率(SOP)约束下的系统加权总能耗最小化问题。针对该非凸优化问题,将其分解为时隙与任务分配和功率分配两个子问题,并提出一种基于交替和逐次凸逼近(SCA)的迭代算法求解,依据信道状态和计算资源调整用户节点与协作节点之间的负载、功率和时隙分配。理论分析与仿真结果表明,所提算法收敛且具有低复杂度,相比于现有的NOMA转发卸载方案、友好干扰方案和NOMA迁移计算方案,可显著降低系统能耗,同时具备更高负载能力和更强的抗窃听能力,实现了节点在通信、计算和安全之间的权衡折衷。
面向欺骗抑制的GNSS信号单通道高精度稀疏DOA估计
康伟泉, 鲁祖坤, 李柏渝, 宋捷, 肖伟
, doi: 10.11999/JEIT250725
摘要:
针对全球导航卫星系统(GNSS)面临的欺骗攻击威胁,传统多天线阵列欺骗检测方法存在硬件复杂度高、低信噪比下估计精度不足等问题,该文提出了一种面向欺骗抑制的单通道高精度稀疏波达方向(DOA)估计方法,旨在降低欺骗检测的硬件成本并提升极低信噪比条件下的估计性能。首先,基于参考阵元跟踪环路参数重构数字中频信号,利用不同伪随机噪声码信号间的正交性,通过重构信号与原始阵列信号的相关处理显著提升解扩前信噪比,提取“纯净”导向矢量;其次,结合GNSS空域稀疏特性构建过完备字典,将DOA估计转化为导向矢量的稀疏重构;最后,采用交替方向乘子法求解优化模型,以实现高精度二维DOA估计。仿真表明本文方法在极低信噪比下较Unitary ESPRIT和Cyclic MUSIC算法的估计精度和分辨力提高明显,基于把本文方法DOA估计的结果,LCMV波束形成器能够有效抑制欺骗信号。相较于信号载波相位检测的方法,该方法仅需处理单个阵元通道的信号,显著降低硬件复杂度,为空域欺骗检测与抑制提供了高效解决方案。
面向低信噪比序列的多模态联合自动调制方式识别方法
王祯, 刘伟, 卢万杰, 牛朝阳, 李润生
, doi: 10.11999/JEIT250594
摘要:
针对单模态自动调制方式识别方法在低信噪比条件下难以实现可靠识别的问题,该文融合对比学习和Kolmogorov-Arnold表示定理,提出一种面向低信噪比序列的多模态联合两阶段自动调制方式识别方法。第1阶段,构建对比学习模块,利用多模态数据在时间、强度等显著联系,实现时域Token和变换域Token序列的初步显式对齐;第2阶段,设计特征融合模块,利用长短时记忆网络LSTM、卷积神经网络CNN从初步对齐特征中提取时序特性,并利用表征学习增大类间距离,从多角度捕获时域和变换域两种模态特征之间的隐式对齐关系,实现多模态特征融合;最后,通过Kolmogorov-Arnold网络学习边缘权重,得到调制方式识别结果。在经典通信信号调制方式识别数据集RadioML2016.10a, RadioML2016.10b和HisarMod2019.1上的实验结果表明,在–20~0 dB信噪比条件下,该文方法的调制方式识别精度相比于经典的FEA-T, AMC-NET和MCLDNN等方法以相近的参数量提高了2.62%~11.63%。
自适应特征选择的车路协同3D目标检测方案
梁燕, 杨会林, 邵凯
, doi: 10.11999/JEIT250601
摘要:
车路协同场景完成三维目标检测需解决车载端和路侧端之间通信带宽受限和信息聚合能力有限两个问题。该文基于空间过滤理论,设计了自适应特征选择的车路协同3D目标检测方案(AFS-VIC3D)。首先,为解决通信带宽受限问题,在路侧端设计了包含两个基本模块的自适应特征选择方案:(1)图结构特征增强模块(GSFEM)利用图神经网络(GNN)通过交互更新节点和边的权重来增强前景目标区域特征响应,并减少背景区域特征响应,以提升目标区域特征判别性;(2)自适应特征通信掩码构建模块(ACMGM)通过动态分析特征重要性分布,自适应选择信息量高的特征以构建稀疏二维通信掩码图实现特征优化传输;其次,为了提升信息聚合能力,在车载端设计了多尺度特征聚合模块(MSFA),通过空间-通道聚合协同机制,在尺度、空间和通道层次上融合车载端和路侧端特征,提高目标检测精度和鲁棒性。所提AFS-VIC3D在公开数据集DAIR-V2X和V2XSet上进行验证,均以交互比(IoU)阈值分别为0.3/0.5/0.7时平均精度(AP)为指标。在DAIR-V2X数据集上,该方案以\begin{document}$ {2^{20.15}} $\end{document}字节的通信量达到了83.65%/79.34%/64.45%的检测精度;在V2XSet数据集上,以\begin{document}$ {2^{20.16}} $\end{document}字节的通信量达到了94.14%/93.08%/86.69%的检测精度。结果表明,所提AFS-VIC3D方案自适应选择并传输对目标检测起关键作用的特征,在降低通信带宽消耗的同时提升3D目标检测性能,能实现检测性能与通信带宽之间的最佳权衡。
面向格密码的高面积效率基-4 快速数论变换硬件架构与无访存冲突优化设计
郑集文, 赵石磊, 张子悦, 刘志伟, 于斌, 黄海
, doi: 10.11999/JEIT250687
摘要:
针对格基后量子密码(PQC)算法中基-2数论变换(NTT)计算效率较低以及原位计算内存访问模式复杂的问题,该文提出一种高面积效率的基-4 NTT硬件设计。首先,介绍了负包裹卷积方法的运算流程及适用条件,在此基础上提出了一种恒定几何(CG)结构的低计算复杂度基-4 NTT/INTT算法。其次,深入分析不同PQC算法中模数的共性特征,设计了基于K2-RED约简的可扩展模乘单元。最后,通过优化存储器与蝶形单元之间的数据分解与重组,提出一种基于顺序循环和阶梯循环访存的读写地址生成方案,实现了高效的无访存冲突。与传统的乒乓存储模式相比,该方案可减少12.5%的存储空间。实验结果表明,在(项数,模数位宽)分别为(256, 13),(256, 23)和(1024, 14)的3种配置下,该设计的面积-时间积(ATP)较现有方案分别降低56.4%,69.8%和50.3%以上,具有更高的面积效率。
基于TT分解的轻量化肝肿瘤分割方法
马金林, 杨继鹏
, doi: 10.11999/JEIT250293
摘要:
针对肝肿瘤分割任务中由于边界复杂性以及肿瘤尺寸较小导致分割结果不准确的问题,该文提出一种高效的轻量化肝肿瘤分割方法。首先,提出一种基于张量列(TT)分解的多尺度卷积注意力(TT-MSCA)模块,通过张量列分解的线性层(TT_Layer)优化多尺度特征融合,提升复杂边界和小尺寸目标的分割准确性;其次,设计一种多分支残差结构的特征提取模块(IncepRes Block),以较小的计算成本提取肝肿瘤图像中的全局上下文信息;最后,解耦标准3×3卷积为两个连续的条形卷积,减少参数量和计算成本。实验结果表明,该方法在LiTS2017和3Dircadb两个公开数据集上,肝脏分割的Dice值分别达到98.54%和97.95%,肿瘤分割的Dice值分别达到94.11%和94.35%。提出方法能够有效解决肝肿瘤边界复杂以及肿瘤目标较小等因素导致的分割结果不准确问题,且能够满足实时部署需求,为肝肿瘤分割提供了一种新的选择。
面向物联网场景的大模型驱动数据合规检测方法
李超豪, 王浩然, 周少鹏, 闫皓楠, 张峰, 鲁天阳, 习宁, 王滨
, doi: 10.11999/JEIT250704
摘要:
随着《中华人民共和国数据安全法》、欧盟《通用数据保护条例》(GDPR)等国内外法规条例的逐步施行,数据合规检测成为规范数据处理活动、保障数据安全、保护个人与组织合法权益的重要手段。然而,物联网场景下异构设备数据冗长多变、非结构化、内容模糊等特点加剧了数据合规检测的难度,导致传统规则匹配方法容易产生大量的误报。针对上述挑战,该文提出一种新型面向物联网场景的大模型驱动数据合规检测方法:第1阶段,基于全量规则库,利用快速正则匹配算法高效筛查出所有潜在违规数据,并输出结构化初步检测结果;第2阶段,利用大语言模型进行语义级合规复核,设计差异化分类检测策略,针对不同违规类型构建基于思维链与少样本提示融合的增强提示词,用于减少规则差异性与语义模糊性带来的错误结果。该文采集了52种物联网设备的日志与流量数据,形成共计55 080条原始违规检测数据,并在8个主流大模型底座以及不同影响设置参数上开展对比实验。研究结果表明原有仅第1阶段基于规则匹配的检测方法在真实物联网环境下误报率为64.3%,而经第2阶段大模型驱动的复核检测后降至6.9%,且大模型自身引入的错误率控制在0.01%以下。
融合视觉的多模态通信感知一体化关键技术及原型验证
赵川斌, 许伟华, 林博, 张腾宇, 冯源, 高飞飞
, doi: 10.11999/JEIT250685
摘要:
面向6G系统的通信感知一体化(ISAC)技术具备感知物理世界的能力。视觉可以感知环境进而辅助通信,同样无线信号可以辅助突破视觉感知的局限。该文首先探明环境视觉与无线通信的内在关联机理,进而阐述基于视觉感知辅助通信的算法,包括波束预测、遮挡预判和多基站多用户的资源调度分配方法;然后基于无线信号辅助视觉感知,探索基于无线信号辅助视觉的环境感知,提出静态环境重建和动态目标感知方法,从而辅助恶劣天气、不良光照等非理想条件下的鲁棒感知;形成一套完整的融合视觉的多模态无线通信感知一体化理论和技术方法。同时,进行了软硬件仿真测试与原型平台验证。实验结果表明,具备视觉支持的多模态ISAC系统的应用潜力巨大。
高时效短包通信中的智能反射面部署:分布式还是集中式部署?
张洋译, 管新荣, 杨炜伟, 曹阔, 王萌, 蔡跃明
, doi: 10.11999/JEIT250720
摘要:
智能反射面(IRS)的部署能够提升短包通信的传输可靠性,现有研究大多通过优化IRS的反射相位来增强短包通信的性能,而该文则重点研究如何在无线网络中优化IRS的部署策略,以实现更高的通信时效性。该文研究一种IRS辅助的短包通信系统,其中多个终端设备在IRS的协助下向接入节点(AP)传输短包。针对该系统,该文考虑了2种典型IRS部署方案:分布式IRS与集中式IRS。在分布式IRS中,每个设备附近都部署一个配备M个反射单元的IRS,而在集中式IRS中,相同数量和规模的IRS均部署于AP附近。为了比较分布式IRS和集中式IRS辅助短包通信的时效性能,该文采用平均信息年龄(AoI)作为系统的性能指标。然而,复合信道增益的概率分布具有高度复杂性,导致平均AoI的闭式表达式难以直接推导,为此该文采用矩匹配(MM)近似法来获得复合信道增益的近似分布,并在考虑导频开销的情况下,推导出两种部署方案的平均AoI表达式。仿真结果表明:当IRS反射单元数量较大或AP与设备距离较远时,分布式IRS系统展现出更优的AoI性能;而当传输功率较高或系统带宽充足时,集中式IRS系统具有更好的时效性表现。
知识引导的小样本地表异常检测
冀虹, 高智, 陈泊安, 敖伟, 曹民, 王桥
, doi: 10.11999/JEIT251000
摘要:
地表异常(ESA)是指地球表面因自然或人为因素引发的突发性灾害事件,具有强破坏性和广泛影响,及时准确地发现各类地表异常事件对社会安全与可持续发展具有重要意义。遥感技术是地表异常检测的重要手段,但受限于标注数据匮乏、地表异常遥感影像背景复杂,以及多源遥感影像分布差异等因素,基于深度学习的异常检测模型性能有限。因此,该文提出一种知识引导的小样本学习方法,在异常遥感影像样本稀缺时引入语言知识提升分类性能。该方法利用大语言模型为不同遥感影像类别生成抽象化的文本描述,从语言模态角度刻画常规地物与异常地物的特征及其空间语义关系。然后通过文本编码器将文本描述映射到语言特征空间,并设计跨模态语义知识生成模块,自动学习并融合语言与视觉模态的语义表征。同时建立自注意力机制建模上下文关系,将提取的语义上下文信息与视觉原型特征融合,形成跨模态联合表征。该方法有效增强了小样本任务中原型特征的判别性,提高了目标域异常样本与多模态原型特征的匹配准确度。实验表明,该方法能够充分利用语言知识,弥补视觉信息的不足,提升小样本学习模型对地表异常遥感影像的表征能力,在跨域和域内小样本分类任务上均表现出一定优势。
面向低空经济的通感一体化关键技术
朱政宇, 温鑫平, 李兴旺, 尉志青, 张沛昌, 刘凡, 冯志勇
, doi: 10.11999/JEIT250747
摘要:
随着低空物联网的发展,低空经济逐渐成为国家战略性新兴产业。面向低空经济的通感一体化技术能够在复杂环境中执行多任务协同操作,可显著提升无人机的安全性、灵活性和多场景适应性。该文系统综述了面向低空经济的通感一体化关键技术。首先,概述通感一体化和低空经济的理论基础,并讨论面向低空经济的通感一体化技术的优势;然后,探讨隐蔽通信、智能反射面、毫米波通信等第6代(6G)网络关键前沿技术在面向低空经济的通感一体化网络中的潜在应用;最后,总结了未来面向低空经济的通感一体化技术的关键挑战和研究方向。
考虑摩擦非线性和未知负载的伺服电机有限时间自适应滑模控制
张天宇, 郭琴霞, 杨挺凯, 郭祥吉, 明名
, doi: 10.11999/JEIT250521
摘要:
为了解决超快激光无限视场加工中存在的高精度要求小视场与大范围加工需求之间的矛盾,该文提出一种基于自适应扰动观测器的有限时间滑模控制策略,该模型能够保证跟踪误差在有限时间内收敛到原点附近的邻域,有效补偿了未知负载扰动和输入端摩擦非线性行为。该文将被控系统中的未知负载扰动与摩擦非线性等复杂因素统一建模为集总扰动项,从而显著提升了系统动力学模型的普适性。该方法融合了径向基神经网络(RBFNN)设计有限时间自适应扰动观测器,实现对集总扰动的精确补偿。基于扰动观测构建的有限时间滑模控制方案,使得电机的输出角位置快速精确跟踪期望轨迹。最后,通过Matlab仿真分析验证了该控制方法的可行性和优越性。
复数子空间神经网络驱动的均匀圆阵三维定位方法
蒋伟, 支博昕, 杨俊杰, 王惠, 丁鹏飞, 张政
, doi: 10.11999/JEIT250395
摘要:
针对复杂室内环境中由频率偏移、多径传播以及噪声干扰等因素导致定位精度不足的问题,该文提出一种复数子空间神经网络(CSNN)驱动的均匀圆阵三维定位方法。首先,构建基于信号参考周期与采样周期的双估计频率补偿算法。通过预估计对精估计的频率模糊进行修正,以获得精确的频偏值实现频率补偿。其次,提出基于复数子空间神经网络的二维角度估计算法。利用复数卷积神经网络(CVCNN)重构信号协方差矩阵,抑制非主径分量与噪声的影响,恢复信号与噪声子空间的正交性,并利用模式空间转换与子空间算法实现高精度二维角度估计。在此基础上,设计了基于均匀圆阵的原型系统进行实验。结果表明,该方法在跨场景迁移后二维与三维定位的平均误差分别为28.9 cm和36.5 cm,验证了所提方法的定位精度与泛化能力。
隐私保护的联邦弱监督组织病理学亚型分类方法
王钰萌, 刘振丙, 刘再毅
, doi: 10.11999/JEIT250842
摘要:
数据驱动的深度学习方法已展现出优越性能,但其成功实施往往依赖于大量细粒度标注训练数据。此外,医疗数据通常呈“数据孤岛”状态,复杂的数据共享过程可能会存在患者隐私泄露的风险。联邦学习 (FL)能够使多个医疗中心在不共享数据的情况下协同训练一个深度学习模型。然而,在计算病理学领域,源自不同医疗中心的病理图像之间普遍存在数据异质性。这些固有的数据异质性可能会显著影响模型性能。针对以上问题,该研究提出一种适用于计算病理学领域千兆像素全切片图像 (WSI)的隐私保护FL方法,该方法结合弱监督的注意力多实例学习 (MIL)与差分隐私技术。具体而言,对于各个参与客户端,使用一种弱监督的多尺度注意力MIL方法,仅需要切片级标签监督本地模型训练,以应对千兆像素病理WSI标注成本高昂的问题。在联邦权重聚合阶段,引入本地化差分隐私技术,进一步降低敏感数据泄露风险;同时采用一种新的联邦自适应重加权策略,旨在克服客户端之间病理图像异质性所带来的挑战。在两种癌症组织学分型任务上评估了所提出FL方法的有效性。实验结果表明,在保障患者数据隐私的前提下,该研究所提出的FL方法相较于本地化模型及其它FL方法,表现出更高的分类准确率;即便与中心化模型相比,其分类性能仍然具备一定竞争力。
分割一切模型(SAM)的轻量化研究综述
罗一畅, 齐析屿, 张博锐, 师汉儒, 赵妍, 王磊, 刘世雄
, doi: 10.11999/JEIT250894
摘要:
Meta公司提出的分割一切模型(SAM)作为计算机视觉领域的基础模型,在图像分割、目标检测与跟踪等任务中展现出强大的零样本泛化能力。然而,SAM模型依赖计算密集型的图像编码器(如ViT-H)和复杂的任务解码架构,导致高昂的计算资源消耗和存储需求,严重限制了其在边缘设备、移动终端等资源受限场景中的实际部署。为提升SAM的实用性,近年来研究者提出了多种轻量化方法。该文系统性综述了相关进展:首先,从任务范式、模型架构、数据引擎和应用领域等多方面简要介绍了SAM的基本情况。其次,回顾了高效基础架构替换、知识蒸馏、模型量化和模型剪枝等模型压缩方法。在此基础上,进一步概述了重构模型结构和轻量化网络替代等方法在当前SAM轻量化研究中的具体应用情况。最后,聚焦效率和精度上的平衡问题,对SAM轻量化模型未来的发展方向进行了深入分析和讨论。
低空智联网架构、安全与优化关键技术
王云涛, 苏洲, 高源, 巴建乐
, doi: 10.11999/JEIT250947
摘要:
低空智联网作为低空数字经济的关键基础设施,通过深度融合各类有人/无人航空器及其地面支撑网络,构建了低空空域人-机-物三元融合的智能互联体系。该文系统梳理了低空智联网的最新研究进展,从网络架构、资源优化、安全威胁与防护以及大模型赋能四个维度展开深入分析。首先,探讨了低空智联网的现有标准、组成架构、关键特性及组网模式;其次,研究了空域资源管理、频谱资源分配、计算资源调度和能量资源优化等关键问题;再次,从感知层、网络层、应用层和系统层剖析了核心安全威胁并综述了多层次防护策略;接着,探讨了大模型技术在低空智联网的应用前景,并分析了其在任务优化与安全防护中的潜力;最后,讨论了低空智联网的未来研究方向,为构建高效、安全、智能的低空智联网体系提供了理论参考和技术指导。
基于虚假数据检测的信息物理系统安全学习控制方法
苗金钊, 刘金良, 孙乐, 查利娟, 田恩刚
, doi: 10.11999/JEIT250537
摘要:
随着信息物理系统(CPS)在关键基础设施中的广泛部署,其面临的安全威胁日益严峻,特别是虚假数据注入攻击对系统感知与控制能力构成了实质性挑战。针对这一问题,该文提出了一种融合攻击检测、状态估计与控制策略学习的安全控制框架。该方法通过构建传感器数据的安全评估指标,实现对潜在虚假观测数据的实时检测,并在无攻击先验信息的条件下,动态估计可能存在的攻击信号。在此基础上,进一步提出融合多源传感器观测的状态估计策略,以提高对系统真实状态的重构精度。此外,该文还提出了一种基于动态权重在线更新的自适应学习控制方法,利用梯度下降法逼近最优控制策略,从而增强系统在复杂环境中的稳态性能与抗攻击能力。仿真实验结果验证了该方法在虚假数据注入攻击环境下的有效性与安全性能。
硅基紧凑型偏振分束旋转器的逆向设计
惠战强, 张兴龙, 韩冬冬, 李田甜, 巩稼民
, doi: 10.11999/JEIT250858
摘要:
片上偏振分束旋转器(Polarization Splitter-Rotator, PSR)作为调控光波偏振态的核心集成光子器件之一,其微型化设计是实现高密度光子集成电路(Photonic Integrated Circuit, PIC)的关键。本文基于绝缘体上硅平台(Silicon-on-Insulator, SOI),采用逆向法设计了一种超紧凑偏振分束旋转器,通过将动量优化算法(Momentum-based Optimization)与伴随法(Adjoint Method)相结合,提高了设计效率。并且,进一步通过空气孔融合将孔半径控制在50 nm至250 nm之间,降低了器件的制造难度。数值分析结果表明:该器件在1520-1575 nm波段内实现了低插入损耗(TM0<1 dB,TE0<0.68 dB),低串扰(TM0<-23 dB,TE0<–25.2 dB)和高偏振消光比(TM0>17 dB,TE0>28.5 dB)。器件尺寸仅为2.5 μm×5 μm。工艺容差分析表明,在蚀刻深度偏移±9 nm,蚀刻半径偏移±5 nm时,在1520-1540nm带宽范围内,性能没有明显劣化,具有良好的制造鲁棒性。
一种融合时序与深度特征的二阶段CAN总线攻击识别方法
谈名名, 张恒, 王鑫, 李明, 张键, 杨明
, doi: 10.11999/JEIT250651
摘要:
控制器局域网(CAN)因安全机制缺失易遭受网络攻击,现有入侵检测系统在多类攻击识别和车载部署上仍存在挑战。该文提出一种融合时序与深度特征的二阶段CAN总线攻击识别方法,通过“先检测、后分类”的策略,将复杂任务分解,实现效率与精度统一。第1阶段设计了数据负载熵(PDE)与ID频率均值偏差(IFMD)特征,从内容与行为2个维度量化报文异常,并利用双向长短期记忆网络(BiLSTM)捕捉时序依赖,实现高效异常检测;第2阶段针对异常样本,引入一维轻量化ParC1D-Net,通过深度特征精细分析实现多类攻击分类。公开数据集实验表明,该方法在Car-Hacking数据集上准确率和F1分数均达99.99%,优于多种先进方法;消融实验验证PDE与IFMD特征在提升异常检测敏感性和鲁棒性方面的关键作用。此外,方法在GPU和模拟嵌入式CPU环境下测试,模型大小仅0.39 MB,实时检测时延分别为0.62 ms和0.93 ms,具备良好部署与实时处理能力。
基于人工磁导体结构的一维5G毫米波宽角扫描阵列天线
马战刚, 张卿, 冯思润, 赵鲁豫
, doi: 10.11999/JEIT250719
摘要:
随着5G毫米波技术的快速发展,对天线的高增益、宽波束覆盖和小尺寸提出了更高要求。该文基于人工磁导体(AMC)结构,设计了一种毫米波频段的具有大角域扫描能力的单极化一维阵列天线。通过利用AMC结构的同相反射特性,天线阵列在提升带宽和增益的同时,实现了显著的宽角扫描能力。天线单元采用单极化设计,通过堆叠式结构优化电流分布,改善了带宽和端口隔离度。阵列以4.6 mm(26 GHz时的0.4波长)间距组阵,加载AMC结构后,阵中天线单元的增益提升至5 dBi,且相邻单元的方形贴片参与辐射,进一步展宽了辐射方向图。仿真结果表明,天线阵列覆盖23.7~28 GHz频段,最大增益达13.8 dBi,在26 GHz时实现了±80°的宽角扫描性能。此外,加工测试验证了设计的可行性,实测结果与仿真吻合良好,隔离度优于\begin{document}$ - $\end{document}15 dB。该文的创新点在于通过AMC结构优化天线单元的辐射特性,结合独特的阵列设计,实现了宽频带、高增益和宽角扫描的平衡,为5G毫米波终端天线的设计提供了新的思路。
融合表示学习和知识图谱推理的糖尿病及并发症预测方法
王宇翱, 黄叶琪, 李青远, 刘云, 景慎旗, 单涛, 郭永安
, doi: 10.11999/JEIT250798
摘要:
糖尿病及其发并发症的联合预测对于降低慢性病危害、改善患者预后具有重要意义。然而,现有预测方法面临数据异构性和稀疏性、实体关系复杂以及疾病与医学概念间高阶关联难以精确捕捉等挑战,限制了预测准确性和多病症识别能力。针对上述问题,该文提出一种基于表示学习与知识图谱推理的糖尿病及其并发症预测模型(REKG-MDP)。通过整合电子健康记录与医学补充知识构建医疗知识图谱,在患者侧完善个人基本信息、检查指标及现病史,在疾病侧补充疾病共病信息、多发人群、常见病因及诊断依据,从而缓解数据稀疏性与异构性问题。综合考虑对称、反对称、反转和组合4种关系连接模式,并设计层次化注意力机制与图卷积网络相结合的推理模块,在全局和局部动态调整邻居节点权重,有效聚合多阶邻居信息并捕捉高阶语义关系。基于MIMIC-IV数据集的实验结果表明,所提模型在糖尿病及发并发症联合预测任务中明显优于现有方法,预测准确率和多病症识别能力均有显著提升。
Wave-MambaCT:基于小波Mamba的低剂量CT伪影抑制方法
崔学英, 王宇航, 刘斌, 上官宏, 张雄
, doi: 10.11999/JEIT250489
摘要:
低剂量CT(LDCT)图像中的伪影和噪声影响疾病的早期诊断和治疗。基于卷积神经网络的去噪方法在远程建模方面能力有限。与Transformer架构的远程建模方法相比,基于Mamba模型在建模时计算复杂度低,然而现有的Mamba模型存在信息丢失或噪声残留的缺点。为此,该文提出一种基于小波Mamba的去噪模型Wave-MambaCT。首先利用小波变换的多尺度分解解耦噪声和低频内容信息。其次,构建残差模块结合状态空间模型的Mamba模块提取高低频带的局部和全局信息,并用无噪的低频特征通过基于注意力的跨频Mamba模块校正并增强同尺度的高频特征,在去除噪声的同时保持更多细节。最后,分阶段采用逆小波变换渐进恢复图像,并设置相应的损失函数提高网络的稳定性。实验结果表明Wave-MambaCT在较低的计算复杂度和参数量下,不仅提高了低剂量CT图像的视觉效果,而且在PSNR,SSIM,VIF和MSE 4种定量指标上均优于现有的去噪方法。
双RIS辅助的多天线协作NOMA短包通信系统性能分析
宋文彬, 陈德川, 张新刚, 王志鹏, 孙晓林, 王保平
, doi: 10.11999/JEIT250761
摘要:
针对物联网(IoT)通信中海量设备接入、频谱资源受限与高可靠传输需求,本文在硬件损伤下,研究了双智能反射面(RIS)辅助的多天线协作非正交多址接入(NOMA)短包通信系统的可靠性能。特别的,一个RIS用于辅助多天线基站(BS)与近用户之间的通信,另一个RIS用于辅助近用户与远用户之间的通信。在最优天线选择方案下,推导出近用户和远用户平均误块率(BLER)的闭式表达式。在此基础上,进一步给出了系统有效吞吐量的闭式表达式,并在可靠性和传输时延约束下确定了使有效吞吐量最大化的最优块长。仿真结果验证了理论分析的正确性,并表明双RIS辅助传输方案相比单RIS辅助传输方案和无RIS辅助传输方案可以获得更优的性能。此外,受限于中继链路,远用户的平均BLER并不会随着BS天线数目的增加而一直减小。
拒绝服务攻击下信息物理系统的数据驱动安全控制:一种在线模态依赖的切换-Q-学习策略
张瑞丰, 杨荣妮
, doi: 10.11999/JEIT250746
摘要:
基于学习策略和切换系统理论,该文研究了拒绝服务(DoS)攻击下未知信息物理系统(CPSs)的安全分析与控制问题。考虑到攻击能量有限性,采用攻击频率和持续时间来描述DoS攻击。特别地,不同于现有的安全学习方法,该文利用切换系统理论提出了一种在线模态依赖的切换-Q-学习控制新算法及相应的数据驱动安全评估新准则。首先,将休眠和活跃DoS攻击下的未知CPSs分别转化为一类含有稳定和不稳定子系统的未知切换系统。随后设计了一种新颖的在线模态依赖的切换-Q-学习算法,进而获得数据驱动的最优安全控制增益。同时通过约束子系统阶段和切换阶段的能量函数,提出了一种具有攻击频率和持续时间约束的数据驱动安全评估准则。最后通过网络化轮式机器人系统的对比实验验证了该方法的高效性和优越性。
动态威胁下基于改进APF-RRT*算法的无人机集群隐身航迹规划算法
张欣睿, 时晨光, 吴志锋, 闻雯, 周建江
, doi: 10.11999/JEIT250554
摘要:
当前无人机集群在复杂战场环境中的高效突防与生存能力着重依赖于精确的航迹规划,然而动态威胁环境下多种探测与拦截手段的存在,使得传统航迹规划难以同时满足隐身性、可行性和安全性要求。为此,本文提出一种动态威胁下基于改进人工势场(Artificial Potential Field, APF)与快速随机扩展树星(Rapidly-Exploring Random Trees Star, RRT*)算法的无人机集群隐身航迹规划算法。首先,构建包含雷达、高射炮及固定障碍物的多元威胁环境模型,并结合无人机雷达散射截面(Radar Cross Section, RCS),推导包含航程、组网雷达检测概率及高射炮威胁概率的无人机集群隐身航迹规划综合代价函数。其次,以最小化无人机集群隐身航迹规划的综合代价函数为优化目标,结合航迹可行性判定和无人机集群动力学等限制为约束条件,构建动态威胁下无人机集群隐身航迹规划模型。最后,提出了一种改进APF-RRT*算法,并对上述优化模型进行求解。仿真结果表明,所提算法在保证航迹可行性及动力学约束的前提下,相较于现有方法能够有效降低无人机集群的综合代价,提高了无人机集群航迹的隐身性能,实现更优的协同突防效果。
面向短包通信的PAC码低复杂度序贯译码算法
戴景鑫, 尹航, 王玉环, 吕岩松, 杨占昕, 吕锐, 夏治平
, doi: 10.11999/JEIT250533
摘要:
随着智能物联网的出现,海量物联网设备间的短包通信在低时延、高可靠和极短数据包长方面的严苛要求给信道编译码方案的设计带来了新的挑战。极化调整卷积(PAC)码在短码长下的某些码型下具有接近散度近似(DA)的纠错性能,但其极高的译码运算复杂度限制了在短包通信中的应用。针对这一问题,该文提出了低复杂度Fano序贯(LC-FS)译码算法和低复杂度堆栈(LC-S)译码算法。首先,LC-FS译码算法将译码码树中的特殊节点分为低码率和高码率两类,并提出了相应的特殊节点译码器和回溯策略,从而在译码码树更高层完成译码以避免冗余运算。其次,LC-FS译码算法中的特殊节点分类方法被扩展到堆栈类译码算法,进一步提出了LC-S译码算法。该算法在保留堆栈类译码算法低回溯次数特点的同时具有更低的运算复杂度。最后,仿真结果表明在对码长为256和信息长度为128的PAC码进行译码时,相较于快速Fano序贯(FFS)译码算法和传统堆栈译码算法,所提LC-FS译码算法和LC-S译码算法在保证纠错性能基本无损的同时运算复杂度平均降低了13.77%和56.48%。
带全局噪声增强的多模态超图学习引导用于模态信息缺失情感分析
黄辰, 刘会杰, 张龑, 杨超, 宋建华
, doi: 10.11999/JEIT250649
摘要:
多模态情感分析(MSA)通过多种模态信息来全面揭示人类情感状态。现有MSA研究在面临现实世界中的复杂场景时,仍然面临两方面的关键挑战:(1)忽略了现实世界复杂场景下的模态信息缺失,以及模型鲁棒性问题。(2)缺乏模态间丰富的高阶语义关联学习和跨模态信息传递机制。为了克服这些问题,该文提出一种带全局噪声增强的多模态超图学习引导情感分析方法(MHLGNE),旨在增强现实世界复杂场景中模态信息缺失条件下的多模态情感分析性能。具体而言,MHLGNE通过专门设计的自适应全局噪声采样模块从全局视角补充缺失的模态信息,从而增强模型的鲁棒性,并提高泛化能力。此外,还提出一个多模态超图学习引导模块来学习模态间丰富的高阶语义关联并引导跨模态信息传递。在公共数据集上的大量实验评估表明,MHLGNE在克服这些挑战方面表现优异。
复杂约束下应急救援无人机路径的熵增强量子涟漪协同算法
王恩良, 章祯, 孙知信
, doi: 10.11999/JEIT250694
摘要:
针对自然灾害应急救援中无人机路径规划面临的复杂约束和时效性要求,该文提出一种熵增强量子涟漪协同优化算法(E2QRSA)。该文构建了以受困人员生存概率最大化为目标的数学模型,将生存概率随时间指数衰减的特征融入目标函数,并综合考虑禁飞区、警戒区、动态障碍物等多重约束;设计了基于信息熵的量子态初始化策略,通过评估搜索空间的不确定性分布引导初始种群生成;提出多涟漪协同干涉机制,利用干涉场的建设性叠加强化优质解特征传播;建立了熵驱动的参数自适应调控方法,根据搜索熵变化率动态调整涟漪传播参数。结果表明:与PSO, QRO, ATLA, IVCSA, SEWOA等5种算法相比,E2QRSA的平均生存概率较次优算法提升4.3%~5.4%,显著提升了复杂灾害环境下无人机路径规划的时效性、安全性与决策科学性。
一种面向特定信息领域的大模型命名实体识别方法
李永斌, 刘楝, 郑杰
, doi: 10.11999/JEIT250764
摘要:
在特定信息领域,尤其是开源信息领域,传统模型命名实体识别面临缺乏充足标注数据、难以满足复杂信息抽取任务等困难。该文聚焦开源信息领域,提出一种基于大语言模型的命名实体识别方法,旨在通过大语言模型强大的语义推理能力准确理解复杂的抽取要求,并自动完成抽取任务。通过指令微调和利用检索增强生成将专家知识融入模型,结合问题回归模块,使低参数通用型大模型基座能够快速适应开源信息这一特定领域,形成领域专家模型。实验结果表明,仅需少量的成本,便能构建一个高效的领域专家系统,为开源信息领域的命名实体识别提供了一种更为有效的解决方案。
IRS辅助的无人机RSMA系统安全速率最大化算法
王正强, 孔维冬, 万晓榆, 樊自甫, 多滨
, doi: 10.11999/JEIT250452
摘要:
该文研究了智能反射面(IRS)辅助基于速率分割多址接入(RSMA)技术的无人机(UAV)系统安全传输问题。针对存在多个窃听者的通信场景,提出一种联合优化预编码向量、公共安全速率分配、IRS相移和UAV位置的资源分配方案。针对该非凸优化问题,采用分层优化方法将其分解为内层和外层优化两部分。对于内层优化,给定UAV位置,交替优化预编码向量、公共安全速率分配子问题和IRS相移子问题,通过逐次凸逼近、1阶泰勒展开和半正定松弛等方法将非凸问题转化为凸优化问题求解;外层优化,给定其他优化变量,采用粒子群优化算法实现UAV的位置优化。仿真结果表明,所提算法能够有效提高系统安全速率,并优于现有的基准方案。
BIRD1445:面向生态监测的大规模多模态鸟类数据集
王洪昌, 咸凤羽, 谢子晖, 董苗苗, 鉴海防
, doi: 10.11999/JEIT250647
摘要:
随着人工智能技术的快速发展,基于深度学习的计算机视觉、声学智能分析和多模态融合技术为生态监测领域提供了重要技术手段,广泛应用于鸟类物种识别与调查等业务场景。然而,现有鸟类数据集存在实采数据获取难度大、专业标注人力成本高、珍稀物种数据样本少且数据模态单一等诸多问题,难以满足大模型等人工智能技术在生态监测与保护领域的训练与应用需求。针对此问题,该文提出一种面向专业领域的大规模多模态数据集高效构建方法,通过多源异构数据采集、智能化半自动标注和基于异构注意力融合的多模型协同校验机制,有效降低专业标注成本并保证数据质量。该文设计了基于多尺度注意力融合的数据集校验方法,通过构建多模型协同校验系统,利用类别敏感权重分配机制提升数据集校验的准确度和效率。基于以上方法,该文构建了大规模多模态鸟类数据集BIRD1445,涵盖1,445种鸟类物种,包含图像、视频、音频和文本4种模态,共计354万个样本,能够支持目标检测、密度估计、细粒度识别等智能分析任务,为人工智能技术在生态监测与保护领域的应用提供了重要数据基础。
高斯混合-概率假设密度滤波器的最优联邦均值融合
薛昱, 徐磊
, doi: 10.11999/JEIT250759
摘要:
为实现最优不确定多目标分布式融合跟踪,该文提出一种高斯混合-概率假设密度(GM-PHD)滤波器的联邦均值融合算法,该算法具有分层式结构。每个传感器节点运行1个局域GM-PHD滤波器,从传感器量测中提取多目标状态估计。融合节点负责1个仅预测上一时刻融合结果的主滤波器,对所有滤波器的GM-PHD进行关联与合并,且为各滤波器分配融合结果和若干滤波器参数。关联将多目标密度融合分解为4种单目标估计融合,该文推导了有无漏检时的单目标最优估计融合方法。信息分配利用协方差上界理论消除了滤波器间的相关性,进而使所提算法能够获得与贝叶斯融合相同的精度。仿真结果表明,所提算法能够获得最优的跟踪精度,优于现有的算术平均(AA)融合算法,且可以灵活地调节各滤波器的相对可靠性。
可编程调度器研究综述
赵娅竹, 郭泽华, 窦松石, 符晓阳
, doi: 10.11999/JEIT250657
摘要:
近年来,可编程调度器受到学术界与工业界的广泛关注,为提升网络服务质量提供了新的机会。针对实际应用中对低时延和低抖动的需求,可编程调度器通过采用先进先出(FIFO)或推入先出(PIFO)等设计,大幅提升了调度的准确性和可编程性,确保数据包按预定时间精准发送,从而优化了网络性能。该文对提升调度准确性和可编程性的可编程调度器研究进展进行了综述。首先,阐明了调度器在数据包调度流程中的作用和意义。随后,基于国内外相关文献,介绍了当前主流的可编程调度器设计方案。最后,总结了现有研究成果的提升空间,并展望了未来的发展方向和研究前景。
扩散生成式数据赋能ECG病理信号分类研究
葛贝宁, 陈诺, 金鹏, 苏新, 陆晓春
, doi: 10.11999/JEIT250404
摘要:
心电图(ECG)是衡量一个人身体健康的重要指标,由于ECG图像组成复杂,特征较多,人眼识别往往会出现误差,因此该文提出一种基于数据生成的ECG病理信号分类算法。首先,扩散生成网络通过向真实的ECG信号添加噪声,逐步将其转换为接近纯噪声的分布,从而便于模型的处理。为了提高生成速度和减少内存占用,该文进一步提出了一种基于知识蒸馏的蒸馏-扩散生成 (KD-DGN)模型,该模型在内存和生成效率上优于传统的DGN。该文还讨论了KD-DGN的内存占用、生成效率及ECG数据的准确性,探讨了轻量化处理后生成的数据特征。最后,通过比较原始MIT-BIH数据集与扩展数据集(MIT-BIH-PLUS)在分类模型中的效果,表明卷积网络能够从DGN生成的扩展数据集中获取更多的特征信息,从而提升ECG病理信号的识别效果。
面向大语言模型的医学图像语义挖掘跨模态哈希
刘青海, 吴钱林, 罗佳, 唐伦, 徐黎明
, doi: 10.11999/JEIT250529
摘要:
针对医学图像与文本深层语义关系建模不足的挑战,该文提出基于大语言模型(LLM)驱动的医学图像语义挖掘哈希方法。首先,联合大语言模型的语义泛化能力,设计了图像描述型、诊断报告总结型和联合模态推理型提示模板进行模态数据增强,从而实现了对医学图像和诊断报告数据的深层次语义挖掘。其次,设计了结构化编码层,以确保图像和文本的特征能够在统一的嵌入空间内进行精确匹配。然后,设计了提示指令模板,采用软提示和硬提示相结合的方式微调大语言模型,实现图像和文本特征的对齐。最后,引入高斯2元受限玻尔兹曼机进行概率化哈希映射,有效保留数据结构信息。实验验证,该方法与最近的经典跨模态哈希检索方法相比,在两个数据集上平均检索精度分别提升7.21%和7.72%。
全局-局部特征融合驱动的抑郁症筛查方法研究
张嗣勇, 邱杰凡, 赵祥云, 肖克江, 陈晓甫, 毛科技
, doi: 10.11999/JEIT250035
摘要:
目前,基于机器视觉的抑郁症识别筛查的方法往往忽略脸部的局部特征,在实际应用中一旦脸部被部分遮挡,会严重影响筛查的准确性,甚至无法进行有效筛查。为此,该文提出一种边缘视觉的抑郁症筛查方法,该方法通过构建一个全局-局部融合注意力网络同步识别被筛查对象的面部表情和眼部局部特征。为了提高对眼部局部特征的提取能力,该文在网络中引入卷积注意力模块,强化对眼动轨迹特征的捕捉能力。实验结果表明,该方法在抑郁症识别上表现优异,在自建数据集上(包含脸部遮挡情况)的精确率、召回率、F1分数分别达0.76, 0.78和0.77,较最新方法召回率提升10.76%,在AVEC2013和AVEC2014数据集上,平均绝对误差(MAE)分别低至5.74和5.79,较最新方法提升3.53%和1.2%。此外,通过可视化分析直观展现了模型对面部不同区域的关注度,进一步验证了方法的有效性和合理性。该方法部署于边缘设备后,平均处理时延不超过17.56 frame/s,为抑郁症筛查提供新方案。
基于复杂生理信息驱动的精准手关节运动解析方法
闫佳庆, 刘庚辰, 周庆锜, 薛玮祺, 周伟傲, 田云志, 王家驹, 董哲康, 李小俚
, doi: 10.11999/JEIT250033
摘要:
手是人体至关重要的组成部分,其高度的灵巧性使我们能够执行各种复杂任务,然而,手部功能障碍会严重影响患者的日常生活,使其难以完成基本的日常活动。该文提出一种基于8通道表面肌电信号(sEMG)的新颖手部运动估计方法,用于解析15个手部关节的运动,旨在提高手部功能障碍患者的生活质量。该方法采用连续去噪网络,结合稀疏注意力机制和多通道注意力机制,有效提取sEMG信号中蕴含的时空特征。网络采用双译码器结构,分别解析含噪姿态和姿态修正范围,并利用双向长短期记忆网络对含噪姿态进行修正,最终实现精准的手部姿态估计。实验结果表明,相比现有方法,该方法在多通道sEMG信号拟合连续手部姿态估计方面表现出更优越的性能,能够解析更多关节,且估计误差更小。
电子探针计算机破解NP完全问题取得突破性进展
许进, 余乐, 杨慧慧, 纪思远, 张宇, 杨安琪, 历泉有, 李海生, 朱恩强, 石晓龙, 吴璞, 邵泽辉, 冷煌, 刘小青
, doi: 10.11999/JEIT250352
摘要:
该研究报道了一种新型电子探针计算机(EPC60)在解决NP完全问题方面取得的重大突破。该系统采用混合串并行计算模型,通过7种探针算子实现大规模并行计算。在2000顶点图的三着色问题测试中,EPC60以100%准确率完胜主流算法Gurobi(仅6%),并将计算时间从15天缩短至54 s。该系统具有高度可扩展性,为供应链、金融、通信等领域的复杂优化问题提供了通用解决方案。
基于合作博弈和知识蒸馏的个性化联邦学习算法
孙艳华, 史亚会, 李萌, 杨睿哲, 司鹏搏
, doi: 10.11999/JEIT221203
摘要:
为克服联邦学习(FL)客户端数据和模型均需同构的局限性并且提高训练精度,该文提出一种基于合作博弈和知识蒸馏的个性化联邦学习(pFedCK)算法。在该算法中,每个客户端将在公共数据集上训练得到的局部软预测上传到中心服务器并根据余弦相似度从服务器下载最相近的k个软预测形成一个联盟,然后利用合作博弈中的夏普利值来衡量客户端之间多重协作的影响,量化所下载软预测对本地个性化学习效果的累计贡献值,以此确定联盟中每个客户端的最佳聚合系数,从而得到更优的聚合模型。最后采用知识蒸馏将聚合模型的知识迁移到本地模型,并在隐私数据集上进行本地训练。仿真结果表明,与其他算法相比,pFedCK算法可以将个性化精度提升约10%。
基于时不变点状波束优化的目标距离-角度联合估计
初伟, 刘云清, 刘文宇, 李晓龙
, doi: 10.11999/JEIT210265
摘要:
应用频控阵式多输入多输出(FDA-MIMO)雷达实现目标距离-角度联合估计越来越受到人们的重视,利用FDA同时获得发射波束图在角度和距离的自由度。但其性能因波束图的周期性和时变性而降低。因此,该文基于时间调制和距离补偿FDA-MIMO(TMRC-FDA-MIMO)雷达的新波形合成模型,提出了一种改进的基于旋转不变技术的信号参数估计(ESPRIT)算法。最后,通过距离和角度估计的克拉美罗下界和均方根误差,与固定频偏FDA-MIMO、对数频偏FDA-MIMO雷达系统和多信号分类(MUSIC)算法进行了对比,验证了所提方法的优异性能。
超融合云网环境专题
有源可重构智能表面辅助的共生安全通信系统鲁棒资源分配算法
马锐, 李亚南, 田团伟, 刘舒雅, 邓浩, 张锦龙
, doi: 10.11999/JEIT250811
摘要:
针对有源可重构智能表面(RIS)辅助共生安全通信的系统总功耗问题,该文提出一种基于惩罚的鲁棒资源分配算法。考虑不完美的串行干扰消除,在主系统安全性、次系统可靠性,以及有源RIS的相移与功率约束下,通过联合优化发射机波束赋形向量与有源RIS反射系数矩阵,建立了一个基于线性函数模型的鲁棒系统总功耗最小化资源分配问题。利用交替优化方法将上述变量与约束高度耦合的非凸问题解耦,通过变量替换、等价转换与基于惩罚的连续凸逼近将子问题转换成凸优化问题,最后利用CVX对子问题进行求解。仿真结果表明,所提算法具有良好的收敛性,且相比经典的无源RIS,系统总功耗降低89%。
天地一体化边缘计算网络服务迁移算法研究
冯伊凡, 吴畏虹, 孙罡, 王颖, 罗龙, 虞红芳
, doi: 10.11999/JEIT250835
摘要:
针对天地一体化边缘计算网络(STECN)的高动态性和复杂性,如何协同优化用户服务延迟与系统迁移成本成为服务迁移算法设计的关键问题。因此,该文提出一种多智能体服务迁移优化(MASMO)算法。首先,考虑到低轨卫星的有限覆盖时间、网络拓扑的动态变化和卫星节点资源等多重因素,对用户服务延迟和系统迁移成本进行建模。其次,将服务迁移优化问题进一步建模为多智能体马尔可夫决策过程(MAMDP)。随后,采用基于轨迹感知的状态信息增强方法,通过融合卫星轨道的可预测信息,引导智能体学习具备前瞻性与稳定性的迁移行为。最后,基于循环多智能体近端策略优化(rMAPPO)算法对服务迁移优化问题进行求解,以最大程度地降低用户服务延迟和系统长期迁移成本。仿真结果表明,所提算法具有良好的收敛性,能够有效协调服务延迟与迁移成本之间的矛盾,对用户服务延迟降低2.90%\begin{document}$ \sim $\end{document}14.63%的同时,有效降低了系统服务迁移成本11.39%\begin{document}$ \sim $\end{document}30.57%。
卫星导航
eLORAN系统的GRI组合设计研究
刘时尧, 张首刚, 华宇
, doi: 10.11999/JEIT201066
摘要:
针对增强型罗兰(eLORAN)系统增补发射台站建设中的组重复周期(GRI)选择问题,该文主要从数学的角度出发,提出一种基于交叉干扰率的筛选算法。该算法首先考虑了最小可用组重复周期以及秒信息量的要求,并在此基础上通过比较与临近的罗兰C台站间的相对交叉干扰率进行1次筛选;之后通过排列组合进行两两比较并2次筛选;最后,综合考虑数据率要求、系统规范、无交叉干扰等条件,得到最优组重复周期组合。随后,鉴于新型eLORAN系统的高精度授时要求,在GRI最优组合中进行了优选。分析结果表明,该方法得出的优选组合的平均交叉干扰率与现有导航台链相当,同时可兼顾授时需求,可以为高精度地基授时系统建设提供参考性建议和理论依据。