高级搜索

留言板

尊敬的读者、作者、审稿人, 关于本刊的投稿、审稿、编辑和出版的任何问题, 您可以本页添加留言。我们将尽快给您答复。谢谢您的支持!

姓名
邮箱
手机号码
标题
留言内容
验证码
优先发表栏目展示本刊经同行评议确定正式录用的文章,这些文章目前处在编校过程,尚未确定卷期及页码,但可以根据DOI进行引用。本栏目内容尚未正式出版,未经编辑部许可,不得转载。
显示方式:
面向动态队形优化的无人机编队辐射源定位方法研究
吴苏洁, 吴彬彬, 杨宁, 王桁, 郭道省, 顾川
当前状态:  doi: 10.11999/JEIT251023
[摘要](70) [HTML全文](44) [PDF 2644KB](2)
摘要:
在障碍物密集、结构复杂的城市场景中,无人机编队进行辐射源定位常受到信号衰减、多径效应和建筑物遮挡等因素的影响,导致现有方法定位精度不高。针对这一问题,该文提出了一种基于动态队形调整的无人机编队辐射源定位方法。该方法通过优化无人机编队的几何构型,有效降低路径损耗与干扰,从而提升定位性能。具体而言,系统利用接收信号强度实时评估信号质量,并在编队运动过程中根据环境变化自适应调整队形,以优化信号传播路径。同时,结合几何定位精度因子、均方根误差等指标,对编队结构进行动态优化,从而提高距离估计与定位解算的可靠性。实验结果表明,相比传统方法,该方法在复杂城市环境中能够更快收敛并显著提升定位精度,定位误差降低了80%以上。同时,所提方法能够有效适应动态环境变化,展现出较强的鲁棒性与实用价值。
基于非均匀四线性自相关函数的二次调频信号检测与参数估计
杨宇超, 方刚
当前状态:  doi: 10.11999/JEIT250723
[摘要](65) [HTML全文](30) [PDF 3407KB](3)
摘要:
该文提出一种新颖的集成式时频分析技术,即非均匀四线性自相关函数(NQAF),用于针对高斯白噪声背景下二次调频(QFM)信号的检测与参数估计。所提方法的核心思路在于利用非均匀采样技术构建高阶自相关函数实现信号在时间-延迟时间域的相参积累与检测,并利用de-chirp技术分步完成信号的参数估计。该方法扩展了自相关处理的框架,降低了核函数的非线性度。理论分析与数值模拟表明,与主流先进算法相比,该文所提方法对于采样样本的处理方法更为灵活,在性能方面拥有较低的计算复杂度与信噪比阈值。
完全可编程阀门阵列生物芯片下考虑单元复用中试剂种类差异的组件布局算法
许彦博, 朱予涵, 黄兴, 刘耿耿
当前状态:  doi: 10.11999/JEIT250731
[摘要](36) [HTML全文](20) [PDF 2018KB](2)
摘要:
作为新型流式微流控生物芯片,完全可编程阀门阵列(FPVA)生物芯片拥有出色的灵活性和可编程性,能够满足多种复杂的实验需求。而作为架构综合的重要阶段,FPVA组件布局会影响包括生物测定完成时间、流体运输路径总长度和交叉污染程度在内的多个性能指标。此外,单元复用是FPVA芯片灵活性和可编程性的重要表现。然而,现有的FPVA组件布局相关研究工作均没有考虑单元复用过程中试剂种类的差异对这些重要指标的影响。为此,该文聚焦于FPVA组件布局过程中单元复用的试剂种类差异问题,提出了基于深度强化学习的考虑单元复用中试剂种类差异的FPVA组件布局算法。首先,通过考虑试剂之间的差异和组件重叠对交叉污染的影响,设计了单元复用复杂度和含有相同试剂组件平均距离两个指标,分别用于量化组件布局方案中各个单元的单元复用复杂程度和含有相同试剂组件的聚集程度。其次,引入了包括组件布局区域限制约束和并发组件不重叠约束在内的约束条件,这些约束确保组件布局方案的合法性。最后,通过设计奖励函数最小化单元复用复杂度和减小含有相同种类试剂的组件间距离,从而达成最小化最终组件布局方案的交叉污染程度、流体运输路径总长度和生物测定完成时间的目标。通过仿真实验,对所提组件布局算法进行了评估。实验结果表明,所提算法能够得到高质量的考虑单元复用中试剂种类差异的FPVA组件布局方案,验证了所提算法的有效性。
时空约束下优选近邻指纹定位算法
王逸帆, 孙顺远, 秦宁宁
当前状态:  doi: 10.11999/JEIT250777
[摘要](40) [HTML全文](21) [PDF 3253KB](9)
摘要:
针对室内指纹定位中降维技术导致的信号与物理空间的几何关联弱化、信号时变引起的在线映射偏差、以及定位过程中伪近邻点干扰等问题,该文提出时空约束下优选近邻指纹定位算法。在离线降维建库阶段,引入空间关联约束,依据参考点间的物理距离调节低维特征空间结构,加强低维特征与物理坐标的耦合关系;同时设计时变一致约束,促使同一位置不同时刻的指纹在映射后的低维空间中保持聚集,以提升高维信号到低维特征的映射稳定性。在在线定位阶段,融合共享近邻相似度和欧式距离生成邻距相似度,据此构建近邻集,进而采用基于Z-score阈值的迭代优化策略,分析内部相似度分布并剔除伪近邻点,保障近邻质量和定位精度。实验结果表明,所提算法在实测数据集上平均定位误差较基准方法降低至少12.42%,在公开数据集上降低至少7.08%,且在相同误差范围内的累计概率更高。
整合血浆蛋白质组与全基因组关联研究鉴定呼吸系统疾病新型药物靶标
马昕茜, 倪文涛
当前状态:  doi: 10.11999/JEIT250796
[摘要](3) [HTML全文](1) [PDF 2979KB](0)
摘要:
呼吸系统疾病严重危害人类健康,其病因学机制解析与新型药物靶点发掘一直是医学研究的重点领域。该文采用蛋白质组孟德尔随机化(MR)与共定位分析,利用大规模蛋白质定量性状位点汇总数据,评估血浆蛋白与27种呼吸系统疾病表型的因果关联,并进行共定位分析以控制混杂因素及连锁不平衡的潜在偏倚。采用验证队列MR分析以及基于汇总数据的孟德尔随机化分析(SMR)验证因果关联,并通过双向MR及Steiger检验评估反向因果关联。结果显示MR分析共识别出600组血浆蛋白-疾病表型关联,其中29组关联共定位分析结果为阳性(PP4>0.8),26组关联SMR分析为阳性。该研究确定了NRX3A等5种蛋白与慢性阻塞性肺病、IL7R等3种蛋白与哮喘、FUT3_FUT5与特发性肺纤维化的显著关联,并发现CSF3与重症COVID-19,BTN2A1等与不同亚型肺癌的因果关联。综上,该研究揭示多种与呼吸系统疾病相关的血浆蛋白,为疾病机制研究及药物研发提供新方向。
改进的全轮HALFLOOP-48相关调柄攻击
孙晓萌, 张文英, 苑兆忠
当前状态:  doi: 10.11999/JEIT251014
[摘要](44) [HTML全文](18) [PDF 2698KB](2)
摘要:
HALFLOOP是一类基于调柄机制、结构类似AES的轻量级分组密码,用于保护第4代高频无线电系统中的自动链路消息。由于其行移位与列混合操作具有使差分快速扩散的特点,寻找具有实际可行性的长轮数、高概率的差分区分器,并实现对完整轮HALFLOOP-48的有效攻击仍是亟待解决的关键问题。为此,该文提出一个新的截断差分三明治区分器框架,并基于布尔可满足性(SAT)方法实现自动化搜索最优差分区分器。该框架将密码分为3个子密码层, \begin{document}$ {{E}}_{0} $\end{document}\begin{document}$ {{E}}_{1} $\end{document}使用字节级模型,\begin{document}$ {{E}}_{{m}} $\end{document}使用比特级模型。为突破大型S盒差分特征建模的瓶颈,该文提出基于仿射子空间的降维方法,将高维向量的差分特征分解为两个低维子向量,显著降低了SAT的约束规模。其次,为提高区分器概率,将\begin{document}$ {{E}}_{0} $\end{document}\begin{document}$ {{E}}_{1} $\end{document}的依赖关系系统地分为3层,逐一计算每层概率并相乘,得到了概率高达\begin{document}$ {2}^{-43.2} $\end{document}的8轮HALFLOOP-48截断差分三明治区分器,且给出了满足该差分路径的明文对实例。最终,利用该实际差分路径,对完整轮数的HALFLOOP-48算法发起密钥恢复攻击。与已有结果相比,该文结果在时间复杂度上减少了\begin{document}$ {2}^{25.4} $\end{document},在内存复杂度上减少了\begin{document}$ {2}^{10} $\end{document}。结果说明HALFLOOP算法无法抵抗相关调柄下的三明治攻击。
一种微型化SSVEP脑机接口系统
蔡雨, 王俊洋, 姜传力, 罗睿心, 吕正超, 于海情, 黄永志, 钟子平, 许敏鹏
当前状态:  doi: 10.11999/JEIT251223
[摘要](74) [HTML全文](31) [PDF 6154KB](4)
摘要:
脑机接口(BCI)正从实验室走向日常应用,其发展的核心瓶颈在于如何在不依赖笨重设备和同步线缆的前提下,实现高性能的脑电采集。现有无线系统难以在同步精度与系统微型化、无硬件束缚之间取得兼顾。为此,该文研制了一种采集端微型化且无需同步线缆的稳态视觉诱发电位(SSVEP)脑机接口系统。该系统采用分布式微型节点架构,将重量仅3.7 g、体积仅为3.05 cm3的微型采集节点隐蔽佩戴于头发间。在无需专用同步硬件、仅使用少量电极、且在非屏蔽普通室内环境下,搭建了40指令的在线SSVEP解码系统。结果显示,系统达到了(95.00±2.04)%的识别准确率与(147.24±30.52) bits/min的峰值信息传输速率。该研究为开发真正可穿戴的下一代脑机接口提供了可行的系统级解决方案。
梯度自适应调整驱动的三维目标识别对抗攻击方法
刘伟权, 沈晓影, 刘敦强, 孙宴文, 蔡国榕, 臧彧, 沈思淇, 王程
当前状态:  doi: 10.11999/JEIT251264
[摘要](57) [HTML全文](32) [PDF 5284KB](3)
摘要:
人工智能与光电感知技术的深度融合,有力推动了智能驾驶的发展。激光雷达作为核心光电传感器,能够获取高精度三维点云,已成为环境感知不可或缺的数据来源。然而,基于深度学习的点云识别模型在对抗样本面前表现脆弱,易受微小扰动影响而导致识别性能显著下降,对智能驾驶光电感知系统的安全构成了严峻挑战。现有攻击方法虽能实现一定攻击效果,但往往扰动明显、隐蔽性不足,且易产生离群点,难以在实际光电感知场景中有效应用。为此,该文提出一种基于梯度自适应调整驱动的点云对抗攻击方法(GAA)。该方法首先分析三维点云分类网络的决策脆弱性,筛选对模型输出影响显著的关键点集;进而结合各点的局部曲率信息自适应调整梯度权重,并在主曲率方向的几何约束下优化扰动生成,从而在保证较高攻击成功率的同时,有效维持对抗点云的几何一致性与视觉自然性。在多个公开数据集上的实验结果表明,该方法在实现高攻击成功率的同时,显著降低了扰动强度,以ModelNet40数据集为例,在PointNet模型上平均仅扰动28个点便可达到97.69%的攻击成功率,显著优于现有对比方法,为评估和提升智能驾驶光电感知系统的安全性提供了有效工具。
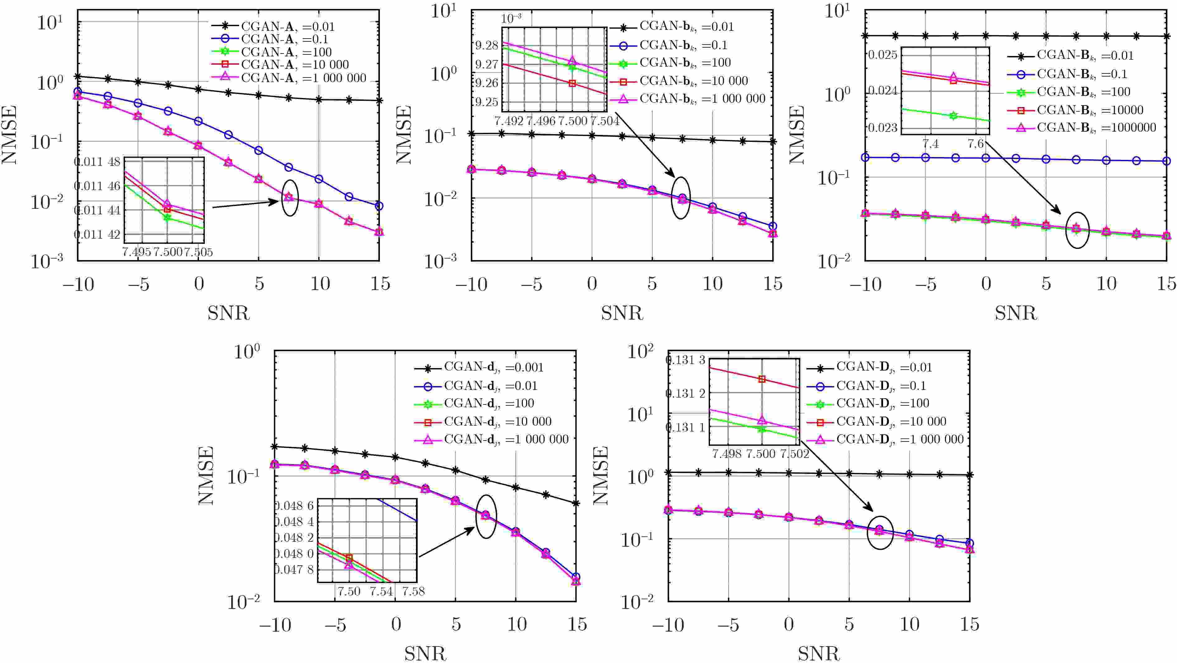
ISAC-RIS系统下基于条件生成对抗网络的信道估计研究
刘钰, 郑泽林, 刘罡
当前状态:  doi: 10.11999/JEIT251168
[摘要](10) [HTML全文](3) [PDF 6072KB](1)
摘要:
通感一体化(Integrated Sensing and Communication, ISAC)技术作为未来无线通信发展的关键趋势,旨在通过频谱资源的高效利用,实现通信与感知功能的融合与协同。当智能反射表面(Reconfigurable Intelligent Surfaces, RIS)被引入ISAC系统后,可重构无线传播环境,从而显著提升通信质量及感知精度。然而,准确的信道估计对于保障可靠运行是至关重要的。尽管传统的深度学习方法在一定程度上能够应对信道估计问题,但在面对多用户复杂信道环境时,其泛化能力和估计精度仍存在不足。针对上述问题,本文对于RIS辅助多用户ISAC系统提出了一种基于条件生成对抗网络(Conditional Generative Adversarial Network, CGAN)的两阶段信道估计方法。该方法通过调整RIS的开关状态,分阶段完成对直射信道与反射信道的估计,以提高信道估计的准确性和稳定性。通过生成网络与判别网络的对抗训练,不仅能够学习观测信号与真实信道之间的映射关系,还能根据判别网络的反馈来不断优化输出,从而有效提升训练效率与估计精度。仿真结果表明,与传统深度学习方法相比,所提基于CGAN的方案在信道估计性能上均表现出显著优势。该结果验证了CGAN方法在RIS辅助ISAC系统下信道估计的应用潜力,并为实现更精准和可靠的系统部署奠定了基础。
一类双阶扭曲广义里德-所罗门码及其扩展码
程鸿丽, 朱士信
当前状态:  doi: 10.11999/JEIT251045
[摘要](79) [HTML全文](36) [PDF 758KB](11)
摘要:
该文研究了有限域\begin{document}$ {\mathbb{F}}_{q} $\end{document}的一类双阶扭曲广义里德-所罗门(GRS)码\begin{document}$ {C}_{k,\boldsymbol{h},\boldsymbol{\eta }}(\boldsymbol{\alpha },\boldsymbol{v}) $\end{document}及其扩展码\begin{document}$ {C}_{k,\boldsymbol{h},\boldsymbol{\eta }}(\boldsymbol{\alpha },\boldsymbol{v},{\boldsymbol{\infty}}) $\end{document},不仅给出了这两类码的校验矩阵,还分别刻画了码\begin{document}$ {C}_{k,\boldsymbol{h},\boldsymbol{\eta }}(\boldsymbol{\alpha },\boldsymbol{v}) $\end{document}是极大距离可分(MDS)码或者是几乎极大距离可分(AMDS)码以及码\begin{document}$ {C}_{k,\boldsymbol{h},\boldsymbol{\eta }}(\boldsymbol{\alpha },\boldsymbol{v},{\boldsymbol{\infty}}) $\end{document}是MDS码的充要条件。基于舒尔方法,当\begin{document}$ k\geq 4 $\end{document}时,该文确定了这两类码的非GRS性质,还分别给出了码\begin{document}$ {C}_{k,\boldsymbol{h},\boldsymbol{\eta }}(\boldsymbol{\alpha },\boldsymbol{v}) $\end{document}为几乎自对偶码以及码\begin{document}$ {C}_{k,\boldsymbol{h},\boldsymbol{\eta }}(\boldsymbol{\alpha },\boldsymbol{v},{\boldsymbol{\infty}}) $\end{document}为自正交码的充要条件,并且构造了一类具有灵活参数的几乎自对偶双阶扭曲GRS码。
基于$ \mathbb{F}_{{q}^{2}}^{*} $的循环子群的极大距离可分码和近极大距离可分码的构造
杜小妮, 薛婧, 乔兴斌, 赵紫薇
当前状态:  doi: 10.11999/JEIT251204
[摘要](74) [HTML全文](30) [PDF 888KB](12)
摘要:
极大距离可分(MDS)码和近极大距离可分(NMDS)码因其具有良好的代数结构和纠错能力,在通信系统、数据存储和秘钥共享方案等领域有广泛的应用。该文利用偶特征有限域\begin{document}$ {\mathbb{F}}_{{{q}^{2}}} $\end{document}的乘法群\begin{document}$ \mathbb{F}_{{q}^{2}}^{*} $\end{document}的循环子群\begin{document}$ {U}_{q+1} $\end{document},构造了几类码长为\begin{document}$ q+3 $\end{document}的MDS码和NMDS码,并运用\begin{document}$ {U}_{q+1} $\end{document}的性质,确定了所构造码的参数和重量计数器,利用Magma 程序举例验证了结论的正确性,另外,计算了NMDS码的最小局部度,得到了几类最优的局部修复码。特别地,所构造的码均是关于Griesmer界的最优码。
等效跨导补偿的负载调制增强准理想Doherty射频功率放大器研究
华均, 许高明, 陈景豪, 陆思炀, 尤蕾渊, 吕言, 李刚, 史卫民, 刘太君
当前状态:  doi: 10.11999/JEIT250789
[摘要](112) [HTML全文](63) [PDF 5350KB](6)
摘要:
现代无线通信系统对射频功率放大器在高动态范围的性能提出了严苛要求。Doherty功率放大器(DPA)虽然通过主功放与辅功放的动态负载调制显著提升了回退功率下的工作效率,但其工作在C类偏置下的辅功放因导通特性不足,导致输出电流受限,从而引发负载调制偏差,进而制约其性能表现。该文针对辅功放电流输出能力受限的问题,提出了等效跨导补偿的概念,通过引入补偿支路,精准矫正了C类偏压下辅功放较弱的输出电流,从而实现准理想的动态有源负载调制过程。为了验证所提方法的有效性,该文使用商用GaN HEMT器件CG2H40010F在1.3\begin{document}$ \sim $\end{document}1.8 GHz频段内设计并加工了一款负载调制增强的高效率DPA,并给出了可参考的设计过程。实验结果表明:在饱和状态下,放大器输出功率达43.7\begin{document}$ \sim $\end{document}44.5 dBm,漏极效率(DE)超过69.1%;6 dB回退工作状态下,DE仍保持在62.9%\begin{document}$ \sim $\end{document}69.4%,增益为9.7\begin{document}$ \sim $\end{document}10.5 dB;9 dB回退下,DE高达49.5%\begin{document}$ \sim $\end{document}57%,增益为10.3\begin{document}$ \sim $\end{document}11.5 dB。所提等效跨导补偿理论通过补偿电流注入机制有效解决了传统DPA的负载调制瓶颈,为高效率的宽带DPA设计提供了新思路。
小波变换与注意力双路融合的虚拟现实晕动症脑电检测模型
陈玥池, 化成城, 戴志安, 付景琦, 朱敏, 汪秋宇, 严颖, 刘佳
当前状态:  doi: 10.11999/JEIT251233
[摘要](79) [HTML全文](31) [PDF 4643KB](10)
摘要:
虚拟现实晕动症(VRMS)指在虚拟现实(VR)环境中用户因前庭-视觉信息失调引发的严重眩晕,该症状阻碍沉浸式VR技术应用和推广。该文提出一种小波变换与注意力机制协同的双路融合模型(WTATNet),通过解耦VR运动刺激暴露后的休息态脑电(EEG)的时空特征,为VRMS的客观检测提供新方法。该模型分为两条支路,支路1对EEG时间维和导联维进行二维离散小波变换计算出小波系数,再将小波系数送入卷积层进行特征提取。支路2则是EEG经过一维卷积层滤波后,依次利用通道注意力模块和导联注意力模块强化通道维和导联维的关键特征。最后将两支路的特征融合并进行分类。该文使用VR游戏《超级滑翔翼2》诱发受试者的VRMS并记录他们在任务前后的休息态EEG评估WTATNet模型的性能,最终实现对受试者休息态下眩晕脑电与非眩晕脑电的分类。该模型对VRMS的识别准确率、F1-score、精确率和召回率(十折交叉验证的平均值)分别为98.39%, 98.39%, 98.38%和98.40%,优于目前的先进的EEG识别模型。结果表明所提方法可对VRMS进行检测,并用于进一步研究VRMS的产生因素和治理方法,对优化VR系统具有一定的指导意义。
深海不确定环境条件下远程水声通信性能分析与快速预报
陈香梅, 台玉朋, 王海斌, 胡承昊, 汪俊, 王迪雅
当前状态:  doi: 10.11999/JEIT251244
[摘要](56) [HTML全文](25) [PDF 5350KB](5)
摘要:
在复杂且动态变化的海洋环境中,通信性能起伏显著且难以预估,传统依赖反馈链路进行信道状态估计与参数调整的方法难以适用于深海远程水声通信。为此,该文提出一种基于深度学习声场不确定预估的水声通信性能分析与快速预报方法,在无反馈条件下实现通信参数与信道状态的高效匹配。该方法基于深度学习快速预测的传播损失概率分布,构建了从传播损失到信噪比,再到统计信道容量与中断容量的链式映射模型,实现环境不确定性与通信性能的量化映射。进一步结合典型深海单载波通信系统在特定信道条件下的链路性能与传播损失的统计特性,提出通信“速率-可靠性”预报方法,评估不同速率下的可靠通信概率,从而为复杂动态环境下的系统参数匹配提供依据。海上试验结果表明,所提方法在复杂信道环境下对通信“速率-可靠性”的预报与实测结果高度一致:会聚区与影区各速率点上的可靠概率偏差分别为0.9%~4%和1%~9%;以90%可靠通信概率为阈值时,预报的最大可靠速率与实测结果一致,验证了该方法在深海远程水声通信中的准确性和实用性。
面向通信与感知一体化系统的物理层密钥生成方法
刘柯欣, 黄开枝, 裴杏龙, 金梁, 陈亚军
当前状态:  doi: 10.11999/JEIT251034
[摘要](135) [HTML全文](53) [PDF 2090KB](32)
摘要:
针对通信与感知一体化(ISAC)系统中存在的信息泄露问题,该文提出一种面向ISAC的物理层密钥生成(PLKG)方法。首先,提出一种面向ISAC系统的PLKG协议,并推导了总密钥生成速率(SKGR) 和感知精度克拉美罗界(CRB)的闭式表达式。其次,在感知精度的约束下,建立了一个总密钥生成速率SKGR最大化问题。最后,提出一种基于双延迟深度确定性策略梯度(TD3)的联合通信与感知波束赋形算法,进一步提升系统安全性。仿真结果表明,所提方法相较于基准方法具有更好的有效性和优越性。
封面
2025 年 12 期封面
2026, 48(1).  
[摘要](76) [PDF 1720KB](8)
摘要:
2025 年 12 期目次
2025, 47(12): 1-6.  
[摘要](59) [HTML全文](38) [PDF 312KB](8)
摘要:
"第三届智天论坛-卫星信息智能处理与应用技术"专题
融合双分支优化SAM与全局-局部协同匹配的单样本目标检测方法
樊盛华, 尹航, 刘俭, 瞿涛
2025, 47(12): 4665-4676.   doi: 10.11999/JEIT250982
[摘要](171) [HTML全文](63) [PDF 8844KB](22)
摘要:
单样本目标检测(OSOD)可有效缓解传统目标检测对大规模标注数据的依赖,但现有方法存在新类别特征表达不足、类间相似性高导致判别边界模糊等问题。为此,该文提出基于双分支优化SAM与全局-局部协同匹配的单样本目标检测算法DOS-GLNet。首先,设计基于SAM的双分支微调特征提取网络:全局微调分支通过在SAM的编码器中插入轻量级适配模块,在保留通用视觉表征能力的同时适配检测任务;局部感知分支通过卷积网络提取局部空间节并与全局特征跨层融合,弥补SAM局部信息缺失;结合多尺度特征生成模块,将SAM单尺度特征扩展为多尺度特征金字塔,适配不同尺寸目标检测需求。其次,构建全局-局部协同的两阶段匹配机制:全局匹配模块(GMM)通过余弦相似度度量查询与目标特征的全局相关性,引导区域提议网络生成高质量候选区域;双向局部匹配模块(BLMM)通过稠密4D相关性张量捕捉查询与目标的双向语义关系,实现细粒度特征对齐。在Pascal VOC与MS COCO数据集上的实验表明,DOS-GLNet相较于主流OSOD算法在检测精度上具有显著优势,消融实验验证了各创新模块对检测性能的有效增益,可降低深度学习目标检测网络对海量标注数据的依赖。
分布式多卫星协同遥感图像场景分类方法
金晶, 王峰
2025, 47(12): 4677-4688.   doi: 10.11999/JEIT250866
[摘要](203) [HTML全文](107) [PDF 2969KB](19)
摘要:
随着空天信息技术的快速发展,卫星遥感平台对海量数据的高效处理与智能解译的需求日益增强。传统集中式遥感场景分类方法需将数据回传至地面中心进行集中处理与训练,受限于通信带宽、传输延迟及链路稳定性,难以满足“空天信息时代”高时效性与低通信负载的需求。针对这一问题,该文提出一种基于联邦学习的分布式多卫星协同遥感场景分类方法,在保留各卫星本地遥感数据的前提下,由各卫星独立完成本地模型训练,仅上传更新后的模型参数至中心节点进行全局聚合,并将优化后的全局模型参数下发至各卫星继续迭代,实现跨卫星的联合建模与协同推理。同时,结合星间直连通信机制开展参数共识,再由中心节点选取代表节点参与全局聚合,从而减少星地链路的传输负载,有效降低通信开销并提升系统可扩展性。在NWPU-RESISC45与UC-Merced数据集上的实验结果表明,该方法在分类准确率、通信效率和模型鲁棒性方面均优于现有主流算法,验证了其在多卫星协同遥感场景分类中的有效性与应用潜力。
基于参数高效ViT与多模态导引的遥感图像小样本分类方法
文泓力, 胡庆浩, 黄立威, 王培松, 程健
2025, 47(12): 4689-4703.   doi: 10.11999/JEIT250996
[摘要](86) [HTML全文](30) [PDF 5751KB](15)
摘要:
针对传统少样本遥感图像分类方法在特征提取能力、模型泛化性及计算资源消耗等方面存在的不足,该文提出一种基于参数高效微调预训练视觉变换器(ViT)与多模态交叉度量的少样本遥感图像分类方法(EFS-ViT-MM)。该方法首先构建一个低秩高效视觉特征提取器(ELR-ViT),采用前沿预训练Transformers作为骨干网络,并引入低秩参数高效微调策略,以利用其强大的视觉特征提取能力,在大幅降低训练参数量的同时有效抑制了过拟合且提升了其泛化性。其次,为了引入更丰富的语义信息以指导分类,该方法利用多模态大语言模型为支持集样本生成描述性文本,并通过先进的文本嵌入模型将其转换为语义向量,进而通过特征级线性调制(FiLM)将语义向量融入视觉特征中,实现对视觉表征的动态调整。最后,该文设计了一种新颖的交叉注意力度量模块,以替代传统的人工设计距离函数。该模块能够自适应地学习查询图像与多模态增强后的支持集样本之间的相关性,实现更精准的相似度匹配。在NWPU-RESISC45, WHU-RS19, UC-Merced和AID等多个公开遥感数据集上的实验结果表明,相较于基线模型,所提方法在5 way-1shot和5 way-5shot任务上的分类准确率分别提升了4.7%和7.0%,同时可训练参数量显著减少。研究表明,该方法有效融合了预训练大模型的强大能力与参数高效微调技术,并通过多模态信息与交叉注意力机制显著提升了少样本分类性能,为解决遥感领域数据稀缺场景下的图像分类问题提供了一个高效、泛化的新范式。
UMM-Det:面向异构多模态遥感影像的一体化目标检测框架
邹旻瑞, 李宇轩, 戴一冕, 李翔, 程明明
2025, 47(12): 4704-4713.   doi: 10.11999/JEIT250933
[摘要](120) [HTML全文](63) [PDF 1983KB](13)
摘要:
当前天基遥感目标检测任务面临着如何构建一个统一模型以有效处理合成孔径雷达(SAR)、可见光、红外等多模态异构数据的挑战。针对此,该文提出一种异构多模态遥感影像一体化目标检测框架UMM-Det,致力于通过单一架构实现对多源数据的高性能目标检测。该框架采用单一共享架构,旨在实现对多源遥感数据的高效、统一检测。UMM-Det在基线模型SM3Det的基础上进行3点关键改进:首先,以具备动态采样与大感受野建模能力的InternImage替换原有ConvNeXt主干,旨在提升对多尺度、低对比度目标的特征提取精度;其次,针对红外分支设计了基于时序信息的时空视觉提示模块,通过精细化的帧差增强策略生成高对比度的运动特征,以此作为先验知识辅助网络区分动态弱小目标;最后,针对红外序列中普遍存在的弱小目标正负样本极度不均衡问题,引入概率性锚框分配策略(PAA)优化检测头,显著提升了目标采样的精确性与检测性能。在SARDet-50K、DOTA与SatVideoIRSTD 3个公开数据集上的实验表明,UMM-Det在SAR与可见光检测任务中mAP@0.5:0.95分别提升2.40%和1.77%,并且在红外序列弱小目标检测任务中较基线模型SM3Det检测率提升了2.54%。同时,该模型在保证精度提升的前提下将参数量减少50%以上,展现出精度、效率与轻量化的综合优势,为新一代高性能天基遥感态统一检测框架的构建提供了有效路径。
原型对齐与拓扑一致性约束下的多模态半监督遥感图像语义分割
韩汶杞, 蒋雯, 耿杰, 鲍衍琛
2025, 47(12): 4714-4727.   doi: 10.11999/JEIT251115
[摘要](122) [HTML全文](62) [PDF 7086KB](13)
摘要:
在遥感图像语义分割任务中,模态异构性与标注成本高昂是制约模型性能提升的主要瓶颈。针对多模态遥感数据中标注样本有限的问题,该文提出一种原型对齐与拓扑一致性约束下的多模态半监督遥感图像语义分割方法。该方法以未标注的SAR图像为辅助信息,构建教师-学生框架,引入多模态类别原型对齐机制与拓扑一致性伪监督策略,以提升融合特征的判别性与结构稳定性。首先,构建光学与SAR模态的共享语义原型,并通过对比损失实现跨模态语义一致性学习;其次,设计基于持久同调理论的拓扑损失,从结构层面优化伪标签质量,有效缓解伪监督过程中的拓扑破坏问题。在公开数据集WHU-OPT-SAR数据集以及自建数据集Suzhou数据集两个多模态遥感数据集上的实验结果表明,该方法在标注不足条件下仍具备优异的分割性能与良好的泛化能力。
基于增强超分辨率的异源遥感影像双路径短期密集连接度量变化检测
李希, 曾怀恩, 韦朋成
2025, 47(12): 4728-4741.   doi: 10.11999/JEIT250328
[摘要](101) [HTML全文](59) [PDF 8660KB](12)
摘要:
光学异源高分辨率遥感影像变化检测中存在着空间分辨率差异、光谱差异以及变化类型复杂多样的问题,使得准确高效的检测异源高分辨率遥感影像中的变化更加困难。针对上述问题,该文提出一种基于增强超分辨率的异源遥感影像双路径短期密集连接度量变化检测网络(ESR-DSMNet),探讨光学异源高分辨率遥感影像高精度和高效率变化检测新路径。提出一种基于增强超分辨率的异源遥感影像质量优化网络(ESRNet),增强边缘信息和细节信息的同时,在影像级解决异源遥感影像空间分辨率差异;提出一种双路径短期密集连接度量变化检测网络(DSMNet),从特征级解决异源遥感影像的光谱差异,并实现高精度和高效率变化检测;在4组同源和异源遥感影像数据集进行对比分析表明,提出的方法领先于其他12种主流的变化检测方法,F1分别为79.69%, 71.01%, 95.87%和90.55%,所提的方法具有更高的精度和效率,泛化性能最好,在检测大面积地物和微小地物时,检测结果内部更具一致性、边缘更加精细。
基于异构平台的遥感数据智能解译任务调度算法
郝利江, 田路云, 孙鹏, 陈剑, 刘鹏英, 贺广均, 娄淑琴
2025, 47(12): 4742-4753.   doi: 10.11999/JEIT251072
[摘要](159) [HTML全文](66) [PDF 5639KB](19)
摘要:
基于异构平台的遥感数据智能解译任务存在任务多样、资源差异、环境动态变化等问题,多任务并发引发资源竞争,导致负载失衡、资源利用率下降,制约解译效率。如何实现复杂多任务在异构资源下的自适应高效调度,是当前的核心难题。该文提出异构遥感数据智能解译任务调度算法(HRS-ITS),通过双层优化提升效率与均衡性,一方面改进CP-SAT优化器,引入数据亲和性、负载均衡、完工时间以及跨设备传输4类评分因子,生成任务资源卸载的初始调度方案,解决任务阻塞问题;另一方面建立融合自适应资源扩展机制的D3QN深度强化学习模型,优化任务排序并动态调整资源配置,解决资源空闲问题。不同任务数量的仿真实验表明,与轮询、随机映射、贪心及DDQN调度算法相比,HRS-ITS任务完工时间分别缩短42.2%, 29.3%, 25.7% 和11.0%,负载均衡值平均降低34.1%, 39.2%, 31.9%和30.6%,显著提升解译效率与资源均衡性。
顾及灰度-梯度双通道特征与形变参数优化的陆标匹配方法
徐昌定, 刘世杰, 肖长江
2025, 47(12): 4754-4762.   doi: 10.11999/JEIT250953
[摘要](107) [HTML全文](54) [PDF 5716KB](5)
摘要:
面向深空探测任务对光学自主导航定位的迫切需求,该文提出一种融合影像灰度与梯度幅值双通道特征,并结合形变参数优化的陆标匹配算法。该方法将匹配问题转换为非线性函数求解问题,以陆标与着陆器影像在灰度与梯度特征上的差异最小化为目标,构建非线性函数,并采用Levenberg-Marquardt算法迭代求解最优形变参数,从而获得陆标在着陆影像上精确的匹配位置。实验结果表明,即便在存在多种先验误差的情况下,该方法仍能以亚秒级的速度实现鲁棒匹配,平均匹配误差模长为1.03像素。研究结果充分验证了该算法在高精度与高实时性陆标匹配任务中的有效性,可为无卫星导航条件下的月球着陆定位提供可靠的技术支撑。
DetDiffRS: 面向细节优化的遥感图像超分辨率扩散模型
宋淼, 陈志强, 王培松, 邢相薇, 黄立威, 程健
2025, 47(12): 4763-4778.   doi: 10.11999/JEIT250995
[摘要](172) [HTML全文](96) [PDF 7968KB](34)
摘要:
遥感图像超分辨率技术对精确解析地物、支持城市规划与环境监测等下游应用具有至关重要的价值。近期基于扩散模型的方法在自然图像超分辨率任务中展现了卓越的性能,其强大的生成能力使其能够恢复精细的纹理。然而,当直接应用于遥感领域时,模型会面临由遥感影像特有的数据高低频信息分布不均衡所带来的挑战。影像中大面积、纹理单一的低频区域在训练中占据主导地位,导致模型对承载着关键信息的稀疏高频细节学习不足,最终的重建结果往往呈现全局平滑、细节模糊的特征。 因此,为解决这一问题,该文提出一种能够显著增强高频细节重建能力的遥感图像超分辨率扩散模型(DetDiffRS)。首先在数据输入端提出多尺度图块采样策略以应对低频区域在训练过程中占主导问题,该策略通过对多尺度图块进行加权采样,提升了富含高频信息图块的采样频率,从而引导模型更充分地学习这些关键细节。其次在优化端设计了一种复合感知损失函数,该损失函数在深度特征空间中约束高维感知损失,并且在傅里叶频域中对高频分量进行高频感知损失。这一设计从空间域和频率域两个维度增强了模型对高频细节的精确恢复能力。大量的实验结果表明,在AID, DOTA和DIOR等多个公开数据集上,DetDiffRS在客观量化指标(Fréchet Inception距离(FID)、峰值信噪比(PSNR)、结构相似性指数(SSIM))与视觉真实感方面均超越了现有的先进方法,尤其在细节恢复的清晰度上优势显著。
可微稀疏掩模引导的红外小目标快速检测网络
盛卫东, 吴双林, 肖超, 龙云利, 李晓斌, 张一鸣
2025, 47(12): 4779-4789.   doi: 10.11999/JEIT250989
[摘要](235) [HTML全文](114) [PDF 3520KB](32)
摘要:
红外小目标检测在遥感探测、红外制导和环境监测等领域具有不可替代的应用价值,其核心挑战在于目标像素占比极小(目标尺寸通常小于9×9)、空间特征稀疏且易被复杂背景杂波淹没。现有红外小目标方法或依赖手工设计的背景抑制算子,难以适应复杂场景;或采用密集卷积神经网络,未充分考虑目标背景占比极不均衡导致的计算冗余。基于目标稀疏先验,该文提出一种可微稀疏掩模引导的红外小目标快速检测网络。首先,设计可微稀疏掩模生成模块作为预处理,输出目标候选区域的二值掩码,实现对目标的粗检测,并过滤大量背景冗余信息;其次,基于Minkowski Engine稀疏卷积构建稀疏特征提取模块,仅对二值掩码中的非零目标区域进行稀疏卷积运算,实现对目标候选区域的精细化处理;最后,通过金字塔池化模块进行多尺度特征融合,并将融合后的特征送入目标-背景二分类器输出最终检测结果。为验证方法有效性,在NUDT-SIRST与NUAA-SIRST两大主流红外小目标数据集上进行实验,实验结果表明,所提方法实现了在检测性能相当的情况下,实现了检测效率的极大改善,验证了所提方法的有效性。
聚焦注意力与紧致特征融合Transformer的城市遥感影像语义分割
周国宇, 张菁, 闫伊, 卓力
2025, 47(12): 4790-4800.   doi: 10.11999/JEIT250812
[摘要](192) [HTML全文](68) [PDF 4770KB](27)
摘要:
在空天信息智能处理深度融合遥感数据获取与智能解译技术的推动下,城市遥感影像(URSI)语义分割逐渐发展成为连接空天信息与城市计算的关键研究方向。然而,与通用遥感影像相比,URSI中地物目标具有高度多样性和复杂性,表现为同类地物内部细节有差异、不同类地物之间特征相似易混淆,同时地物边界往往模糊且形态不规则,这些因素共同构成了其精细化分割面临的挑战。尽管基于Transformer的遥感影像语义分割方法取得了显著进展,但将其用于URSI时,不仅要考虑其对细节和边缘的提取能力,还需应对自注意力机制带来的计算复杂度等问题。为此,该文在编码器端引入聚焦注意力,以高效捕捉类内和类间关键特征;同时在解码器端对边缘特征进行紧致融合。针对URSI的独特特性,该文提出一种聚焦注意力与紧致特征融合Transformer语义分割模型(F3Former)。首先,在编码器端引入特征聚焦编码块(FFEB),通过建模Query-Key特征对的方向性,在保持较低线性复杂度的同时提升类内特征聚合与类间判别能力;在解码器端设计紧致特征融合模块(CFFM),结合深度卷积降低跨通道冗余计算,增强URSI边缘区域的细粒度分割表现。实验结果表明,该文提出的F3Former在Potsdam, Vaihingen和LoveDA数据集上的mIoU分别为88.33%, 81.32%和53.16%,计算成本减少到35.42 M Params, 48.02 GFLOPs和0.09 s测试时间,相较基线计算成本下降了28.91 M Params和194.86 GFLOPs,显著平衡了URSI语义分割的精度和速度。
知识引导的小样本地表异常检测
冀虹, 高智, 陈泊安, 敖伟, 曹民, 王桥
2025, 47(12): 4801-4812.   doi: 10.11999/JEIT251000
[摘要](136) [HTML全文](62) [PDF 5747KB](31)
摘要:
地表异常(ESA)是指地球表面因自然或人为因素引发的突发性灾害事件,具有强破坏性和广泛影响,及时准确地发现各类地表异常事件对社会安全与可持续发展具有重要意义。遥感技术是地表异常检测的重要手段,但受限于标注数据匮乏、地表异常遥感影像背景复杂,以及多源遥感影像分布差异等因素,基于深度学习的异常检测模型性能有限。因此,该文提出一种知识引导的小样本学习方法,在异常遥感影像样本稀缺时引入语言知识提升分类性能。该方法利用大语言模型为不同遥感影像类别生成抽象化的文本描述,从语言模态角度刻画常规地物与异常地物的特征及其空间语义关系。然后通过文本编码器将文本描述映射到语言特征空间,并设计跨模态语义知识生成模块,自动学习并融合语言与视觉模态的语义表征。同时建立自注意力机制建模上下文关系,将提取的语义上下文信息与视觉原型特征融合,形成跨模态联合表征。该方法有效增强了小样本任务中原型特征的判别性,提高了目标域异常样本与多模态原型特征的匹配准确度。实验表明,该方法能够充分利用语言知识,弥补视觉信息的不足,提升小样本学习模型对地表异常遥感影像的表征能力,在跨域和域内小样本分类任务上均表现出一定优势。
频域感知与空间信息约束的SAR图像舰船目标实例分割方法
张博雅, 王勇
2025, 47(12): 4813-4823.   doi: 10.11999/JEIT250938
[摘要](67) [HTML全文](46) [PDF 6264KB](11)
摘要:
针对合成孔径雷达(SAR)图像中舰船实例分割面临的目标尺度变化大、分布不均匀以及背景环境复杂等难题,该文设计了一种频域感知与空间信息约束网络,通过充分挖掘和融合深度网络中SAR图像不同尺度特征信息,增强目标特征表达能力,进而提高SAR图像舰船目标实例分割精度。首先,在主干网络中构建频域感知网络单元,将特征图在频域编码为特征向量,以获取目标频域特征信息,提高网络对舰船目标与背景特征的判别能力;其次,构建选择性特征聚合网络,通过将高层语义信息聚合到低层特征中,引导网络选择性关注图像重要特征,实现不同尺度特征图的有效聚合;最后,提出一种空间信息约束的掩模损失函数,通过预测掩模与目标间的质心位置和方向偏差,引导模型参数更新,进一步提高舰船目标实例分割精度。实测数据集上的实验结果表明,所提方法对复杂背景中的舰船目标具有较好的实例分割性能和泛化能力。
模型驱动的天基支援一体化仿真技术研究
任育利, 游令非, 常创业, 郭志奇
2025, 47(12): 4824-4837.   doi: 10.11999/JEIT251004
[摘要](103) [HTML全文](57) [PDF 5435KB](9)
摘要:
该文聚焦于基于模型的系统工程(MBSE)应用于天基支援一体化仿真,旨在解决复杂运行体系下信息描述、系统互操作与集成仿真的关键难题。针对传统仿真方法在功能逻辑-时空信息的跨平台协同、动态扩展和高效集成方面的不足,该文提出一种基于离散事件系统规范(DEVS)的多视角建模仿真方法,并构建了“1个平台+N个组件适配器”的分布式混合仿真集成框架。该框架通过基本对象管理、异构软件适配器、时间管理控制和发布订阅四大核心模块,实现了对系统模型的抽象化互联、仿真资源的即插即用、全局时序的精确同步以及高性能实时通信,有效支撑了异构仿真软件的互操作与可重用。在此基础上,进一步设计了联合仿真系统,整合体系架构开发与验证软件与运行可视化与推演的时空仿真软件,利用消息中间件实现状态机与时空模型之间的双向同步交互,完成了从运行概念到数字推演的闭环验证。以“海上天基支援拒止”为典型场景,开展了运行概念设计、资源分析与联合仿真,验证了体系功能逻辑的合理性与可信性。该研究成果为复杂联合运行体系的数字化设计、推演优化与方案改进提供了有效的技术路径与环境支撑。
残差子空间原型学习约束的SAR目标类增量识别
徐延杰, 孙浩, 林秦杰, 计科峰, 匡纲要
2025, 47(12): 4838-4850.   doi: 10.11999/JEIT251007
[摘要](168) [HTML全文](82) [PDF 4091KB](10)
摘要:
合成孔径雷达(SAR)目标识别系统在开放环境中的部署常面临新类别持续涌现的挑战。该文提出一种残差子空间原型学习约束的SAR目标类增量识别方法,通过构建轻量级任务专属的适配器扩展特征子空间,有效学习新类并缓解灾难性遗忘。首先利用自监督学习预训练骨干网络,提取SAR数据的通用特征表示。在增量学习阶段,冻结主干网络,训练残差适配器学习新旧类的差异化特征,使模型聚焦于判别性特征的变化,缓解灾难性遗忘。针对特征空间扩展导致的旧类原型失效问题,提出结构化约束的原型补全机制,在无回放条件下合成旧类在新子空间的原型表示。推理时,根据目标与集成子空间原型的相似度进行预测。在MSTAR, SAMPLE和SAR-ACD数据集上的实验验证了该方法的有效性。
一种形态学引导的解耦式SAR舰船有向检测框架
汪泽宇, 王青松
2025, 47(12): 4851-4861.   doi: 10.11999/JEIT250979
[摘要](108) [HTML全文](53) [PDF 4314KB](9)
摘要:
合成孔径雷达(SAR)以其全天时、全天候的观测能力,在遥感检测中得到了广泛应用。然而,受限于标注精度,目前主流的SAR目标检测方法多依赖水平框标注,难以实现精确的目标角度和尺度估计。同时,尽管弱监督学习在光学图像中的角度预测取得了进展,但其忽视了SAR特有的成像几何,难以有效泛化。为解决上述挑战,该文提出一种融合SAR成像机理的有向舰船检测新框架,核心思想在于将检测任务解耦为定位与方向估计两个独立的子模块。其中,定位模块可以直接利用任意现有的、在水平框标注上训练的检测器;而方向估计模块则在一个专门构建的形态学合成二值数据集上进行全监督训练。该框架的优势在于无需修改原有检测器结构和重新训练的前提下,即插即用地赋予模型高精度的有向框预测能力。实验验证了所提方法在多个数据集上相较于现有仅依赖水平框监督的方法表现出更优的性能,部分场景中甚至超越全监督方法,体现出强大的有效性与工程应用价值。
基于高维特征随机森林的雷达扫描方式自主识别方法
吴康徽, 郭子薰, 范一飞, 谢坚, 陶明亮
2025, 47(12): 4862-4873.   doi: 10.11999/JEIT250985
[摘要](89) [HTML全文](46) [PDF 4078KB](10)
摘要:
在非协作电子侦察条件(被动截获、无先验/不同步、参数随任务时变且电磁环境拥挤)下,快速、稳健地区分雷达扫描方式是实现威胁评估、资源调度与对抗策略生成的重要环节。因此,面向非协作场景下的雷达扫描方式识别,该文围绕机械扫描(机扫)与相控阵电子扫描(相扫)的物理差异,提出一套时-频-图多域特征体系。时域方面,建立变异系数、总变差、高斯拟合度和主瓣相对宽度,用于度量平滑/跳变和形态规整度;频域方面,采用谱平坦度刻画能量集中与分散;图结构方面,将幅度序列映射为水平可见性图,并计算全局聚类系数与归一化度熵,以捕获由序列形状诱发的全局拓扑模式。结合所提出的7个有效差异性特征,形成7维特征向量,随后结合随机森林算法,完成扫描方式识别。基于包含机扫与相扫、覆盖多信噪比条件、含到达时间抖动的对照数据,实验结果表明,所提方法实现了97.59%的识别准确率,并在低信噪比条件下仍具稳健分辨力,充分验证了方案可行性。
多尺度分数信息势场与动态梯度引导能量建模的SAR与多光谱图像融合
宋加文, 王青松
2025, 47(12): 4874-4886.   doi: 10.11999/JEIT250976
[摘要](109) [HTML全文](70) [PDF 24023KB](5)
摘要:
合成孔径雷达(SAR)与多光谱图像融合在遥感应用中具有重要意义。然而,现有方法常因斑点噪声、强散射以及模态差异而引起结构失真和光谱畸变。为解决这些问题,该文提出一种结合多尺度分数信息势场与动态梯度引导能量建模的鲁棒融合方法。首先,设计了一种多尺度分数信息势场显著性检测方法,融合局部熵驱动的自适应尺度机制、傅里叶域分数阶建模与梯度增强策略,实现细节层显著结构的稳定提取。其次,针对模态间噪声差异及结构响应不一致的问题,提出局部方差感知的动态正则化项,并基于贝叶斯最小均方误差准则构建了细节融合模型,以提升结构一致性及抗噪性能。进一步,提出梯度引导的多分辨率结构能量建模方法,用于基础层特征提取,从而增强几何结构的保持能力。最后,设计了基于信息熵与均方根误差的联合驱动机制,实现SAR散射信息的自适应贡献平衡,确保融合图像的光谱协调性与视觉一致性。实验结果表明,所提方法在WHU, YYX和HQ数据集上的整体性能超过7种主流方法,评价指标相较次优方法平均提升29.11%,并在结构保持、光谱保真和噪声抑制方面表现出显著优势。
面向雷达信号分选的卷积混合多注意力编解码网络
常怀昭, 顾颖彦, 韩蕴智, 晋本周
2025, 47(12): 4887-4895.   doi: 10.11999/JEIT251031
[摘要](150) [HTML全文](63) [PDF 1679KB](21)
摘要:
雷达信号分选是电磁环境感知领域中的关键技术之一。随着雷达辐射源调制样式、工作模式和协同方式日益复杂,对雷达辐射源的侦收过程中,虚假脉冲、脉冲丢失和参数测量误差等问题日益突出,常规信号分选方法性能严重下降。针对上述问题,该文提出一种卷积混合多注意力的编解码网络,其中编码器与解码器均基于双分支扩张瓶颈模块构建,通过并行膨胀卷积路径捕获多尺度时序模式,逐步扩大感受野以融合上下文信息;在编解码器间嵌入局部注意力模块,用于建模脉冲序列的时序依赖关系并增强全局表征能力;同时在跳跃连接中引入特征选择模块,自适应地筛选多阶段特征图中的关键信息,最终通过分类器实现逐脉冲的雷达信号分类,进而实现分选。仿真实验表明,与主流基线方法相比,在脉冲丢失和虚假脉冲概率高且存在脉冲到达时间估计误差等复杂条件下,所提出方法具有更好的信号分选性能。
面向小样本的空间目标ISAR序列运动建模与模糊姿态分类方法
叶炬航, 段佳, 张磊
2025, 47(12): 4896-4904.   doi: 10.11999/JEIT250689
[摘要](163) [HTML全文](74) [PDF 2993KB](22)
摘要:
空间目标姿态分类是空间态势感知中的关键环节,针对现有方法存在计算复杂度高、训练数据依赖性强、分类粒度粗糙,以及时序运动建模和小样本分类能力不足等问题,该文提出一种面向小样本、融合运动建模与模糊理论的姿态模糊分类方法。所提方法依托地基逆合成孔径雷达成像与图像解译技术,构建融合地平坐标系、UNW轨道坐标系和机体坐标系的映射模型,从姿态与特征间映射关系出发,结合傅里叶级数深入目标时序运动建模,利用特征设计细化分类粒度,并引入模糊理论实现小样本下线性阶计算复杂度姿态模糊分类。仿真实验验证了该方法在小样本场景下,不同成像角度与异常干扰下的稳健性。横向对比结果表明,所提方法无须训练,且在实时性和小样本处理能力等方面实现性能提升。
子阵频率分集阵列MIMO雷达距离模糊杂波与主瓣欺骗式干扰联合抑制方法
张梦迪, 鲁珈豪, 许京伟, 李世银, 王宁, 刘志鑫
2025, 47(12): 4905-4916.   doi: 10.11999/JEIT251116
[摘要](118) [HTML全文](60) [PDF 3923KB](15)
摘要:
距离模糊杂波与主瓣欺骗式干扰严重制约了雷达空时自适应处理(STAP)的性能。针对此问题,该文提出一种基于子阵频率分集阵列多输入多输出(FDA-MIMO)雷达的杂波与干扰联合抑制方法。具体而言,通过在发射子阵内和子阵间分别引入小频率增量和大频率增量,子阵FDA-MIMO雷达具备了子阵内与子阵间两级距离自由度(DOFs)。通过距离依赖补偿,可在发射空间频域实现真实目标与距离模糊杂波、跨脉冲转发式干扰以及脉内快速转发式干扰的有效分离。随后,在子阵内发射维设计预STAP滤波器,以抑制距离模糊杂波与跨脉冲转发式干扰。最后,采用基于子空间投影的三维(3-D)STAP方法同时抑制本地杂波与脉内快速转发式干扰。仿真实验验证了所提联合抑制方法的有效性。
面向欺骗抑制的GNSS信号单通道高精度稀疏DOA估计
康伟泉, 鲁祖坤, 李柏渝, 宋捷, 肖伟
2025, 47(12): 4917-4925.   doi: 10.11999/JEIT250725
[摘要](139) [HTML全文](58) [PDF 2744KB](16)
摘要:
针对全球导航卫星系统(GNSS)面临的欺骗攻击威胁,传统多天线阵列欺骗检测方法存在硬件复杂度高、低信噪比下估计精度不足等问题,该文提出了一种面向欺骗抑制的单通道高精度稀疏波达方向(DOA)估计方法,旨在降低欺骗检测的硬件成本并提升极低信噪比条件下的估计性能。首先,基于参考阵元跟踪环路参数重构数字中频信号,利用不同伪随机噪声码信号间的正交性,通过重构信号与原始阵列信号的相关处理显著提升解扩前信噪比,提取“纯净”导向矢量;其次,结合GNSS空域稀疏特性构建过完备字典,将DOA估计转化为导向矢量的稀疏重构;最后,采用交替方向乘子法求解优化模型,以实现高精度二维DOA估计。仿真表明该文方法在极低信噪比下较Unitary ESPRIT和Cyclic MUSIC算法的估计精度和分辨力提高明显,基于该文方法DOA估计的结果,LCMV波束形成器能够有效抑制欺骗信号。相较于信号载波相位检测的方法,该方法仅需处理单个阵元通道的信号,显著降低硬件复杂度,为空域欺骗检测与抑制提供了高效解决方案。
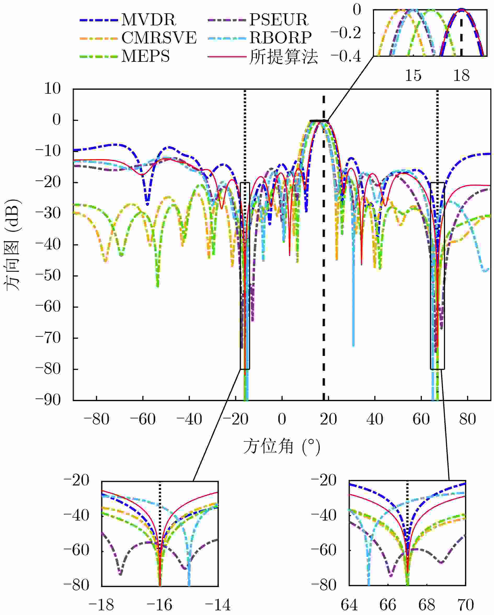
基于主特征向量提取与正交投影的稳健自适应波束成形算法
刘毅远, 张晓凯, 徐煜华, 郑学强, 杨炜伟
2025, 47(12): 4926-4936.   doi: 10.11999/JEIT251282
[摘要](76) [HTML全文](44) [PDF 2950KB](17)
摘要:
该文针对传统自适应波束成形算法对信号到达角(DOA)失配敏感的问题,提出一种能有效抑制功率压制型干扰的稳健自适应波束成形算法。首先分析了DOA失配情况下的接收端波束成形输出信干噪比,基于正交投影理论提出一种能实现方向图精确控制的理想波束成形器。然后,通过干扰信号到达角扇区的功率谱积分构造协方差矩阵,分析了矩阵主空间与实际干扰导向矢量列空间的等价性,提出一种正交投影矩阵生成方法,能够提升波束成形器对干扰信号DOA失配的鲁棒性。同理,在期望信号到达角扇区进行功率谱积分,利用所得矩阵的主空间与实际期望信号导向矢量列空间的等价性来估计期望信号导向矢量。最后,基于生成的正交投影矩阵和估计的期望信号导向矢量提出一种能有效抑制干扰的稳健自适应波束成形器。仿真结果表明,所提算法在不存在失配、DOA失配、导向矢量失配等情况下都展现出比传统算法更优的空域抗干扰性能和鲁棒性。
LightMamba:一种轻量级Mamba用于高光谱图形和激光雷达数据联合分类网络
廖帝灵, 赖涛, 黄海风, 王青松
2025, 47(12): 4937-4947.   doi: 10.11999/JEIT250981
[摘要](134) [HTML全文](61) [PDF 4786KB](11)
摘要:
高光谱图像(HSI)和激光雷达(LiDAR)数据的联合分类是遥感领域的一项关键任务,它通过融合丰富的光谱信息和精确的三维结构信息,显著提升了对地物识别的精度。然而,现有的基于深度学习(DL)的联合分类方法依然受限于高模型计算复杂度。因此,该文提出一种新颖的轻量级Mamba网络。该网络的核心是引入了先进的状态空间模型(SSM),其线性计算复杂度特性使其能够高效地建模遥感数据中的长距离上下文依赖关系。首先,多源对齐模块被用于对异构的HSI和LiDAR数据进行特征提取与空间-光谱维对齐,以提供一致的特征表示;其次,多源轻量Mamba模块以LiDAR的高程信息作为引导,采用轻量化设计融合双流序列,高效建模长距离依赖;最后,设计了一种基于MLP的分类器,并输出分类结果。在多个公开基准数据集上的实验结果表明,与当前先进方法相比,LightMamba在分类精度上取得了显著提升,同时保持了更低的计算复杂度,证明了基于Mamba的架构在遥感多源数据融合与分类任务中的巨大潜力。LightMamba的代码可访问https://www.scidb.cn/detail?dataSetId=064dc4ac5350418e87a8b82dd324737b&version=V1&code=j00173
NAS4CIM:面向忆阻器存算一体芯片的神经网络结构搜索框架
李源堃, 王泽, 张清天, 高滨, 吴华强
2025, 47(12): 4948-4958.   doi: 10.11999/JEIT250978
[摘要](93) [HTML全文](42) [PDF 2528KB](13)
摘要:
基于忆阻器(RRAM)的存算一体(CIM)芯片被认为是解决卫星任务在轨智能处理过程中功耗受限与效率瓶颈的一条重要出路,在提升深度神经网络推理效率方面展现出巨大潜力。然而面向星上处理任务的复杂性,RRAM-CIM架构需要探索匹配的神经网络结构来发挥其能效优势。在 RRAM-CIM 场景下,现有方法在任务性能搜索中多采用基于随机采样的一次性训练,容易导致训练过程不稳定;在硬件性能建模上则常依赖预测器或算子级建模,前者需要高昂的初始成本,后者则忽视了网络整体的硬件表现。为此,该文提出NAS4CIM搜索框架,并引入半解耦式蒸馏增强的梯度系数超网训练方法(DDE-GSCST),有效缓解候选算子间的干扰问题,提高搜索过程的稳定性和鲁棒性。同时,该文采用基于Top-K统计的算子选择策略,在保证任务精度的同时显著优化了硬件性能。在CIFAR-10与ImageNet数据集上的实验表明,该方法在相同硬件架构下较现有方法提升2.2%的最优精度,并降低33.3%的能耗-延迟积(EDP)。此外,基于真实RRAM宏单元的实片测试结果与仿真结果一致,进一步验证了方法的有效性。
融合大语言模型与强化学习的敏捷卫星任务分配算法设计
陈盈果, 王斐然, 胡云鹏, 杨斌, 严冰
2025, 47(12): 4959-4972.   doi: 10.11999/JEIT250991
[摘要](113) [HTML全文](62) [PDF 3882KB](20)
摘要:
多敏捷对地观测卫星任务调度(MAEOSMSP)是一个复杂的NP-难问题,其求解算法的设计长期受限于对专家经验的依赖和场景适应性差的瓶颈。为突破这一局限,该文提出一种创新的自适应算法设计(AAD)框架,通过深度融合大语言模型(LLM)与强化学习(RL),实现调度算法的自动化生成与智能应用。框架的核心是一个离线进化-在线决策架构:离线阶段,利用LLM驱动的进化计算自动生成超越人类范式的分配算法,构建强大算法库;在线阶段,通过RL智能体根据实时求解状态,从算法库中动态选择最优算子,实现对新场景的强大泛化能力。在多个标准算例上的实验表明,AAD框架生成的任务分配算法在性能上全面超越了传统专家设计算法,尤其在复杂场景下性能提升高达9.8%。该研究证实了LLM与RL协同在自动化算法设计上的巨大潜力,为MAEOSMSP提供了一种高效、自适应的求解新范式。
基于任务耦合约束及时间受限窗口的卫星测试任务自动化编排
李朕, 虞志刚, 章扬, 朱雪田, 解宁宇, 杨帆
2025, 47(12): 4973-4985.   doi: 10.11999/JEIT250878
[摘要](142) [HTML全文](58) [PDF 2590KB](18)
摘要:
近年来,空间在轨资产规模持续扩张,卫星星座建设步伐显著加快,卫星发射数量快速攀升,在轨测试需求急剧增加,而受限于地面站数量和可见弧段资源,测试机会高度稀缺,“星多站少、弧段稀缺”的矛盾日益突出。传统以人工预编排为主的卫星任务规划方式,因决策周期长、规划效率低、调度易出错等缺点,难以适应大规模、多任务和高耦合的复杂测试场景,亟需发展高效的在轨测试任务自动化规划技术,提升星地可见弧段的测试利用效率。为解决上述问题,该文提出卫星任务自动化规划技术,以支撑未来星地一体化系统在建设与运维全生命周期中的高效性与可靠性。首先,建立任务滑块模型及时间窗口模型,通过设计基础任务编排约束以及专有任务编排约束,构建卫星任务通用约束范式,提出非凸约束转换方案;其次,选取星地链路测试为典型应用场景,在可见弧段极度受限的星地链路中,以可编排的任务数量为优化目标,提出基于任务耦合约束及时间受限窗口的卫星任务自动化编排模型,实现测试任务自动化编排的同时,进一步提高星地可见弧段的利用效率;最后,以星地链路测试作为典型的在轨测试场景,该文通过涉及多个低地球轨道卫星和有限可见弧段的仿真实验,对所自主编排框架进行了评估。仿真结果表明,所提方法能够有效地调度测试任务,同时严格满足所有运行约束。与包括遗传算法、禁忌搜索和粒子群优化在内的传统启发式算法相比,该方法性能显著提升,使调度的星地链路测试任务总数增加了约1.9~2.3倍。结果进一步表明,在高度受限的可见窗口条件下,所提模型能够充分利用可用弧段并避免资源冲突,从而显著提高星地链路的利用效率。
面向卫星任务规划的专家链构建与优化方法
夏维, 魏宏图, 程颖, 汪君婷, 胡笑旋
2025, 47(12): 4986-4994.   doi: 10.11999/JEIT251018
[摘要](128) [HTML全文](78) [PDF 1833KB](17)
摘要:
卫星任务规划是航天资源调度领域的关键优化问题,在面对动态需求时,传统方法因其复杂的建模流程,常面临响应滞后、灵活性不足等挑战,且业务语言与数学模型间存在语义断层。为此,该文提出一种基于专家链(CoE)与动态知识增强机制(DKE)的大语言模型(LLM)推理框架。该框架聚焦于模型动态修改,通过设计一个需求解析、指令路由和代码生成的专家协同工作流,实现从自然语言指令到数学模型的精确映射。此外,该框架借助动态知识库与Few-Shot学习策略,使系统在不依赖梯度更新情况下具备持续优化能力。实验结果表明,相较于标准提示词方法(SP)、思维链技术(CoT)以及基于GPT4-o的标准提示词方法,准确率达到82%,平均响应时间81.28 s,显著优于所有对比基线,实验结果验证了该方法能够有效提升LLM在卫星任务规划模型动态修改任务中的处理能力。
面向低轨卫星的时空特征融合LSTM松弛测量方法
杨孟欣, 张青婷, 曾令昕, 顾忆宵, 曾丹, 夏斌
2025, 47(12): 4995-5004.   doi: 10.11999/JEIT251146
[摘要](114) [HTML全文](68) [PDF 2540KB](10)
摘要:
为降低低轨(LEO)卫星系统的高动态性导致的终端频繁链路测量,现有松弛测量方案主要采用基于静态阈值或常规的时空预测模型的方法。然而,卫星的高动态性导致不同历史时刻的测量数据和不同测量指标的重要性随之动态演化,而传统方法难以捕获这种时空重要性的动态变化。为此,针对上述挑战,该文提出一种面向低轨卫星的时空特征融合长短期记忆递归神经网络(LSTM)松弛测量方法。首先,建立了LEO卫星通信系统模型,以获取所需要的历史测量数据。然后,构建了集成双重注意力机制的LSTM预测模型,实现对关键历史时刻与动态重要特征的精准聚焦,从而完成对测量频点集合与测量周期的精准预测。最后,在选择的测量频点集合和松弛周期下,执行自适应的链路测量。仿真结果表明,相较于基线方法,该文所提松弛测量方案在确保链路可靠性的同时,可以显著降低终端的测量频次。与基线相比,在更大的速度和松弛周期下,具有更强的自适应性。
基于深度强化学习的自适应大邻域搜索算法在成像卫星调度问题中的应用
魏普远, 何磊
2025, 47(12): 5005-5015.   doi: 10.11999/JEIT251009
[摘要](74) [HTML全文](32) [PDF 2693KB](9)
摘要:
卫星调度问题(Satellite Scheduling Problem, SSP)是典型的NP-hard组合优化问题,其目标是在满足一系列复杂物理和运行约束的条件下,最大化观测收益或完成任务数量。自适应大邻域搜索(Adaptive Large Neighborhood Search, ALNS)是求解此类问题的有效元启发式算法,其性能高度依赖于破坏与修复算子的选择策略。传统ALNS算法通常采用基于历史表现的启发式计分机制来调整算子选择概率,这种机制受参数影响较大且无法动态适应搜索过程中的复杂状态变化。为解决此问题,该文提出了一种基于深度强化学习(Deep Reinforcement Learning, DRL)的自适应大邻域搜索算法(DR-ALNS)。该算法将算子选择过程建模为一个马尔可夫决策过程,智能体利用深度强化学习在每次迭代中根据当前解的状态动态选择最合适的破坏与修复算子。通过端到端的学习,DRL智能体能够学习到一种隐式的、高效的算子选择策略,从而更好地引导搜索方向,提升算法的全局探索与局部开发能力。通过在标准的卫星调度问题测试集上进行实验,可以看出DR-ALNS算法产生的解的质量优于传统ALNS及其他算法。
地空跨视角定位研究综述
胡迪, 袁夏, 徐孝强, 赵春霞
2025, 47(12): 5016-5032.   doi: 10.11999/JEIT250167
[摘要](229) [HTML全文](113) [PDF 4141KB](32)
摘要:
地空跨视角定位指的是利用空中视角图像作为参考,确定待查询的地面传感器位姿的过程。随着无人驾驶汽车、无人机导航等技术的发展,地空跨视角定位技术在智能交通、城市管理等领域扮演着越来越重要的角色。地空跨视角定位技术的发展经历了几个阶段:从早期基于人工设计特征的传统方法,到深度学习技术的引入衍生出的度量学习、图像变换及图像生成方法,以及结合距离传感器的定位技术。这些技术的发展标志着从依赖手工特征到自动学习特征表示的转变,以及从单一模态到多模态数据融合的进步。尽管取得了丰富的成果,地空跨视角定位领域仍存在很多挑战,尤其是在处理时空差异导致的定位误差问题上。这些挑战包括季节变化、日夜交替、天气状况差异等时间维度上的差异,以及视角改变、场景布局变化等空间维度上的差异,这些都对算法的鲁棒性和准确性提出了更高的要求。该文聚焦于地空跨视角定位,系统梳理了主要方法、关键数据集和评价方法,并对未来的发展趋势进行了分析。同时,该文首次系统化地整理了结合距离传感器的地空跨视角定位算法,为该领域的研究提供了新的视角和思路。
大规模遥感卫星智能任务调度方法研究进展
杜永浩, 张本奎, 吴健, 陈盈果, 闫东磊, 于海琰, 邢立宁, 白保存
2025, 47(12): 5033-5047.   doi: 10.11999/JEIT251038
[摘要](103) [HTML全文](57) [PDF 2731KB](25)
摘要:
针对遥感卫星任务调度大规模、复杂化的发展趋势和星群协同、即时服务的常态要求,依据自顶向下的原则,该文相继综述了其任务调度框架、模型与算法的发展现状。首先,基于集中式调度框架、分布式调度框架和集中-分布式调度框架,阐明了各调度框架的典型流程和适用场景。其次, 按照发源时间与建模特点的不同,从经典运筹学模型、约束满足优化模型和基于神经网络的决策模型3个角度出发, 探讨了不同卫星任务调度模型的描述方式和适用性。在此基础上,介绍了精确求解、元启发式和机器学习类等3类卫星任务调度主流算法, 揭示了各算法运行原理与优劣势。最后, 指出了规模化、订单化改造调度框架,发展混合式调度模型以及机器学习、大模型交融背景下算法工程化等未来研究新方向。
面向山地森林区域的植被高度预测数据集
余翠琳, 钟梓炫, 庞弘毅, 丁煜晟, 赖涛, 黄海风, 王青松
2025, 47(12): 5048-5060.   doi: 10.11999/JEIT250941
[摘要](195) [HTML全文](95) [PDF 6680KB](30)
摘要:
植被高度是刻画森林垂直结构、碳储量和生态系统功能的重要参数,在生态学、气候变化和生物地理等领域具有广泛应用。随着人工智能尤其是大模型技术的发展,森林生态研究对大规模、标准化训练数据的需求愈加迫切。然而,目前公开数据仍缺乏覆盖广区域、统一规范的林冠高度预测数据集,限制了先进智能方法的应用。为此,该文构建了面向山地森林区域的植被高度预测数据集(VHP-Dataset),融合多光谱遥感影像、数字高程模型(DEM)、植被覆盖度和覆盖类型等多源数据,以全球生态系统动力学调查(GEDI)冠层高度为目标变量,形成18维输入特征。该文介绍了数据集的构建流程,并通过空间分布、模型验证和特征重要性分析等实验进行评估。结果表明,VHP-Dataset能够有效支持监督学习建模,在多地貌、多区域的植被高度预测中展现出良好的科学性与适用性,为森林结构反演提供了标准化训练样本支撑。
无线通信与物联网
无信道先验信息的双天线非合作干扰抑制技术研究
严丞, 李彤, 潘文生, 段柏宇, 邵士海
2025, 47(12): 5061-5070.   doi: 10.11999/JEIT250378
[摘要](164) [HTML全文](75) [PDF 3612KB](28)
摘要:
在电子对抗中,己方通信信号极易受到敌方干扰。针对非合作干扰信号抑制,通常选择辅助天线来提取干扰信号样本,对受扰的通信信号进行干扰抑制,进而保证通信质量。但辅助天线可能同时收到干扰信号和通信信号,影响干扰信号样本的获取,降低干扰抑制能力。该文在非合作干扰场景下,提出了一种快速独立成分分析联合模拟退火最大化输出信干噪比的干扰抑制方法,该方法通过快速独立成分分析方法来估计信干噪比、模拟退火算法搜索重建系数、重建滤波器结合重建系数得到干扰抑制后信号。仿真和实验证明:当双天线的信干噪比差异较大,或通信信号和辅助信号各自到达双天线的信道相关性较弱时,所提方法具备更优异的干扰抑制性能。在双天线具有14.8 dB的信干噪比差时,该方法可实现34.4 dB的干扰抑制比。
基于轨道角动量的无线供能NOMA通信系统设计与优化
陈瑞瑞, 陈雨, 冉佳乐, 孙彦景, 李松
2025, 47(12): 5071-5081.   doi: 10.11999/JEIT250634
[摘要](158) [HTML全文](75) [PDF 1550KB](25)
摘要:
视距信道是实现高效无线供能NOMA通信的必要条件,然而其强相关性将严重限制空间自由度,导致传统空间复用技术难以获得容量增益。利用新维度的轨道角动量(Orbital Angular Momentum, OAM),该文设计了基于OAM的无线供能NOMA通信系统,其可以通过模态复用独立传输多路信息从而在视距信道下显著提高通信容量。通过转化收集能量为信息上传的可实现容量,该文在通信容量和收集能量的阈值约束下构建了系统的总容量最大化问题。然后,将系统总容量最大化问题分解为两个子问题,推导了最优功率分割因子的闭式表达式,并利用次梯度方法获得了最优的功率分配。仿真结果表明,与传统无线通信系统相比,所提出的基于OAM的无线供能NOMA通信系统能够有效提高容量性能。
面向低信噪比序列的多模态联合自动调制方式识别方法
王祯, 刘伟, 卢万杰, 牛朝阳, 李润生
2025, 47(12): 5082-5093.   doi: 10.11999/JEIT250594
[摘要](457) [HTML全文](162) [PDF 7826KB](79)
摘要:
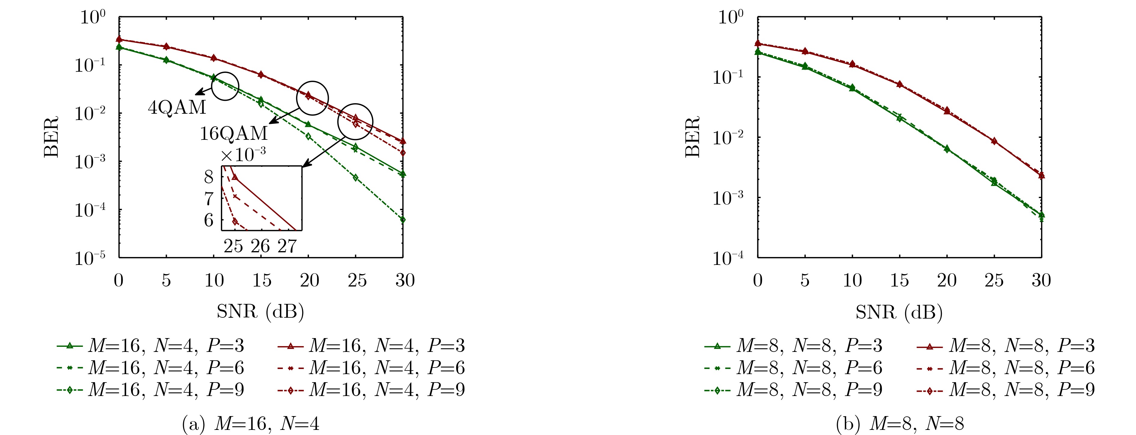
针对单模态自动调制方式识别方法在低信噪比条件下难以实现可靠识别的问题,该文融合对比学习和Kolmogorov-Arnold表示定理,提出一种面向低信噪比序列的多模态联合两阶段自动调制方式识别方法。第1阶段,构建对比学习模块,利用多模态数据在时间、强度等显著联系,实现时域Token和变换域Token序列的初步显式对齐;第2阶段,设计特征融合模块,利用长短时记忆网络LSTM、卷积神经网络CNN从初步对齐特征中提取时序特性,并利用表征学习增大类间距离,从多角度捕获时域和变换域两种模态特征之间的隐式对齐关系,实现多模态特征融合;最后,通过Kolmogorov-Arnold网络学习边缘权重,得到调制方式识别结果。在经典通信信号调制方式识别数据集RadioML2016.10a, RadioML2016.10b和HisarMod2019.1上的实验结果表明,在–20~0 dB信噪比条件下,该文方法的调制方式识别精度相比于经典的FEA-T, AMC-NET和MCLDNN等方法以相近的参数量提高了2.62%~11.63%。
纠缠光量子传输距离矩阵构建的动态目标定位方法
周牧, 王敏, 曹静阳, 何维
2025, 47(12): 5094-5105.   doi: 10.11999/JEIT250020
[摘要](134) [HTML全文](73) [PDF 7908KB](18)
摘要:
利用纠缠态光量子的时间关联特性能够实现对目标的精确定位,但现有量子定位算法主要针对相对静止目标,难以适用于动态目标。该文提出一种基于光量子传输距离矩阵构建的动态目标定位方法,以实现对运动目标的高精度定位。首先,通过对量子回波信号进行分析,结合符合计数结果估计背景噪声,优化检测阈值,实现了高灵敏度的目标检测。其次,利用速度测量矩阵进行自适应光量子分组,以提升定位系统的精确度。最后,通过构建光量子传输距离矩阵,求解光源坐标、目标位置与光量子传输距离的方程组,实现了动态目标位置估计。实测结果表明,该文方法实现了对动态目标的高精度定位,定位误差为厘米级,该方法定位误差在0.06 m内的置信概率达85%,相较于现有光量子定位方法的置信概率提高了69%,相较于传统单光子激光雷达动态目标定位方法提高了31%。
雷达、水声、导航、阵列信号处理
基于FRIDA的多通道切换阵列DOA估计算法
陈涛, 席豪林, 詹磊, 余玉威
2025, 47(12): 5106-5115.   doi: 10.11999/JEIT250350
[摘要](117) [HTML全文](58) [PDF 3695KB](10)
摘要:
针对波达方向(Direction Of Arrival, DOA)估计在实际测向系统中系统复杂度受接收通道数目影响的问题,该文提出一种基于FRIDA(Finite Rate of Innovation Direction-of-Arrival)的多通道切换阵列DOA估计算法。该算法首先利用开关将特定子阵接收的数据传输至通道从而减少测向系统中使用的通道数目,然后通过切换不同的子阵接入通道并采样得到多个少通道接收数据协方差矩阵,利用这些协方差矩阵重构出全通道接收数据向量,以此来构建基于有限新息率(Finite Rate of Innovation, FRI)的DOA估计模型,最后通过近端梯度下降算法获得信号入射方向的估计结果。仿真实验与对实测数据的实验验证了该算法优于同等条件下的其它算法。
复数子空间神经网络驱动的均匀圆阵三维定位方法
蒋伟, 支博昕, 杨俊杰, 王惠, 丁鹏飞, 张政
2025, 47(12): 5116-5125.   doi: 10.11999/JEIT250395
[摘要](137) [HTML全文](74) [PDF 4168KB](14)
摘要:
针对复杂室内环境中由频率偏移、多径传播以及噪声干扰等因素导致定位精度不足的问题,该文提出一种复数子空间神经网络(CSNN)驱动的均匀圆阵三维定位方法。首先,构建基于信号参考周期与采样周期的双估计频率补偿算法。通过预估计对精估计的频率模糊进行修正,以获得精确的频偏值实现频率补偿。其次,提出基于复数子空间神经网络的二维角度估计算法。利用复数卷积神经网络(CVCNN)重构信号协方差矩阵,抑制非主径分量与噪声的影响,恢复信号与噪声子空间的正交性,并利用模式空间转换与子空间算法实现高精度二维角度估计。在此基础上,设计了基于均匀圆阵的原型系统进行实验。结果表明,该方法在跨场景迁移后二维与三维定位的平均误差分别为28.9 cm和36.5 cm,验证了所提方法的定位精度与泛化能力。
基于空间参考信号的数字干扰对消系统性能分析
信业镝, 何方敏, 葛松虎, 邢金岭, 郭宇, 崔中普
2025, 47(12): 5126-5136.   doi: 10.11999/JEIT250679
[摘要](119) [HTML全文](90) [PDF 2336KB](23)
摘要:
为了解决基于耦合器的传统参考信号取样方式在大功率射频系统部署难题,该文提出了一种采用定向天线和接收链路的数字干扰对消系统。针对该系统,基于干扰信号矩形带限频谱特征的假设,分别推导了接收信道和取样信道在多径环境下干扰对消比性能闭式表达式。此外,进一步给出了对消比性能上限表达式。最后,利用蒙特卡罗仿真验证了3种典型调制方式下推导结果的准确性,并分析了系统参数对于对消比的性能影响。结果表明,基于空间参考信号的数字干扰对消系统对消比性能受接收通道干噪比、取样通道干噪比、滤波器抽头数目、多径时延扩展长度、多径数目和时延匹配误差影响。
Alpha稳定分布噪声下的水声瞬态信号检测方法
陈雯, 邹男, 张光普, 李研赫
2025, 47(12): 5137-5145.   doi: 10.11999/JEIT250500
[摘要](190) [HTML全文](106) [PDF 2748KB](46)
摘要:
实际海洋环境噪声通常具有突发性尖峰等非高斯特性,导致基于高斯假设的传统信号检测方法性能显著下降甚至失效。针对非高斯背景下未知确定性瞬态信号的被动检测与到达时间(ToA)估计的问题,该文利用Alpha稳定分布为非高斯背景噪声建模并设计了一种数据预处理降噪-短时互相关熵检测(DP-STCCD)方法。该方法首先借鉴数据清洗思想对含噪信号进行异常值处理实现初级降噪,然后采用多级滤波技术进一步抑制噪声,最终利用降噪信号的短时互相关熵特征构建检测器并实现ToA估计。仿真结果表明,经预处理降噪的能量检测器(DP-ED)在一定程度上恢复了检测性能。但在相同条件下,DP-STCCD算法的检测性能与ToA估计精度显著优于DP-ED算法:当特征指数\begin{document}$ \alpha = 1.5 $\end{document}时,在–11 dB低广义信噪比下DP-STCCD检测概率较DP-ED仍提高约30.2%,ToA估计精度提高约18.4%。
WAM数据集与电磁波吸波材料分类方法及应用研究
袁宇洋, 张峻晗, 李丹丹, 沙建军
2025, 47(12): 5146-5155.   doi: 10.11999/JEIT250166
[摘要](115) [HTML全文](80) [PDF 3117KB](11)
摘要:
电磁辐射防护吸波材料的性能主要由厚度、最大反射损耗和有效吸收带宽决定。研究集中在金属有机框架、碳基和陶瓷吸波材料上,利用弱人工智能分析(Wave Absorption Materials, WAM)数据集。划分训练集和测试集后进行数据增强以及相关性和主成分分析。采用决策树算法制定分类指标,发现MOFs(Metal Organic Frameworks)类材料的反射损耗优于碳基材料类,MOFs类材料容易满足最大反射损耗值小于–45 dB。多次训练后,随机森林算法泛化性能比决策树算法好,ROC-AUC值更高。运用神经网络进行分类研究,结果表明自组织映射神经网络在分类上表现更佳,而概率神经网络效果较差。将二分类问题扩展到三分类问题后,使用非线性分类、聚类算法和Boosting类算法,发现最大反射损耗是关键指标。进一步分析表明,WAM数据集非线性可分,模糊聚类效果较好。人工智能有助于揭示材料特性与吸波性能的关系,加速新材料研发,支持吸波材料知识图谱和知识库的建设。
图像与智能信息处理
一种测试时间自适应的夜间图像辅助波束预测方法
孙昆阳, 姚睿, 祝汉城, 赵佳琦, 李希希, 胡殿麟, 黄伟
2025, 47(12): 5156-5165.   doi: 10.11999/JEIT250530
[摘要](126) [HTML全文](88) [PDF 2623KB](11)
摘要:
针对毫米波通信系统中传统波束管理方法在动态场景下面临的高时延问题以及视觉辅助波束预测技术在恶劣环境下性能显著退化的问题,该文提出一种基于测试时间自适应(TTA)的夜间图像辅助波束预测方法。毫米波通信依赖大规模多输入多输出(MIMO)技术实现高增益窄波束对准,但传统波束扫描机制存在指数级复杂度与时延瓶颈,难以满足车联网等高动态场景需求。现有视觉辅助方法通过深度学习模型提取图像特征并映射波束参数,但在低照度、雨雾等突发恶劣环境下,因训练数据与实时图像特征分布偏移导致预测精度急剧下降。该文创新性地引入测试时间自适应机制,突破传统静态推理模式,仅需在推理阶段对实时采集的低质量图像执行模型的单次梯度反向传播,即可实现跨域特征分布动态对齐,无须预先采集或标注恶劣场景数据。具体而言,设计基于熵最小化的一致性学习策略,通过对原始视图与数据增强视图的预测一致性约束,驱动模型参数向预测置信度最大化方向迭代更新,降低预测不确定性。实验表明,在真实夜间场景下,该文所提方法的top-3波束预测准确率达93.01%,较静态部署方案提升约20%,且显著优于传统低光照增强方法。该方法充分利用基站固定部署场景中背景语义的跨域一致性特性,通过轻量化在线自适应机制实现模型鲁棒性增强,为毫米波通信系统在复杂开放环境中的高效波束管理提供了新路径。
开普勒定律启发的单幅图像细节增强算法
江鹤, 孙蟒, 郑州, 吴沛霖, 程德强, 周晨
2025, 47(12): 5166-5177.   doi: 10.11999/JEIT250455
[摘要](149) [HTML全文](84) [PDF 9709KB](27)
摘要:
近年来,基于残差学习的单幅图像细节增强算法备受关注,其通过更新残差层来拟合图像细节层,并与原图像线性叠加实现图像细节增强。然而,此更新过程使用的方法是贪心算法,极易使系统陷入局部最优解,进而限制了系统性能。鉴于此,受行星运动规律的启发,该研究将残差更新类比为行星空间位置的动态调整,借鉴开普勒定律,通过计算确定行星的全局最优位置,进而实现残差层的精准更新。具体而言,将输入图像分块,对每个原始图像块,将其候选图像块视为“行星”,最佳匹配块视为“恒星”。通过计算每个“行星”与原始图像块之间的差异、“行星”的速度和“恒星”的引力,更新“行星”和“恒星”的位置,直至“恒星”的位置达到收敛状态,确定全局最佳匹配块的位置。实验结果显示,该研究提出的算法在视觉效果及量化评估方面均优于当前方法。值得一提的是,在BSDS200数据集4倍增强因子的结果中,该研究提出的方法比当前流行方法QWLS的量化指标PSNR和SSIM分别高出1.51 dB和0.041 3,彰显了该研究算法的优越性。
动态威胁下基于改进APF-RRT*算法的无人机集群隐身航迹规划算法
张欣睿, 时晨光, 吴志锋, 闻雯, 周建江
2025, 47(12): 5178-5191.   doi: 10.11999/JEIT250554
[摘要](146) [HTML全文](92) [PDF 4287KB](11)
摘要:
当前无人机集群在复杂战场环境中的高效突防与生存能力着重依赖于精确的航迹规划,然而动态威胁环境下多种探测与拦截手段的存在,使得传统航迹规划难以同时满足隐身性、可行性和安全性要求。为此,该文提出一种动态威胁下基于改进人工势场(Artificial Potential Field, APF)与快速随机扩展树星(Rapidly-exploring Random Trees star, RRT*)算法的无人机集群隐身航迹规划算法。首先,构建包含雷达、高射炮及固定障碍物的多元威胁环境模型,并结合无人机雷达散射截面(Radar Cross Section, RCS),推导包含航程、组网雷达检测概率及高射炮威胁概率的无人机集群隐身航迹规划综合代价函数。其次,以最小化无人机集群隐身航迹规划的综合代价函数为优化目标,结合航迹可行性判定和无人机集群动力学等限制为约束条件,构建动态威胁下无人机集群隐身航迹规划模型。最后,提出了一种改进APF-RRT*算法,并对上述优化模型进行求解。仿真结果表明,所提算法在保证航迹可行性及动力学约束的前提下,相较于现有方法能够有效降低无人机集群的综合代价,提高了无人机集群航迹的隐身性能,实现更优的协同突防效果。
带全局噪声增强的多模态超图学习引导用于模态信息缺失情感分析
黄辰, 刘会杰, 张龑, 杨超, 宋建华
2025, 47(12): 5192-5202.   doi: 10.11999/JEIT250649
[摘要](226) [HTML全文](100) [PDF 2292KB](33)
摘要:
多模态情感分析(MSA)通过多种模态信息来全面揭示人类情感状态。现有MSA研究在面临现实世界中的复杂场景时,仍然面临两方面的关键挑战:(1)忽略了现实世界复杂场景下的模态信息缺失,以及模型鲁棒性问题。(2)缺乏模态间丰富的高阶语义关联学习和跨模态信息传递机制。为了克服这些问题,该文提出一种带全局噪声增强的多模态超图学习引导情感分析方法(MHLGNE),旨在增强现实世界复杂场景中模态信息缺失条件下的多模态情感分析性能。具体而言,MHLGNE通过专门设计的自适应全局噪声采样模块从全局视角补充缺失的模态信息,从而增强模型的鲁棒性,并提高泛化能力。此外,还提出一个多模态超图学习引导模块来学习模态间丰富的高阶语义关联并引导跨模态信息传递。在公共数据集上的大量实验评估表明,MHLGNE在克服这些挑战方面表现优异。
质量图引导的频谱数据高能量区域保真压缩方法
刘向丽, 李赞, 陈一丰, 陈乐
2025, 47(12): 5203-5213.   doi: 10.11999/JEIT250650
[摘要](146) [HTML全文](74) [PDF 5903KB](15)
摘要:
在通信与雷达技术智能化演进过程中,射频数据压缩效率已成为制约传输带宽扩展和系统能效提升的关键因素。传统压缩方法在面对非均匀能量分布复杂场景时,往往难以兼顾压缩率与重构精度的平衡。针对非均匀能量分布的频谱数据保真压缩难题,该文提出一种质量图引导的频谱数据高能量区域保真压缩方法。该方法通过构建三维能量掩码,动态引导编码器增强高能量区域特征,同时结合多级复数卷积与逆向残差连接,实现数据特征的高效提取与精准重构。该方法的核心创新点包括3方面:复数提取网络生成质量图,实现能量与幅度分布多尺度建模;结合门控归一化抑制低能量噪声;引入残差结构和空间特征变换模块保留高频细节。实验结果表明,该方法在公开数据集RML2018.01a和自建数据集上的重构精度优于现有的经典算法,消融实验验证了质量图对高能量区域的关键保护作用,为非均匀能量分布数据压缩提供了新思路。
自适应特征选择的车路协同3D目标检测方案
梁燕, 杨会林, 邵凯
2025, 47(12): 5214-5225.   doi: 10.11999/JEIT250601
[摘要](154) [HTML全文](84) [PDF 10180KB](17)
摘要:
车路协同场景完成三维目标检测需解决车载端和路侧端之间通信带宽受限和信息聚合能力有限两个问题。该文基于空间过滤理论,设计了自适应特征选择的车路协同3D目标检测方案(AFS-VIC3D)。首先,为解决通信带宽受限问题,在路侧端设计了包含两个基本模块的自适应特征选择方案:(1)图结构特征增强模块(GSFEM)利用图神经网络(GNN)通过交互更新节点和边的权重来增强前景目标区域特征响应,并减少背景区域特征响应,以提升目标区域特征判别性;(2)自适应特征通信掩码构建模块(ACMGM)通过动态分析特征重要性分布,自适应选择信息量高的特征以构建稀疏二维通信掩码图实现特征优化传输;其次,为了提升信息聚合能力,在车载端设计了多尺度特征聚合模块(MSFA),通过空间-通道聚合协同机制,在尺度、空间和通道层次上融合车载端和路侧端特征,提高目标检测精度和鲁棒性。所提AFS-VIC3D在公开数据集DAIR-V2X和V2XSet上进行验证,均以交互比(IoU)阈值分别为0.3/0.5/0.7时平均精度(AP)为指标。在DAIR-V2X数据集上,该方案以\begin{document}$ {2^{20.15}} $\end{document}字节的通信量达到了83.65%/79.34%/64.45%的检测精度;在V2XSet数据集上,以\begin{document}$ {2^{20.16}} $\end{document}字节的通信量达到了94.14%/93.08%/86.69%的检测精度。结果表明,所提AFS-VIC3D方案自适应选择并传输对目标检测起关键作用的特征,在降低通信带宽消耗的同时提升3D目标检测性能,能实现检测性能与通信带宽之间的最佳权衡。
电路与系统设计
基于压电作动器的准零刚度混合系统隔振设计
杨柳, 赵海洋, 赵坤, 程佳佳, 李东洁
2025, 47(12): 5226-5235.   doi: 10.11999/JEIT250310
[摘要](411) [HTML全文](252) [PDF 7170KB](20)
摘要:
低频振动对于精密仪器有着不容忽视的危害,通过弹簧的特殊排列可以实现近零刚度的非线性力学特性,不仅能够显著提高低频隔振效果,而且对于高频率的振动也有一定的隔离效果。然而,基于准零刚度的纯被动系统在动态响应上存在局限性,对振幅的依赖较大。因此,该文提出一种压电作动器的准零刚度混合主被动隔振系统,通过主动控制调节,从而增强混合系统整体的动态性能。首先,搭建基于压电作动器的准零刚度混合系统,由线性弹簧组成的准零刚度装置作为被动隔振装置,压电作动器作为主动隔振装置;其次,提出了一种改进的Bouc-Wen(B-W)模型,通过逆模型对其迟滞非线性进行补偿,对隔振对象施加精准的主动控制;最后,建立系统的动力学方程,对外界振动采用带Luenberger的滑模观测器的自适应滑模控制,提高系统的隔振性能。通过隔振控制实验验证,相比于单一被动隔振装置隔振效果提高35%左右。
数据集论文
海上船只目标多源数据集可见光图像部分
崔亚奇, 周天, 熊伟, 许赛飞, 林传齐, 夏沭涛, 孙炜玮, 唐田田, 张杰, 郭恒光, 宋鹏汉, 还迎春, 张振杰
2025, 47(12): 5236-5250.   doi: 10.11999/JEIT250138
[摘要](635) [HTML全文](193) [PDF 6796KB](136)
摘要:
为适应海上船只目标智能感知发展趋势,针对现有海上船只目标感知数据集信源单一、船只目标类别少、场景简单等问题,该文研制了由雷达、可见光、红外、激光、AIS和GPS等传感器构成的海上目标集成采集设备,开展了近2个月船载海上观测实验,累计时长达到200小时,收集海上多源原始数据90 TB;进一步对海量数据进行处理标注,并针对所采集原始数据海量、价值密度低的问题,设计了一套自动标注与人工校验相结合的数据快速标注流程,经多次智能标注模型训练与大量人工校验,目前已构建海上船只目标多源数据集的可见光图像部分(MSMS-VF)。该数据集涵盖客船、货船、快艇、帆船、渔船、浮标、漂浮物及海上平台等9种目标类别,包含265,233张图像,1,097,268个边界标注框,小目标占比达到55.88%,覆盖了多样化的海洋目标环境,可为目标检测、目标识别、目标跟踪等智能算法研究提供训练测试数据原料。未来,团队将陆续发布数据集的其他部分,并结合新的观测实验,对数据集进行不断更新。
编辑部公告
more >
学术动态
more >
作者服务中心
融媒体平台
more >
友情链接
more >

官方微信,欢迎关注

电子与信息学报

微信学术论坛群