Advanced Search

Current Issue

2025 Vol. 47, No. 10

2025, 47(10): 1-1.
Abstract:
2025, 47(10): 1-6.
Abstract:
Excellence Action Plan Leading Column
HNN4RP: Heterogeneous Graph Neural Network for Rug Pull Detection on Ethereum
LI Chenchen, JIN Hai, WU Minrui, XIAO Jiang
2025, 47(10): 3395-3409. doi: 10.11999/JEIT250160
Abstract:
  Objective  The rapid expansion of Decentralized Finance (DeFi) has been accompanied by a rise in fraudulent activities, with Rug Pull scams posing a significant threat to the security, stability, and credibility of blockchain ecosystems. Due to the permissionless and decentralized nature of DeFi platforms, malicious actors can exploit smart contracts to deceive investors, artificially inflate token prices, and withdraw liquidity abruptly, leaving investors with worthless assets. The anonymous and pseudonymous characteristics of blockchain transactions further hinder fraud detection and regulatory oversight, making Rug Pull scams one of the most challenging forms of financial fraud in the DeFi sector. Although traditional fraud detection approaches, such as rule-based heuristics and statistical analysis, provide basic risk assessment, they often fail to capture the complex transaction patterns, dynamic interactions, and heterogeneous relationships within blockchain networks. To address these limitations, this study proposes Heterogeneous graph Neural Network for Rug Pull detection (HNN4RP), a fraud detection framework based on Heterogeneous Graph Neural Networks (GNNs), specifically designed for the early identification of Rug Pull scams. By leveraging the graph structure of blockchain transactions, HNN4RP models Ethereum transaction data as a heterogeneous graph to capture the relationships among smart contracts, liquidity pools, and trader addresses. The framework integrates advanced representation learning techniques to reveal hidden dependencies, detect anomalous patterns, and differentiate between legitimate and fraudulent behaviors in a scalable, data-driven manner. Furthermore, HNN4RP incorporates temporal dynamics and contextual information to adapt to evolving fraud tactics.  Methods  HNN4RP models Ethereum transactions as a heterogeneous graph, distinguishing between regular nodes and smart contract nodes while preserving both structured and unstructured transactional data. By leveraging a graph-based representation, the model captures complex interactions within the Ethereum network, supporting comprehensive analysis of transactional behavior. This approach explicitly represents key relationships between entities, including token transfers, contract interactions, and liquidity movements, thereby facilitating more accurate fraud detection.The core components of HNN4RP include a Random Walk with Restart (RWR) sampling mechanism, which mitigates biases caused by skewed transaction distributions and enables balanced exploration of node neighborhoods. This technique captures long-range dependencies in the transaction network while preserving the local structural context, which is essential for detecting anomalous behaviors associated with fraud. By dynamically adjusting the probability of revisiting specific nodes, RWR improves the model’s focus on relevant transactional pathways, reducing the effects of data sparsity and imbalance.In addition to RWR-based sampling, HNN4RP incorporates multi-modal feature encoding to capture both structured transactional relationships and unstructured node attributes, such as smart contract code and token metadata. This integration enables the model to leverage a diverse set of informative features, improving its ability to differentiate between legitimate and fraudulent activities. By encoding both numerical and textual representations of transaction data, the framework enhances the robustness of fraud detection against evasive tactics employed by malicious actors.Furthermore, HNN4RP employs a BiLSTM-based temporal fusion mechanism to retain the sequential dependencies within transaction histories, effectively modeling temporal behavioral patterns. This component is essential for capturing the evolution of fraudulent activities over time, as Rug Pull scams often exhibit time-dependent characteristics. By learning the progression of transactional patterns, the model enhances fraud classification accuracy and enables early detection of fraudulent schemes before they escalate. Through this comprehensive approach, HNN4RP provides a scalable, adaptive, and high-precision solution for fraud detection in decentralized financial ecosystems.  Results and Discussions  The performance of the proposed HNN4RP model is evaluated against three categories of baseline methods: attribute-based approaches, random walk-based algorithms, and deep learning models. Across all dataset scales, HNN4RP consistently outperforms these baselines across three predefined evaluation metrics, demonstrating superior fraud detection capability. Notably, on the D2 and D3 datasets, HNN4RP achieves an accuracy of 96% and an F1 score of 0.95 (Table 2). Ablation experiments indicate that both attribute-based features and textual representations contribute significantly to Rug Pull detection performance (Fig. 3). Parameter sensitivity analysis shows that the optimal neighborhood size is 16, and the best embedding dimension is 27 (Figs. 4 and 5). Further experiments incorporating different types of noise interference confirm that HNN4RP exhibits strong robustness to data perturbations, with the F1 score declining by no more than 7% under moderate noise levels (Table 3). Early fraud detection tests demonstrate that HNN4RP effectively identifies fraudulent activities at an early stage, providing reliable warning signals before scams fully develop (Table 4).  Conclusions  This study addresses the emerging challenge of Rug Pull scams in the DeFi and Web3 domains and proposes a deep learning-based detection model, HNN4RP, with significant implications for the stability and security of decentralized financial ecosystems. By formalizing the Rug Pull detection task using heterogeneous graph modeling, this work tackles three major challenges in Ethereum-based fraud detection: biased transaction exploration, incomplete feature representation, and insufficient temporal pattern recognition. These challenges are addressed through the integration of RWR-based random walks, heterogeneous node feature extraction, and BiLSTM-based temporal feature fusion. Experimental results on real Ethereum transaction datasets demonstrate that HNN4RP achieves 96% accuracy and provides reliable early warnings within four hours before fraudulent activities occur, confirming its practical applicability for early fraud detection in decentralized environments.
Overviews
Integrating Intelligent Sensing, Transmission, and Control for Industrial IoT Networks: Key Technologies and Future Directions
ZHANG Mingqiang, MA Xiaocong, YANG Yajuan, LI Dongyang, Li Tiantian, WANG Leiyu, ZHANG Haixia, YUAN Dongfeng
2025, 47(10): 3410-3425. doi: 10.11999/JEIT250305
Abstract:
  Significance   The edge intelligence-enhanced sixth-generation (6G) mobile networks aim to build an integrated architecture that combines sensing, communication, and computation, continuing the trend of 5G’s rapid expansion into vertical industries. Looking ahead, Industry 5.0—defined by human-centric design and large-scale personalized customization—requires 6G-enabled industrial networks to simultaneously meet the demands of sensing, transmission, and control. The efficient interconnection, communication, and intelligent management of large-scale Industrial Internet of Things (IIoT) devices remains fundamental to the digital, networked, and intelligent transformation of the manufacturing sector and its high-quality development. However, limited device resources, complex industrial environments, and the fragmented design of sensing, transmission, and control systems present major challenges. These include limited capability for comprehensive and accurate information sensing, inefficient interaction among heterogeneous devices and systems, and difficulties in achieving intelligent closed-loop collaboration across sensing, transmission, and control. Integrating Intelligent Sensing, Transmission, and Control (ISTC) is essential to enabling intelligent communications in industrial scenarios, facilitating the intelligent interconnection of humans, machines, objects, and environments, and enhancing intelligent management and control across production lines.  Progress   Achieving semantic interoperability across heterogeneous industrial systems is the core barrier to the integrated design of sensing, transmission, and control, and is also critical to enabling agile interaction between diverse systems, reducing subsystem development and deployment costs, and building autonomous, self-managing industrial networks. Modern IIoT systems typically integrate parallel subsystems across Information Technology (IT) and Operational Technology (OT) domains, each with independent data models and semantic specifications, resulting in natural interoperability barriers. These barriers restrict efficient interaction and expected collaborative operation across vendors and platforms, significantly limiting large-scale interconnection and data sharing. Therefore, comprehensive and accurate information sensing, reliable and efficient transmission, and responsive feedback control have become key requirements for future IIoT networks. Specifically: (1) Intelligent Sensing: Overcoming the limitations of the Nyquist sampling theorem through interpretable intelligent sensing is a prerequisite for ISTC. (2) Semantic Transmission: The effective extraction and unified representation of industrial semantics, combined with intelligent semantic-level interaction, are critical to ensuring interoperability in heterogeneous systems while maintaining operational efficiency and sustainable performance. (3) Integrated ISTC: Joint design of edge-intelligent sensing, efficient transmission, and optimal control enables streamlined workflows in industrial scenarios, reducing system response time, improving control accuracy, and optimizing energy efficiency.  Conclusions   This paper proposes an intelligent collaborative architecture for IIoT networks comprising edge nodes or terminals, intelligent gateways, and industrial cloud platforms. The focus is placed on three key technologies within Integrating ISTC: (1) Intelligent sensing methods for IIoT networks: These methods enhance sensing efficiency and accuracy by applying interpretable, physics-informed deep compressed sensing approaches to IIoT devices and systems. (2) Robust Industrial Semantic Communications (ISC) driven by cognitive intelligence: This technology combines industrial knowledge graphs with semantic communication mechanisms to improve semantic interoperability and transmission efficiency across heterogeneous industrial systems. (3) Joint design of edge-intelligent sensing, efficient semantic transmission, and optimal control: By clarifying the intrinsic coupling among sensing, transmission, and control processes, this approach optimizes the collaborative service capability of heterogeneous industrial networks and systems.  Prospects   Despite progress, ISTC still faces considerable challenges. Future research may focus on the following directions: (1) Industrial large models and intelligent agents: The development of specialized AI models remains essential, particularly in core industrial domains where implicit knowledge is concentrated. (2) Industry 5.0: Achieving efficient, semantic-level human-machine collaborative interaction will be a key breakthrough for future industrial scenarios. (3) Industrial cross-modal collaborative interaction: Integrating data across modalities and mining knowledge from diverse sources present significant challenges but are essential for enabling advanced collaborative interaction in IIoT networks. (4) Industrial digital twins: For complex industrial environments and physical systems, continued advances in digital twin technology—particularly in high-precision semantic perception, real-time efficient interaction, and adaptive fault-tolerant control, will play a critical role in accelerating ISTC development.
Overview of the Research on Key Technologies for AI-powered Integrated Sensing, Communication and Computing
ZHU Zhengyu, YIN Menglin, YAO Xinwei, XU Yongjun, SUN Gangcan, XU Mingliang
2025, 47(10): 3426-3438. doi: 10.11999/JEIT250242
Abstract:
The Integration of Sensing, Communication and Computing (ISCC) combined with Artificial Intelligence(AI) algorithms has emerged as a critical enabler of Sixth-Generation (6G) networks due to its high spectral efficiency and low hardware cost. AI-powered ISCC systems, which combine sensing, communication, computing, and intelligent algorithms, support fast data processing, real-time resource allocation, and adaptive decision-making in complex and dynamic environments. These systems are increasingly applied in intelligent vehicular networks—including Unmanned Aerial Vehicles (UAVs) and autonomous driving—as well as in radar, positioning, tracking, and beamforming. This overview outlines the development and advantages of AI-enabled ISCC systems, focusing on performance benefits, application potential, evaluation metrics, and enabling technologies. It concludes by discussing future research directions. Future 6G networks are expected to evolve beyond data transmission to form an integrated platform that unifies sensing, communication, computing, and intelligence, enabling pervasive AI services.  Significance   AI-powered ISCC marks a transformative shift in wireless communication, enabling more efficient spectrum utilization, reduced hardware cost, and improved adaptability in complex environments. This integration is central to the development of 6G networks, which aim to deliver intelligent and efficient services across applications such as autonomous vehicles, UAVs, and smart cities. The significance of this research lies in its potential to reshape the management and optimization of communication, sensing, and computing resources, advancing the realization of a ubiquitously connected and intelligent infrastructure.  Progress   Recent advances in AI—particularly in machine learning, deep learning, and reinforcement learning—have substantially improved the performance of ISCC systems. These methods enable real-time data processing, intelligent resource management, and adaptive decision-making, which are critical for future 6G requirements. Notable progress includes AI-driven waveform design, beamforming, channel estimation, and dynamic spectrum allocation, all of which enhance ISCC efficiency and reliability. Additionally, the integration of edge computing and federated learning has mitigated challenges related to latency, data privacy, and scalability, facilitating broader deployment of AI-enabled ISCC systems.  Conclusions  Research on AI-powered ISCC systems highlights the benefits of integrating AI with sensing, communication, and computing. AI algorithms improve resource efficiency, sensing precision, and real-time adaptability, making ISCC systems well suited for dynamic and complex environments. The adoption of lightweight models and distributed learning has broadened applicability to resource-limited platforms such as drones and IoT sensors. Overall, AI-enabled ISCC systems advance the realization of 6G networks, where sensing, communication, and computing are unified to support intelligent and ubiquitous services.  Prospects   The advancement of AI-powered ISCC systems depends on addressing key challenges, including data quality, model complexity, security, and real-time performance. Future research should focus on developing robust AI models capable of generalizing across diverse wireless environments. Progress in lightweight AI and edge computing will be critical for deployment in resource-constrained devices. The integration of multi-modal data and the design of secure, privacy-preserving algorithms will be essential to ensure system reliability and safety. As 6G networks evolve, AI-powered ISCC systems are expected to underpin intelligent, efficient, and secure communication infrastructures, reshaping human-technology interaction in the digital era.
Human-Machine Fusion Intelligent Decision-Making: Concepts, Framework, and Applications
LI Zhe, WANG Ke, WANG Biao, ZHAO Ziqi, LI Yafei, GUO Yibo, HU Yazhou, WANG Hua, LV Pei, XU Mingliang
2025, 47(10): 3439-3464. doi: 10.11999/JEIT250260
Abstract:
  Significance  The exponential growth of data volume, advances in computational power, and progress in algorithmic theory have accelerated the development of Artificial Intelligence (AI). Although AI offers unprecedented opportunities across industries, it continues to face limitations such as dependence on large datasets, poor interpretability of learning and decision-making mechanisms, limited robustness, and susceptibility to hallucinations. To overcome these challenges, integrating human cognitive decision-making capabilities and human-like cognitive models into AI systems is essential. This integration gives rise to a new form of intelligence—Human-Machine Fusion Intelligence—which combines physiological and physical characteristics. The core concept is to harness the complementary strengths of humans and machines in information processing and decision-making: humans provide intuitive judgment and contextual understanding, whereas machines are capable of high-speed computation and large-scale data analysis. By establishing a synergistic, collaborative “partnership,” Human-Machine Fusion Intelligent Decision-Making seeks to optimize decision quality through coordinated organic and probabilistic integration. This paradigm holds significant potential to improve decision reliability in mission-critical contexts, such as military operations, medical procedures, and autonomous driving, thus offering both theoretical research value and practical application relevance.  Progress  Unlike prior reviews that focus primarily on specific application domains, this article presents a comprehensive overview of Human-Machine Fusion Intelligence across four key dimensions: conceptual foundations, system framework, practical applications, and current challenges and future prospects. The core contributions of this review are summarized in the following four areas: First, it elucidates the advantages of Human-Machine Fusion Intelligent Decision-Making systems: (1) Improved decision-making accuracy—By combining machines’ strengths in data processing and logical reasoning with human capabilities in handling unstructured problems and ethically complex decisions, the system enables dynamic adjustment through a human-in-the-loop mechanism. (2) Enhanced interpretability of decision outcomes—The decision-making process bridges the cognitive gap between humans and machines, providing a transparent, traceable decision path and clarifying accountability boundaries. (3) Greater system robustness—By integrating machines’ risk monitoring and adaptive capabilities with human experiential judgment in complex or uncertain environments, the system establishes a closed-loop collaboration that balances technological rationality with human cognition. Second, the article highlights that Human-Machine Fusion systems cannot operate independently in safety-critical contexts due to imperfect trust mechanisms and ethical constraints. In response, it proposes a hierarchical architecture comprising two key layers: (1) Situational awareness layer, including three core processes: multimodal data perception, cross-modal information fusion, and situational analysis. (2) Collaborative decision-making layer, which distinguishes three decision-making paradigms based on task characteristics and human-machine interaction mode: (a) Human-led decision-making, suited for tasks with high uncertainty and open-ended conditions, where an enhanced intelligence model with a human-in-the-loop is adopted. (b) Machine-led decision-making, appropriate for tasks with lower uncertainty, emphasizing hybrid intelligence through cognitive model integration in automated workflows. (c) Human-machine collaborative decision-making, applicable when human and machine strengths are complementary, allowing for equal, synergistic cooperation to optimize decision efficiency. Third, the article synthesizes recent technological progress, summarizing representative applications of Human-Machine Fusion Intelligent Decision-Making in mission-critical domains such as the military, healthcare, and autonomous driving. Finally, it identifies six key directions for future development: optimization of multimodal perception, fusion of semantic and feature spaces, construction of deep collaborative feedback loops, dynamic task allocation mechanisms, enhancement of system reliability, and development of ethical guidelines. These directions aim to advance efficient collaboration and sustainable evolution of human-machine intelligence.  Conclusions  This review adopts a systematic research approach to examine Human-Machine Fusion Intelligence in decision-making across four core dimensions. First, it presents a theoretical analysis of the fundamental concepts underpinning Human-Machine Fusion Intelligence and highlights its unique advantages in complex decision-making contexts. Second, it proposes a general framework for Human-Machine Fusion Intelligent Decision-Making systems, emphasizing two key components: situational awareness and collaborative decision-making. Based on this framework, decision-making approaches are categorized into three types according to task characteristics and the nature of human-machine interaction: human-led, machine-led, and human-machine collaborative decision-making. Third, the review synthesizes recent practical advancements in representative application domains. Finally, it examines emerging trends in the development of Human-Machine Fusion Intelligent Decision-Making.  Prospects  Human-Machine Fusion Intelligent Decision-Making offers substantial research value and strong application potential for advancing emerging industries and enabling new intelligent paradigms. Although several exploratory efforts have been made, the field remains in its infancy, lacking a unified and mature theoretical or technological foundation. Key scientific and engineering challenges persist, including the optimization of multimodal perception and data fusion, bridging the semantic gap between human cognition and machine-represented feature spaces, and achieving deep integration of human and machine intelligence. Continued interdisciplinary collaboration will be essential to drive theoretical progress and technological innovation, further unlocking the potential of Human-Machine Fusion Intelligent Decision-Making.
Network Protocol Fuzzing: Method Classification and Research Progress
LAI Guoqing, ZHU Yuefei, CHEN Di, LU Bin, LIU Long, ZHANG Zihao
2025, 47(10): 3465-3481. doi: 10.11999/JEIT250188
Abstract:
  Significance   Network security vulnerabilities arising from flaws in network protocol implementations cause substantial losses and adverse societal effects, exemplified by the Heartbleed vulnerability in OpenSSL (CVE-2014-0160). This flaw allows attackers to extract encryption keys from public servers, enabling decryption of traffic or unauthorized authentication on less secure systems. Approximately 500,000 internet servers are affected when the vulnerability is publicly disclosed. Against this backdrop of escalating network security risks, ensuring the security of network protocol software becomes a critical research area. Fuzzing, a software testing technique, emerges as one of the most widely used approaches for identifying vulnerabilities in network protocol implementations due to its ease of deployment and high efficiency. The core concept of fuzzing is to improve software security by generating and sending crafted test cases to the target program. Despite significant progress in this field, Network Protocol Fuzzing (NPF) still faces technical challenges. Currently, no systematic and up-to-date review of NPF research exists, limiting researchers’ ability to grasp recent advances. This paper conducts a comprehensive review of NPF techniques, aiming to provide researchers in the field of network protocol security with valuable references for tool selection and optimization.  Progress   Since the proposal of AFLNET in 2020, considerable progress occurs in the field of NPF, addressing key challenges such as protocol packet construction, protocol state awareness, and network communication efficiency optimization. Specifically, for protocol packet construction, researchers propose machine learning-based packet generation methods that integrate both generation and mutation strategies. Mutation operators and guidance techniques are designed to target specific protocol characteristics. In terms of protocol state awareness, state tracking capabilities are enhanced through state variable capture and state model construction. Furthermore, state fuzzing has been widely employed to detect state machine bugs. For protocol stack efficiency optimization, researchers improve testing efficiency by refining communication mechanisms and applying snapshot techniques.  Conclusions  To comprehensively summarize the research progress in NPF, this paper first clarifies the unique characteristics of network protocol software compared with other fuzzing targets. These characteristics include strict protocol message formats, asynchronous network interactions, and complex protocol state maintenance. A problem-oriented classification framework for NPF is proposed, structured around three core challenges: protocol packet construction, protocol state awareness, and protocol stack efficiency optimization. Based on this framework, research advancements in NPF over the past eight years are systematically reviewed, with a technical analysis of the capabilities, and limitations of existing approaches. This review highlights several key challenges in the field. For input construction, major limitations include weak validity of generated inputs, input space explosion, and restrictions imposed by encryption and authentication mechanisms. In terms of state awareness, the field faces insufficient protocol state space exploration and low levels of test intelligence and automation. Regarding performance optimization, technical challenges include slow network communication speed, limited scalability across different protocol implementations, and inadequate adaptability to complex network environments. This study provides both theoretical foundations and practical references to guide future research and technological development in the NPF domain.  Prospects   Future research in NPF can integrate emerging technologies such as Artificial Intelligence (AI) to enhance the intelligence and automation of testing processes. For example, combining AI methods with program analysis techniques may enable a deeper understanding of protocol behavior and more efficient generation of test packets. Developing state representations tailored to different protocol characteristics, implementing real-time protocol state mapping, and applying state prediction and reasoning based on LLM can further improve the efficiency and applicability of NPF tools. In addition, introducing technologies such as parallelization, distributed computing, modular test architectures, and integrated network simulation with virtualization can significantly enhance testing scalability and adaptability. Through the integration of emerging technologies and interdisciplinary research, NPF is expected to play an increasingly critical role in network protocol security, providing robust technical support for building secure and reliable network environments.
Wireless Communication and Internet of Things
Joint Beamforming and Antenna Position Optimization in Movable Antenna Empowered ISAC Systems
LI Zhendong, BA Jianle, SU Zhou, ZHAO Weichun, CHEN Wen, ZHU Zhengyu
2025, 47(10): 3482-3491. doi: 10.11999/JEIT250146
Abstract:
  Objective  With the rapid advancement of information technology, mobile communication is transitioning from the fifth generation (5G) to the sixth generation (6G), with a central goal of evolving from the Internet of Things to the Internet of Intelligence. Integrated Sensing and Communication (ISAC) has emerged as a key technology for next-generation wireless systems. By jointly designing sensing and communication functionalities, ISAC substantially improves spectral efficiency and overall system performance, and is regarded as a core technology for future intelligent networks. However, conventional fixed antenna arrays are limited by insufficient spatial degrees of freedom, making them inadequate for meeting the stringent sensing and communication requirements in dynamic and complex environments. To address this challenge, Movable Antenna (MA) is proposed as a novel architecture. MA systems enable antenna elements to move within designated transmit and receive regions, allowing real-time adjustment of their positions according to instantaneous channel states and system demands. This study proposes an MA-empowered ISAC framework that dynamically reconfigures antenna positions to exploit the spatial characteristics of wireless channels, with the objective of minimizing transmit power. The proposed design contributes new insights into energy-efficient ISAC system development and offers theoretical and practical relevance for future wireless communication networks.  Methods  This study formulates a joint optimization problem that considers the discrete positions of MA elements, beamforming vectors, and sensing signal covariance matrices. To address the inherent coupling among optimization variables and the presence of binary discrete variables, a Discrete Binary Particle Swarm Optimization (BPSO) framework is adopted. The algorithm iteratively determines the discrete antenna positions through a fitness-based search. Based on the obtained positions, Semi-Definite Relaxation (SDR) and Successive Convex Approximation (SCA) techniques are applied to manage non-convex constraints and solve for the beamforming vectors and sensing covariance matrices. This approach yields suboptimal yet effective solutions in complex non-convex optimization scenarios, thereby enhancing system performance. In terms of system modeling, a Dual-Function Radar and Communication Base Station (DFRC BS) equipped with MA is considered. The DFRC BS transmits downlink ISAC signals, communicates with multiple single-antenna downlink users, and senses a radar target. Antenna elements are restricted to a discrete set of candidate positions, facilitating practical system deployment. The radar sensing channel is modeled as a Line-of-Sight (LoS) channel, whereas the communication channels follow a field-response-based model. The DFRC BS transmits narrowband ISAC signals through beamforming, which are used concurrently for radar target detection and downlink communication.  Results and Discussions  Simulation results demonstrate that the proposed MA-empowered ISAC system achieves superior performance in transmission power optimization compared with conventional fixed antenna array systems. Under the constraint of sensing Signal-to-Interference-plus-Noise Ratio (SINR), transmit power increases with more stringent sensing requirements. However, the MA-empowered ISAC system substantially lowers the required transmit power, with a maximum observed reduction of 101.1 W. Under the communication SINR constraint and fixed sensing requirements, transmit power also rises as communication demands grow. In this setting, the MA-empowered ISAC system again shows a clear advantage, reducing transmit power by up to 134.6 W compared with traditional systems. Furthermore, as the number of downlink users increases—while maintaining consistent sensing and communication requirements—transmit power increases accordingly. Even under these conditions, the MA-empowered system continues to outperform its fixed-array counterpart. Beamforming pattern simulations further confirm that the BPSO-based optimization framework achieves multi-beam alignment and provides a degree of interference suppression, highlighting its effectiveness in managing dual-function transmission within MA-enabled ISAC systems. Overall, the introduction of MA significantly enhances ISAC system performance in terms of energy efficiency and spatial adaptability.  Conclusions  This paper proposes a joint optimization framework based on Discrete BPSO for MA-empowered ISAC systems, which effectively reduces transmit power while maintaining sensing and communication performance. The optimization process begins by iteratively solving a fitness function to determine the discrete positions of the MA elements. SDR and SCA techniques are employed during this process to address non-convex constraints. Once the MA element positions are established, the associated beamforming vectors and sensing signal covariance matrices are computed or further optimized. By dynamically adjusting antenna positions, the system gains additional spatial degrees of freedom, enabling more efficient utilization of the spatial characteristics of wireless channels. This work provides a new approach for energy-efficient design in ISAC systems and offers meaningful guidance for the development of next-generation wireless networks. Future research will continue to explore advanced optimization algorithms for MA positioning and system performance enhancement, aiming to meet sensing and communication requirements in highly dynamic environments. Additionally, the applicability of MA in other wireless scenarios—such as vehicular networks and aerial communication platforms, will be studied to facilitate broader adoption of MA-based technologies.
Security and Reliability-Optimal Offloading for Mobile Edge Computing in Low-latency Industrial IoT
HU Yulin, YU Xinlan, GAO Wei, ZHU Yao
2025, 47(10): 3492-3504. doi: 10.11999/JEIT250262
Abstract:
  Objective  With the advancement of Industry 4.0, the increasing demand for mission-critical and latency-sensitive applications is driving the evolution of Industrial Internet of Things (IIoT) networks. Mobile Edge Computing (MEC) has emerged as a key solution to alleviate the computational constraints of User Equipment (UE), thus enhancing IIoT system performance. However, ensuring high reliability and security remains a critical challenge in multi-access MEC networks. To support Ultra-Reliable and Low-Latency Communication (URLLC), short packet transmission is employed, introducing Finite BlockLength (FBL) effects that impacts communication performance. Additionally, queuing delays at the servers present a significant bottleneck in meeting latency requirement. While existing studies predominantly focus on secure transmission under the Infinite BlockLength (IBL) assumption, comprehensive investigations into Physical Layer Security (PLS) and reliability in the FBL regime remain scarce. To address this gap, this paper aims to jointly optimize the security and reliability of MEC networks. Specifically, an analytical expression for end-to-end Leakage Failure Probability (LFP) is derived to assess the security and reliability performance. Furthermore, an efficient two-phase time length allocation algorithm is proposed to enhance overall system performance.  Methods  This study examines the uplink URLLC scenario in a multi-access MEC network. First, leveraging FBL theory, the communication phase within frame structure is modeled, and the decoding error probabilities of both the server and the eavesdropper are characterized. Subsequently, Extreme Value Theory (EVT) is employed to model the delay violation probability in the computation phase. Based on these formulations, the end-to-end LFP is derived to comprehensively assess the system’s PLS and reliability. Given the stringent end-to-end latency constraints in URLLC, a fundamental trade-off between security and reliability arises. To investigate this trade-off, an optimization problem is formulated to minimize LFP while satisfying the latency constraint, with the time length of the communication and computation phases as the optimization variables. However, due to the presence of multiplicative non-convex Q-functions in the objective function, solving this optimization problem poses significant challenges. To overcome this, a local point expansion technique is employed to approximate the non-convex terms as summations, facilitating problem reformulation. Additionally, auxiliary variables are introduced to enable convex relaxation of the Q-functions, transforming the problem into a convex optimization framework. The reformulated problem is then efficiently solved using the Successive Convex Approximation (SCA) algorithm. In response to the issue of performance degradation in algorithm convergence when the task scale increases, an Accelerated-SCA (A-SCA) algorithm is introduced. By leveraging the problem structure, a closed-form expression for the time allocation strategy corresponding to the system’s optimal reliability is derived, which improves the initial point selection mechanism. Finally, simulation results validate the accuracy, convergence, and adaptability of the proposed algorithm, while also revealing the trade-off between security and reliability.  Results and Discussions  The proposed FBL coding-based time allocation scheme is evaluated through numerical simulations to validate its effectiveness. A comparative analysis with the IBL coding-based scheme is conducted, demonstrating the performance gains achieved through the joint optimization of communication and computation phases, while highlighting the limitations of IBL coding. Furthermore, the quality of the sub-optimal solution obtained via the SCA algorithm is assessed by benchmarking against the exhaustive search method. Additionally, both constrained and unconstrained resource scenarios are considered to explore the trade-offs between security and reliability, as well as between time resource and LFP. First, (Fig. 2) analyzes the convergence behavior of the proposed SCA-based time allocation scheme, demonstrating that the sub-optimal solution obtained closely approximates the global optimum. Furthermore, by optimizing the initial point selection with the A-SCA algorithm, the convergence speed and scalability are significantly enhanced. (Fig. 3) evaluates the variation of LFP with the eavesdropper’s channel gain under different task data sizes, revealing the fundamental trade-off between security and reliability, along with the associated performance compensation mechanism. (Fig. 4) illustrates the LFP trend as a function of the server’s channel gain, comparing the proposed scheme with IBL coding-based scheme. The results indicate that even in scenarios with low secure channel capacity, the proposed scheme achieves a 21.4% performance improvement, thereby validating its superiority in joint optimization across both phases. (Fig. 5) investigates the impact of task workload on LFP, while (Fig. 6) explores an unconstrained resource scenario, analyzing the influence of transmit power on LFP and the corresponding service time requirements.  Conclusions  This study explores the joint optimization of security and reliability in multi-access MEC networks supporting URLLC. In the FBL regime, the decoding error probability is modeled in the communication phase, while the delay violation probability is characterized using EVT in the computation phase. Based on these models, the LFP is derived as a key metric to quantify the system’s end-to-end PLS and reliability. Given the stringent latency constraints, a two-phase time length allocation optimization problem is formulated to minimize LFP, balancing security and reliability. To address the problem’s non-convexity, this paper first decouples the coupled variables through local linearization and reconstructs the problem. Next, convex upper and lower bounds of the complex Q-function are derived, enabling convex relaxation of the objective function. Subsequently, the SCA algorithm is applied iteratively to obtain a sub-optimal solution for the original problem. To tackle the issue of deteriorating convergence performance and increased complexity as the task scale grows, an A-SCA algorithm is proposed, which optimizes the initial point selection to address this challenge. Finally, simulation results validate the convergence, accuracy, and scalability of the proposed algorithm, demonstrating its performance advantages through comparison with existing approaches. Additionally, the impact of key system parameters on performance is systematically analyzed. The proposed LFP metric exhibits significant extensibility, being applicable to collaborative optimization of physical layer security and network layer security in URLLC systems, reliable task offloading in MEC, and throughput optimization in MIMO systems. Furthermore, the solution framework for LFP optimization problem, including problem decoupling and reconstruction, introduction of auxiliary variables for Q-function convex relaxation, iterative solving via SCA, and optimized initial point selection, provides valuable insights for solving multi-variable non-convex optimization problems in the FBL regime.
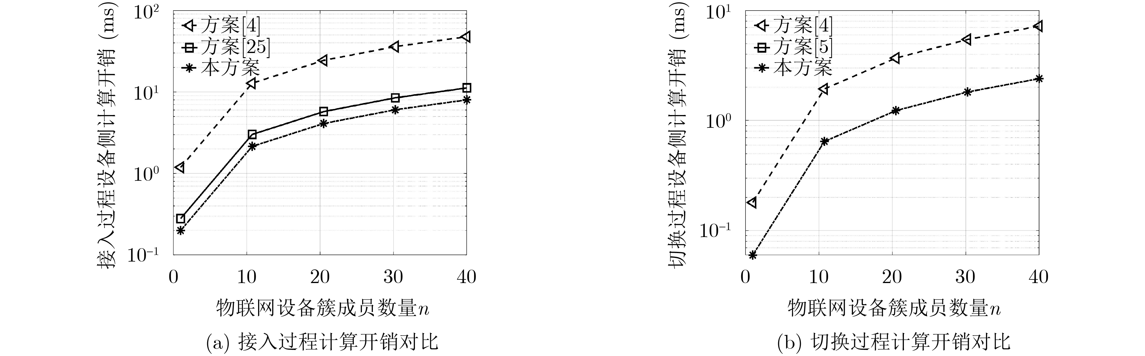
Unmanned Aircraft Vehicle-assisted Multi Cluster Concurrent Authentication Scheme for Internet of Things Devices
MA Ruhui, HE Shiyang, CAO Jin, LIU Kui, LI Hui, QIU Yuan
2025, 47(10): 3505-3517. doi: 10.11999/JEIT250279
Abstract:
  Objective  With the rapid expansion of Internet of Things (IoT) devices, application scenarios such as smart cities and industrial intelligent manufacturing demand wider coverage and higher connection density from communication systems. Traditional terrestrial base stations have limited capacity to serve IoT devices in remote or complex environments. Unmanned Aircraft Vehicles (UAVs), owing to their flexible deployment and high mobility, can function as aerial base stations that effectively complement terrestrial networks, providing reliable and energy-efficient access for remote IoT terminals. Additionally, the expected 6G connectivity of tens of billions of devices may give rise to signaling conflicts and congestion at key nodes. To address these challenges, multi-cluster access schemes based on cluster division have been proposed. In these schemes, different clusters connect simultaneously to orthogonal subchannels, enabling UAVs to assist multiple IoT device clusters in accessing terrestrial networks concurrently. However, UAV-assisted multi-cluster communication faces pressing security and performance issues, including the susceptibility of air interface channels to attacks, the limited computational and storage capacities of IoT devices, signaling conflicts arising from massive concurrent access, and the requirement for seamless handover mechanisms due to the restricted endurance of UAVs. Therefore, the development of a secure and efficient UAV-assisted multi-cluster concurrent access and handover authentication scheme is essential.  Methods  This study proposes a secure authentication scheme for the UAV-assisted multi-cluster IoT device communication model, comprising four main components. First, UAV access authentication is achieved through a traditional pre-shared key mechanism, enabling mutual authentication and key agreement between the UAV and the ground network. Second, concurrent access authentication for multi-cluster IoT devices is realized using multi-layer aggregated signaling and aggregated message authentication code technologies, which effectively mitigate signaling conflicts and node congestion during massive concurrent access. Meanwhile, a Physically Unclonable Function (PUF) mechanism is incorporated to strengthen device-level security, protecting IoT devices against physical attacks while maintaining low storage and computational requirements. Finally, the UAV-assisted concurrent handover authentication integrates multi-layer aggregated signaling, aggregated message authentication code, and a pre-distribution key mechanism to enable fast and secure handovers between multi-cluster IoT devices and new UAVs, thereby ensuring the continuous security of network services.  Results and Discussions  The security of the proposed scheme is validated through formal analysis with the Tamarin tool, complemented by informal security analysis. The results show that the scheme satisfies mutual authentication and data security, and resists replay and man-in-the-middle attacks. The signaling overhead, as well as the computational and storage requirements of IoT devices during concurrent access and handover in multi-cluster communication, are also evaluated. The findings indicate that the scheme generates minimal signaling overhead (Fig. 3), thereby preventing signaling conflicts and node congestion. Moreover, the computational cost on devices remains low (Fig. 4), and the storage demand is minimal (Fig. 5), demonstrating that the scheme is well suited for resource-constrained IoT devices.  Conclusions  This paper proposes a UAV-assisted authentication scheme for concurrent access and handover of multi-cluster IoT devices. In this scheme, UAVs can securely and efficiently access the ground network, while multi-cluster IoT devices achieve concurrent and secure access through UAVs and perform rapid authentication and key agreement during handover to a new UAV. Security and performance analyses demonstrate that the scheme ensures multiple security properties, including mutual authentication, data security, and resistance to replay, man-in-the-middle, and physical attacks, while maintaining low computational and storage overhead on IoT devices. In addition, the scheme features low signaling overhead, effectively preventing signaling conflicts and key node congestion during large-scale concurrent access. Nevertheless, some limitations remain. Future work will explore more comprehensive and practical authentication mechanisms. Specifically, lightweight dynamic key update mechanisms tailored to UAV communication scenarios will be investigated to enhance security with minimal overhead. To address design complexity and environmental adaptability issues caused by PUF hardware dependence, more robust hardware security mechanisms will be considered to improve system stability in complex environments. Moreover, to mitigate the computational and energy burden on UAVs resulting from aggregation and forwarding tasks, approaches such as edge computing offloading will be examined to enable dynamic task allocation and load balancing, ensuring efficient and sustainable operation. Finally, a prototype system will be developed, and field experiments will be conducted to validate the feasibility and performance of the proposed solution in real-world scenarios.
Efficient Blind Detection Clustering Algorithm for Reconfigurable Intelligent Surface-aided Spatial Modulation Systems
ZHANG Lijuan, SHA Sha, ZHONG Huaqian
2025, 47(10): 3518-3527. doi: 10.11999/JEIT250162
Abstract:
  Objective  Reconfigurable Intelligent Surface (RIS)-aided Spatial Modulation (SM) systems (RIS-SM) represent an advanced integration of two promising technologies, offering considerable potential to enhance spectral and energy efficiency in future Sixth-Generation (6G) networks. However, the passive nature of RIS poses a significant challenge to acquiring accurate Channel State Information (CSI), which is essential for conventional signal detection methods. Most traditional algorithms assume perfect CSI, an unrealistic assumption in practical deployments that constrains both performance and scalability. To overcome this limitation, this study proposes an enhanced K-means clustering detection algorithm that reframes the blind detection problem as a clustering task. By exploiting the statistical channel distribution properties inherent to RIS-SM systems, the proposed algorithm achieves efficient blind signal detection without prior CSI and with low computational complexity. These findings contribute to the optimization of RIS-SM system performance and support the development of robust blind detection strategies in complex wireless communication scenarios.  Methods  This study considers a typical RIS-SM architecture in which the RIS comprises multiple passive reflecting elements and the receiver is equipped with multiple antennas. The wireless channel is modeled as an equivalent channel derived from the unique propagation characteristics of the RIS-SM system. By exploiting the statistical distribution of the diagonal elements of this equivalent channel, an improved K-means clustering detection algorithm is proposed, eliminating the requirement for prior CSI. The algorithm’s performance is assessed through extensive simulations. The communication channel is modeled as a Rayleigh fading environment with Additive White Gaussian Noise (AWGN). Phase Shift Keying (PSK) and Quadrature Amplitude Modulation (QAM) schemes are adopted. Bit Error Rate (BER) is used as the primary performance metric to compare the proposed approach against conventional detection methods. Simulations are carried out on the MATLAB platform. Results demonstrate that the proposed algorithm significantly lowers computational complexity while achieving near-optimal detection accuracy, highlighting its suitability for practical deployment in RIS-SM systems.  Results and Discussions  Simulation results indicate that the proposed improved K-means clustering detection algorithm markedly enhances the performance of RIS-SM systems under unknown CSI conditions. As illustrated in Fig. 4 and Fig. 5, the proposed method achieves BER performance that closely approaches that of ideal KMC (KMC(ideal)) and Maximum Likelihood (ML) detectors. It outperforms several benchmark algorithms, including traditional KMC, multi-initialization KMC (KMC(\begin{document}$ P $\end{document})), improved KMC (IKMC), K-means++ (KMC++), and Constrained Clustering-Based Detection (CCBD). While repeated initialization in KMC (\begin{document}$ P $\end{document}) can alleviate poor local minima, it substantially increases computational complexity. IKMC improves centroid initialization but yields limited enhancement in detection accuracy. KMC++ exhibits performance degradation at high Signal-to-Noise Ratio (SNR) due to persistent error floors. CCBD utilizes structural priors to improve clustering but shows performance deterioration when the number of received signals is small. Furthermore, Fig. 6 demonstrates that the proposed algorithm converges more rapidly than other clustering-based methods, particularly under low SNR conditions, highlighting its robustness and efficiency in noisy environments. Table 1 provides additional evidence that the proposed method achieves a favorable balance between detection accuracy and computational cost, supporting its practical value for blind detection in RIS-SM systems.  Conclusions  This study proposes an improved K-means clustering detection algorithm for RIS-SM systems, reformulating the blind detection task as an unsupervised clustering problem. By exploiting the distribution properties of the diagonal elements of the equivalent channel, the algorithm enhances the initialization of clustering centroids, enabling efficient blind signal detection without prior CSI. Simulation results confirm that the proposed method achieves near-optimal detection performance across a wide range of SNR levels and system configurations. These findings offer meaningful contributions to both the theoretical development and practical deployment of RIS-SM systems. The proposed approach is particularly relevant for the design of low-complexity and high-efficiency detection schemes in next-generation wireless networks, including Beyond-5G (B5G) and 6G systems. This work also provides a foundation for future research on blind detection algorithms and their integration with emerging technologies such as RIS, contributing to the advancement of intelligent and adaptive wireless communication systems.
Pareto Optimization of Sensing and Communication Performance of Near-field Integrated Sensing and Communication System
ZHANG Guangchi, XIE Zhili, CUI Miao, WU Qingqing
2025, 47(10): 3528-3537. doi: 10.11999/JEIT250231
Abstract:
  Objective  With the rapid development of Sixth-Generation (6G) communication technology, Integrated Sensing And Communication (ISAC) systems are regarded as key enablers of emerging applications such as the Internet of Things, smart cities, and autonomous driving. High-precision communication and sensing are required under limited spectrum resources. However, most existing studies concentrate on the far-field region, where incomplete derivation of the sensing mutual information metric, neglect of scatterer interference, and insufficient consideration of communication-sensing trade-offs limit the flexibility of beamforming design and reduce practical effectiveness. As application scenarios expand, the demand for efficient integration of communication and sensing becomes more pronounced, particularly in near-field environments where scatterer interference strongly affects system performance In this work, beamforming design for near-field ISAC systems under scatterer interference is investigated. A general expression for sensing mutual information is derived, a multi-objective optimization problem is formulated, and auxiliary variables, the Schur complement, and the Dinkelbach algorithm are employed to obtain Pareto optimal solutions. The proposed method provides a flexible and effective approach for balancing communication and sensing performance, thereby enhancing overall system performance and resource utilization in diverse application scenarios. The findings serve as a valuable reference for the optimal trade-off design of communication and sensing in near-field ISAC systems.  Methods  The proposed beamforming design method first derives a general expression for sensing mutual information in near-field scenarios, explicitly accounting for and quantifying the effect of scatterer interference on sensing targets. A multi-objective optimization problem is then formulated, with the Signal-to-Interference-plus-Noise Ratio (SINR) of communication users and sensing mutual information as objectives. Within this multi-objective framework, communication and sensing performance can be flexibly balanced to satisfy the requirements of different application scenarios. To enable tractable optimization, the sensing mutual information expression is transformed into a Semi-Definite Programming (SDP) problem using auxiliary variables and the Schur complement. Multi-user SINR expressions are reformulated with the Dinkelbach algorithm to convert them into convex functions, facilitating efficient optimization. The multi-objective problem is subsequently reduced to a single-objective one by constructing a system utility function, and the Pareto optimal solution is obtained to achieve the optimal balance between communication and sensing performance. This method provides a flexible and effective design strategy for near-field ISAC systems, substantially enhancing overall system performance and resource utilization.  Results and Discussions  This study presents a beamforming design method that balances communication and sensing performance through innovative optimization strategies. The method derives the general expression of sensing mutual information under scatterer interference, formulates a multi-objective optimization problem with the SINR of communication users and sensing mutual information as objectives, and transforms the problem into a convex form using auxiliary variables, the Schur complement, and the Dinkelbach algorithm. The Pareto optimal solution is then obtained via a system utility function, enabling the optimal balance between communication and sensing performance. Simulation results demonstrate that adjusting the weight parameter ρ flexibly balances user communication and target sensing performance (Fig. 2). As ρ increases from 0 to 1, sensing mutual information rises while user rate decreases, showing that a controllable trade-off can be achieved by tuning weights. In multi-user scenarios, near-field ISAC systems exhibit superior performance compared with far-field systems (Fig. 3). Under near-field conditions, the proposed method achieves more flexible and adjustable trade-offs than the classic Zero-Forcing (ZF) algorithm and single-objective optimization algorithms (Fig. 4, Fig. 5), confirming its effectiveness and superiority in practical applications. Furthermore, the study reveals the interference pattern of scatterers on sensing targets with respect to distance (Fig. 6). The results indicate that the greater the distance difference between a scatterer and a sensing target, the weaker the interference on the target, with sensing mutual information gradually increasing and eventually converging. This finding provides a valuable reference for the design of near-field ISAC systems.  Conclusions  This paper proposes a beamforming design method for balancing communication and sensing performance by jointly optimizing sensing mutual information and communication rate. The method derives the general form of sensing mutual information, reformulates it as an SDP problem, and applies the Dinkelbach algorithm to process multi-user SINR expressions, thereby establishing a multi-objective optimization framework that can flexibly adapt to diverse application requirements. The results demonstrate three key findings: (1) The method enables flexible adjustment of communication and sensing performance, achieving an optimal trade-off through weight tuning, and allowing dynamic adaptation of system performance to specific application needs. (2) It reveals the interference pattern of scatterers on sensing targets with respect to distance, providing critical insights for near-field ISAC system design and supporting optimized system layout and parameter selection in complex environments. (3) In multi-user scenarios, the proposed approach outperforms traditional single-objective optimization methods in both communication rate and sensing mutual information, highlighting its competitiveness and practical value.
Covert Communication Transmission Scheme in Low Earth Orbit Satellite Integrated Sensing and Communication Systems
ZHU Zhengyu, OUYANG Zebin, PAN Gaofeng, WANG Shuai, SUN Gangcan, CHU Zheng, HAO Fengyu
2025, 47(10): 3538-3548. doi: 10.11999/JEIT250208
Abstract:
  Objective  Globalization has driven growing demand for ubiquitous communication. However, traditional terrestrial networks face limitations in areas with poor infrastructure, such as deserts, oceans, and airspace. Satellite communication, with its flexibility, wide frequency coverage, and high capacity, offers a viable alternative for these environments. Yet, due to the open nature of satellite channels and long-distance transmission, signals remain vulnerable to interception, posing serious security challenges. Conventional wireless security measures, including physical-layer techniques and encryption, are limited by assumptions about computational hardness and the statistical structure of intercepted ciphertexts. Covert communication aims to reduce the probability of signal detection by eavesdroppers, providing an alternative layer of security. In Low Earth Orbit (LEO) satellite systems, high mobility leads to dynamic channel variations and misalignment of transmission beams, further complicating covert communication. To mitigate these challenges, Integrated Sensing And Communication (ISAC) technology can be embedded in satellite systems. By detecting the approximate location of potential eavesdroppers and directing radar beams to degrade their detection capability, ISAC improves communication covertness. This study proposes a covert communication strategy tailored for LEO satellite ISAC systems, offering enhanced security in satellite-based infrastructure.  Methods  This paper investigates a covert communication scheme in LEO satellite ISAC systems. First, the system model of the LEO satellite ISAC system is proposed, and the covertness constraints within the system are analyzed. Based on this, an optimization problem is formulated with the objective of maximizing the total covert communication rate for multiple users, subject to constraints including satellite power limits, radar power limits, sensing performance thresholds, and covertness requirements. This optimization problem is non-convex and highly coupled in variables, making it intractable to solve directly. To address this, relaxation variables are introduced to simplify the objective function into a solvable form. Subsequently, an alternating optimization algorithm is employed to decompose the original problem into two subproblems. One subproblem is transformed into an equivalent convex problem using methods like SemiDefinite Relaxation (SDR) and Successive Convex Approximation (SCA), which is then solved iteratively. The obtained solution from this subproblem is then used to solve the other subproblem. Once the solutions to both subproblems are determined, the original problem is effectively solved.  Results and Discussions  This paper validates the performance of the proposed covert communication transmission scheme through numerical simulations. To demonstrate the effectiveness of the proposed scheme, a comparison with a system lacking ISAC technology is introduced. First, the convergence of the proposed algorithm is verified (Fig. 2). The algorithm achieves rapid convergence under different resource allocation configurations in the system (converging at the 7th iteration). Additionally, higher covertness requirements lead to lower covert communication rates, as stricter covertness constraints reduce the allowable upper limit oft the satellite transmit power. Increasing the upper limit of the radar power causes a slight decline in the covert rate because Bob is subjected to minor interference from the radar beam. However, since the primary radar beam is focused on Eve, the interference level remains limited. Second, a higher number of satellite antennas improves the system’s covert communication rate (Fig. 3). This is attributed to the increased spatial dimensions available for optimizing signal transmission and reception. More antennas enable additional independent signal paths, enhancing transmission performance and flexibility. When the satellite is equipped with 81 antennas and the covertness requirement is 0.1, the total covert rate reaches 17.18 bit/(s·Hz). Compared to the system without ISAC technology, the proposed system demonstrates superior resistance to detection (Fig. 4). The radar beam introduces interference to eavesdroppers, and higher upper limit of the radar power degrades the eavesdropper’s detection performance. Finally, increasing the upper limit of the satellite transmit power improves the covert communication rate (Fig. 5). In the system without ISAC, the upper limit of the satellite power cannot be arbitrarily increased due to covertness constraints. However, the ISAC-enabled system leverages radar integration to grant the satellite greater flexibility in power allocation, thereby enhancing the covert rate. Notably, raising the lower bound of sensing performance slightly reduces the covert rate, as higher sensing demands require increased upper limit of the radar power, which introduces additional interference to Bob’s signal reception.  Conclusions  This paper investigates a covert communication transmission scheme in an LEO satellite-enabled ISAC system. An optimization problem is formulated to maximize the sum of multi-user covert communication rates, subject to constraints including covertness requirements, minimum sensing performance, the upper limit of the radar power budget, and the upper limit of the satellite power budget. The alternating optimization algorithm and SCA algorithm are jointly employed to design the radar and satellite beamforming, as well as the radar receiver filter. Simulation results demonstrate that, compared to a system without radar beam interference, the proposed system with radar beam interference significantly reduces the detectability of communication between Alice and Bob. Furthermore, the integration of radar enhances the satellite’s flexibility to increase transmit power, thereby improving the overall covert communication rate of the system.
Study on Time Slot Allocation and Monitoring Performance of UAT2 Data Link Status Bitmap
TANG Xinmin, TANG Shengjia, WEN Jingyu, GU Junwei
2025, 47(10): 3549-3561. doi: 10.11999/JEIT250251
Abstract:
  Objective  With the advancement of Urban Air Mobility (UAM), the rapid growth in aircraft numbers under such scenarios requires improved time slot allocation algorithms for the Universal Access Transceiver 2 (UAT2) data link to enhance surveillance capacity. This study analyzes the original time slot allocation algorithm for UAT2, identifying limitations related to downlink message time slot management. An improved allocation algorithm based on a state bitmap with a random drift mechanism is proposed considering message characteristics. Additionally, three transmission schemes to expand the number of time slots are proposed, and a surveillance capacity calculation model is established. The performance of each transmission scheme under different slot allocation strategies is simulated and evaluated. The research addresses the challenge of insufficient surveillance capacity in UAT2 data link under high-density UAM scenarios and provides an optimized approach for time slot allocation and surveillance performance improvement.  Methods  The study begins with an analysis of the original UAT2 time slot allocation algorithm, which is limited in high-density aircraft environments due to its pseudo-random mechanism based on geographic coordinates. The proposed algorithm introduces a state bitmap, implemented as a bit vector table where each bit indicates whether the corresponding time slot is occupied. When an aircraft selects a time slot, it first generates a pseudo-random number using the algorithm specified in DO-282C MOPS. The state bitmap is then checked: if the corresponding bit is 0, the time slot is selected; if 1, a piecewise random drift mechanism adjusts the slot selection, as shown in Formula (17). The drift mechanism segments the time slots to distribute selections more evenly and reduce collision probability. The algorithm also applies a slot retention period T, allowing an aircraft to occupy the same time slot for T consecutive UAT frames before reselecting, as defined by Formulas (19)–(21). To further expand time slot availability, three transmission schemes are proposed: Multi-ary Continuous Phase Frequency Shift Keying (MCPFSK) with modulation orders M = 4 and 8, constant modulation index with increased symbol rate, and constant carrier frequency difference with reduced modulation index. The available number of time slots for each scheme is calculated using Formula (26). A surveillance capacity model incorporating bit error rate and collision probability is established, as expressed by Formulas (27)–(30).  Results and Discussions  Simulation results demonstrate that the improved algorithm substantially outperforms both the original algorithm and the fixed time-window dynamic slot allocation algorithm. Under the original transmission scheme, the improved algorithm reduces slot collision probability by 16.78% and increases slot utilization by 16.12% compared to the original algorithm (Table 3). Relative to the algorithm described in [Ref. 19], the collision probability decreases by 10.80%, and slot utilization increases by 10.48%. For the expanded time slot schemes, when maximum surveillance capacity is reached, the improved algorithm reduces collision probability by 16.14% and increases slot utilization by 16.13% relative to the original algorithm (Table 3). Among these schemes, the 8CPFSK expansion achieves the highest surveillance capacity of 3913, with a slot utilization rate of 79.37% (Table 3). Real-time performance testing indicates that even in high-density scenarios, the improved algorithm maintains scheduling times within 120 ms, meeting the real-time operational requirements of UAT2 (Fig. 10). Bit Error Rate (BER) simulations reveal that the MCPFSK scheme provides superior anti-interference performance, whereas the constant carrier frequency difference scheme exhibits the highest BER (Fig. 11).  Conclusions  A slot allocation algorithm for the UAT2 data link based on state bitmaps and a random drift mechanism is proposed in this study. Compared to the original algorithm, the proposed method reduces slot collision probability by 16.78% and improves slot utilization by 16.12% under the original transmission scheme. When compared to the fixed time-window dynamic slot allocation algorithm described in [Ref. 19], collision probability decreases by 10.80%, and slot utilization increases by 10.48%. Three transmission schemes designed to expand slot availability are also proposed. Simulation results show that as the number of available slots increases, the performance advantage of the improved algorithm becomes more pronounced. Across all transmission schemes, when maximum surveillance capacity is reached, the improved algorithm reduces slot collision probability by approximately 16% and increases slot utilization by approximately 17%. In addition, a surveillance capacity calculation model for the UAT2 data link is established. Quantitative simulation results based on slot collision probability and BER performance confirm that the effective surveillance capacity of the improved algorithm is significantly higher than that of both the original algorithm and the fixed time-window dynamic slot allocation algorithm. It is also demonstrated that the proposed algorithm achieves optimal surveillance performance when all aircraft are equipped with both transmission and reception capabilities. Future research will focus on optimizing slot allocation algorithms for scenarios where aircraft possess only transmission capability.
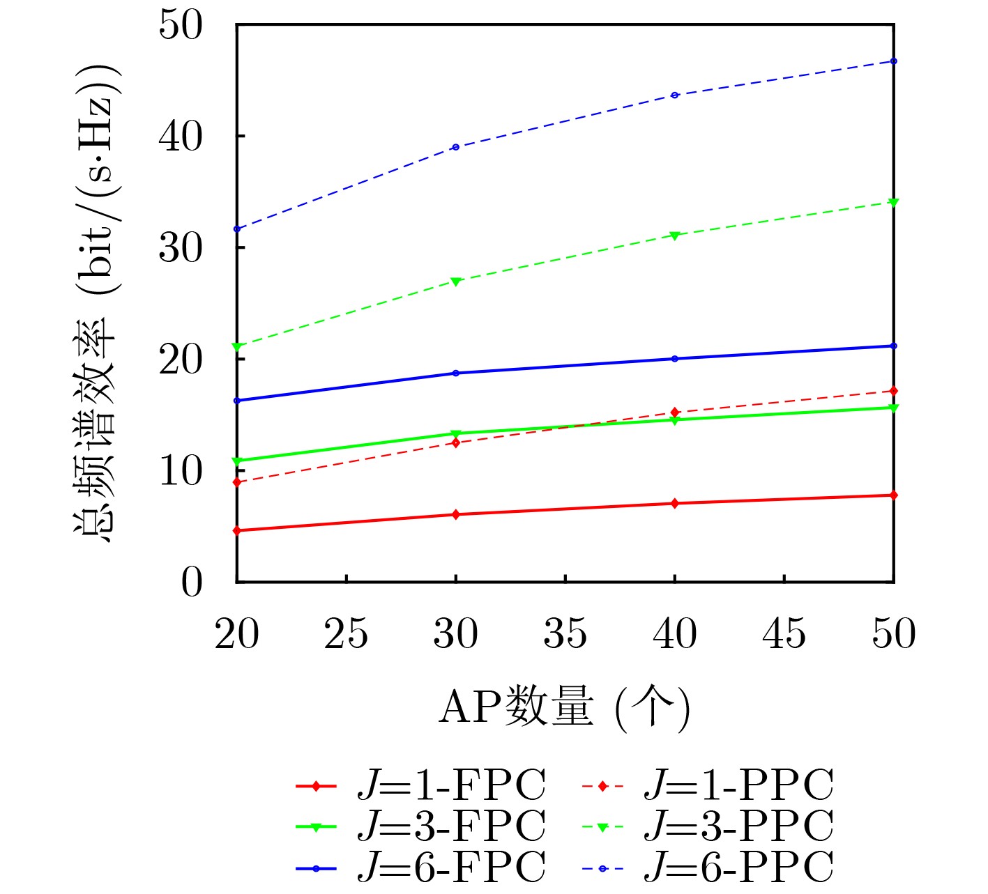
Resource Allocation in Reconfigurable Intelligent Surfaces Assisted NOMA Based Space-Air-Ground Integrated Network
LIANG Wei, LI Aoying, LUO Wei, LI Lixin, LIN Wensheng, LI Xu, WEI Baoguo
2025, 47(10): 3562-3579. doi: 10.11999/JEIT250078
Abstract:
  Objective  The exponential growth of 6G wireless communication demands has positioned the Space-Air-Ground Integrated Network (SAGIN) as a promising architecture, aiming to achieve broad coverage and adaptive networking. However, complex geographic environments, including building obstructions, frequently hinder direct communication between ground users and base stations, thereby requiring effective relay strategies to maintain reliability. Reconfigurable Intelligent Surfaces (RIS) have attracted considerable attention for their capacity to improve signal coverage through passive beamforming. This study develops an RIS-assisted SAGIN architecture incorporating aerial RIS clusters and High-Altitude Platforms (HAPS) to enable communication between ground users and a Low Earth Orbit (LEO) satellite. To enhance energy efficiency, the system further optimizes user relay selection, power allocation, and beamforming for both LEO and RIS components.  Methods  The proposed system integrates LEO satellites, HAPS, Unmanned Aerial Vehicles (UAVs) equipped with RIS, and ground users within a three-dimensional communication space. Due to environmental obstructions, ground users are unable to maintain direct links with base stations; instead, RIS functions as a passive relay node. To improve relay efficiency, users are grouped and associated with specific RIS units. The total system bandwidth is partitioned into sub-channels assigned to different user groups. A matching algorithm is designed for user selection, followed by user group association with each RIS. For LEO communications, HAPS serve as active relay nodes that decode and forward signals to ground base stations. The system considers both direct and RIS-assisted communication links. An optimization problem is formulated to maximize energy efficiency under constraints related to user Quality of Service (QoS), power allocation, and beamforming for both LEO and RIS. To solve this, the proposed Alternating Pragmatic Iterative Algorithm in SAGIN (APIA-SAGIN) decomposes the problem into three sub-tasks: user relay selection, LEO beamforming, and RIS beamforming. The Successive Convex Approximation (SCA) and SemiDefinite Relaxation (SDR) methods are employed to transform the original non-convex problem into tractable convex forms for efficient solution.g.  Results and Discussions  Simulation results confirm the effectiveness of the proposed APIA-SAGIN algorithm in optimizing the energy efficiency of the RIS-assisted SAGIN. As shown in (Fig. 5), increasing the number of RIS elements and LEO antennas markedly improves energy efficiency compared with the random phase shift algorithm. This demonstrates that the proposed algorithm enables channel-aware control by aligning RIS beamforming with the ground transmission channel and jointly optimizing LEO beamforming, RIS beamforming, and LEO-channel alignment. As illustrated in (Fig. 6), both energy efficiency and the achievable rate of the LEO link increase with transmission power. However, beyond a certain power threshold, energy consumption rises faster than the achievable rate, leading to diminishing or even negative returns in energy efficiency. (Fig. 7) shows that higher power in ground user groups leads to increased achievable rates. Nonetheless, expanding the number of RIS elements proves more effective than increasing transmission power for enhancing user throughput. As shown in (Fig. 8), a higher number of RIS elements leads to simultaneous improvements in energy efficiency and achievable rate in the ground segment. Moreover, increasing the number of ground users does not degrade energy efficiency; instead, it results in a gradual increase, suggesting efficient resource allocation. Compared with the random phase shift algorithm, the proposed approach achieves superior performance in both energy efficiency and achievable rate. These findings support its potential for practical deployment in SAGIN systems.  Conclusions  This study proposes an RIS-assisted SAGIN architecture that utilizes aerial RIS clusters and HAPS to support communication between ground users and LEO satellites. The APIA-SAGIN algorithm is developed to jointly optimize user relay selection, LEO beamforming, and RIS beamforming with the objective of maximizing system energy efficiency. Simulation results demonstrate the effectiveness and robustness of the algorithm under complex conditions. The proposed approach offers a promising direction for improving the energy efficiency and overall performance of SAGIN, providing a foundation for future research and practical implementation.
Graph-structured Data-driven Topology Inference for Non-cooperative Clustered Wireless Communication Networks
HOU Changbo, FU Dingyi, SONG Zhen, WANG Bin, ZHOU Zhichao
2025, 47(10): 3580-3594. doi: 10.11999/JEIT250084
Abstract:
  Objective  The emergence of clustered target communication networks complicates electromagnetic environment detection in non-cooperative scenarios, creating challenges for electromagnetic situation awareness and electronic countermeasures. Existing research seldom addresses topology prediction under conditions with no prior knowledge, where the absence of explicit structural information and the dynamic nature of the networks hinder accurate inference. This study investigates topology prediction for non-cooperative clustered wireless communication networks using graph-structured data-driven approaches. Specifically, it evaluates the performance of multiple topology inference methods, including the Multivariate Hawkes Process (MHP), Peter-Clark Momentary Conditional Independence (PCMCI), Graph Encoder-Decoder (GED), and Graph Convolutional Networks (GCN). The effects of network properties such as node count and edge probability on inference accuracy are analyzed. Additionally, a hybrid framework that integrates statistical models with graph-based learning is explored to improve inference accuracy and computational efficiency.  Methods  The proposed methodology combines causal inference with Graph Neural Network (GNN)-based learning. Adjacency matrices are first generated through causal discovery, using time-domain matrices derived from simulated wireless communication events. These matrices are constructed by thresholding power spectra to yield binary communication states. The GNN module subsequently refines the causal discovery output by suppressing false positives and optimizing global topology through encoder-decoder operations with multi-head attention mechanisms. To assess robustness, synthetic datasets are generated with NS-3 simulations under varying conditions: edge probabilities (0.15~0.60), node densities (8~13 nodes), sampling durations (0.05~0.30 ms), and node feature completeness (partial, 50%; full, 100%). Connectivity patterns are modeled by incorporating distance-adjusted edge probabilities. Performance evaluation uses F1-score, accuracy, recall, and inference time, with systematic comparison across baseline models (MHP, PCMCI, GCN, GED) and hybrid variants (PCMCI+GED, MHP+GED).  Results and Discussions  The PCMCI+GED hybrid framework consistently achieves superior topology prediction across diverse network configurations. At an edge probability of 0.45, PCMCI+GED with full node features attains an F1-score of 0.808, exceeding the performance of standalone PCMCI and GED by 31.1% and 4.9%, respectively (Fig. 7). This improvement arises from the synergy between causal priors and graph neural networks: PCMCI establishes preliminary causal relationships, while GED refines inference through global attention mechanisms that reduce false positives. Comparative analysis reveals that richer node features enhance topology inference in causal inference methods (Fig. 7). For example, MHP+GED with full features exceeds its 50% feature counterpart by 2.10%, and PCMCI+GED with full features improves by 3.04%. Yet, the most substantial gains come from combining causal inference with GED. Relative to standalone MHP with full features, MHP+GED improves by 30.65% with 50% features and 33.40% with full features. Similarly, PCMCI+GED improves by 34.43% and 38.51% under the same conditions. In contrast, relying solely on GNNs proves insufficient for modeling causal relationships. GED alone performs similarly to GCN, with Mean Absolute Error (MAE) and Root Mean Squared Error (RMSE) values of 0.0149 and 0.0206, respectively (Fig. 8). Without causal priors, GED offers no significant advantage over GCN; however, when priors are incorporated, GED outperforms GCN in inference accuracy (Fig. 9). Sampling duration analysis shows that 0.1 ms is optimal, balancing redundancy and information loss (Fig. 10, Table 2). Shorter intervals (0.05 ms) inflate computational costs through high-dimensional operations, whereas longer intervals (0.30 ms) obscure temporal dependencies, reducing the F1-score of PCMCI+GED with full features to 40.57% of its value at 0.1 ms. Efficiency evaluations highlight trade-offs between accuracy and runtime. With 50% node features, PCMCI+GED reduces inference time by 88.63% while retaining 96.96% of its F1-score. Under the same conditions, MHP+GED reduces inference time by 85.48% with only a 2.07% drop in performance (Fig. 11). PCMCI’s exponential complexity makes it computationally prohibitive in high-dimensional settings, whereas MHP’s quadratic scaling with node count and linear scaling with event frequency yield more modest efficiency gains. In low-dimensional settings, however, MHP’s event-driven computation leads to longer runtimes than PCMCI. Heatmap analysis further confirms the precision of the hybrid models. Adjacency matrices generated by PCMCI+GED and MHP+GED with full features closely align with the ground truth, demonstrating high predictive accuracy (Fig. 9). In sparse networks, standalone PCMCI introduces noise by linking non-interacting nodes, while GCN generates fragmented predictions due to the absence of causal priors. The hybrid framework alleviates these limitations by combining PCMCI’s local causal inference with GED’s global optimization. Overall, the hybrid framework addresses key shortcomings of individual methods: the high computational cost of PCMCI and MHP, and the limited interpretability of GNNs. By integrating causal discovery with graph-based deep learning, the model achieves state-of-the-art predictive accuracy while maintaining scalability. Its performance highlights the potential for real-time applications in resource-constrained environments, emphasizing the importance of balancing causal priors and data-driven learning for advancing non-cooperative wireless communication network analysis.  Conclusions  This study demonstrates the effectiveness of combining PCMCI-based causal inference with GED-enhanced GNN for topology prediction in non-cooperative clustered wireless communication networks. The hybrid model achieves state-of-the-art accuracy, particularly in dense networks, while partial node feature inputs substantially reduce computational overhead. Although the exponential complexity of PCMCI constrains scalability in high-dimensional settings, integration with GED alleviates this limitation through feature reduction and global optimization. The findings highlight the need to balance accuracy and efficiency in practical applications, where GCN offers a viable option for real-time inference. Future research will explore attention mechanisms and self-supervised learning to further enhance robustness. These advancements hold promise for improving electromagnetic situation awareness and electronic countermeasure strategies in dynamic adversarial environments.
Cross-Layer Collaborative Resource Allocation in Maritime Wireless Communications: QoS-Aware Power Control and Knowledge-Enhanced Service Scheduling
ZHANG Zhilin, MAO Zhongyang, LU Faping, PAN Yaozong, LIU Xiguo, KANG Jiafang, YOU Yang, JIN Yin
2025, 47(10): 3595-3609. doi: 10.11999/JEIT250252
Abstract:
  Objective  Maritime wireless communication networks face significant challenges, including dynamic topology drift, large-scale channel fading, and cross-layer resource competition. These factors hinder the effectiveness of traditional single-layer resource allocation methods, which struggle to maintain the balance between high-quality communications and heterogeneous service demands under limited network resources. This results in degraded Quality of Service (QoS) and uneven service guarantees. To address these challenges, this study proposes a cross-layer collaborative resource allocation framework that achieves balanced enhancement of system throughput and QoS assurance through closed-loop optimization, integrating physical-layer power control with network-layer service scheduling. First, a cross-layer wireless network transmission model is established based on the coupling mechanism between physical-layer channel capacity and transport-layer TCP throughput. Second, a dual-threshold water-level adjustment mechanism, incorporating both Signal-to-Noise Ratio (SNR) and QoS metrics, is introduced into the classical water-filling framework, yielding a QoS-aware dual-threshold water-filling algorithm. This approach strategically trades controlled throughput loss for improved QoS of high-priority services. Furthermore, a conflict resolution strategy optimization filter with dual-channel feature decoupling is designed within a twin deep reinforcement learning framework to enable real-time, adaptive node-service dynamic matching. Simulation results demonstrate that the proposed framework improves average QoS scores by 9.51% and increases critical service completion by 1.3%, while maintaining system throughput degradation within 10%.  Methods  This study advances through three main components: theoretical modeling, algorithm design, and system implementation, forming a comprehensive technical system. First, leveraging the coupling relationship between physical-layer channel capacity and transport-layer Transmission Control Protocol (TCP) throughput, a cross-layer joint optimization model integrating power allocation and service scheduling is established. Through mathematical derivation, the model reveals the nonlinear mapping between wireless resources and service demands, unifying traditionally independent power control and service scheduling within a non-convex optimization structure, thus providing a theoretical foundation for algorithm development. Second, the proposed dynamic dual-threshold water-filling algorithm incorporates a dual-regulation mechanism based on SNR and QoS levels. A joint mapping function is designed to enable flexible, demand-driven power allocation, enhancing system adaptability. Finally, a twin deep reinforcement learning framework is constructed, which achieves independent modeling of node mobility patterns and service demand characteristics through a dual-channel feature decoupling mechanism. A dynamic adjustment mechanism is embedded within the strategy optimization filter, improving critical service allocation success rates while controlling system throughput loss. This approach strengthens system resilience to the dynamic, complex maritime environment.  Results and Discussions  Comparative ablation experiments demonstrate that the dynamic dual-threshold water-filling algorithm within the proposed framework achieves a 9.51% improvement in QoS score relative to conventional water-filling methods. Furthermore, the Domain Knowledge-Enhanced Siamese DRL (DKES-DRL) method exceeds the Siamese DRL approach by 3.25% (Fig. 6), albeit at the expense of a 9.3% reduction in the system’s maximum throughput (Fig. 7). The average number of completed transactions exceeds that achieved by the traditional water-filling algorithm by 1.3% (Fig. 8, Fig. 9). In addition, analysis of the effect of node density on system performance reveals that lower node density corresponds to a higher average QoS score (Fig. 10), indicating that the proposed framework maintains service quality more effectively under sparse network conditions.  Conclusions  To address the complex challenges of dynamic topology drift, multi-scale channel fading, and cross-layer resource contention in maritime wireless communication networks, this paper proposes a cross-layer collaborative joint resource allocation framework. By incorporating a closed-loop cross-layer optimization mechanism spanning the physical and network layers, the framework mitigates the imbalance between system throughput and QoS assurance that constrains traditional single-layer optimization approaches. The primary innovations of this work are reflected in three aspects: (1) Cross-layer modeling is applied to overcome the limitations of conventional hierarchical optimization, establishing a theoretical foundation for integrated power control and service scheduling. (2) A dual-dimensional water-level adjustment mechanism is proposed, extending the classical water-filling algorithm to accommodate QoS-driven resource allocation. (3) A knowledge-enhanced intelligent decision-making system is developed by integrating model-driven and data-driven methodologies within a deep reinforcement learning framework. Simulation results confirm that the proposed framework delivers robust performance in dynamic maritime channel conditions and heterogeneous traffic scenarios, demonstrating particular suitability for maritime emergency communication environments with stringent QoS requirements. Future research will focus on resolving engineering challenges associated with the practical deployment of the proposed framework.
Low-Complexity Spectrum-efficiency Optimization Algorithm for Cell-Free Massive MIMO-NOMA Systems
ZHOU Wei, YANG Yu, XIANG Bo, ZHANG Yi, HUANG Hua
2025, 47(10): 3610-3620. doi: 10.11999/JEIT250189
Abstract:
  Objective  With the evolution of wireless communication toward ultra-dense networks, optimizing spectrum efficiency in cell-free massive Multiple-Input Multiple-Output (MIMO) Non-Orthogonal Multiple Access (NOMA) systems faces the challenge of balancing algorithmic complexity and performance. Traditional user clustering methods, such as random clustering, exhibit high randomness and easily converge to suboptimal solutions, whereas exhaustive search is computationally prohibitive. Similarly, power allocation schemes with rigid fixed thresholds often fail to accommodate dynamic user demands, resulting in imbalanced resource utilization and reduced fairness. To address these limitations, this study proposes a low-complexity joint optimization algorithm. By collaboratively designing user clustering and power allocation, the algorithm maximizes the system’s sum spectrum efficiency while guaranteeing the quality of service for low-rate users, thereby offering an efficient resource allocation strategy for cell-free massive MIMO-NOMA systems.  Methods  A downlink sum spectrum efficiency maximization model is first constructed and decomposed into two sub-problems: user clustering and power allocation. A clustering algorithm based on cluster head selection and channel difference maximization is then proposed, which reduces the complexity of pairing searches by optimizing the selection of cluster heads. Based on the clustering results, a minimum-rate enhancement constraint mechanism is incorporated. The resulting non-convex power allocation problem is subsequently transformed into a convex optimization form using the Successive Convex Approximation (SCA) method.  Results and Discussions  The relationship between sum spectrum efficiency and the number of users under different clustering algorithms is shown in (Fig. 2). Under perfect Successive Interference Cancellation (SIC) conditions, the proposed algorithm achieves performance comparable to that of the statistical clustering algorithm, whereas the combined clustering algorithm yields the lowest efficiency. Under imperfect SIC, the proposed algorithm maintains the highest spectrum efficiency, while the performance of the statistical algorithm decreases. The sum spectrum efficiency is markedly reduced by imperfect SIC, particularly when the number of users is small. This reduction arises from insufficient elimination of intra-cluster interference, leading to increased residual interference. Notably, the NOMA system supports twice the user capacity of Orthogonal Multiple Access (OMA), confirming its superior spectrum resource utilization. The relationship between sum spectrum efficiency and the number of Access Points (APs) is shown in (Fig. 3). Spectrum efficiency improves substantially as the number of APs increases, owing to enhanced channel hardening and interference suppression. Under perfect SIC, both the proposed algorithm and the statistical clustering algorithm achieve similar performance, exceeding the combined algorithm. The advantage of the proposed algorithm is further demonstrated under imperfect SIC. Increasing the number of deployed APs strengthens anti-interference capability and expands user capacity, verifying the efficiency and robustness of the proposed clustering algorithm under both perfect and imperfect SIC conditions. The effect of intra-cluster user numbers on spectrum efficiency is evaluated in (Fig. 4). Spectrum efficiency increases with the number of APs, largely due to improved coverage and channel estimation accuracy. However, efficiency decreases significantly as intra-cluster user numbers increase, which is attributed to aggravated intra-cluster interference and constraints on power resource allocation. The convergence of the proposed algorithm is demonstrated in (Fig. 5), where the optimal solution is reached within approximately seven iterations. After power allocation optimization, the efficiency gap between imperfect and perfect SIC remains below 0.2 bit/(s·Hz). Compared with Full Power Control (FPC), the Proposed Power Control (PPC) scheme effectively mitigates residual interference and achieves performance close to perfect SIC under practical conditions. The relationship between sum spectrum efficiency and AP numbers with different antenna configurations is presented in (Fig. 6). Efficiency continuously improves with increasing AP numbers and per-AP antenna numbers, owing to stronger channel hardening effects. Across all AP configurations, the PPC scheme demonstrates clear advantages over FPC, with the benefits becoming more pronounced in densely deployed networks. Power allocation optimization further enhances efficiency as antenna numbers increase. Finally, the cumulative distribution of per-user spectrum efficiency under different power control schemes is illustrated in (Fig. 7). The PPC scheme substantially reduces the proportion of inefficient users (0~0.2 bit/(s·Hz)), thereby improving system fairness. By contrast, the FPC scheme performs slightly better in the high-efficiency region, but this advantage comes at the expense of user fairness. In user-intensive scenarios, the PPC scheme effectively balances system stability and fairness by ensuring minimum rates for weak users.  Conclusions  A low-complexity joint optimization algorithm is presented to address the challenge of spectrum efficiency optimization in cell-free massive MIMO-NOMA systems. Through theoretical analysis and simulation, the spectrum efficiency and computational complexity of the system are compared under different user clustering algorithms and power allocation schemes. The results show that the proposed clustering algorithm significantly enhances system performance across various AP deployments and antenna configurations, while reducing computational complexity by 47.5% compared with the statistical clustering algorithm. Furthermore, the joint power allocation scheme demonstrates clear advantages over FPC in terms of spectrum efficiency and user fairness, verifying the effectiveness and practicality of the proposed algorithm.
SINR Adaptive Symbol Level Precoding and Position Joint Optimization Strategy for Multiple Unmanned Aerial Vehicles Anti-Jamming Communication
WEI Haoran, YAO Rugui, FAN Ye, MA Weixin, ZUO Xiaoya
2025, 47(10): 3621-3631. doi: 10.11999/JEIT250221
Abstract:
  Objective  Unmanned Aerial Vehicles (UAVs) are widely applied in areas such as traffic monitoring, wireless coverage, and precision agriculture due to their high mobility and deployment flexibility. In air–ground communication scenarios requiring flexible deployment, UAV mobility can be leveraged to counteract external malicious jamming. Further, the collaborative operation of multiple UAVs enables improved system performance. However, the broadcast nature of wireless communication renders multiple UAV communication systems vulnerable to jamming attacks that disrupt legitimate communication services. Addressing this challenge, this study proposes a Signal-to-Interference-plus-Noise Ratio (SINR) adaptive Symbol-Level Precoding (SLP) and position joint optimization strategy for anti-jamming communication in multi-UAV systems. The approach fully exploits UAV mobility to enhance communication robustness under different user requirements. By integrating Coordinated Multi-Point (CoMP) transmission with SLP in a Multi-User Multiple-Input Single-Output (MU-MISO) system, the strategy improves interference utilization, enhances system energy efficiency, and reduces computational complexity.  Methods  An SINR adaptive SLP and position joint anti-jamming optimization strategy for multiple UAVs is proposed by integrating CoMP and SLP technologies. To address the challenges of three-dimensional operational space and the overlap of nodes assigned to multiple sets, a ground-to-air multi-node matching mechanism based on three-dimensional K-means++ collaborative set partitioning is designed. To reduce the computational complexity of the joint optimization process, an iterative optimization algorithm based on particle reconstruction is developed. This algorithm simultaneously solves for both the UAV precoding matrix and spatial positions with low computational overhead. Additionally, an SINR adaptive SLP approach is introduced to enable optimized power allocation for multiple UAVs, considering the varying power characteristics of jamming and noise experienced by users. Simulation results demonstrate that the integration of CoMP and SLP technologies effectively enhances the communication performance of jammed users, while stable communication performance is maintained for ordinary users.  Results and Discussions  In the proposed UAV anti-jamming communication strategy, the SINR of jammed users is improved without compromising the normal communication performance of ordinary users. In the simulation results, UAV positions are marked with five-pointed stars (Figs. 6 and 7), UAV coverage areas are represented by circles, and users are indicated by dots. A comparison of SINR variations under four schemes (Fig. 8) shows that the received SINR of jammed users increases by approximately 12~13 dB, while the SINR of ordinary users remains above the required threshold. When different SINR thresholds are applied, the received SINR of each user type varies accordingly (Fig. 9). By setting appropriate thresholds based on actual scenario requirements, different energy allocation effects can be achieved. Following optimization, the Bit Error Rate (BER) of jammed users is significantly reduced (Fig. 10). The constellation diagrams comparing the received signals under two precoding schemes (Fig. 11) indicate that the proposed SINR adaptive SLP strategy for multiple UAVs effectively improves the SINR of jammed users, while maintaining the communication quality of ordinary users. Moreover, the fitness evolution curve of the iterative optimization algorithm based on particle reconstruction (Fig. 12) shows that the algorithm approaches the global optimal solution at an early stage of iteration.  Conclusions  To address the challenge of anti-jamming communication for multi-user services supported by multiple UAVs, this study integrates CoMP transmission with SLP technology and proposes an SINR adaptive SLP and position joint optimization strategy for multi-UAV anti-jamming communication. The strategy is implemented in two stages. First, to solve the clustering problem in three-dimensional space and allow nodes to belong to multiple groups, a ground-to-air multi-node matching mechanism based on three-dimensional K-means++ collaborative set partitioning is designed. Second, an SINR adaptive SLP method is proposed to optimize UAV power allocation based on the SINR requirements of different user types. To reduce the computational complexity of jointly optimizing the precoding matrix and UAV positions, an iterative optimization algorithm based on particle reconstruction is developed. Simulation results demonstrate that the proposed strategy, by combining CoMP and SLP, effectively improves the communication performance of jammed users while maintaining reliable communication for ordinary users.
Multi-Objective Optimization of UAV-Assisted Wireless Power Transfer Mobile Edge Computing System
LIU Jianhua, LI Guohua, LIU Jiajia, TU Xiaoguang
2025, 47(10): 3632-3645. doi: 10.11999/JEIT250026
Abstract:
  Objective   With the rapid growth of data volume at the edge of the Internet of Things (IoT), traditional centralized computing architectures are inadequate to meet real-time processing requirements. Due to the limited computing and storage capabilities of IoT devices, data overflow frequently occurs when handling large volumes of information. Meanwhile, the reliance on battery power exacerbates energy shortages, further hindering continuous operation and data processing. Unmanned Aerial Vehicles (UAVs), with their flexible deployment capabilities, are increasingly being integrated into distributed computing environments to improve IoT data processing efficiency. However, the stochastic and dynamic nature of IoT user demands presents significant challenges for existing resource scheduling schemes, which struggle to effectively coordinate UAV deployments. Moreover, most studies focus on single-objective optimization, making it difficult to simultaneously balance energy harvesting, energy consumption, system latency, and data transmission rates under complex environmental conditions. To address these challenges, this paper proposes an optimization framework for a UAV-assisted, wireless-powered Mobile Edge Computing (MEC) system based on an improved Multi-Objective Deep Deterministic Policy Gradient (MODDPG) algorithm. The proposed method jointly optimizes task offloading, energy harvesting, flying energy consumption, and system latency, enhancing the overall performance and feasibility of IoT systems.  Methods   This paper designs a UAV-assisted, wireless-powered MEC system model, where the UAV follows a “fly-hover-communicate” protocol and operates in full-duplex mode during hovering to simultaneously perform data collection and energy transmission. The system model integrates a propulsion energy consumption model and a nonlinear energy harvesting model, formulating a multi-objective optimization problem based on task generation, energy state, and wireless channel conditions of IoT devices. To address this optimization problem, an improved MODDPG algorithm is proposed. A multi-dimensional reward function is constructed to maximize the data transmission rate and total harvested energy while minimizing system energy consumption and task offloading latency within a unified reinforcement learning framework. The agent continuously interacts with the dynamic environment to optimize the UAV’s flight trajectory, task offloading ratio, and energy transmission strategy. The proposed method is implemented and validated through extensive simulations conducted on the Python platform under various experimental settings.  Results and Discussions  To evaluate the performance of the proposed algorithm, comparative experiments are conducted against four other control strategies. The impact of different data collection coverage radii on the proposed strategy is analyzed (Fig. 3, Fig. 4). In terms of total data transmission rate, the \begin{document}${P_{\rm{MODDPG}}}$\end{document} strategy consistently ranks second to the maximum throughput strategy across all coverage settings, while significantly outperforming the other three strategies (Fig. 3(a)). Regarding total harvested energy, \begin{document}${P_{\rm{MODDPG}}}$\end{document} achieves the highest energy collection in all scenarios, with performance improving as the coverage radius increases (Fig. 3(b)), demonstrating its capability to enhance energy transmission coverage and system efficiency. In terms of system energy consumption, the \begin{document}${P_{{V_{\max }}}}$\end{document} strategy exhibits the highest energy usage, whereas \begin{document}${P_{\rm{MODDPG}}}$\end{document} effectively controls flight energy consumption, maintaining significantly lower energy usage compared to high-speed flying strategies (Fig. 3(c)). For average latency, \begin{document}${P_{\rm{MODDPG}}}$\end{document} achieves lower latency than the \begin{document}$P_{V_{\max}} $\end{document} strategy and the \begin{document}$P_{V_{\mathrm{ME}}} $\end{document} strategy method in most cases (Fig. 3(d)). In terms of service performance, \begin{document}${P_{\rm{MODDPG}}}$\end{document} demonstrates superior results across multiple metrics, including the number of uploading users, average harvested energy, average number of charged users per hovering instance, and the number of users experiencing data overflow, with particularly significant advantages in energy collection and reducing data overflow rates. (Fig. 4(a), Fig. 4(b), Fig. 4(c), Fig. 4(d)). In experiments with varying IoT device densities (Fig. 5, Fig. 6), \begin{document}${P_{\rm{MODDPG}}}$\end{document} exhibits strong environmental adaptability. As device density increases and resource competition intensifies, \begin{document}${P_{\rm{MODDPG}}}$\end{document} intelligently optimizes flight paths and resource scheduling, maintaining high data transmission rates and energy harvesting levels while effectively suppressing system latency and data overflow. Furthermore, simulation results under different task load scenarios (small and large tasks) (Fig. 7) indicate that \begin{document}${P_{\rm{MODDPG}}}$\end{document} can flexibly adjust its strategy based on task load variations, maximizing resource utilization. Even under heavy load conditions, the proposed algorithm maintains superior data rates, energy harvesting efficiency, and system stability, effectively coping with dynamic traffic variations. Notably, \begin{document}${P_{\rm{MODDPG}}}$\end{document} not only delivers outstanding optimization performance but also demonstrates significantly faster convergence during training compared to traditional methods such as Proximal Policy Optimization (PPO) and TD3. Overall,\begin{document}${P_{\rm{MODDPG}}}$\end{document} outperforms existing strategies in multi-objective optimization, system energy efficiency enhancement, task scheduling flexibility, and environmental adaptability.  Conclusions   This paper addresses the critical challenges of energy limitations, data overflow, and high latency in IoT environments by proposing an optimization framework for a UAV-assisted wireless-powered MEC system, which integrates UAV, MEC, and Wireless Power Transfer (WPT) technologies. In the proposed system, IoT devices’ data upload demands are updated in real time, with the UAV sequentially accessing each device based on the priority of its demands using a "fly-hover-communicate" protocol. An improved MODDPG algorithm, based on deep reinforcement learning, is introduced to jointly optimize data transmission rate, energy harvesting, energy consumption, and system latency. Training results demonstrate that, under all optimization scenarios, the proposed scheme consistently achieves the highest total harvested energy while simultaneously balancing the other three optimization objectives. Compared to other baseline strategies, the proposed method exhibits better adaptability by dynamically adjusting to environmental changes and varying device priorities, ultimately achieving coordinated multi-objective optimization and superior performance across different conditions. Future research will focus on extending this work to address multi-UAV cooperative task allocation, resource management, energy harvesting coordination, and multi-UAV trajectory planning.
Resilient Semantic Communication for Space-Air-Ground Networks
WANG Wenyuan, ZHOU Mingyu, WANG Chaowei, XU Jisong, ZHANG Yunze, PANG Mingliang, JIANG Fan, XU Lexi, ZHANG Zhi
2025, 47(10): 3646-3657. doi: 10.11999/JEIT250077
Abstract:
  Objective  Space-air-ground networks represent a fundamental evolution in wireless communication infrastructure by extending conventional terrestrial networks into airspace and outer space through the integration of satellites, unmanned aerial vehicles, and ground-based nodes. These networks have become a cornerstone technology for future sixth-generation wireless communications, providing wide-area coverage and flexible networking capabilities that overcome the limitations of geographically constrained terrestrial systems. However, image transmission over space-air-ground networks faces considerable challenges due to inherent bandwidth constraints, severe channel impairments, and highly dynamic propagation environments. Traditional Separate Source-Channel Coding (SSCC) methods, although theoretically sound, exhibit poor performance under these adverse conditions, particularly near information-theoretic limits. The rapid expansion of multimedia applications and service demands requires new approaches to information extraction and transmission that meet ultra-reliable low-latency communication requirements. Conventional image coding algorithms, such as JPEG and JPEG2000, experience significant performance degradation in satellite communication systems due to channel impairments. These limitations highlight the need for advanced semantic communication frameworks that move beyond conventional bit-level transmission and prioritize the preservation of semantic content integrity under complex wireless conditions.  Methods  A resilient semantic communication framework is proposed for image transmission in space-air-ground networks, based on enhanced information bottleneck theory. The key innovation is the development of an augmented rate-distortion function that jointly optimizes system capacity, pixel-level reconstruction fidelity, semantic feature preservation, and perceptual quality. The framework combines deep learning with information-theoretic principles to ensure reliable performance under varying channel conditions. A Gumbel-Softmax approach is integrated with variable rate networks to enable dynamic rate adaptation in response to fluctuating channel states. The system employs a weighted multi-asymmetric Gaussian distribution model to characterize the probability density functions of heterogeneous semantic features, providing accurate entropy estimation in the latent space. The architecture incorporates attention mechanisms and residual learning structures to enhance feature extraction and semantic preservation. A reconfigurable neural network architecture is introduced, featuring adaptive module selection driven by real-time signal-to-noise ratio assessments and service quality requirements. The encoder subsystem consists of semantic extractor networks that identify and isolate critical image features, joint source-channel encoders that perform integrated compression and error protection, and adaptive networks that generate binary mask vectors for intelligent symbol selection. The semantic extractor combines convolutional neural networks with fully connected layers to capture hierarchical feature representations. The joint source-channel coding architecture integrates residual convolution blocks, attention feature blocks, and residual transpose convolution blocks to optimize rate-distortion performance. The adaptive network produces dynamic masks through Gumbel-Softmax sampling, controlling the transmission of semantic symbols based on their relevance and channel state. A two-stage training strategy is implemented. First, end-to-end optimization of the joint source-channel encoders and decoders is performed using mean squared error loss. This is followed by full system training based on a composite loss function that jointly considers transmission rate, pixel-level distortion, semantic distortion, and perceptual quality.  Results and Discussions  Comprehensive experimental validation is conducted using the CIFAR, and Kodak24 datasets to assess the effectiveness of the proposed framework. Performance is evaluated using multiple metrics, including Peak Signal-to-Noise Ratio (PSNR) for objective image quality assessment and USC metric for overall system efficiency. Comparative analysis with conventional JPEG combined with LDPC and QAM schemes shows substantial performance gains, particularly under low Signal-to-Noise Ratio (SNR) conditions (Fig. 3, Fig. 4). The proposed resilient semantic communication framework consistently outperforms conventional methods across different compression ratios, demonstrating robust resistance to channel impairments and effectively mitigating the cliff effect observed in traditional SSCC systems. When compared with advanced deep learning-based approaches such as ADJSCC and DeepJSCC-V, the proposed method achieves significant improvements in both PSNR and transmission efficiency (Fig. 5, Fig. 6). Efficiency evaluation using USC metrics shows that the proposed framework achieves higher utility values across various compression settings, with performance advantages becoming more evident as SNR decreases (Fig. 7). Further analysis of different network configurations demonstrates the adaptability of the architecture in balancing computational complexity and transmission performance (Fig. 8, Fig. 9). Configurations with five network units consistently provide higher PSNR values compared to three- and four-unit designs. However, four-unit configurations achieve optimal efficiency under high SNR conditions, indicating effective resource allocation in response to varying channel states. Visual quality assessment using the Kodak dataset confirms improved reconstruction performance with reduced channel bandwidth requirements, supporting the practical feasibility of the proposed approach (Fig. 10). Computational complexity analysis shows that the five-unit configuration maintains complexity comparable to existing benchmarks, while three- and four-unit designs significantly reduce computational demands, supporting deployment on resource-constrained platforms (Table 4). These experimental results demonstrate that the proposed framework provides superior reconstruction quality, transmission efficiency, and adaptive capability across diverse and challenging wireless environments.  Conclusions  This study presents a resilient semantic communication framework that addresses key challenges in image transmission for space-air-ground networks. Experimental validation confirms that the proposed method achieves substantial improvements over conventional approaches in reconstruction quality, transmission efficiency, and adaptability.
Task Segmentation and Computing Resource Allocation Method Driven by Path Prediction in Internet of Vehicles
HUO Ru, LÜ Kecheng, HUANG Tao
2025, 47(10): 3658-3669. doi: 10.11999/JEIT250135
Abstract:
  Objective  The rapid development of 5G and the Internet of Vehicles (IoV) has accelerated the demand for intelligent services and large-scale data processing. However, limited computational capacity at vehicle terminals and frequent topology changes due to high mobility reduce transmission efficiency and reliability. While current task offloading and resource allocation methods meet basic processing needs, they fall short in supporting fine-grained task segmentation and in adapting to the dynamic characteristics of vehicular networks. To address these limitations, this study proposes an optimization approach for task segmentation and computing resource allocation based on Reinforcement Learning (RL). By combining the time-series modeling capabilities of advanced Deep Learning (DL) models with the resource scheduling flexibility of a Multi-Agent Deep Reinforcement Learning (MADRL) algorithm, this method enables intelligent, prediction-driven task segmentation and allocation. It supports decoupled processing and multi-objective optimization of latency and resource use. The proposed framework enhances offloading efficiency and resource utilization in Vehicular Edge Computing (VEC) environments and provides theoretical support for real-time resource management in highly dynamic vehicular networks.  Methods  The proposed method integrates vehicle trajectory prediction, dynamic task segmentation, and adaptive resource scheduling. For trajectory prediction, historical movement data are preprocessed through trajectory mapping. A Transformer-based model captures long-range temporal dependencies to achieve accurate path prediction. Based on predicted routes and estimated dwell times in different edge zones, a segmentation strategy divides tasks into subtasks to distribute load evenly across edge servers. The resource allocation challenge under this segmentation strategy is modeled as a Markov Decision Process (MDP), with each edge server acting as an agent that interacts with its environment. The state space includes task sizes, server loads, and available resources, while the action space defines the scheduling decisions each agent may select. The reward function is designed to minimize delay and improve efficiency, promoting cooperative behavior across agents. Through continual environmental feedback, the MADRL framework adaptively adjusts resource allocation in response to real-time task demands and server workloads.  Results and Discussions  The Transformer-based path prediction model outperforms baseline models (Table 1), achieving a Mean Squared Error (MSE) of 0.0116, substantially lower than that of LSTM (0.0246) and BiLSTM (0.0323). To identify the optimal prediction horizon, the model is evaluated across different prediction steps (Fig. 5). The reward increases from 2 to 5 steps but declines beyond 5 due to increased transmission delays caused by frequent edge node handovers. Thus, 5-step prediction is adopted as the optimal setting. The proposed algorithm is assessed against three baseline strategies: binary offloading, random segmentation, and alternating convex search. Under a 5-step horizon and a five-task vehicle scenario (Fig. 6), the proposed method reduces average task latency by 54.1% compared with random segmentation and by 16.5% compared with alternating convex search. By tuning the weight coefficient (Fig. 7), the method demonstrates balanced performance across latency and resource efficiency objectives. Specifically, at a coefficient of 0.8, it achieves a convergence reward of 39.224, exceeding that of alternating convex search (35.872) by 9.4%. Scalability is evaluated under varying vehicle numbers (Fig. 8). The proposed method consistently yields the highest convergence reward across all cases. With four vehicles, it reaches a reward of 41.059, 7.3% higher than alternating convex search (38.277). With seven vehicles, it maintains a reward of 35.630, exceeding the baseline’s 32.524 by 9.6%. Overall, the proposed method exhibits superior latency reduction, higher resource efficiency, and better adaptability across different vehicle densities, validating its effectiveness and scalability for task offloading and resource allocation in VEC systems.  Conclusions  This study proposes a task segmentation and computing resource allocation method tailored for VEC scenarios. By exploiting the time-series modeling capacity of Transformer networks, the accuracy of vehicle trajectory prediction is enhanced. A dynamic task segmentation strategy is then applied to optimize workload distribution across Mobile Edge Computing (MEC) servers. The use of an MADRL-based cooperative resource allocation approach effectively reduces task latency while improving resource use. Simulation results confirm the method’s effectiveness in minimizing processing delay and enhancing system efficiency. Future research will explore the role of task prioritization in resource allocation and investigate strategies to sustain performance under increased vehicle counts and task complexity in large-scale deployments.
Dual-Reconfigurable Intelligent Surface Phase Shift Optimization and Unmanned Aerial Vehicle Trajectory Control for Vehicle Communication
CHANG Kuan, ZHANG Lei, WANG Yu, SHANG Yulong, CHEN Weicong, MA Junchao
2025, 47(10): 3670-3679. doi: 10.11999/JEIT250274
Abstract:
This study considers a scenario in which an Unmanned Aerial Vehicle (UAV) equipped with a Reconfigurable Intelligent Surface (RIS) cooperates with a fixed RIS to enhance communication with a mobile User Equipment (UE) vehicle. A joint optimization problem is formulated to maximize the UE’s communication rate by controlling the UAV’s flight trajectory and the phase shifts of both RISs. Given the system complexity and environmental dynamics, a solution is proposed that integrates a Deep Deterministic Policy Gradient (DDPG) algorithm with phase-shift alignment to optimize continuous UAV trajectories and RIS configurations. Simulation results confirm that the proposed method achieves stable reward convergence within 1,000 training episodes. Compared with benchmark approaches, the algorithm improves communication rates by at least 3 dB over random trajectory and phase-shift strategies in dual-RIS deployments. The study further presents optimal UAV trajectories under varying base station and RIS placements and evaluates algorithm performance across different vehicle speeds.  Objective   This study investigates a vehicular communication scenario in which a UAV-mounted RIS cooperates with a fixed RIS to assist a mobile UE device. A joint optimization framework is established to maximize UE communication rates during movement by simultaneously optimizing the UAV trajectory and the phase shifts of both RISs. To address system complexity and environmental dynamics, a DDPG algorithm is employed for continuous trajectory control, while a low-complexity phase-shift alignment method configures the RISs. Simulation results show that the proposed algorithm achieves stable reward convergence within 1,000 training episodes and improves communication rates by at least 3 dB compared with randomized trajectory and phase-shift baselines. It also outperforms alternative reinforcement learning approaches, including Twin Delayed Deep Deterministic policy gradient (TD3) and Soft Actor-Critic (SAC). Optimal UAV trajectories are derived for various base station and RIS deployment scenarios, with additional simulations confirming robustness across a range of vehicle speeds.  Methods   This study establishes a Multiple-Input Single-Output (MISO) system in which a UAV-mounted RIS cooperates with a fixed RIS to support mobile vehicular communication, with the objective of maximizing user information rates. To address the complexity of continuous trajectory control under dynamic environmental conditions, a DDPG-based algorithm is developed. The phase shifts of RIS elements are optimized using a low-complexity alignment method. A reward function based on the achievable information rates of vehicular users is designed to guide the agent’s actions and facilitate policy learning. The proposed framework enhances adaptability by dynamically optimizing UAV trajectories and RIS configurations under time-varying channel conditions.  Results and Discussions   (1) The convergence behavior of the DDPG algorithm is verified in Fig. 3, where the reward values progressively converge as the number of training episodes increases. (2) Fig. 4 shows the effect of varying the number of RIS elements on system performance, indicating that additional elements lead to a steady increase in reward values, confirming the channel gain enhancement provided by RIS deployment. (3) As shown in Fig. 5, the DDPG algorithm outperforms baseline methods and demonstrates greater adaptability to target scenarios; concurrently, optimized RIS phase shifts yield significantly higher rewards than random configurations, validating the proposed phase-alignment strategy. (4) Figs. 67 highlight notable variations in UAV trajectories and system performance across different base station and RIS deployments, demonstrating the adaptability of the trajectory optimization strategy. Fig. 8 further compares performance across scenarios with optimized UAV trajectories, highlighting the algorithm’s versatility. (5) System performance under different UE mobility speeds is evaluated in Fig. 9, showing a performance decline at higher speeds, indicating strong efficacy in low-speed environments but reduced effectiveness under high-speed conditions. These results collectively illustrate the operational strengths and limitations of the proposed framework in dynamic vehicular communication systems.  Conclusions   This paper investigates a vehicular communication scenario assisted by both fixed and UAV-mounted mobile RISs, aiming to maximize UE information rates under dynamic mobility conditions. A joint optimization framework is developed, combining dual-RIS phase shift alignment based on channel state information with UAV trajectory planning using a DDPG algorithm. The proposed method features a low-complexity design that addresses both network architecture and RIS configuration challenges. Extensive simulations under varying vehicular speeds, RIS element counts, and base station deployments demonstrate the algorithm’s superiority over SAC, TD3, and randomized phase shift strategies. Results further highlight the framework’s adaptability to heterogeneous base station–RIS topologies and reveal performance degradation at higher vehicle speeds, indicating the need for future research into real-time adaptive mechanisms.
Radar, Navigation and Array Signal Processing
Multi-Dimensional Resource Management Optimization Strategy for Multi-Group Target Tracking
LIN Mushen, CAO Bingxia, YAN Fenggang, MENG Xiangtian, SHA Minghui, LI Zhanguo, JIN Ming
2025, 47(10): 3680-3690. doi: 10.11999/JEIT250152
Abstract:
  Objective  Although existing resource management strategies can improve the performance of Multiple Target Tracking (MTT), they generally assume that targets are well separated. With the development of swarm intelligence, multiple maneuvering targets can adopt group merging and splitting tactics to enhance task efficiency. This often results in the presence of several closely spaced targets within a single tracking beam, making them difficult to distinguish. In such cases, networked radars must coordinate the allocation of signal bandwidth and pulse width to increase both the resolution of adjacent targets and overall MTT performance. However, previous studies have not accounted for the effect of signal resolution capability on MTT performance. When adjacent targets emerge in the surveillance region, resource allocation schemes derived from existing methods become insufficient. To address this limitation, this study proposes a joint Beam Selection and Multi-dimensional Resource Management (BSMRM) strategy. By jointly optimizing the transmit beam, power, signal bandwidth, and pulse width, the proposed approach markedly improves MTT performance for multiple groups of clustered maneuvering targets and enhances the resolution of adjacent targets within the surveillance area.  Methods  This study proposes a BSMRM strategy for netted radar systems to improve target resolution capability and MTT accuracy. First, the Bayesian Cramér-Rao Lower Bound (BCRLB) is derived under the Probabilistic Data Association (PDA) fusion rule and the Interacting Multiple Model-Extended Kalman Filter (IMM-EKF) framework. Resolution performance is quantified using the normalized magnitude of the ambiguity function for both observed and unobserved targets located within the beam. A utility function is then formulated using the logarithmic barrier method to quantify global performance. Multi-dimensional resource management is modeled as a constrained optimization problem, with the objective of maximizing global performance under system resource constraints. A three-stage solver is developed to address the optimization problem. Simulation results show that the proposed BSMRM strategy achieves comparable target resolution and MTT accuracy to state-of-the-art algorithms, while demonstrating superior efficiency in spectrum usage and power allocation.  Results and Discussions  As shown in (Table 1) and (Fig. 1), this study evaluates the effectiveness and robustness of the proposed BSMRM strategy in a complex scenario where four groups of swarm targets maneuver within the surveillance region of three radar nodes. The performance of the BSMRM strategy is assessed through four simulation experiments. Experiment 1 presents the allocation of transmission resources, including beam selection and power distribution. The results are shown in (Fig. 2), where color-coded regions represent normalized transmit power levels determined by the BSMRM strategy. Experiment 2 reports the allocation of waveform resources—specifically, signal bandwidth and pulse width. In this experiment, resolution thresholds corresponding to various target states are first established. The BSMRM strategy is then used to adjust the signal bandwidth and pulse width of each transmit beam to enable effective discrimination of swarm targets. Experiment 3 analyzes tracking performance through numerical simulations, comparing the proposed strategy with benchmark algorithms. A sequence of 60 tracking frames with a time interval of T = 2.5 s is simulated, with 300 Monte Carlo runs. Root Mean Square Error (RMSE) is used as the evaluation metric. (Fig. 4) displays the BCRLB and RMSE curves for each target group under the BSMRM strategy. The RMSE converges toward the corresponding BCRLBs, indicating that the proposed method meets tracking accuracy requirements across all target groups. When sufficient transmit power is available, the BSMRM strategy drives the accuracy to the desired thresholds, thereby maximizing utility. (Fig. 5) compares the normalized average power consumption of three strategies. (Figs. 6 and 7) show resolution performance curves for the BSMRM and JBPAWLS strategies, respectively. (Fig. 8) compares spectrum occupancy across two operational phases to assess spectral efficiency under resolution constraints. Experiment 4 evaluates the computational complexity of the BSMRM strategy. Results show that, with parallel computing, the strategy satisfies the real-time requirements of resource scheduling.  Conclusions  This study proposes a BSMRM strategy for MTT in a C-MIMO radar network. The strategy jointly optimizes beam selection, transmit power, signal bandwidth, and pulse length to improve both target resolvability and tracking accuracy. An efficient three-stage solver is developed to address the resulting optimization problem. Simulation results show that the proposed strategy achieves high-resolution MTT while reducing spectral occupancy. Under sufficient power conditions, tracking accuracy is comparable to that of state-of-the-art algorithms. In the same simulation environment, the average CPU runtime per frame is 2.8617 s, which is reduced to 0.3573 s with GPU-based parallel processing—meeting the real-time requirements for resource allocation. Moreover, the BSMRM strategy demonstrates flexibility and robustness under limited power constraints.
Low Elevation Angle Estimation Method for MIMO Radar in Complex Terrain
WANG Jiajia, GUO Rui, LIU Qi, ZHANG Yue, CHEN Zengping
2025, 47(10): 3691-3701. doi: 10.11999/JEIT250236
Abstract:
  Objective  Conventional low-elevation angle estimation algorithms for Multiple-Input Multiple-Output (MIMO) radar generally assume a single-path propagation model, which limits their applicability in complex terrain where multipath effects are time-varying. Compressive Sensing (CS) algorithms exploit the sparsity of direct and multipath signals in the spatial domain and remain effective in such environments. Nonetheless, CS-based approaches for MIMO radar require the construction of a two-dimensional grid dictionary, and their computational complexity increases sharply as the number of multipath components grows. Existing complexity-reduction methods sacrifice array aperture, leading to degraded estimation accuracy. To resolve the trade-off between aperture utilization and computational complexity in low-elevation angle estimation for MIMO radar under complex terrain conditions, a tensor-based two-step estimation algorithm is proposed.  Methods  A three-dimensional tensor observation model is first established to fully preserve the multi-dimensional structure of the received signal, and the tensor signal subspace is extracted using High-Order Singular Value Decomposition (HOSVD). After eliminating redundancy in the tensor subspace, Sparse Bayesian Learning (SBL) is applied to rapidly obtain initial estimates of the low-elevation and multipath angles. These initial results are then refined by an alternating iterative Generalized Multiple Signal Classification (GMUSIC) algorithm, which leverages the complete tensor subspace. The proposed method maintains full array aperture, adapts to scenarios with unknown numbers of multipaths, and achieves a favorable balance between estimation accuracy and computational efficiency.  Results and Discussions  Simulation results demonstrate that the proposed algorithm achieves high estimation accuracy under both single- and double-reflection paths (Fig. 25) compared with other benchmark algorithms, while maintaining lower computational complexity (Table 1). Relative to the sub-optimal Alternative Projection Maximum Likelihood (APML) algorithm, the running speed is improved by 92.16%. In addition, the method remains robust under time-varying multipath conditions (Fig. 6) without requiring prior knowledge of the spatial distribution of reflection paths. Validation with real measured data (Fig. 810) further confirms its practical applicability: 86.95% of estimates fall within the 0~0.4° error range, and the error remains consistently below 0.8° across the observation window. These findings highlight the superior estimation accuracy and reliability of the proposed method, supporting its suitability for real-world engineering applications.  Conclusions  By integrating tensor modeling, sparse preliminary estimation, and alternating iterative optimization, the proposed algorithm fully exploits the multi-dimensional structure of the received signal and the complete array aperture of MIMO radar. It demonstrates high estimation accuracy while maintaining low computational complexity. Simulation results confirm its effectiveness and robustness in complex terrain, and validation with measured data further verifies its feasibility and engineering applicability. Nonetheless, this study is limited to a single-target scenario with a relatively simple motion trajectory. Future research should extend the method to address complex motion patterns with multiple targets.
Constant-Modulus Waveform Design for SLP-Based DFRC Systems
ZHAI Yihao, ZHAO Hongyu, NIU Fengliang, LI Jingyan
2025, 47(10): 3702-3711. doi: 10.11999/JEIT250288
Abstract:
  Objective  Dual-Function Radar-Communication (DFRC) Integration is a promising technology for addressing spectrum congestion. The key challenge in DFRC lies in designing a dual-functional waveform that simultaneously supports both radar sensing and communication. Previous research has primarily focused on designing transmit waveforms under Multi-User Interference (MUI) energy constraints. However, not all MUI energy is detrimental in DFRC systems. Symbol-Level Precoding (SLP) can exploit symbol information to transform harmful MUI into constructive components, thereby enhancing communication Quality of Service (QoS). To further leverage the advantages of SLP in mitigating MUI energy and to improve target detection in cluttered environments, this work studies the joint design of transmit waveforms and receive filters for DFRC systems.  Methods  The analytical expression of the radar output Signal-to-Interference-plus-Noise Ratio (SINR) is first derived. To guarantee communication performance, Constructive Interference (CI) constraints are formulated using SLP. Based on these, a joint optimization problem is established, where maximizing the radar output SINR serves as the objective function and the communication CI constraints are imposed. A constant-modulus condition is also enforced to prevent nonlinear distortion of the transmitted waveform. To address the non-convex nature of the joint optimization problem, an iterative algorithm based on cyclic optimization is proposed. For a fixed transmitted waveform, the subproblem reduces to a Minimum Variance Distortionless Response (MVDR) problem. For a fixed filter, the communication CI constraints are incorporated into the objective function of the subproblem as a penalty term, leading to an unconstrained problem whose feasible region is a Riemannian complex manifold. This problem is then solved efficiently using the Riemannian Conjugate Gradient (RCG) method.  Results and Discussions  As shown in (Fig 3): (a) the proposed method converges within a short time, and (b) the designed waveform satisfies the constant-modulus constraint. (Figs. 4 and 5) analyze the effect of the number of communication users and the communication QoS threshold on radar output SINR and communication SER, confirming the trade-off between radar sensing and communication performance. (Figs. 6 and 7) illustrate the effect of interference power and communication QoS threshold on radar output SINR and communication SER, demonstrating the robustness of the proposed method under different interference power levels. When communication QoS requirements are fixed, the radar output SINR and communication SER performance of the three compared cases remain similar. (Fig. 8(a)) shows the radar output SINR versus the number of communication users. The results indicate that the proposed CI-based waveform consistently outperforms the conventional MUI-based waveform in radar output SINR. Moreover, the two CI-based methods achieve almost identical SINR performance. (Fig. 8(b)) presents the radar received beampatterns, where it can be observed that the deep nulls formed in the interference directions are deeper than those obtained with the conventional MUI-based method. This confirms that the proposed method effectively suppresses signal-dependent interference. (Fig. 9(a)) presents the received communication constellations. The synthesized communication signals of the CI-based methods are more sparsely distributed and exhibit higher power compared with the conventional MUI-based method. (Fig. 9(b)) further evaluates the communication SER performance, showing that the proposed method achieves a lower SER. This improvement arises because the communication CI constraints transform harmful MUI into useful signal energy, thereby enhancing communication QoS. (Fig. 10) presents the relationship between CPU time and the number of communication users. The results show that CPU time increases for all methods as the number of communication users grows, since a larger number of users reduces the feasibility region. Nevertheless, the proposed method demonstrates significantly higher computational efficiency compared with existing approaches.  Conclusions  This paper investigates the joint design of transmit waveforms and receive filters for MIMO-DFRC systems. A joint optimization problem is formulated to maximize radar output SINR under constant-modulus and communication CI constraints. To solve the resulting non-convex problem, an alternating optimization algorithm based on the RCG method is developed. Simulation results demonstrate that CI-based methods outperform the MUI-based ADMM method in both radar sensing performance and communication QoS. In addition, the proposed method achieves faster convergence compared with the MM-neADMM method, with only a minor loss in radar sensing performance.
Signal Sorting Method Based on Multi-station Time Difference and Dirichlet Process Mixture Model
CHEN Jinli, WANG Yanjie, FAN Yu, LI Jiaqiang
2025, 47(10): 3712-3722. doi: 10.11999/JEIT250191
Abstract:
  Objective  Signal sorting is a crucial technology in electronic reconnaissance that enables the deinterleaving of mixed pulse sequences emitted by multiple radar radiation sources, thereby supporting military decision-making. With the rapid advancement of electronic technology, multi-station cooperative signal sorting has received increasing attention. However, existing multi-station signal sorting methods depend heavily on manually selected parameters, which limits adaptability. Moreover, in complex environments with pulse loss and noise interference, conventional methods struggle to process unpaired pulses effectively, reducing the accuracy and stability of sorting. To address these challenges, this study applies the Dirichlet Process Mixture Model (DPMM) to multi-station cooperative signal sorting. The proposed approach enables adaptive sorting even when the number of radiation sources is unknown or measurement errors exist, thereby improving flexibility and adaptability. Furthermore, it can effectively classify unpaired pulses caused by pulse loss or noise, enhancing the robustness and reliability of sorting. This research provides a novel strategy for signal sorting in complex electromagnetic environments and holds promising application value in radar signal processing.  Methods  In multi-station cooperative signal sorting, the spatial distribution of multiple receiving stations detecting the same radar signal makes efficient and accurate signal pairing and classification a core challenge. To address this issue, a multi-station cooperative signal sorting method based on the DPMM is proposed. The process comprises three stages: pulse pairing, time-difference clustering and sorting, and mismatched pulse classification. In the pulse pairing stage, identical pulses originating from the same radiation source are identified from the sequences intercepted by each receiving station. To ensure accurate pairing, a dual-constraint strategy is adopted, combining a time-difference window with multi-parameter matching. Successfully paired pulses are then constructed into a time-difference vector set, which provides the data foundation for the subsequent clustering and sorting stage. In the time-difference clustering and sorting stage, DPMM is employed to cluster the time-difference vector set. DPMM adaptively determines the number of clusters to model the data structure, enabling the system to infer the optimal cluster count. Gibbs sampling is used to optimize model parameters, further enhancing clustering robustness. Based on the clustering results, radar pulse sets are constructed, achieving signal sorting across multiple radiation sources. In the mismatched pulse classification stage, unpaired pulses caused by noise interference or pulse loss during transmission are further processed. DPMM is applied to fit radar pulse parameter vectors, including pulse width, radio frequency, and bandwidth. The affiliation degree of each mismatched pulse relative to the radar pulse sets is then calculated. Pulses with affiliation degrees exceeding a predefined threshold are merged into the corresponding pulse set, whereas those below the threshold are classified as anomalous pulses, likely due to interference or noise, and are discarded. This method enhances the adaptability and robustness of multi-station cooperative signal sorting and provides an effective solution for complex electromagnetic environments.  Results and Discussions  In the experimental validation, radar pulse data are generated through simulation to evaluate the effectiveness of the proposed method. Compared with traditional multi-station cooperative signal sorting approaches, the method achieves high-precision sorting without requiring prior knowledge of the number of radiation sources or parameter measurement errors, thereby demonstrating strong adaptability and practicality. To comprehensively assess performance in complex environments, simulations are conducted to analyze sorting capability under varying measurement errors, pulse loss rates, and interference rates. The final sorting results are summarized in (Table. 3). The results indicate that even in the presence of noise interference and data loss, most radar pulses are accurately identified, with only a small fraction misclassified as interference signals. The final sorting accuracy reaches 98.8%, confirming the robustness and stability of the method against pulse loss, noise, and other uncertainties. To further validate its superiority, the method is compared with other algorithms under different conditions. Sorting accuracy under different Time of Arrival (TOA) measurement errors (Fig. 6) shows that stable performance is maintained even under severe noise interference, reflecting strong noise resistance. Further analyses of sorting accuracy under different pulse loss rates and interference rates (Figs. 7 and 8) demonstrate that higher efficiency and stability are achieved in handling unpaired pulses, and pulses that fail to be paired are more accurately classified. The sorting accuracy of different algorithms in various scenarios (Fig. 9) further confirms that the method performs more consistently in complex environments, indicating higher adaptability. Overall, the method adapts well to diverse application scenarios and provides efficient, stable, and reliable signal sorting for multi-station cooperative electronic reconnaissance tasks.  Conclusions  This study proposes a multi-station cooperative signal sorting method based on the DPMM to address the limitations of traditional approaches, which rely heavily on prior information and perform poorly in processing unpaired pulses. By applying DPMM for adaptive clustering of time-difference information, the proposed method avoids sorting errors caused by improper manual parameter settings and effectively classifies unpaired pulses based on radar pulse parameter characteristics. Simulation results show that this method not only improves the accuracy and stability of multi-station cooperative signal sorting but also maintains high sorting performance even when the number of radiation sources is unknown or measurement errors are present, highlighting its engineering application value. Future research may extend this approach to dynamic electromagnetic environments and adaptive real-time processing to meet the demands of more complex electronic reconnaissance tasks.
Data Enhancement for Few-shot Radar Countermeasure Reconnaissance via Temporal-Conditional Generative Adversarial Networks
HUANG Linxuan, HE Minghao, YU Chunlai, FENG Mingyue, ZHANG Fuqun, ZHANG Yinan
2025, 47(10): 3723-3734. doi: 10.11999/JEIT250280
Abstract:
  Objective  Radar electronic warfare systems rely on Pulse Descriptor Words (PDWs) to represent radar signals, capturing key parameters such as Time of Arrival (TOA), Carrier Frequency (CF), Pulse Width (PW), and Pulse Amplitude (PA). However, in complex electromagnetic environments, the scarcity of PDW data limits the effectiveness of data-driven models in radar pattern recognition. Conventional augmentation methods (e.g., geometric transformations, SMOTE) fall short in addressing three core issues: (1) failure to capture temporal physical laws (e.g., gradual frequency shifts and pulse modulation patterns); (2) distributional inconsistencies (e.g., frequency band overflows and PW discontinuities); and (3) weak coupling between PDWs and modulation types, leading to reduced classification accuracy. This study proposes Time-CondGAN, a temporal-conditional generative adversarial network designed to generate physically consistent and modulation-specific PDW sequences, enhancing few-shot radar reconnaissance performance.  Methods   Time-CondGAN integrates three core innovations: (1) Multimodal Conditional Generation Framework: A label encoder maps discrete radar modulation types (e.g., VS, HRWS, TWS in Table 2) into 128-dimensional feature vectors. These vectors are temporally expanded and concatenated with latent noise to enable category-controllable generation. The generator architecture (Fig. 4) employs bidirectional Gated Recurrent Units (GRUs) to capture long-range temporal dependencies. (2) Multi-task Discriminator Design: The discriminator (Fig. 5) is designed for joint adversarial discrimination and signal classification. A shared bidirectional GRU with an attention mechanism extracts temporal features, while classification loss constrains the generator to maintain category-specific distributions. (3) Temporal-Statistical Joint Optimization: The training process incorporates multiple loss components: Supervisor Loss (Eq. 7): A bidirectional GRU-based supervisor enforces temporal consistency. Feature Matching Loss (Eq. 9): Encourages alignment between high-level features of real and synthetic signals. Adversarial and Classification Losses (Eqs. (8)–(9)): Promote distribution realism and accurate category separation. A two-stage training strategy is adopted to improve stability, consisting of pre-training (Fig. 2) followed by adversarial training (Fig. 3).  Results and Discussions  Time-CondGAN demonstrates strong performance across three core dimensions. (1) Physical plausibility is achieved through accurate modeling of radar signal dynamics. Compared with TimeGAN, Time-CondGAN reduces the Kullback-Leibler (KL) divergence by 28.25% on average. Specifically, the PW distribution error decreases by 50.20% (KL = 4.68), the TOA interval error decreases by 20.5% (KL = 0.636), and the CF deviation is reduced by 13.29% (KL = 7.93), confirming the suppression of non-physical signal discontinuities. (2) Downstream task enhancement highlights the model’s few-shot generation capability. With only 10 real samples, classification accuracy improves markedly: VGG16 accuracy increases by 37.2% (from 43.0% to 59.0%) and LSTM accuracy by 28.6% (from 49.0% to 63.0%), both substantially outperforming conventional data augmentation methods. (3) Ablation studies validate the contribution of key modules. Removing the conditional encoder increases the PW KL divergence by 107.4%. Excluding the supervisor loss degrades CF continuity by 76.2%, and omitting feature matching results in a 44.6% misalignment in amplitude distribution.  Conclusions  This study establishes Time-CondGAN as an effective solution for radar PDW generation under few-shot conditions, addressing three key limitations: temporal fragmentation is resolved through bidirectional GRU supervision, mode collapse is alleviated via multimodal conditioning, and modulation specificity is maintained by classification constraints. The proposed framework offers operational value, enabling over 35% improvement in recognition accuracy under low-intercept conditions. Future work will incorporate radar propagation physics to refine amplitude modeling (current KL = 8.51), adopt meta-learning approaches for real-time adaptation in dynamic battlefield environments, and expand the model to multi-radar cooperative scenarios to support heterogeneous electromagnetic contexts.
Acoustic DOA Estimation in Underwater Environments by Integrating Spatial Domain Wiener Filtering and Convolutional Neural Networks
XING Chuanxi, HUANG Tinglong, TAN Guangzhi, LI Weiqiang
2025, 47(10): 3735-3744. doi: 10.11999/JEIT250141
Abstract:
  Objective  Human activities in shallow-sea regions have increased with the progressive development and utilization of marine environments. However, interference from noise sources such as water currents, vessels, and marine organisms substantially reduces the Signal-to-Noise Ratio (SNR) of received signals, leading to performance degradation in conventional Direction of Arrival (DOA) estimation algorithms. These limitations affect accurate target localization and detection, which are essential for underwater acoustic applications. This paper proposes a method that combines Wiener filtering with deep learning, specifically an improved Convolutional Neural Network (CNN), to enhance the robustness and accuracy of DOA estimation in shallow-sea environments by addressing challenges such as noise interference and grid mismatch.  Methods  The proposed algorithm integrates Wiener filtering and deep learning to optimize DOA estimation. First, Wiener filtering is applied to the covariance matrix of the received signals to reduce noise. Considering the complexity of underwater acoustic environments, this preprocessing step is essential for preserving spatial signal features and enhancing the effectiveness of network training. Second, an improved CNN architecture is designed to perform both classification and regression tasks, enabling accurate DOA angle estimation while correcting off-grid errors. A fractional label correction strategy is introduced to mitigate grid mismatch, allowing prediction errors to be compensated and the estimated angles to align more closely with true values. The network is trained using a large-scale dataset of simulated underwater acoustic signals, and its feasibility is verified through real-world sea trial data.  Results and Discussions  The proposed method is validated using both simulation data and sea trial data, demonstrating superior performance under low SNR conditions. Simulation results show that incorporating Wiener filtering improves overall network performance by 25.20% (Fig. 5). The proposed algorithm achieves lower estimation errors in low SNR environments (Fig. 6). Compared with the MUSIC and ESPRIT algorithms, the Root Mean Square Error (RMSE) is reduced by 93.42% and 92.14%, respectively, at an SNR of –20 dB. Moreover, as the SNR increases, the algorithm exhibits a gradual reduction in estimation error (Fig. 6). In sea trial experiments, the algorithm accurately identifies target azimuths and achieves lower estimation errors compared to conventional methods (Fig. 9, Table 1). These results indicate that the proposed method meets the requirements for robustness and accuracy in practical underwater acoustic applications.  Conclusions  This paper proposes a method for direction estimation in shallow-water environments that integrates Wiener filtering with a deep learning-based CNN to address the performance degradation caused by low SNR conditions in conventional algorithms. The combination of noise reduction preprocessing with CNN model training enhances both network efficiency and estimation accuracy. Simulation and sea trial experiments yield the following results: (1) Overall network performance is improved by 25.20% through Wiener filtering optimization; (2) The improved binary cross-entropy loss function enables the network to perform both classification and regression tasks for DOA estimation; (3) The algorithm demonstrates higher robustness to noise interference and grid mismatch, particularly under low SNR and limited snapshot conditions, making it suitable for practical deployment. However, the network is trained using datasets with known source numbers. Future research will focus on network designs that accommodate more diverse source conditions, including blind source scenarios and adaptive noise reduction models.
Features Extraction and Correlation Analysis of Multi-Source Data for Maritime Targets
LIU Ningbo, ZHANG Zihao, CHEN Baoxin, DONG Yunlong, LI Jia
2025, 47(10): 3745-3758. doi: 10.11999/JEIT250200
Abstract:
  Objective  The growing demand for maritime target detection and recognition has made multi-source information fusion a critical area of research. Different sensing modalities including radar, visible-light imaging, and infrared imaging offer complementary information that can improve detection and classification. However, the correlation among heterogeneous features extracted from these sources remains insufficiently understood. In addition, the effects of observational conditions on feature stability and discriminability needs further investigation. This study investigates the intrinsic relationships among multi-source features, evaluates their robustness under varying conditions, and provides theoretical support for effective multi-source feature fusion in maritime target detection.  Methods  Nine physically interpretable features are extracted across three categories: radar features (radial dimension, number of peaks, position distribution entropy, cross-range dimension, and relative average amplitude), visible image features (number of edges and horizontal projected width), and infrared image features (high-temperature connected component count and thermal texture energy). To ensure accurate feature extraction, data preprocessing consists of cleaning each compressed dataset. Radar data with excessively low signal-to-noise ratios and images with extensive occlusion are excluded. For dataset construction, radar echo data are visualized frame by frame, and a subset of radar, visible-light, and infrared images is manually annotated using LabelImg. Targets are classified into five types: passenger ships, dry cargo ships, container ships, tugboats, and search-and-rescue vessels. Based on these annotations, deep learning models are independently trained for each modality to automate annotation, and the results are manually validated to ensure quality. A standardized target dataset is then constructed by integrating the manually and automatically labeled data. Radar echo data are temporally aligned with visible-light and infrared images using prior time synchronization information. Features are extracted from each modality, and inter-feature correlations are analyzed. Spearman correlation coefficients are used to quantify relationships, and hypothesis testing is conducted to assess significance, revealing intrinsic associations among multi-source features.  Results and Discussions  Comparative analysis indicates that the correlation between radar echo and image features is strongly affected by feature attributes. Size-related features show stronger correlations, reflecting greater stability for multi-source data fusion, whereas structural features are more sensitive to observation conditions and exhibit weaker correlations. External factors including target motion state, ship type, and radar polarization mode also influence feature extraction and intermodal correlation. When targets are anchored, posture remains stable and motion blur is reduced, strengthening the correlation between radar structural features and image features. Larger vessels, such as container ships and passenger ships, benefit from multiple scattering centers and larger physical dimensions, which enhance feature extraction and intermodal correlation. In contrast, smaller vessels, such as tugboats and search-and-rescue boats, exhibit irregular structures and weaker radar backscatter, leading to lower correlations. The HH polarization mode, being less sensitive to background clutter, improves radar feature stability across various target types and enhances alignment with image features. Image feature stability also varies by modality: visible-light imaging is effective for extracting structural features, such as contours and edges, but is sensitive to illumination and occlusion; infrared imaging offers more stable size-related features and performs robustly in complex and low-visibility environments. These results highlight the complementary properties of multi-source features and establish a theoretical basis for their integration, supporting improved maritime target detection and classification.  Conclusions  This study demonstrates the complementary characteristics of multi-source features and their potential to improve maritime target detection and recognition. By analyzing feature correlations and stability across varying observational conditions, the results provide a theoretical foundation for refining multi-source fusion strategies. These insights support the development of more robust and reliable detection algorithms, contributing to enhanced situational awareness in maritime surveillance and defense.
Global Navigation Satellite System Interference Source Localization Algorithm via Single-antenna Synthetic Aperture on the Unmanned Aerial Vehicle Platform
WANG Lu, WANG Xuan, WU Renbiao
2025, 47(10): 3759-3771. doi: 10.11999/JEIT250169
Abstract:
  Objective  As Radio Frequency (RF) spectrum congestion intensifies and electromagnetic interference incidents occur more frequently, the reliable operation of the Global Navigation Satellite System (GNSS) is increasingly threatened. To ensure GNSS functionality, interference sources must be accurately monitored and localized. Conventional localization methods are constrained by the limited aperture of physical antenna arrays and often incur high deployment costs. With the gradual opening of low-altitude airspace, small Unmanned Aerial Vehicles (UAVs) are increasingly used as platforms for remote sensing, electronic reconnaissance, and communication tasks, offering a practical alternative for GNSS interference localization. Passive Synthetic Aperture (PSA) techniques have emerged as a solution to overcome the aperture limitations of physical arrays and are well suited for integration with UAV platforms. In this study, PSA technology is combined with a UAV-based system to locate GNSS interference sources. A unified signal model is established to describe various interference types. Based on this model, a slant-range-accurate Range-Doppler (RD) algorithm is derived and further integrated with the Back Projection (BP) algorithm to perform joint localization. This combined RD-BP approach enhances positioning accuracy while reducing computational complexity, demonstrating the feasibility and efficiency of the proposed UAV-based PSA localization framework.  Methods  This approach integrates a RD positioning algorithm based on a precise slant range expression with a BP algorithm. First, an accurate slant range expression is derived using the interference source direction and Doppler frequency. Applying this expression and the principle of stationary phase, the signal is transformed into the RD domain. Multiple matched filters are then constructed in the Doppler domain using the range gate. The outputs of these filters are converted into the range-azimuth domain for peak detection, yielding a coarse estimate of the interference source location. However, this initial estimate is susceptible to errors due to factors such as platform sampling rate and azimuth sampling interval. To refine the estimate, the BP algorithm is employed for fine positioning. A grid is defined around the coarse estimate, and each grid point is used to compute the projected signal. These projected signals are coherently accumulated with the received signals and integrated along the azimuth direction. Peak searching is then performed on the accumulated results to obtain the final, high-precision localization result.  Results and Discussions  Simulation results validate the effectiveness and excellent performance of the proposed RD-BP algorithm. As shown in (Fig. 7), (Fig. 10), and (Fig. 13), the algorithm successfully localizes interference sources after preprocessing for narrowband interference, Linear Frequency Modulated (LFM) interference, and spoofing interference. These results indicate the algorithm’s broad applicability across various interference types. (Fig. 14) illustrates the Root Mean Square Error (RMSE) under two scenarios in which the interference source is either close or distant. In both cases, RMSE decreases as the Signal-to-Noise Ratio (SNR) increases. When the source is nearby, RMSE changes slowly, indicating stable performance. When the source is distant, the algorithm maintains strong performance at higher SNRs. (Fig. 15) shows that under SNR conditions of –10 dB and 15 dB, RMSE increases with target distance. However, the RD-BP algorithm consistently outperforms other methods in accuracy, demonstrating its robustness and adaptability across varying distances. (Fig. 16) further confirms that RMSE stabilizes as the synthetic aperture length increases under both –10 dB and 15 dB SNR conditions. When the aperture length exceeds 100 m, the RD-BP algorithm achieves superior performance relative to other methods and approaches the Cramér–Rao Lower Bound (CRLB), indicating near-optimal estimation accuracy. (Table 1) compares the computational performance of the proposed algorithm with that of the other four algorithms. While the RD algorithm is sensitive to platform sampling frequency, flight velocity, and other operational parameters, the RD-BP algorithm mitigates these limitations. It improves localization accuracy while maintaining manageable computational complexity, offering an effective trade-off between precision and efficiency.  Conclusions  This study addresses the problem of locating GNSS interference sources using low-altitude, low-speed UAV platforms. A localization method based on single-antenna synthetic aperture technology is proposed. The study begins by categorizing different types of GNSS interference and their respective preprocessing strategies. An RD algorithm is then derived based on the precise slant range representation, leveraging the relative direction of the interference source with respect to the UAV to achieve coarse localization. To address the accuracy limitations inherent in the RD algorithm due to initial condition constraints, an improved approach is proposed by incorporating the BP algorithm. This enhancement enables refined localization within a narrowed search region. Simulation results confirm that the proposed algorithm can reliably localize common GNSS interference sources under various interference conditions. Compared to conventional methods such as array antenna direction finding, the proposed technique requires only a single antenna mounted on the UAV platform, thereby increasing system flexibility and reducing both cost and design complexity. This demonstrates the feasibility of the method for rapid and efficient localization of GNSS interference sources.
Research on Fusion Localization Algorithm of Indoor UWB and IMU Assisted by GPR Error Calibration
MA Xinpeng, CHEN Yu, CUI Zhicheng, LI Xingguang, CUI Wei
2025, 47(10): 3772-3782. doi: 10.11999/JEIT241145
Abstract:
  Objective  Ultra-WideBand (UWB) ranging in confined indoor environments is prone to coarse ranging errors and Gaussian noise, which substantially degrade localization accuracy for both static and dynamic targets, even under Line-of-Sight (LOS) conditions. In addition, during indoor operations of wheeled vehicles, obstacles often obstruct the LOS between onboard UWB tags and anchors, resulting in Non-Line-of-Sight (NLOS) propagation. NLOS-induced interference results in abrupt fluctuations in range measurements, which severely compromise the estimation of the vehicle’s motion state.  Methods   To address these challenges, this study proposes a Gaussian Process Regression (GPR)-calibrated indoor UWB/Inertial Measurement Unit (IMU) fusion localization algorithm (GIU-EKF). The proposed approach offers two key features. First, a UWB ranging error model for the entire two-dimensional localization area is established by collecting UWB measurements at a limited set of reference points under LOS conditions. This model is applied to correct LOS-related ranging biases. Second, by leveraging the low short-term drift characteristics of inertial measurements, the algorithm fuses IMU and UWB data to mitigate NLOS ranging errors.  Results and Discussions  Under LOS conditions, a GPR-based error calibration model is constructed by sampling and analyzing UWB ranging deviations at known reference coordinates. This model captures the statistical association between two-dimensional spatial positions and the corresponding ranging errors. For any queried location, the model generates a set of probabilistic range estimates, with the final range value obtained by weighting nearby sample points according to their normalized likelihoods. This enables real-time suppression of LOS-related ranging errors. A threshold-based detection mechanism identifies NLOS conditions when the UWB range increment exceeds a predefined threshold. In NLOS scenarios, a subordinate Extended Kalman Filter (EKF) fuses UWB range data with short-term IMU measurements to compensate for NLOS-induced ranging errors during motion. The corrected range data are then incorporated into a primary EKF to update the vehicle’s motion state estimation. Experimental results demonstrate that the proposed GPR-based coarse error correction reduces localization errors by 64% and 58% for static and dynamic tags under LOS conditions, respectively. In three representative NLOS scenarios, the GIU-EKF algorithm maintains reliable motion state estimation for low-speed targets, achieving an average localization error of 7.5 cm. For tags moving at speeds between 0.2 m/s and 0.8 m/s, localization errors remain below 10 cm. The robustness of the proposed algorithm under extreme conditions is also validated. As shown in Section 4.3.2, the algorithm maintains stable velocity vector estimation even when the wheeled vehicle experiences alternating occlusions between single-anchor and multi-anchor configurations. Under low-speed conditions (2.2 cm/s), the localization error remains as low as 6.7 cm. Section 4.3.3 further verifies the algorithm’s convergence capability under large initial deviations. When subjected to initial heading errors between 5° and 50°, or a combined 1.5 m position offset and 10° heading deviation, the proposed method consistently converges to the true position within a 2-meter travel distance.  Conclusions  This study presents a GPR-assisted indoor UWB/IMU fusion localization algorithm. By independently suppressing LOS and NLOS ranging errors from four UWB anchors, the proposed approach enhances localization accuracy in complex indoor environments. Under LOS conditions, a GPR-based correction mitigates coarse UWB ranging errors. In NLOS scenarios, short-term inertial estimates compensate for anomalous UWB measurements. A subordinate EKF adaptively balances observation uncertainties from the two sensing modalities, maintaining motion state observability when the tag moves slowly in confined spaces. This design avoids long-term drift accumulation, which is often observed in tightly coupled systems that treat IMU data as a strong prior, particularly when using low-cost inertial sensors. Experimental results demonstrate that the proposed algorithm achieves sub-10 cm localization accuracy under both LOS and NLOS conditions. During low-speed operations, the system maintains convergence of both velocity and position estimates. Furthermore, even with significant initial motion state biases, the algorithm consistently converges to the true trajectory. These findings indicate that the proposed method effectively meets the operational requirements of mobile robots in narrow indoor environments. However, practical application still requires further attention to two key aspects: efficient and autonomous collection of coordinate samples for GPR model training, and integration of real-time localization outputs with vehicle path planning and motion control systems.
Double Deep Q-Network for Non-Uniform Position Optimization in Sparse Circular Arrays
CHEN Tao, LIANG Yaopeng, CHEN Xu, ZHAN Lei
2025, 47(10): 3783-3792. doi: 10.11999/JEIT250125
Abstract:
  Objective  To address sparse circular array deployment in practical engineering scenarios, where the number and positions of array elements are constrained, this study proposes an optimization algorithm based on Double Deep Q-Networks (DDQN) to maintain Direction-of-Arrival (DOA) estimation performance under limited channel conditions. This method enables flexible and efficient array design strategies and overcomes challenges that conventional optimization approaches are unable to resolve effectively. The sparse circular array design problem is formulated by minimizing the two-dimensional DOA estimation Ziv–Zakai Bound (ZZB) and Peak Sidelobe Level (PSL) as joint objectives to ensure both angular resolution and estimation accuracy. The state space, action space, and reward function are constructed accordingly, and the DDQN algorithm is employed to solve the optimization task. Experimental results demonstrate that the proposed method achieves stable convergence and robust DOA estimation performance under deployment constraints, and confirm its practical effectiveness.  Methods  To optimize sparse circular arrays under structural and channel limitations, a DDQN-based design approach is proposed. The method selects a subset of elements from a uniform circular array to maximize DOA estimation accuracy and angular resolution while satisfying constraints on the number of antennas and inter-element spacing. The array design task is cast as a constrained optimization problem with the two-dimensional DOA ZZB and PSL as the performance metrics. Within the reinforcement learning framework, the state space reflects potential array configurations, the action space corresponds to candidate element selections, and the reward function is derived from the optimization objectives. Once trained, the DDQN model outputs an optimized sparse array configuration that balances resolution and sidelobe suppression under the given constraints.  Results and Discussions  Simulation results show that the reward function of the proposed algorithm converges as the number of training episodes increases (Fig. 8). In contrast, traditional reinforcement learning algorithms exhibit slower convergence and yield suboptimal solutions, while genetic algorithms tend to suffer from premature convergence. The designed sparse circular array satisfies the optimization constraints, including the maximum inter-element spacing requirement (Fig. 7(a)). Under a three-source scenario, the array demonstrates robust DOA estimation capability, effectively resolving multiple incident signals DOA estimation problem (Fig. 9). In evaluations of DOA estimation with Root Mean Squared Error (RMSE) under varying Signal-to-Noise Ratio (SNR) conditions (Fig. 10), the proposed array achieves an estimation error below 0.5° when SNR is ≥ 0 dB. Compared with other sparse circular arrays, it achieves the lowest RMSE, indicating superior estimation performance. In angular resolution tests, the proposed array also exhibits lower PSL values (Table 2) and a higher angle estimation success rate. When the angular separation is ≥ 3°, the success rate exceeds 95% (Fig. 10), confirming the array’s high DOA estimation accuracy and strong angular resolution.  Conclusions  This study formulates sparse circular array optimization as a constrained problem with the maximum inter-element spacing as a design constraint. To enhance both DOA estimation accuracy and angular resolution, the two-dimensional DOA estimation ZZB and PSL are minimized as joint objectives function. A DDQN algorithm with a dual-network structure is employed to solve the optimization problem and generate the array configuration. Simulation experiments verify that, under channel limitations, the proposed array satisfies the imposed constraints and achieves the intended optimization goals. Compared with other sparse circular arrays, the design demonstrates superior overall DOA estimation performance.
A Successive Convex Approximation Optimization based Prototype Filter Design Method for Universal Filtered Multi-Carrier Systems
HUA Jingyu, YANG Le, WEN Jiangang, ZOU Yuanping, SHENG Bin
2025, 47(10): 3793-3803. doi: 10.11999/JEIT250278
Abstract:
  Objective  In response to the extensive demands of sixth-generation (6G) communications, new waveform designs are expected to play a critical role. Conventional Orthogonal Frequency Division Multiplexing (OFDM) relies on strict orthogonality among subcarriers; however, this orthogonality is highly vulnerable to synchronization errors, which lead to severe Inter-Carrier Interference (ICI). To address this issue, filtered multicarrier modulation techniques apply high-performance filters to each subcarrier, thereby confining spectral leakage and mitigating ICI caused by non-ideal frequency synchronization. Among these techniques, Universal Filtered Multi-Carrier (UFMC) has shown particular promise, offering enhanced spectral flexibility and reduced out-of-band emissions compared with traditional OFDM. Despite these advantages, most existing studies recommend Dolph-Chebyshev (DC) filters as UFMC prototype filters. Nevertheless, DC filters suffer from limited controllability over design parameters and insufficient robustness against interference. Recent research has sought to improve system performance by applying constrained optimization techniques in filter design, typically optimizing metrics such as Signal-to-Interference Ratio (SIR) and Signal-to-Interference-plus-Noise Ratio (SINR). Nevertheless, the Symbol Error Rate (SER) has not achieved an optimal level, indicating room for further improvement. To bridge this gap, this paper proposes a novel prototype filter design method that directly targets the average SER in interference-limited UFMC systems. This approach improves the anti-interference capability of UFMC systems and contributes to the development of robust waveform solutions for 6G communications.  Methods  This study first derives the SINR of the UFMC system under non-zero Carrier Frequency Offset (CFO) and formulates the SER expression under interference-limited conditions. A mathematical model is then established for prototype filter optimization, with SER defined as the objective function. Because the nonlinear coupling between SINR and the filter coefficients introduces strong non-convexity, the Successive Convex Approximation (SCA) framework is employed to locally linearize the non-convex components. Furthermore, a quadratic upper-bound technique is applied to guarantee both convexity and convergence of the approximated problem. Finally, an iterative algorithm is developed to solve the optimization model and determine the optimal prototype filter.  Results and Discussions  The interference suppression capability of the proposed SCA filter is comprehensively evaluated, as shown in Figs. 2 and 3. The simulation results in Fig. 2 reveal several important findings. (1) The deviation between the theoretical SINR and Monte Carlo simulation results is less than 0.1 dB (Fig. 2), confirming the accuracy of the derived closed-form expressions. (2) CFO is shown to have a strong association with system interference. As the residual CFO increases from 0 to 0.05, the SINR with conventional DC filters decreases by 3.6 dB, whereas the SCA filter achieves an SINR gain of approximately 1 dB compared with the DC filter. (3) Under a CFO of 0.025, the UFMC waveform demonstrates clear superiority over the ideal OFDM system. At a Signal-to-Noise Ratio (SNR) of 18 dB, the UFMC system with the SCA filter attains an SINR of 18.4 dB, outperforming OFDM by 0.3 dB. Fig. 3 further highlights the robustness of the SCA filter in dynamic interference environments. Although the SER increases with both larger CFO and higher modulation orders, the SCA filter consistently yields the lowest SER across all interference scenarios. Under severe interference conditions (CFO = 0.05, 16QAM modulation, SNR = 17 dB), the SCA filter achieves an SER of 7.4×10–3, markedly outperforming the DC filter, which exhibits an SER of 2.9×10–2. These results demonstrate that the proposed SCA filter substantially enhances the anti-interference capability of UFMC systems.  Conclusions  This study first derives analytical expressions for the SINR and SER of the UFMC system under CFO. On this basis, an optimization model is established to design the prototype filter with the objective of minimizing the average SER. To address the non-convexity arising from the nonlinear coupling between SINR and filter coefficients, the SCA method is employed to reformulate the problem into a series of convex subproblems. An iterative algorithm is then proposed to obtain the optimal prototype filter. Simulation results demonstrate that, compared with conventional filters, the proposed SCA-based optimization algorithm provides flexible control over key filter parameters, achieving a narrower transition band and higher stopband attenuation under the same filter length. This improvement translates into significantly enhanced anti-interference performance under various system conditions. In summary, the main contributions of this work are: (1) Proposing a novel SCA-based optimization method for UFMC prototype filter design, which overcomes the parameter control limitations of traditional DC filters; (2) Systematically analyzing the performance advantages of the SCA filter under different modulation schemes and CFO conditions, and quantitatively demonstrating its contributions to SINR and SER improvements.
Cryption and Network Information Security
Constructing Two Classes of Maximum Distance Separable Entanglement-Assisted Quantum Error-Correcting Codes by Using Twisted Generalized Reed-Solomon Codes
PAN Xin, GAO Jian
2025, 47(10): 3804-3813. doi: 10.11999/JEIT250258
Abstract:
  Objective  With the rapid development of quantum communication and computation, efficient error-correction technologies are critical for ensuring the reliability of quantum systems. Maximal Distance Separable (MDS) Entanglement-Assisted Quantum Error-Correcting Codes (EAQECCs) with flexible code lengths and larger minimum distances offer significant advantages in enhancing quantum system robustness. However, classical quantum codes face limitations in parameter flexibility and minimum distance constraints. This study addresses these challenges by leveraging Twisted Generalized Reed-Solomon (TGRS) codes to construct novel MDS EAQECCs, aiming to improve performance in complex quantum communication scenarios. In this paper, TGRS codes are innovatively applied to construct MDS EAQECCs. Different from polynomial construction methods, we determine the dimension of the Hermitian Hull through special matrix rank analysis, and successfully construct \begin{document}$ q $\end{document}-ary MDS EAQECCs with a minimum distance exceeding\begin{document}$ q+1 $\end{document}. Two construction schemes with flexible code lengths are proposed. Notably, the minimum distances of the constructed \begin{document}$ q $\end{document}-ary codes all exceed \begin{document}$ q+1 $\end{document}. Table 2 systematically summarizes the known MDS EAQECCs with a length less than \begin{document}$ {q}^{2} $\end{document} and a minimum distance exceeding \begin{document}$ q+1 $\end{document}. The novelty of the construction schemes in this paper is highlighted through parameter comparison. Reasoning shows that our schemes achieve flexible adjustment of the code length while maintaining the advantage of the minimum distance.  Methods  The proposed approach integrates TGRS codes with algebraic techniques to design MDS EAQECCs. Two families of MDS EAQECCs are constructed by using TGRS codes over finite fields. The key steps are as follows: (1) TGRS Code Construction: Utilizing twisted polynomials and hook parameters to generate TGRS codes with adjustable dimensions and minimum distances. (2) Hermitian Hull Analysis: Applying matrix rank analysis to determine the dimensions of the Hermitian Hull of the constructed codes, which is crucial for satisfying the Singleton bound in quantum codes. (3) Twisted Operation Optimization: Employing twisted operations to transform the constructed MDS EAQECCs into ME-MDS EAQECCs.  Results and Discussions  This paper constructs two families of MDS EAQECCs using TGRS codes and gives certain twisted conditions under which the codes are ME-MDS EAQECCs. Compared with other known codes, these new codes have more flexible parameters and significant advantages in terms of code length, minimum distance, and maximum entanglement state. This paper constructs \begin{document}$ q $\end{document}-ary EAQECCs with \begin{document}$ [[i(q-1), $\end{document}\begin{document}$ i(q-1)-2j-q-t+2v+2,q+j+1;q-t+2v+2]{]}_{q} $\end{document} when \begin{document}$ i $\end{document} is odd and \begin{document}$ [[i(q-1),i(q-1)- 2j-q-t+ $\end{document}\begin{document}$ 2v+3,q+j+1;q-t+2v+3]{]}_{q} $\end{document} when \begin{document}$ i $\end{document} is even. Based on Theorem 1 and Theorem 2, several types of MDS EAQECCs are obtained, and their parameters are listed in Table 1.Theorems 3~6 give the existence conditions of specific \begin{document}$ q $\end{document}-ary EAQECCs under different parameter settings. Furthermore, this paper upgrades the MDS EAQECCs to ME-MDS EAQECCs with \begin{document}$ \left[\right[i(q-1),i(q-1)-q-j,q+j+1;q+j]{]}_{q} $\end{document} by a twisted operation. Meanwhile, this paper constructs \begin{document}$ q $\end{document}-ary EAQECCs with \begin{document}$ \left[\right[i(q+1),(i-1)(q+1)-s,q+2;q-s+1]{]}_{q} $\end{document}. Moreover, this paper upgrades the MDS EAQECCs to ME-MDS EAQECCs with \begin{document}$ [[i(q+1),(i-1) $\end{document}\begin{document}$ (q+1),q+2;q+1]{]}_{q} $\end{document} by a twisted operation. Theorem 7 gives the dimension of the Hermitian Hull of this RS code after the twisted operation on its generating matrix. Similar to the first construction, a new twisted operation is applied, which upgrades the MDS EAQECCs to ME-MDS EAQECCs with specific parameters. Theorems 8, 9 give the existence conditions of specific \begin{document}$ q $\end{document}-ary EAQECCs under different parameter settings based on this construction method.  Conclusions  Two families of MDS EAQECCs are constructed using TGRS codes, and the parameters of known MDS EAQECCs are systematically summarized. Comparative analysis reveals that the EAQECCs proposed in this paper offer the following advantages: Compared with the known \begin{document}$ q $\end{document}-ary MDS EAQECCs (Table 2), the parameters of the MDS EAQECCs constructed here are new and have not been covered by previous studies; The codes not only enable flexible code-length adjustments but also achieve a minimum distance that significantly exceeds traditional theoretical bounds; Under specific twisted conditions, the constructed MDS EAQECCs are upgraded to ME-MDS EAQECCs. By introducing the twisted operation on RS codes, more flexible parameter combinations are obtained. This provides greater flexibility in the design of quantum error-correcting codes, enabling better adaptation to different quantum communication requirements. This improvement further optimizes the performance of quantum error-correcting codes, enhancing the entanglement-assisted error-correcting ability and improving the overall efficiency of quantum systems. These research results indicate that TGRS codes are important theoretical tools for constructing high-performance EAQECCs with excellent parameters. They play a pivotal part in advancing the development of quantum communication technology. Moreover, they offer a firm theoretical underpinning for the practical implementation of quantum error-correcting codes. Future research can focus on further exploring the potential of TGRS codes in constructing more advanced quantum error-correcting codes and expanding their applications in different quantum communication scenarios.
Information Entropy-Driven Black-box Transferable Adversarial Attack Method for Graph Neural Networks
WU Tao, JI Qionghui, XIAN Xingping, QIAO Shaojie, WANG Chao, CUI Canyixing
2025, 47(10): 3814-3825. doi: 10.11999/JEIT250303
Abstract:
  Objective  Graph Neural Networks (GNNs) achieve state-of-the-art performance in modeling complex graph-structured data and are increasingly applied in diverse domains. However, their vulnerability to adversarial attacks raises significant concerns for deployment in security-critical applications. Understanding and improving GNN robustness under adversarial conditions is therefore crucial to ensuring safe and reliable use. Among adversarial strategies, transfer-based black-box attacks have attracted considerable attention. Yet existing approaches face inherent limitations. First, they rely heavily on gradient information derived from surrogate models, while insufficiently exploiting critical structural cues embedded in graphs. This reliance often leads to overfitting to the surrogate, thereby reducing the transferability of adversarial samples. Second, most methods adopt a global perspective in perturbation selection, which hinders their ability to identify local substructures that decisively influence model predictions, ultimately resulting in suboptimal attack efficiency.  Methods  Motivated by the intrinsic structural characteristics of graph data, the latent association between information entropy and node vulnerability is investigated, and an entropy-guided adversarial attack framework is proposed. For homogeneous GNNs, a transferable black-box attack method, termed NEAttack, is designed. This method exploits node entropy to capture the structural complexity of node-level neighborhood subgraphs. By measuring neighborhood entropy, reliance on surrogate model gradients is reduced and perturbation selection is made more efficient. Based on this framework, the approach is further extended to heterogeneous graphs, leading to the development of GEHAttack, an entropy-based adversarial method that employs graph-level entropy to account for the semantic and relational diversity inherent in heterogeneous graph data.  Results and Discussions  The effectiveness and generalizability of the proposed methods are evaluated through extensive experiments on multiple datasets and model architectures. For homogeneous GNNs, NEAttack is assessed against six representative baselines on four datasets (Cora, CoraML, Citeseer, and PubMed) and three GNN models (Graph Convolutional Network (GCN), Graph Attention Network (GAT), Simplified Graph Convolution (SGC)). As reported in (Table 1) and (Table 2), NEAttack consistently outperforms existing approaches. In terms of accuracy, average improvements of 10.25%, 17.89%, 6.68%, and 12.6% are achieved on Cora, CoraML, Citeseer, and PubMed, respectively. For the F1-score, the corresponding gains are 9.41%, 16.83%, 6.21%, and 17.24%. Random Attack and Delete Internal, Connect External (DICE), which rely on randomness, exhibit stable but weak transferability, leading to only minor reductions in model performance. Meta-Self and Projected Gradient Descent (PGD) generate effective adversarial samples in white-box scenarios but show poor transfer performance due to overfitting to surrogate models. AtkSE and GraD perform better but remain affected by overfitting, while their computational cost increases sharply with data scale. For heterogeneous GNNs, GEHAttack is compared with three baselines on three datasets (ACM, IMDB, and DBLP) and six Heterogeneous Graph Neural Network (HGNN) models (Heterogeneous Graph Attention Network (HAN), Heterogeneous Graph Transformer (HGT), Simple Heterogeneous Graph Neural Network (SimpleHGN), Relational Graph Convolutional Network (RGCN), Robust Heterogeneous (RoHe), and Fast Robust Heterogeneous Graph Convolutional Network (FastRo-HGCN)). As shown in (Table 3 and Table 4), GEHAttack exhibits clear advantages. On the ACM dataset, compared with the HG Baseline, GEHAttack improves the average Micro-F1 and Macro-F1 scores of HAN, HGT, SimpleHGN, and RGCN by 3.93% and 3.46%, respectively. On the more robust RoHe and FastRo models, the corresponding improvements are 2.75% and 1.65%. Similar improvements are also observed on the IMDB and DBLP datasets, confirming the robustness and transferability of GEHAttack.  Conclusions  This study presents a unified entropy-oriented adversarial attack framework for both homogeneous and heterogeneous GNNs in black-box transfer settings. By leveraging the relationship between entropy and structural vulnerability, the proposed NEAttack and GEHAttack methods address the key limitations of gradient-dependent approaches and enable more efficient perturbation generation. Extensive evaluations across diverse datasets and models demonstrate their superiority in both performance and adaptability, providing new insights into advancing adversarial robustness research on graph-structured data.
OTFS Communication Link Construction and Three-Dimensional Constellation Encryption Design
MA Yingjie, LIU Yueheng, ZHAO Geng, ZHAO Mingjing, WANG Dan
2025, 47(10): 3826-3837. doi: 10.11999/JEIT250181
Abstract:
  Objective  With the advancement of Sixth-Generation (6G) communication technologies, the demand for highly reliable and secure transmission in high-speed mobile scenarios has grown significantly. Orthogonal Time Frequency Space (OTFS) modulation has emerged as a promising solution due to its superior transmission reliability in high-mobility environments. However, research on the security aspects of OTFS systems remains limited. To address this challenge, this study proposes a Three-Dimensional (3D) constellation encryption scheme for OTFS communication links. The objective is to enhance the security of OTFS systems while preserving communication performance by designing a novel 3D constellation structure and implementing physical-layer dynamic encryption based on a Coupled Map Lattice (CML) spatiotemporal chaotic system. This research provides a secure and efficient transmission strategy for future wireless communication systems.  Methods  The integration of 3D constellation encryption with OTFS modulation enhances the security of OTFS systems. First, a novel 3D constellation is designed, where 16 constellation points are uniformly distributed on the surface of a sphere centered at the origin. By optimizing the spatial distribution of constellation points, the minimum Euclidean Distance (MED) is increased and the average transmission power is reduced, thereby improving Bit Error Rate (BER) performance. Second, a dynamic encryption scheme for the 3D constellation over the OTFS link is proposed. In this scheme, pseudo-random sequences are generated using the CML system, quantized into 16-bit binary sequences, and employed to control both the selection of mapping rules and the rotational encryption of the 3D constellation. The encryption process operates as follows: first, the mapping rules are dynamically selected based on the quantized chaotic sequences; second, the rotation angles of the constellation points around the X, Y, and Z axes are determined by the same chaotic sequences. This dual encryption mechanism enhances the system’s security while maintaining reliable communication performance.  Results and Discussions  The performance of the proposed scheme is evaluated through extensive simulations. The results show that the optimized 3D constellation achieves a 22% improvement in MED compared with traditional 2D 16-quadrature amplitude modulation (16QAM). Compared with existing 3D constellations, the proposed design increases the MED by 5%, reduces average transmission power by 11%, and improves the Constellation Figure of Merit (CMF) by 10% (Table 2, Table 3). Superior communication performance is also demonstrated, with a BER improvement of approximately 0.6 dB over existing methods (Fig. 5, Fig. 6). In terms of security, the encryption scheme provides a key space of 10120, effectively resisting brute-force attacks. Key sensitivity tests confirm that even minor changes to the initial key result in completely different decrypted images (Fig. 7), verifying the robustness of the encryption mechanism. The encrypted images exhibit uniform histogram distributions (Fig. 8) and correlation coefficients near zero (Table 7), indicating strong resistance to statistical attacks. Additionally, the scheme maintains reliable performance under noisy conditions, with decrypted images preserving high quality even at low Signal-to-Noise Ratios (SNR) (Fig. 9).  Conclusions  This study combines OTFS communication links with 3D constellation encryption to realize physical-layer security for OTFS systems, enhancing both communication performance and transmission security. The proposed 3D constellation improves the MED by 5%, reduces average power by 11%, and increases the CMF by 10%, thereby enhancing BER performance. The dual dynamic encryption mechanism based on a CML system offers strong security. Simulation results show that the proposed scheme achieves a favorable balance between communication performance and security. BER performance improves by approximately 0.6 dB, while the large key space, high key sensitivity, strong resistance to statistical attacks, and good robustness collectively ensure enhanced security. The combination of OTFS modulation and 3D constellation encryption not only improves spectrum resource utilization but also strengthens channel confidentiality, enhancing resilience to interference and potential attacks. This scheme improves transmission security without compromising communication performance, offering broad application prospects in fields such as the Internet of Things, unmanned aerial vehicles, satellite communication, and ocean communication. The proposed approach is expected to provide more secure and reliable transmission solutions for future wireless communication systems.
Decentralized Anti-quantum Internet of Vehicles Data Sharing Scheme
YU Huifang, DANG Ningze
2025, 47(10): 3838-3846. doi: 10.11999/JEIT250144
Abstract:
  Objective  Internet of Vehicles (IoV) faces emerging threats from quantum computing. NTRU lattice offers an effective approach to achieve anti-quantum security in data sharing. This study develops a decentralized anti-quantum IoV data sharing scheme. New scheme ensures the IND-CCA2 and UF-CMA security under the hardness of NTRU lattice computing problem; it uses short keys and small storage space to maintain low calculation complexity. Blockchain is employed to support the vehicle authentication, access control, key distribution and automated execution of smart contracts. New scheme provides a reliable anti-quantum solution for IoV data sharing and technical support for future development of intelligent transportation.  Methods  Based on unique identifiers and attribute set, the smart contract uses the Gaussian sampling algorithm to generate partial private keys and attribute private keys for users. Public-private key pairs are obtained during the key generation phase. IoV model integrates the blockchain, smart contracts, IPFS, RSUs, and OBUs. Smart contracts store and verify the data-sharing records, while IPFS stores encrypted IoV data to enhance the reliability and reduce the storage cost. RSUs collect the data uploaded by OBUs and forward it to the blockchain which broadcasts real-time traffic information to vehicles. Smart contracts dynamically evaluate the user permissions according to predefined access policies and trigger corresponding operations. Concurrent access experiments were conducted in large-scale and dynamic IoV scenario. Simulations under varying concurrent OBU access requests demonstrated that distributed blockchain architecture and smart contract permission verification enables the system to maintain stable performance under high concurrency.  Results and Discussions  The proposed scheme computes the data sharing signcryption strategy in accordance with current IoV security requirements. Table 2 reports four instances of private key, ciphertext and signature sizes. Table 3 compares its security characteristics and communication overhead , showing that the proposed scheme requires less overhead. Table 4 demonstrates that, as the number of concurrent users increases from 100 to 1000, the proposed scheme achieves lower total latency and more linear Throughput-Per-Second (TPS) growth compared with scheme [9]. Figure 2 illustrates that although the time consumption of all schemes increases with higher parameter values, the proposed scheme consistently exhibits the lowest time cost.  Conclusions  In the proposed scheme, the user private keys are bound to attribute sets and the data access is controlled by predefined access policies. This design ensures that only users with specific attributes can perform unsigncryption, thereby enabling fine-grained access control. The trapdoor generation and Gaussian sampling algorithms within the NTRU lattice reduce key size while ensuring anti-quantum security for IoV data transmission and storage. The integration of IPFS, blockchain, and smart contracts enables efficient index management and permission control, which strengthens the reliability of IoV system. The scheme supports concurrent access by large numbers of IoV users and has the potential to mitigate traffic accidents.
Adversarial Transferability Attack on Deep Neural Networks Through Spectral Coefficient Decay
QIAN Yaguan, KONG Yaxin, CHEN Kecheng, SHEN Yunkai, BAO Qiqi, JI Shouling
2025, 47(10): 3847-3857. doi: 10.11999/JEIT250157
Abstract:
  Objective  The rapid advancement of machine learning has accelerated the development of artificial intelligence applications based on big data. Deep Neural Networks (DNNs) are now widely used in real-world systems, including autonomous driving and facial recognition. Despite their advantages, DNNs remain vulnerable to adversarial attacks, particularly in image recognition, which exposes significant security risks. Attackers can generate carefully crafted adversarial examples that appear visually indistinguishable from benign inputs but cause incorrect model predictions. In critical applications, such attacks may lead to system failures. Studying adversarial attack strategies is crucial for designing effective defenses and improving model robustness in practical deployments.  Methods  This paper proposes a black-box adversarial attack method termed Spectral Coefficient Attenuation (SCA), based on Spectral Coefficient Decay (SCD). SCA perturbs spectral coefficients during the iterative generation of adversarial examples by attenuating the amplitude of each frequency component. This attenuation introduces diverse perturbation patterns and reduces the dependency of adversarial examples on the source model, thereby improving their transferability across models.  Results and Discussions  This study generated adversarial examples using three naturally trained deep models based on Convolutional Neural Network (CNN) architectures and evaluated their attack success rates against several widely used convolutional image recognition models. Compared with MI-FGSM, the proposed method achieved average increases in attack success rates of 4.7%, 4.1%, and 4.9%, respectively. To further assess the effectiveness of the SCA algorithm, additional experiments were conducted on vision models based on Transformer architectures. In these settings, the SCA method yielded average success rate improvements of 4.6%, 4.5%, and 3.7% compared with MI-FGSM.  Conclusions  The proposed method attenuates the energy of individual spectral components during the iterative generation of adversarial examples in the frequency domain. This reduces reliance on specific features of the source model, mitigates the risk of overfitting, and enhances black-box transferability across models with different architectures. Extensive experiments on the ImageNet validation set confirm the effectiveness of the SCA method. Whether targeting CNN-based or Transformer-based models, the SCA algorithm consistently achieves high transferability and robust attack performance.
A Distributed KBB Index Tree Multi-Keyword Fuzzy Sorting Search Scheme
SUN Jin, SONG Nana, WANG Lu, KANG Mengna, YE Kexin
2025, 47(10): 3858-3868. doi: 10.11999/JEIT250151
Abstract:
  Objective  The rapid advancement of information technology has driven significant transformation in the medical domain. As a cornerstone of medical informatization, Electronic Health Records (EHRs) play a critical role in improving healthcare service efficiency and supporting medical research. Effective use of patient EHRs can enhance diagnostic and treatment processes and offer reliable data support for disease prevention and novel drug discovery. However, conventional EHR systems face several challenges, including data silos, secure sharing complexity, and heightened privacy risks. Data silos hinder the seamless exchange and integration of EHRs across institutions, limiting the potential for collaborative medical practices. A central challenge in secure data sharing lies in ensuring data interoperability without compromising patient privacy—a problem of urgent concern in modern healthcare systems. Moreover, privacy breaches not only jeopardize patient welfare but also damage the credibility and trustworthiness of healthcare institutions. To address these issues, this paper proposes a distributed multi-keyword fuzzy sorting search scheme based on a Keywords Balanced Binary (KBB) index tree. The scheme leverages the decentralized, tamper-proof, and traceable features of blockchain technology to create a secure and efficient framework for EHR sharing. By eliminating data silos, the blockchain facilitates cross-institutional interoperability, while smart contracts maintain strict privacy protections throughout the data sharing process.  Methods   The scheme first applies a K-means clustering algorithm to categorize EHRs, followed by hierarchical encrypted storage via the Interplanetary File System (IPFS). This dual-layer approach ensures distributed data management while protecting user privacy and enhancing storage robustness and fault tolerance. To improve search performance, the Porter stemming algorithm standardizes query keywords, reducing ambiguity from semantic variations and enabling consistent semantic matching. A KBB index tree is then constructed over the clustered EHRs to support fuzzy keyword matching and high retrieval precision. This structure incorporates adaptive sorting to reduce search latency. Access control is enforced using smart contracts, which implement fine-grained, role-based authentication to ensure that only authorized users can retrieve EHRs, thereby minimizing the risk of data leaks. During query processing, ranked searches are conducted within the KBB index tree. Once matching encrypted EHRs are located, data retrieval is performed via IPFS. Blockchain-based hashing ensures the integrity and immutability of the retrieved data, protecting it from tampering or corruption. Finally, users decrypt the data with private keys to access the original EHR content, completing the secure retrieval process.  Results and Discussions  Simulation experiments demonstrate that the proposed scheme offers superior implementation efficiency compared to related methods in terms of both time and storage overhead. The index tree construction time is shorter than that reported in[Ref. 7] and[Ref. 8], with an efficiency improvement of 80%–85% (Fig. 3). Although the trap generation time is longer than in[Ref. 7] and[Ref. 15] (Fig. 4), this increase stems from the scheme’s support for multiuser search, whereas[Ref. 7] only supports single-user search. The combined search time for indexing and trap generation is lower than in[Ref. 7],[Ref. 8], and[Ref. 15], with search efficiency improved by 50.5% and 75.8%, respectively (Fig. 5). The ciphertext generation and decryption times are also markedly better than those in the comparative literature, with improvements of 33.3% and 60%, respectively (Fig. 6, Fig. 7). Furthermore, the storage costs for keys and ciphertext in this scheme are lower than those of the other methods (Fig. 8, Fig. 9).  Conclusions  The proposed scheme substantially improves multi-keyword search efficiency, enabling users to rapidly locate target information within large-scale EHR datasets while enhancing the accuracy of search results. The fuzzy search functionality allows users to retrieve data even when the exact form of the keywords is unknown, increasing the flexibility and applicability of the search process. The encryption algorithm has been rigorously tested in experimental analyses, demonstrating that it maintains semantic security under the known ciphertext model, thereby ensuring EHR confidentiality. In addition, the algorithm performs well in terms of implementation efficiency, meeting the practical needs of EHR applications in medical contexts while maintaining strong security guarantees. By combining high-precision multi-keyword indexing with robust privacy protection, this scheme offers a scalable and secure framework for EHR sharing that meets the interoperability and confidentiality requirements of modern healthcare systems.
Image and Intelligent Information Processing
Research on Active Control Strategies for High-speed Train Pantographs Based on Reinforcement Learning-guided Model Predictive Control Algorithms
PENG Yuxiang, HAN Zhiwei, WANG Hui, HONG Weijia, LIU Zhigang
2025, 47(10): 3869-3881. doi: 10.11999/JEIT250343
Abstract:
  Objective  The coupled dynamics of the pantograph-catenary system are a critical determinant of current collection stability and the overall operational efficiency of high-speed trains. This study proposes an active control strategy that addresses complex operating conditions to mitigate fluctuations in pantograph-catenary contact force. Conventional approaches face inherent limitations: model-free Reinforcement Learning (RL) suffers from low sample efficiency and a tendency to converge to local optima, while Model Predictive Control (MPC) is constrained by its short optimization horizon. To integrate their complementary advantages, this paper develops a Reinforcement Learning-Guided Model Predictive Control (RL-GMPC) algorithm for active pantograph control. The objective is to design a controller that combines the long-term planning capability of RL with the online optimization and constraint-handling features of MPC. This hybrid framework is intended to overcome the challenges of sample inefficiency, short-sighted planning, and limited adaptability, thereby achieving improved suppression of contact force fluctuations across diverse operating speeds and environmental disturbances.  Methods   A finite element model of the pantograph-catenary system is established, in which a simplified three-mass pantograph model is integrated with nonlinear catenary components to simulate dynamic interactions. The reinforcement learning framework is designed with an adaptive latent dynamics model to capture system behavior and a robust reward estimation module to normalize multi-scale rewards. The RL-GMPC algorithm is formulated by combining MPC for short-term trajectory optimization with a terminal state value function for estimating long-term cumulative rewards, thus balancing immediate and future performance. A Markov decision process environment is constructed by defining the state variables (pantograph displacement, velocity, acceleration, and contact force), the action space (pneumatic lift force adjustment), and the reward function, which penalizes contact force deviations and abrupt control changes.  Results and Discussions   Experimental validation under Beijing-Shanghai line conditions demonstrates significant reductions in contact force standard deviations: 14.29%, 18.07%, 21.52%, and 34.87% at 290, 320, 350, and 380 km/h, respectively. The RL-GMPC algorithm outperforms conventional H∞ control and Proximal Policy Optimization (PPO) by generating smoother control inputs and suppressing high-frequency oscillations. Robustness tests under 20% random wind disturbances show a 30.17% reduction in contact force variations, confirming adaptability to dynamic perturbations. Cross-validation with different catenary configurations (Beijing-Guangzhou and Beijing-Tianjin lines) reveals consistent performance improvements, with deviations reduced by 17.04%~33.62% across speed profiles. Training efficiency analysis indicates that RL-GMPC requires 57% fewer interaction samples than PPO to achieve convergence, demonstrating superior sample efficiency.  Conclusions   The RL-GMPC algorithm integrates the predictive capabilities of model-based control with the adaptive learning strengths of reinforcement learning. By dynamically optimizing pantograph posture, it enhances contact stability across varying speeds and environmental disturbances. Its demonstrated robustness to parameter variations and external perturbations highlights its practical applicability in high-speed railway systems. This study establishes a novel framework for improving pantograph-catenary interaction quality, reducing maintenance costs, and advancing the development of next-generation high-speed trains.
Noise-tolerant Terminal Zeroing Neural Networks for Solving Time-varying Quadratic Programming: A Triple Power-rate Speeding-up Strategy
ZHONG Guomin, XIAO Likun, WANG Liming, SUN Mingxuan
2025, 47(10): 3882-3892. doi: 10.11999/JEIT250128
Abstract:
  Objective  The computational performance of Zeroing Neural Networks (ZNNs) is enhanced by introducing additional power terms into the activation function. However, this strategy complicates the derivation of explicit settling time expressions. To address this issue, a triple power-rate activation function is designed, and a power-rate speeding-up noise-tolerant terminal ZNN is constructed, through which an exact expression for the settling time is derived. In previous studies, the optimization criterion parameter for repetitive motion planning was typically constant, which may reduce the operational efficiency of robotic manipulators. To overcome this limitation, a time-varying parameter optimization criterion is developed to satisfy task requirements at different stages of repetitive motion planning, thereby improving the operational efficiency of redundant robotic manipulators during task execution.  Methods  A triple power-rate activation function is proposed, extending the conventional bi-power activation function, and a power-rate speeding-up noise-tolerant terminal ZNN is constructed. The convergence process under different parameter settings is analyzed, and explicit settling time expressions are derived. Theoretical analysis confirms that the proposed neural network can effectively suppress vanishing noise. For the repetitive motion planning problem of redundant manipulators, the power-rate speeding-up noise-tolerant terminal ZNN is employed as a solver to ensure acquisition of the desired end-effector trajectory within fixed time. To address the limitations of constant-parameter optimization criteria in repetitive motion planning, a time-varying parameter optimization criterion is designed, which demonstrably improves the operational efficiency of redundant manipulators.  Results and Discussions  In this study, the power-rate speeding-up noise-tolerant terminal ZNN is employed together with bi-power-rate terminal ZNNs to solve time-varying quadratic programming problems. Simulation results show that the proposed power-rate speeding-up noise-tolerant terminal ZNN achieves a faster convergence rate (Fig.2(a), Fig.2(b)) and demonstrates improved capability in suppressing vanishing noise (Fig.2(c)). The convergence process of neural computational error under different parameter conditions is analyzed without noise (Fig 3). Furthermore, the power-rate speeding-up noise-tolerant terminal ZNN is applied to the repetitive motion planning problem of redundant manipulators. Its effectiveness in solving repetitive motion planning is validated (Fig. 4), and the integration of a time-varying parameter optimization criterion further enhances the operational efficiency of redundant manipulators (Fig. 5).  Conclusions  A power-rate speeding-up noise-tolerant terminal ZNN is proposed for solving time-varying quadratic programming problem with time-varying equality constraints, ensuring fixed time convergence of neural computing errors. Compared with conventional bi-power-rate terminal ZNNs, the proposed network achieves faster convergence and stronger noise-tolerance performance. To address the limitations of constant-parameter optimization criteria in repetitive motion planning, a time-varying parameter optimization criterion is designed and shown to improve the operational efficiency of redundant manipulators.
Research on Station Centrality and Cascade Failure Invulnerability of Urban Rail Transit Networks
RUI Xiaobin, LIN Weihan, JI Jiaxin, WANG Zhixiao
2025, 47(10): 3893-3903. doi: 10.11999/JEIT250182
Abstract:
  Objective  Research on node centrality in rail transit networks is essential for ensuring operational safety. Identifying critical stations enables the development of preventive strategies and mitigates the effects of station failures. Existing studies highlight two key determinants of station importance: static topology and dynamic passenger flow. However, most current approaches treat these factors separately, leading to biased estimations of node importance. To address this limitation, this study proposes a novel node centrality measure that integrates static topology and dynamic passenger flow. The method combines topology-based centrality—derived from PageRank and a modified K-shell algorithm—with passenger centrality, which is based on station inflow and outflow volumes. A reinforcement mechanism ensures that passenger centrality consistently amplifies topology-based centrality, balancing the influence of both components. Using cascade failure simulations and real-world data from the Shanghai Metro, the proposed method reliably identifies key stations. These findings offer practical guidance for the design and maintenance of robust metro systems, enhancing their resilience to cascading failures and improving overall safety and stability.  Methods  The proposed method integrates static topology and dynamic passenger flow to evaluate the centrality of urban rail transit stations, addressing the limitations of existing approaches in identifying key stations. It consists of three components: static topology centrality, dynamic passenger flow centrality, and an integration strategy. (1) Static topology centrality is computed using a combination of PageRank and an improved K-core method. This hybrid approach captures both connectivity and node importance based on iterative removal order, mitigating the loss of resolution caused by the long-tail degree distribution typical in transit networks. (2) Dynamic passenger flow centrality assigns separate weights to inbound and outbound flows to account for congestion effects and directional asymmetry—factors often overlooked in previous models. The weights are derived from average boarding and alighting times and adjusted for flow variations across morning peak, evening peak, and off-peak periods. (3) Integration strategy: An exponential function combines the two centrality measures, ensuring that passenger flow consistently amplifies topology-derived importance. This design improves sensitivity to dynamic changes while preserving structural significance. The integrated centrality metric enhances network resilience by supporting targeted protection of critical stations, based on both static and dynamic characteristics.  Results and Discussions  This study investigates the vulnerability of Shanghai’s urban rail transit network by simulating cascading failures and identifying key stations. Using dynamic passenger flow data from three representative weekdays across 14 subway lines—comprising 289 stations and 335 edges—a load-capacity model is applied to assess node importance based on each station’s effect on network stability during cascading failure events. The results (Fig. 1, Fig. 2, Fig. 3) demonstrate that the proposed method consistently and effectively identifies key stations, outperforming five benchmark approaches. When assessing passenger flow loss, passenger flow centrality alone proves more informative than static topology centrality alone (Fig. 3). Moreover, the influence of passenger flow centrality is more pronounced during morning and evening peak periods, highlighting the role of temporal dynamics in station vulnerability. These findings highlight the importance of incorporating dynamic passenger flow data into vulnerability assessments to better capture real-world operational risks. The ablation study (Table 1) confirms that the integrated centrality—combining static topology and dynamic flow—offers superior performance over single-factor methods. Prioritizing the protection of stations identified by this approach can substantially improve the network’s resilience to cascading failures and enhance overall system safety.  Conclusions  This study investigates station centrality in urban rail transit networks and analyzes the cascading failure effects triggered by key node disruptions using a load-capacity model. The proposed method enhances the ranking of station importance by jointly capturing network structure and usage patterns, offering practical value for the design and maintenance of safe and resilient metro systems. Experiments on the Shanghai Metro network show that the method effectively identifies critical stations, with improvements observed in network average efficiency, connectivity, and reduced passenger flow loss. The results indicate the following: (1) Accurate identification of key stations requires the integration of both static topology and dynamic passenger flow; relying on either alone limits precision. (2) Failures at key stations can induce substantial cascading failures, highlighting the need to prioritize their protection to improve system resilience. (3) Future research should focus on developing more effective strategies for integrating static and dynamic centrality measures to extend applicability across different urban transit networks.
A Collaborative Detection Method for Bauxite Quality Parameters Based on the Fusion of G-DPN and Near-Infrared Spectroscopy
ZOU Liang, REN Kelong, WU Hao, XU Zhibin, TAN Zhiyi, LEI Meng
2025, 47(10): 3904-3916. doi: 10.11999/JEIT250240
Abstract:
  Objective  Bauxite is a critical non-metallic mineral resource used in aluminum production, ceramic manufacturing, and refractory material processing. As global demand for aluminum and its derivatives continues to rise, improving the efficiency of bauxite resource utilization is essential. Accurate determination of quality parameters supports the reduction of waste from low-grade ores during smelting and improves overall process optimization. However, traditional chemical analyses are time-consuming, costly, complex, and subject to human error. Existing rapid testing methods, often based on machine learning, typically predict individual quality indicators and overlook correlations among multiple parameters. Deep learning, particularly multi-task learning, offers a solution to this limitation. Near-InfraRed (NIR) spectroscopy, a real-time, non-destructive analytical technique, is especially suited for assessing mineral quality. This study proposes a multi-indicator collaborative detection model—Gate-Depthwise Pointwise Network (G-DPN)—based on NIR spectroscopy to enable the simultaneous prediction of multiple bauxite quality parameters. The proposed approach addresses the limitations of conventional methods and supports efficient, accurate, and cost-effective real-time quality monitoring in industrial settings.  Methods  To accurately model the nonlinear relationships between NIR spectral features and bauxite quality parameters while leveraging inter-parameter correlations, this study proposes a dedicated representation model, G-DPN. The model incorporates large-kernel DepthWise Convolution (DWConv) to extract long-range dependencies within individual spectral channels, and PointWise Convolution (PWConv) to enable inter-channel feature fusion. A Spatial Squeeze-and-Excitation (sSE) mechanism is introduced to enhance spatial feature weighting, and residual connections support the integration of deep features. To further improve task differentiation, a Custom Gate Control (CGC) module is added to separate shared and task-specific features. Orthogonal constraints are applied within this module to reduce feature redundancy. Gate-controlled fusion enables each branch to focus on extracting task-relevant information while preserving shared representations. Additionally, quality parameter labels are normalized to address scale heterogeneity, allowing the model to establish a stable nonlinear mapping between spectral inputs and multiple output parameters.  Results and Discussions  This study applies large convolution kernels in DWConv to capture long-range dependencies within individual spectral channels (Fig. 3). Compared with conventional small-sized kernels (e.g., 3×3), which increase the receptive field but exhibit limited focus on critical spectral regions, large kernels enable more concentrated activation in key bands, thereby enhancing model sensitivity (Fig. 4). Empirical results confirm that the use of large kernels improves prediction accuracy (Table 6). Furthermore, compared to Transformer-based models, DWConv with large kernels achieves comparable accuracy with fewer parameters, offering computational efficiency. The CGC module effectively disentangles shared and task-specific features while applying orthogonal constraints to reduce redundancy. Its dynamic fusion mechanism enables adaptive feature sharing across tasks without compromising task-specific learning, thereby mitigating task interference and accounting for sample correlations (Fig. 6). Relative to conventional multi-task learning frameworks, the CGC-based architecture demonstrates superior performance in multi-parameter prediction (Table 6).  Conclusions  This study proposes a deep learning approach that integrates large-kernel DWConv and a CGC module for multi-parameter prediction of bauxite quality using NIR spectroscopy. DWConv captures long-range dependencies within spectral channels, while the CGC module leverages inter-parameter correlations to enhance feature sharing and reduce task interference. This design mitigates the effects of spectral peak overlap and establishes a robust nonlinear mapping between spectral features and quality parameters. Experiments on 424 bauxite samples show that the proposed G-DPN model achieves \begin{document}${R^2}$\end{document} values of 0.9226, 0.9377, and 0.9683 for aluminum, silicon, and iron content, respectively—outperforming conventional machine learning and existing deep learning methods. These results highlight the potential of combining NIR spectroscopy with G-DPN for accurate, efficient, and scalable mineral quality analysis, contributing to the sustainable utilization of bauxite resources.
Spatial Self-Attention Incorporated Imputation Algorithm for Severely Missing Multivariate Time Series
LIU Hui, FENG Haoran, MA Jiani, ZHENG Hongdang, ZHANG Lin
2025, 47(10): 3917-3928. doi: 10.11999/JEIT250220
Abstract:
  Objective  Multivariate time series data, characterized by their high dimensionality and temporal dynamics, are widely generated across diverse application domains, including healthcare monitoring, industrial sensor networks, and autonomous systems. However, these data are often subject to severe missingness caused by sensor malfunctions, transmission errors, or environmental disturbances, which obscures critical spatiotemporal patterns and hinders downstream analytical tasks such as anomaly detection, predictive maintenance, and decision support. Existing imputation methods, ranging from statistical approaches to machine learning models, are primarily tailored to low missing-rate scenarios. When applied to high missing-rate conditions, they face challenges such as gradient vanishing during model training, insufficient capture of spatiotemporal dependencies, and limited ability to represent complex nonlinear features, with performance deteriorating sharply as the missing rate increases. To address these limitations, this study proposes the Spatial Self-Attention Incorporated Imputation algorithm (SSAImpute), designed to enhance imputation performance specifically under severely missing conditions.  Methods  The proposed SSAImpute algorithm adopts a dual-branch Siamese architecture with adversarial fusion. Each branch comprises two core modules: a spatial self-attention-aware module and a subsequent temporal self-attention encoding module. The spatial self-attention-aware module constructs a dynamic adjacency matrix from the geolocations of data sources to explicitly quantify inter-variable spatial relationships. These spatial dependencies are then integrated with temporal features to strengthen sequence correlation modeling and enrich feature representations with embedded spatial information. The temporal self-attention encoding module employs a multi-dimensional residual attention mechanism with bidirectional temporal dependency learning. A missing-aware positional encoding scheme and a mask-adaptive self-attention mechanism are incorporated to effectively capture temporal dependencies and feature correlations, thereby mitigating severe missingness and alleviating the vanishing gradient problem. The two Siamese branches are fused through adversarial learning and dynamic weighting, which jointly refine the final imputation results. To evaluate the performance of SSAImpute against competing methods, three conventional metrics are used: Mean Absolute Error (MAE), Root Mean Square Error (RMSE), and Mean Relative Error (MRE).  Results and Discussions  Extensive experiments are conducted on four public datasets—Inter-Sensor, PeMS04, PeMS07, and PeMS11, in comparison with seven state-of-the-art time series imputation models: Mean, Median, K-Nearest Neighbor (KNN), Multi-directional Recurrent Neural Network (M-RNN), Bidirectional Recurrent Imputation for Time Series (BRITS), Transformer, and Self-Attention-based Imputation for Time Series (SAITS). The results show that the proposed method consistently improves imputation accuracy across all datasets, even under severe missingness. On the Inter-Sensor dataset, SSAImpute demonstrates superior performance compared with all competing methods. For all four time series, SSAImpute outperforms the others across all evaluation metrics, with improvements over the best-performing baseline (SAITS) of 15.9% in MAE, 0.19% in RMSE, and 16.6% in MRE for temperature; 11.1% in MAE, 1.04% in RMSE, and 13.2% in MRE for humidity; 9.8% in MAE, 10.2% in RMSE, and 24.3% in MRE for light; and 8.8% in MAE, 0.4% in RMSE, and 8.8% in MRE for voltage. On the PeMS datasets, SSAImpute also exceeds all competing methods across PeMS04, PeMS07, and PeMS11. The achieved MAE, RMSE, and MRE are 0.203, 0.328, and 22.4% for PeMS04; 0.153, 0.274, and 17.5% for PeMS07; and 0.180, 0.282, and 19.3% for PeMS11, respectively. The performance under different missing-ratio scenarios is further investigated. Although accuracy decreases exponentially with higher missingness, SSAImpute consistently outperforms the three strongest baselines (Fig. 6). Visualization of the imputed time series further verifies its effectiveness, with reconstructed values closely aligned with the ground truth (Fig. 7). These findings confirm the contributions of the spatial self-attention-aware module, the temporal self-attention encoding module, and the adversarial learning with dynamic weighting mechanism.  Conclusions  This study proposes a spatial self-attention-incorporated imputation method for severely missing multivariate time series data, built on a dual-branch Siamese framework. Each branch integrates a spatial self-attention-aware module, which incorporates geolocation information of the data source, followed by a temporal self-attention encoding mechanism to capture contextual dependencies. These modules jointly strengthen feature extraction of spatiotemporal dependencies, enabling more accurate reconstruction under high missingness. The proposed method provides a robust data foundation for downstream data-driven analysis and decision-making tasks in real-world applications.
Low-Light Object Detection via Joint Image Enhancement and Feature Adaptation
QIAO Chengping, JIN Jiakun, ZHANG Junchao, ZHU Zhengliang, CAO Xiangxu
2025, 47(10): 3929-3940. doi: 10.11999/JEIT250302
Abstract:
  Objective  Object detection has advanced significantly under normal lighting conditions, supported by numerous high-accuracy, high-speed deep learning algorithms. However, in low-light environments, images exhibit reduced brightness, weak contrast, and severe noise interference, leading to blurred object edges and loss of color information, which substantially degrades detection accuracy. To address this challenge, this study proposes an end-to-end low-light object detection algorithm that balances detection accuracy with real-time performance. Specifically, an end-to-end network is designed to enhance feature quality and improve detection accuracy in real time under low-light conditions.  Methods  To improve object detection performance under low-light conditions while maintaining detection accuracy and real-time processing, this study proposes an end-to-end low-light image object detection method. Detection accuracy is enhanced through joint learning of image enhancement and feature adaptation, with the overall network structure shown in Fig. 1. First, a data augmentation module synthesizes low-light images from normal-light images. The paired normal-light and low-light images are mixed using the MixUp function provided by YOLOv5 to generate the final low-light images. These synthesized images are input into the low-light image enhancement module. In parallel, the matched normal-light images are provided as supervision to train the image enhancement network. Subsequently, both the enhanced low-light images and the corresponding normal-light images are fed into the object detection module. After processing through the YOLOv5 backbone, a matching loss is computed to guide feature adaptation.  Result and Discussions   The experiments are conducted primarily on the Polar3000 and LLVIP datasets. Fig. 3 presents the detection results obtained using YOLOv5 with different image enhancement methods applied to the Polar3000 dataset. Most existing methods tend to misclassify overexposed regions as bright Unmanned Aerial Vehicles (UAVs). In contrast, the proposed method demonstrates accurate object detection in low-light conditions without misidentifying overexposed areas as UAVs (Fig. 3). Furthermore, the detection performance of the proposed method, termed MAET, is compared with that of a standalone YOLOv5 model. Quantitative experiments show that the proposed method outperforms both image-enhancement-first detection pipelines and recent low-light object detection methods across both experimental groups A and B, irrespective of low-light fine-tuning. On the LLVIP dataset, the proposed method achieves a detection accuracy of 91.7% (Table 1), while on the Polar3000 dataset, it achieves 92.3% (Table 2). The model also demonstrates superior generalization performance on the ExDark and DarkFace datasets (Tables 4 and 3). Additionally, compared to the baseline YOLOv5 model, the proposed method increases parameter size by only 2.5% while maintaining real-time detection speed (Table 5).  Conclusions  This study proposes a low-light object detection method based on joint learning of image enhancement and feature adaptation. The approach simultaneously optimizes image enhancement loss, feature matching loss, and object detection loss within an end-to-end framework. It improves image illumination, preserves fine details, and aligns the features of enhanced images with those acquired under normal lighting conditions, enabling high-precision object detection in low-light environments. Comparative experiments on the LLVIP and Polar3000 datasets demonstrate that the proposed method achieves improved detection accuracy while maintaining real-time performance. Furthermore, the method achieves the best generalization results on the ExDark and DarkFace datasets. Future work will explore low-light object detection based on multimodal data fusion of visible and infrared images to further enhance detection performance in extremely dark conditions.
SR-FDN: A Frequency-Domain Diffusion Network for Image Detail Restoration in Super-Resolution
LI Xiumei, DING Linlin, SUN Junmei, BAI Huang
2025, 47(10): 3941-3950. doi: 10.11999/JEIT250224
Abstract:
  Objective  Image Super-Resolution (SR) is a critical computer vision task aimed at reconstructing High-Resolution (HR) images from Low-Resolution (LR) inputs, with broad applications in fields such as medical imaging and satellite imaging. Recently, diffusion-based SR methods have attracted significant attention due to their generative capability and strong performance in restoring fine image details. Existing diffusion model-based SR approaches have demonstrated potential in recovering textures and structures, with some methods focusing on spatial domain features and others utilizing frequency domain information. Spatial domain features aid in reconstructing overall structural information, whereas frequency domain decomposition separates images into amplitude and phase components across frequencies. High-frequency components capture details, textures, and edges, whereas low-frequency components describe smooth structures. Compared to purely spatial modeling, frequency domain features improve the aggregation of dispersed high-frequency information, enhancing the representation of image textures and details. However, current frequency domain SR methods still show limitations in restoring high-frequency details, with blurring or distortion persisting in some scenarios. To address these challenges, this study proposes SR-FDN, an SR reconstruction network based on a frequency-domain diffusion model.  Methods  SR-FDN leverages the distribution mapping capability of diffusion models to improve image reconstruction. The proposed network integrates spatial and frequency domain features to enhance high-frequency detail restoration. Two constraints guide the model design: (1) The network must generate plausible HR images conditioned solely on LR inputs, which serve as the primary source of structural information, ensuring high-fidelity reconstruction. (2) The model should balance structural reconstruction with enhanced detail restoration. To achieve this, a dual-branch frequency domain attention mechanism is introduced. A portion of the features undergoes Fourier transform for frequency domain processing, where high-frequency information is emphasized through self-attention. The remaining features adjust frequency domain weights before being combined with spatial domain representations. Skip connections in the U-Net architecture preserve LR structural information while enhancing frequency domain details, improving both structural and textural reconstruction. Wavelet downsampling replaces conventional convolutional downsampling within the U-Net noise predictor, reducing spatial resolution while retaining more detailed information. In addition, a Fourier frequency domain loss function constrains amplitude and phase components of the reconstructed image, further enhancing high-frequency detail recovery. To guide the generative process, additional image priors are incorporated, enabling the diffusion model to restore textures consistent with semantic category features.  Results and Discussions  The results of SR-FDN on face datasets and general datasets for 4× and 8× SR (Table 1, Table 2, Table 3) demonstrate that the proposed method achieves strong performance across objective evaluation metrics. These results indicate that SR-FDN can effectively restore image detail information while better preserving structural and textural features. A comparison of iteration counts between SR-FDN and other diffusion-based methods (Fig. 2) shows that SR-FDN can reconstruct higher-quality images with fewer iterations. Despite the reduced number of iterations, SR-FDN maintains high-fidelity reconstruction, reflecting its ability to lower computational overhead without compromising image quality. To further verify the effectiveness of the proposed SR-FDN, visual comparisons on the FFHQ dataset (Fig. 3) and the DIV2K dataset (Fig. 4) are presented. The results show that SR-FDN offers clearer and more detailed image reconstruction, particularly in high-frequency regions such as facial features and hair textures. Ablation experiments (Table 5) and feature visualization results (Fig. 5) are also provided. These results confirm that the proposed dual-branch frequency domain design and the Fourier domain loss function significantly contribute to improved restoration of fine details.  Conclusions  This study proposes SR-FDN, a diffusion-based SR reconstruction model that integrates frequency domain information to enhance detail restoration. The SR-FDN model incorporates a dual-branch frequency domain attention mechanism, which adaptively reinforces high-frequency components, effectively addressing the limitations of conventional methods in recovering edge structures and texture details. In addition, SR-FDN employs wavelet downsampling to preserve informative features while reducing spatial resolution, and introduces a frequency domain loss function that constrains amplitude and phase information, enabling more effective fusion of frequency and spatial domain features. This design substantially enhances the model’s ability to recover high-frequency details. Extensive experiments on benchmark datasets demonstrate that SR-FDN reconstructs images with superior quality and richer details, exhibiting clear advantages in both qualitative and quantitative evaluations.
Hyperspectral Image Denoising Algorithm via Joint Low-Rank Tensor Decomposition and Product Graph Modeling
MA Mou, CAI Mingjiao, SHEN Yu, ZHOU Fang, JIANG Junzheng
2025, 47(10): 3951-3966. doi: 10.11999/JEIT250130
Abstract:
Various types of noise in HyperSpectral Images (HSI) can severely degrade subsequent analysis. To address this problem, this study proposes a denoising framework based on Low-Rank Tensor Decomposition and Kronecker product Graph Laplacian Regularization (LRTDKGLR). Spatial and spectral graphs are constructed using Graph Signal Processing (GSP) and fused into a joint spatial-spectral product graph through the Kronecker product. Tucker decomposition is applied to this product graph to extract a unified low-dimensional representation, capturing the global spatial and spectral structures. A Kronecker Graph Laplacian Regularization (KGLR) term is introduced to enforce piecewise smoothness across both spatial and spectral dimensions, enhancing inter-band coherence. The denoising problem is formulated as an optimization task that integrates low-rank decomposition and graph-based regularization, solved efficiently using an Augmented Lagrangian Multiplier (ALM) approach. Experimental results on simulated and real HSI datasets demonstrate that LRTDKGLR achieves superior performance in edge preservation and noise suppression compared with existing HSI denoising methods.  Objective  Traditional denoising approaches often fail to simultaneously preserve spatial details and spectral fidelity due to the high dimensionality and complex spectral characteristics of HSI data. This study aims to develop a method that effectively suppresses mixed noise, such as Gaussian and stripe noise, while preserving critical spatial features and edge structures. The proposed approach leverages LRTDKGLR to enhance inter-dimensional correlations between spatial and spectral domains, ensuring improved noise reduction and detail preservation. Additionally, this research investigates an efficient ALM-based optimization strategy to address the HSI denoising problem, providing a more robust solution for noise reduction in high-dimensional, contaminated environments.  Methods  The proposed LRTDKGLR algorithm performs HSI denoising by effectively modeling spatial-spectral correlations. Separate spatial and spectral graphs are constructed and integrated through the Kronecker product to form a unified product graph representation. This joint graph considers both pixel intensity and the values of neighboring pixels across spatial and spectral dimensions, enabling enhanced denoising through spatial-spectral correlation modeling. Tucker decomposition is applied to extract a low-rank representation that captures global spatial-spectral relationships within the data. This decomposition facilitates effective modeling of the inherent structure of HSI while supporting the denoising process. The KGLR term models smoothness across both spatial and spectral domains, preserving essential spatial details and spectral continuity. The denoising task is formulated as an optimization problem that integrates low-rank tensor decomposition and KGLR. This problem is efficiently solved using the ALM method. The proposed approach achieves a balance between noise suppression and detail preservation, providing an effective solution for HSI denoising in high-dimensional, noisy conditions.  Results and Discussions  The proposed LRTDKGLR algorithm effectively exploits the inherent spatial and spectral correlations in HSI data. By incorporating a low-rank constraint and leveraging the similarity between adjacent spectral bands, the model enhances its capacity to capture inter-band spectral dependencies. Fig. 2 illustrates the denoising performance of various algorithms under Scenario 3, which combines Gaussian and impulse noise, applied to the 106th band of the Washington DC Mall dataset. A magnified view of a local region is also provided. The LRTV, LRTDTV, and LRTDGTV algorithms remove most of the noise but introduce over-smoothing, resulting in the loss of important edge structures. The NGmeet algorithm performs less effectively due to insufficient utilization of spatial neighborhood relationships. Although the LRMR, GLF, and TSLRLN algorithms reduce part of the noise, residual artifacts persist and over-smoothing remains evident. In contrast, the proposed LRTDKGLR algorithm demonstrates substantially improved denoising performance, supported by both visual comparisons and quantitative metrics. Fig. 3 presents the PSNR and SSIM values across multiple spectral bands under Scenario 3. The proposed method achieves higher performance in both metrics across most bands, indicating enhanced noise suppression and improved preservation of structural details. Numerical results summarized in Table 2 further confirm the effectiveness of the proposed approach, which consistently outperforms competing algorithms under identical conditions, providing superior denoising performance. Additionally, Table 3 shows that LRTDKGLR exceeds two representative deep learning-based methods, HSID-CNN and HSI-SDeCNN, across different noise levels. These findings demonstrate the robustness of the proposed method in the presence of Gaussian noise. Compared with deep learning-based approaches, LRTDKGLR offers practical advantages, including no requirement for pre-training, ease of deployment, and higher computational efficiency, which collectively improve its applicability to real-world HSI denoising tasks.  Conclusions  This study proposes an HSI denoising algorithm, LRTDKGLR, which integrates low-rank prior knowledge with a product graph model. The algorithm models HSI data as a product graph using GSP theory and applies Tucker decomposition to extract a core tensor and factor matrices, effectively capturing global spatial and spectral correlations. Simultaneously, KGLR is employed to model piecewise smoothness in both spatial and spectral dimensions, enhancing the representation of inter-dimensional relationships within the data. The denoising task is formulated as an optimization problem that combines low-rank tensor decomposition with KGLR constraints and is efficiently solved using the ALM method. Experimental results on simulated and real-world datasets demonstrate that the proposed LRTDKGLR algorithm achieves superior noise suppression while preserving structural details, validating its effectiveness for HSI denoising.
YOLO-SCDI: A Vehicle Detection Algorithm Based on an Improved YOLOv8
WU Lin, CAO Wen
2025, 47(10): 3967-3978. doi: 10.11999/JEIT250238
Abstract:
  Objective  As a core task in computer vision, object detection is vital for intelligent transportation, supporting applications such as autonomous driving, Electronic Toll Collection (ETC), and traffic violation monitoring. However, complex urban environments—characterized by extreme weather, dense traffic occlusions, intense illumination, and reflective surfaces—pose substantial challenges, leading traditional methods to high false detection and missed detection rates. Despite recent progress, accuracy issues remain unresolved. To address these limitations, this study proposes YOLO-SCDI, a lightweight and effective vehicle detection model systematically optimized from YOLOv8 across four components: backbone network, neck structure, detection head, and loss function. These improvements significantly enhance detection accuracy and robustness in complex traffic conditions while maintaining model compactness and inference efficiency.  Methods  Building on the YOLOv8n architecture, four top-down optimization strategies are designed to balance detection accuracy, parameter efficiency, and lightweight deployment. First, to address the limited feature representation capacity, an attention-enhanced C2f-SCSA module (Fig. 4) is proposed. This module dynamically integrates local and global features through multi-scale convolutions and a dual spatial-channel attention mechanism, thereby improving the quality of input features. Second, to achieve effective multi-scale information integration while preserving both detailed and contextual features, a lightweight Cross-scale Feature Fusion Module (CCFM) is introduced into the Neck structure (Fig. 5). This results in the CCFM-Neck architecture, which reduces parameter size and enhances sensitivity to small-scale targets. Third, to mitigate the limitations of YOLOv8’s detection head—such as fixed feature fusion patterns and weak dynamic cross-scale interactions—a Dynamic Head module is incorporated. This module jointly models scale, spatial, and task attention, and includes a dynamic convolution-kernel generation network that adjusts convolution weights in real time according to input features. These improvements strengthen classification and regression feature responses, increasing the adaptability and discriminability of the detection head. Finally, because the CIoU loss function shows insufficient localization accuracy for small or irregular targets, ShapeIoU is adopted as the loss function. It is further improved using the Inner-IoU concept, which accelerates model convergence and enhances localization performance.  Results and Discussions  YOLO-SCDI is evaluated against mainstream detection models on the UA-DETRAC and BDD100K datasets. On the UA-DETRAC dataset (Table 4), YOLO-SCDI achieves an optimal balance between resource efficiency and detection performance. It requires only 2.37 M parameters and 7.6 GFLOPs—substantially fewer than competing models—while attaining 95.8% mAP@0.5, a 2.5% improvement over the baseline YOLOv8n and higher than most mainstream detectors. Under the stricter mAP@0.5:0.95 metric, YOLO-SCDI reaches 80.3%, clearly outperforming other lightweight designs. On the BDD100K dataset (Table 5), YOLO-SCDI improves mAP@0.5 and mAP@0.5:0.95 by 1.4% and 1.1%, respectively, compared with the baseline. These results are consistent with those from the UA-DETRAC dataset, confirming strong generalization and robustness. Detection results under varying illumination (Fig. 7) and adverse weather (Fig. 8) further validate its performance in realistic complex scenarios. Compared with models such as NanoDet, YOLOv12n, and YOLOv8n, YOLO-SCDI effectively reduces missed and false detections while providing higher-confidence predictions and more precise localization. Additionally, ablation studies (Table 3) confirm the contributions of the proposed C2f-SCSA, CCFM, Dynamic Head, and Inner-ShapeIoU modules to performance gains. Collectively, these results demonstrate that YOLO-SCDI markedly enhances detection accuracy while maintaining a lightweight structure, thereby meeting practical requirements for vehicle detection in complex traffic environments.  Conclusions  This study proposes YOLO-SCDI, a vehicle detection algorithm built on an improved YOLOv8 framework. By optimizing the backbone network, neck structure, detection head, and loss function, the method enhances detection accuracy while substantially reducing model parameters. Experimental evaluations demonstrate that YOLO-SCDI exceeds existing approaches in both accuracy and model efficiency, making it well suited for practical vehicle detection tasks in complex traffic environments.
A Lightweight Semantic Visual Simultaneous Localization and Mapping Framework for Inspection Robots in Dynamic Environments
YU Haoyang, LI Yansheng, XIAO Lingli, ZHOU Jiyuan
2025, 47(10): 3979-3992. doi: 10.11999/JEIT250301
Abstract:
  Objective  In complex dynamic environments such as industrial parks and urban roads, inspection robots depend heavily on visual Simultaneous Localization And Mapping (SLAM) systems. However, the presence of moving objects often causes feature drift and map degradation, reducing SLAM performance. Furthermore, conventional semantic segmentation models typically require extensive computational resources, rendering them unsuitable for embedded platforms with limited processing capabilities, thereby constraining SLAM deployment in autonomous inspection tasks. To address these challenges, this study proposes a lightweight semantic visual SLAM framework designed for inspection robots operating in dynamic environments. The framework incorporates a semantic segmentation-based dynamic feature rejection method to achieve real-time identification of dynamic regions at low computational cost, thereby improving SLAM robustness and mapping accuracy.  Methods  Building upon the 11th generation lightweight YOLO segmentation model (YOLOv11n-seg), a systematic lightweight redesign is implemented. to enhance performance under constrained computational resources. First, the original neck is replaced with DyCANet, a lightweight multi-scale feature fusion module that integrates dynamic point sampling and channel attention to improve semantic representation and boundary segmentation. DyCANet combines DySample, a dynamic upsampling operator that performs content-aware spatial sampling with minimal overhead, and ChannelAttention_HSFPN, a hierarchical attention structure that strengthens multi-scale integration and highlights critical semantic cues, particularly for small or occluded objects in complex scenes. Second, a Dynamic Convolution module (DynamicConv) is embedded into all C3k2 modules to enhance the adaptability and efficiency of feature extraction. Inspired by the Mixture-of-Experts framework, DynamicConv applies a conditional computation mechanism that dynamically adjusts kernel weights based on the input feature characteristics. This design allows the network to extract features more effectively across varying object scales and motion patterns, improving robustness against dynamic disturbances with low computational cost. Third, the original segmentation head is replaced by the Reused and Shared Convolutional Segmentation Head (RSCS Head), which enables decoder structure sharing across multi-scale branches. RSCS reduces redundant computation by reusing convolutional layers and optimizing feature decoding paths, further improving overall model efficiency while maintaining segmentation accuracy. These architectural modifications result in DHSR-YOLOSeg, a lightweight semantic segmentation model that significantly reduces parameter count and computational cost while preserving performance. DHSR-YOLOSeg is integrated into the tracking thread of ORB-SLAM3. to provide real-time semantic information. This enables dynamic object detection and the removal of unstable feature points during localization, thereby enhancing the robustness and trajectory consistency of SLAM in complex dynamic environments.  Results and Discussions  Ablation experiments on the COCO dataset demonstrate that, compared with the baseline YOLOv11n-seg, the proposed DHSR-YOLOSeg achieves a 13.8% reduction in parameter count, a 23.1% decrease in Giga Floating Point Operations (GFLOPs), and its Average Precision at IoU 0.5 (mAP50) is the sameas the baseline YOLOv11n-seg’s (Table 1). On the KITTI dataset, DHSR-YOLOSeg reaches an inference speed of 60.19 frame/s, which is 2.14% faster than YOLOv11n-seg and 275% faster than the widely used Mask R-CNN (Table 2). For trajectory accuracy evaluation on KITTI sequences 00~10, DHSR-YOLOSeg outperforms ORB-SLAM3 in 8 out of 10 sequences, achieving a maximum Root Mean Square Error (RMSE) reduction of 16.76% and an average reduction of 8.78% (Table 3). Compared with DynaSLAM and DS-SLAM, the proposed framework exhibits more consistent error suppression across sequences, improving both trajectory accuracy and stability. In terms of runtime efficiency, DHSR-YOLOSeg achieves an average per-frame processing time of 48.86 ms on the KITTI dataset, 18.55% and 41.38% lower than DS-SLAM and DynaSLAM, respectively (Table 4). The per-sequence processing time ranges from 41 to 55 ms, which is comparable to the 35.64 ms of ORB-SLAM3, indicating that the integration of semantic segmentation introduces only a modest computational overhead.  Conclusions  This study addresses the challenge of achieving robust localization for inspection robots operating in dynamic environments, particularly in urban road settings characterized by frequent interference from pedestrians, vehicles, and other moving objects. To this end, a semantic-enhanced visual SLAM framework is proposed, in which a lightweight semantic segmentation model, DHSR-YOLOSeg, is integrated into the stereo-based ORB-SLAM3 pipeline. This integration enables real-time identification of dynamic objects and removal of their associated feature points, thereby improving localization robustness and trajectory consistency. The DHSR-YOLOSeg model incorporates three key architectural components—DyCANet for feature fusion, DynamicConv for adaptive convolution, and the RSCS Head for efficient multi-scale decoding. Together, these components reduce the model’s size and computational cost while preserving segmentation performance, providing an efficient and deployable perception solution for resource-constrained platforms. Experimental findings show that: (1) ablation tests on the COCO dataset confirm substantial reductions in complexity with preserved accuracy, supporting embedded deployment; (2) frame rate comparisons on the KITTI dataset demonstrate superior performance over both lightweight and standard semantic segmentation methods, meeting real-time SLAM requirements; (3) trajectory evaluations indicate that the dynamic feature rejection strategy effectively mitigates localization errors in dynamic scenes; and (4) the overall system maintains high runtime efficiency, ensuring a practical balance between semantic segmentation and real-time localization performance. However, current experiments are conducted under ideal conditions using standardized datasets, without fully reflecting real-world challenges such as multi-sensor interference or unstructured environments. Moreover, the trade-offs between model complexity and accuracy for each lightweight module have not been systematically assessed. Future work will focus on multimodal sensor fusion and adaptive dynamic perception strategies to enhance the robustness and applicability of the proposed system in real-world autonomous inspection scenarios.
Weakly Supervised Image Semantic Segmentation Based on Multi-Seeded Information Aggregation and Positive-Negative Hybrid Learning
SANG Yu, LIU Tong, MA Tianjiao, LI Le, LI Siman, LIU Yunan
2025, 47(10): 3993-4004. doi: 10.11999/JEIT250112
Abstract:
  Objective   The rapid development of deep learning techniques, particularly Convolutional Neural Networks (CNN), has led to notable advances in semantic segmentation, enabling applications in medical imaging, autonomous driving, and remote sensing. However, conventional semantic segmentation tasks typically rely on large numbers of pixel-level annotated images, which is both time-consuming and expensive. To address this limitation, Weakly Supervised Semantic Segmentation (WSSS) using image-level labels has emerged as a promising alternative. This approach aims to reduce annotation costs while maintaining or enhancing segmentation performance, thus supporting broader adoption of semantic segmentation techniques. Most existing methods focus on optimizing Class Activation Mapping (CAM) to generate high-quality seed regions, with further refinement through post-processing. However, the resulting seed labels often contain varying degrees of noise. To mitigate the effect of noisy labels on the segmentation network and to efficiently extract accurate information by leveraging multiple complementary seed sources, this study proposes a weakly supervised semantic segmentation method based on multi-seed information aggregation and positive-negative hybrid learning. The proposed approach improves segmentation performance by integrating complementary information from different seeds while reducing noise interference.  Methods   Building on the idea that combining multiple seeds can effectively extract accurate information, this study proposes a weakly supervised image semantic segmentation method based on multi-seed information aggregation and positive-negative hybrid learning. The approach employs a generalized classification network to generate diverse seed regions by varying the input image scale and modifying the Dropout layer to randomly deactivate neurons with different probabilities. This process enables the extraction of complementary information from multiple sources. Subsequently, a semantic segmentation network is trained using a hybrid positive-negative learning strategy based on the category labels assigned to each pixel across these seeds. Clean labels, identified with high confidence, guide the segmentation network through a positive learning process, where the model learns that “the input image belongs to its assigned labels.” Conversely, noisy labels are addressed using two complementary strategies. Labels determined as incorrect are trained under the principle that “the input image does not belong to its assigned labels,” representing a form of positive learning for error suppression. Additionally, an indirect negative learning strategy is applied, whereby the network learns that “the input image does not belong to its complementary labels,”further mitigating the influence of noisy labels. To reduce the adverse effects of noisy labels, particularly the tendency of conventional cross-entropy loss to assign higher prediction confidence to such labels, a prediction constraint loss is introduced. This loss function enhances the model’s predictive accuracy for reliable labels while reducing overfitting to incorrect labels. The overall framework effectively suppresses noise interference and improves the segmentation network’s performance.  Results and Discussions   The proposed weakly supervised image semantic segmentation method based on multi-seed information aggregation and positive-negative hybrid learning generates diverse seeds by randomly varying the Dropout probability and input image scale, with Conditional Random Field (CRF) optimization applied to further refine seed quality. To limit noise introduction while maintaining the effectiveness of positive-negative hybrid learning, six complementary seeds are selected (Table 5). The integration of multi-source information from these seeds enhances segmentation performance, as demonstrated in (Table 7) . Pixel labels within these seeds are classified as clean or noisy based on a defined confidence threshold. The segmentation network is subsequently trained using a positive-negative hybrid learning strategy, which suppresses the influence of noisy labels and improves segmentation accuracy. Experimental results confirm that positive-negative hybrid learning effectively reduces label noise and enhances segmentation performance (Table 8). The proposed method was validated on the PASCAL VOC 2012 and MS COCO 2014 datasets. With a CNN-based segmentation network, the mean Intersection over Union (mIoU) reached 72.5% and 40.8%, respectively. When using a Transformer-based segmentation network, the mIoU improved to 76.8% and 46.7% (Table 1, Table 3). These results demonstrate that the proposed method effectively enhances segmentation accuracy while controlling the influence of noisy labels.  Conclusions   This study addresses the challenge of inaccurate seed labels in WSSS based on image-level annotations by proposing a multi-seed label differentiation strategy that leverages complementary information to improve seed quality. In addition, a positive-negative hybrid learning approach is introduced to enhance segmentation performance and mitigate the influence of erroneous pixel labels on the segmentation model. The proposed method achieves competitive results on the PASCAL VOC 2012 and MS COCO 2014 datasets. Specifically, the mIoU reaches 72.5% and 40.8%, respectively, using a CNN-based segmentation network. With a Transformer-based segmentation network, the mIoU further improves to 76.8% and 46.7%. These results demonstrate the effectiveness of the proposed method in improving segmentation accuracy while reducing noise interference. Although the method does not yet achieve ideal label precision, label differentiation combined with positive-negative hybrid learning effectively suppresses misinformation propagation and outperforms approaches based on single-seed generation and positive learning alone.
Dynamic Adaptive Partitioning of Deep Neural Networks Based on Early Exit Mechanism under Edge-End Collaboration
DING Nan, WANG Jiajia, JI Chenghui, HU Chuangye, XU Li
2025, 47(10): 4005-4017. doi: 10.11999/JEIT250291
Abstract:
  Objective  The deployment of Deep Neural Networks (DNNs) for inference tasks in industrial intelligence applications is constrained by the complexity of Directed Acyclic Graph (DAG) structures and dynamic resource limitations, making it challenging to simultaneously optimize both latency and accuracy. Existing methods are generally restricted to chain-structured DNNs and lack adaptive mechanisms to accommodate network variability and heterogeneous computational resources. To address these limitations, this paper proposes a Dynamic Adaptive Partitioning framework based on a Deep Early Exit mechanism (DAPDEE), designed to achieve low-latency, high-accuracy inference through edge-end collaborative computing. The significance of this work lies in its potential to provide a generalizable solution suitable for diverse network conditions and computing environments.  Methods  The proposed DAPDEE framework incorporates several technical innovations: First, it abstracts both chain and complex DNN architectures into a unified DAG representation, establishing a general topological foundation for partition optimization. Second, it employs offline optimization of early exit classifiers using a multi-task learning approach, requiring only the loading of pre-trained model parameters during deployment. Combined with real-time indicators, such as network bandwidth and terminal computational load, this enables dynamic selection of optimal exit points and partitioning strategies. Finally, an inverse search mechanism is applied to jointly optimize latency and accuracy, aiming to minimize single-frame end-to-end delay under light workloads and to maximize system throughput under heavy workloads. Through these strategies, the framework enables efficient inference suitable for time-sensitive scenarios, including smart manufacturing and autonomous driving.  Results and Discussions  Experimental results demonstrate that the DAPDEE framework substantially improves performance compared to conventional Device-Only methods under varying network conditions. Specifically, under CAT1, 3G, and 4G networks, DAPDEE achieves latency reductions of up to 7.7% under heavy loads and 7.5% under light loads, with throughput improvements reaching up to 9.9 times. Notably, the accuracy loss remains consistently below 1.2% (Fig. 6, Fig. 7), confirming the framework’s ability to maintain reliable inference performance. These results verify the effectiveness of DAPDEE in adapting to dynamic network environments and heterogeneous computational loads. For instance, when the bandwidth is fixed at 1.1 Mbps (3G), the optimal partition strategy adjusts in response to varying latency constraints, revealing a positive correlation between relaxed latency requirements and deeper exit points (Fig. 6). Conversely, with fixed latency constraints and increasing bandwidth, the partition point progressively shifts toward the terminal device, reflecting enhanced resource utilization on the end side (Fig. 7). Furthermore, practical deployments on a PC and a Raspberry Pi-based intelligent vehicle validate the theoretical performance gains, as demonstrated by the applied partitioning strategies (Algorithm 1, Algorithm 2).  Conclusions  In summary, the proposed DAPDEE framework effectively addresses the challenge of balancing inference efficiency and accuracy in edge-end collaborative scenarios involving complex DAG-structured DNNs. By integrating early exit mechanisms with dynamic partitioning strategies and multidimensional load evaluation, DAPDEE exhibits strong adaptability and robustness under diverse network conditions and resource constraints. These findings advance the current state of DNN partitioning methodologies and offer practical insights for optimizing cloud-edge-terminal architectures and reinforcement learning-based adaptive mechanisms. Nonetheless, areas for further improvement remain. These include incorporating multi-task concurrency, refining the energy consumption model, and enhancing real-time partitioning efficiency for complex DAG topologies. Future research will focus on extending the framework to support multi-task collaborative optimization and reducing the computational complexity of online partitioning algorithms for DAG-structured DNNs.
Circuit and System Design
Dynamic Distribution Adaptation with Higher-order Moment Matching for Battery Pack Multi-fault Diagnosis
GUAN Siwei, HE Zhiwei, DONG Zhekang, TONG Hongtao, MA Shenhui, GAO Mingyu
2025, 47(10): 4018-4030. doi: 10.11999/JEIT250226
Abstract:
  Objective  Electric vehicle battery pack fault diagnosis is challenged by diverse operating conditions, the scarcity of fault data, and the domain shift caused by the non-Gaussian distribution of battery features. Conventional fault diagnosis methods struggle to address multiple fault types, lack the capability for fault isolation, and fail to account for distribution shifts between training and test data. Domain adaptation approaches enable robust multi-fault diagnosis across operating conditions without relying on accurate cell models or abundant labeled data. However, current methods remain limited. (1) They typically assume that aligning global and fine-grained subdomain distributions is equally important, which may not hold in practice. (2) Knowledge transfer cannot be fully achieved by aligning only low-order statistical features; higher-order statistical features are needed to capture the non-Gaussian characteristics of battery discharge profiles. To address these issues, a method is proposed in which global domains and subdomains are dynamically aligned while higher-order statistical moments are extracted to represent complex non-Gaussian distributions, thereby achieving fine-grained domain alignment and effective knowledge transfer.  Methods  This study proposes a dynamic distribution adaptation method with higher-order moment matching for multi-fault diagnosis of battery packs. The approach consists of three components: (1) Dynamic distribution adaptation. A feature extractor based on a one-dimensional convolutional network with residual connectivity and a multilayer perceptron classifier is constructed. The global distributions of source and target domains are aligned using Maximum Mean Discrepancy (MMD), while subdomain distributions of similar faults are aligned using Local Maximum Mean Discrepancy (LMMD). A dynamic factor is introduced to automatically adjust the relative weights of global and local alignment according to the inter-domain discrepancy, thereby adapting to distribution shifts under different operating conditions. (2) Higher-order moment matching. To address the non-Gaussian characteristics of battery data, higher-order statistical moment matching is incorporated into MMD. Computational complexity in high-dimensional tensors is reduced by random sampling, which enables fine-grained domain alignment across multi-order statistics and enhances the transferability of non-Gaussian distribution features. (3) Multi-fault diagnosis with domain adaptation. Experimental data from three standard vehicle operating conditions are used to jointly optimize classification loss and domain adaptation loss. This enables the diagnosis of multiple faults, including internal short circuit, sensor drift/noise, and battery inconsistency, across operating conditions while reducing reliance on manual annotation. By dynamically integrating global and local feature alignment, the method improves generalization performance under complex operating conditions and non-Gaussian distribution scenarios.  Results and Discussions  Systematic experiments validate the superiority of the proposed dynamic distribution adaptation with higher-order moment matching for multi-fault diagnosis in electric vehicle battery packs. As shown in Table 3, the results from six transfer tasks under three operating conditions demonstrate that the proposed method achieves an average F1 score of 94.9%, which is 13.3% higher than that of the best-performing baseline model (DSAN). The confusion matrix in Fig. 6 indicates that the method achieves the lowest misclassification rate in distinguishing similar faults. Feature visualization results (Fig. 7) show that the method effectively reduces cross-domain feature distances of similar faults by dynamically adjusting the weights of global and local distribution alignment. Moreover, it successfully captures non-Gaussian discharge characteristics through higher-order moment matching, thereby achieving fine-grained domain adaptation. In terms of efficiency, the proposed method attains an average diagnosis time of 0.404 3 seconds (Table 4), satisfying real-time on-board application requirements. Nonetheless, optimization of computational resource consumption remains necessary for deployment on edge devices. Importantly, the method does not require labeled data from the target domain and overcomes the generalization bottleneck of traditional methods under domain shift and non-Gaussian conditions. However, some cross-domain features (Fig. 7) are not completely overlapped, and lightweight model design is still required for practical implementation on edge devices.  Conclusions  The battery pack is recognized as a critical component of electric vehicles, and reliable multi-fault diagnosis is regarded as essential for safe operation. Considering the unknown and diverse nature of real operating conditions, fault diagnosis is investigated across three driving cycles: UDDS, FUDS, and US06. A dynamic distribution adaptation with higher-order moment matching (DDAMD) is proposed for diagnosing multiple faults in series-connected battery packs. The method dynamically evaluates the relative importance of conditional and marginal distributions to align source and target domains, while non-Gaussian features from charge-discharge curves are effectively extracted for fine-grained alignment. Experimental results across six transfer tasks confirm that DDAMD achieves the highest diagnostic performance. Detailed analyses present diagnostic accuracy for each fault type as well as the diagnostic speed, while feature visualization further improves interpretability by demonstrating how the algorithm extracts domain-invariant and discriminative fault features across domains. Future research will extend this work in two directions: (1) incorporating additional operating conditions and a broader set of fault categories, and (2) exploring transfer tasks from simulation to real-world applications to facilitate data acquisition and labeling.
A Battery Internal-Short-Circuit Fault Diagnosis Method Combining Battery Phase Plane with Conformer-BiGRU Network
MAO Lin, ZHANG Haixin, HE Zhiwei, GAO Mingyu, DONG Zhekang
2025, 47(10): 4031-4043. doi: 10.11999/JEIT250313
Abstract:
  Objective  New Energy Vehicles (NEVs) have gained rapid popularity in recent years due to their environmental benefits and high efficiency. However, as their market share continues to grow, concerns regarding frequent malfunctions and safety risks have also increased. Among these issues, Internal Short Circuit (ISC) faults are particularly concerning due to their strong concealment and the potential for severe consequences. Without accurate diagnosis and timely intervention, ISC faults can result in serious safety incidents. Therefore, developing efficient and reliable diagnostic methods for ISC faults is of practical significance.  Methods  A novel ISC fault diagnosis method is proposed for battery packs by combining an improved battery phase plane approach with a Conformer-BiGRU network. First, the improved battery phase plane method is employed to extract two-dimensional features from voltage sequences, providing deeper spatial and structural information. Second, a Conformer-BiGRU network is employed to learn features from the voltage data. The network integrates a CNN branch for local feature extraction and a Transformer branch for global representation. A feature coupling unit fuses the outputs of both branches, which are then passed to a BiGRU module to classify individual cells within the battery pack and detect ISC faults.  Results and Discussions  The proposed method is evaluated using fault data collected from an experimental platform. The results demonstrate that the improved battery phase plane effectively distinguishes between normal and faulty batteries within a two-dimensional plane (Figure 6) and further confirm its capability to detect ISC faults with varying severity under different data volumes (Figure 9). Using the Conformer-BiGRU network for fault diagnosis, the method achieves classification accuracies of 94.30%, 92.77%, and 94.85% under FUDS, UDDS, and US06 operating conditions, respectively (Table 3), significantly exceeding the performance of comparative models. Additionally, the feature extraction module contributes to an overall performance improvement of approximately 2.04% (Table 5). These findings indicate that the proposed method exhibits strong robustness (Table 6 and Figure 11) and offers a promising approach for enhancing the safety of NEVs.  Conclusions  This study proposes a novel method for diagnosing ISC faults in battery packs by integrating an improved battery phase plane approach with a Conformer-BiGRU network. The main contributions are as follows: First, the improved battery phase plane method enhances the separability of different fault states in two-dimensional space by incorporating both voltage and its first-order differential distribution, addressing the limitations of conventional one-dimensional feature extraction. Second, a hybrid Conformer-BiGRU architecture is developed, in which the Conformer module captures local discharge characteristics, while the BiGRU module models temporal dependencies. These features are integrated through a feature coupling unit to achieve cross-level feature fusion. Third, an experimental ISC fault dataset with varying severity levels is established using a self-built testing platform. Experimental results demonstrate average diagnostic accuracy, recall, and F1-scores of 91.26%, 85.17%, and 88.09%, respectively, across three international driving cycles. Although laboratory testing verifies the effectiveness of the proposed method, real-world application requires targeted optimization. This includes adapting BiGRU parameters during the migration of the Improved Battery Phase Plane (IBPP) module and refining the Conformer’s local perception weights through transfer learning to enhance feature decoupling. Future research focuses on improving diagnostic performance under concurrent fault scenarios to enhance engineering robustness in complex operating conditions.
A P-band Dual-polarized Ultra-thin Absorptive-transmissive Electromagnetic Surface Using Frequency Selective Surface
SUN Daifei, YANG Huanhuan, LI Tong, LIAO Jiawei, WU Tianhao, ZOU Jing, YANG Qi, CAO Xiangyu
2025, 47(10): 4044-4054. doi: 10.11999/JEIT250309
Abstract:
  Objective  Frequency Selective Surfaces (FSS), as artificial ElectroMagnetic (EM) periodic structures, regulate the transmission and reflection of EM waves. Radomes integrating FSS can protect antennas, preserve the aerodynamic profile of radio-frequency systems, shape spatial scattering field distributions, and suppress backward Radar Cross Section (RCS). However, when illuminated by multiple radars, such radomes often fail to maintain low detectability due to their inability to achieve bistatic low RCS. Recent efforts have focused on developing absorptive structures based on FSS, where active FSS-based absorbers offer adaptive tunability across frequency and time domains. Nonetheless, achieving absorption in the P-band remains challenging due to the inherent limitations of existing dielectric materials. While FSS bandpass properties are frequently employed in radomes and the tunability of active FSS supports the design of reconfigurable absorbers, the two functionalities have largely been pursued independently, resulting in limited multifunctional surface designs. This study proposes a P-band ultra-thin absorber using FSS composed of cascaded unit cells with gradually curved meander lines. By exploiting the distinct equivalent circuit characteristics of absorbing and transmitting FSS structures, an integrated system is developed that enables both EM wave transmission and tunable wideband absorption in the P-band.  Methods  This paper proposes a novel design method for a dual-polarized, ultra-thin absorptive-transmissive EM surface element operating in the P-band, based on the FSS technique. The method uses cascaded elements with a gradient-bending structure to increase the effective current path length and incorporates lumped components to achieve wideband tunable absorption at low frequencies. By analyzing the equivalent circuit characteristics of both absorptive and transmissive FSS-based elements, an integrated absorptive-transmissive structure is developed. The difference in their equivalent circuits effectively suppresses mutual coupling, enabling the relatively independent design of absorptive and transmissive functions. To demonstrate this approach, a dual-polarized ultra-thin EM surface element is designed that simultaneously exhibits high transmittance and tunable wideband absorptivity. The step-by-step design process is presented, and the operating mechanism of the proposed element is thoroughly analyzed.  Results and Discussions  Both simulation and experimental results confirm that the proposed integrated element achieves dual-polarized absorptive performance in the P-band and dual-polarized transmissive performance in the C-band. The element features an ultra-thin profile, requires few lumped components, and exhibits a broad operational bandwidth. Notably, the proposed method combines equivalent circuit modeling with field-based analysis to facilitate the design of multifunctional EM surfaces, thereby streamlining the integration of absorptive and transmissive functionalities within a single structure.  Conclusions  Structural absorbers face a fundamental trade-off between achieving efficient low-frequency absorption and maintaining a low profile or lightweight design, making the development of P-band absorbing surfaces particularly challenging. FSS, commonly used in radomes, also offer potential for tunable absorber design. This study integrates both functionalities to develop a multifunctional EM surface capable of simultaneous wave absorption and transmission, based on an FSS architecture. When irradiated from one direction, the surface achieves absorptivity above 0.9 across 0.34~1.1 GHz. When irradiated from the opposite direction, it exhibits transmittivity exceeding 0.8 over 4.26~4.48 GHz. These two functions operate with relative independence. The proposed structure features a wide operational bandwidth, ultra-thin profile, and minimal reliance on electronic components. The method enables not only effective P-band absorption but also the integrated design of multifunctional EM surfaces. It offers strong scalability and holds significant potential for future applications.