Design of a Narrowband Energy-Selective Protective Antenna Integrating Electromagnetic Protection and Out-of-Band Interference Suppression
-
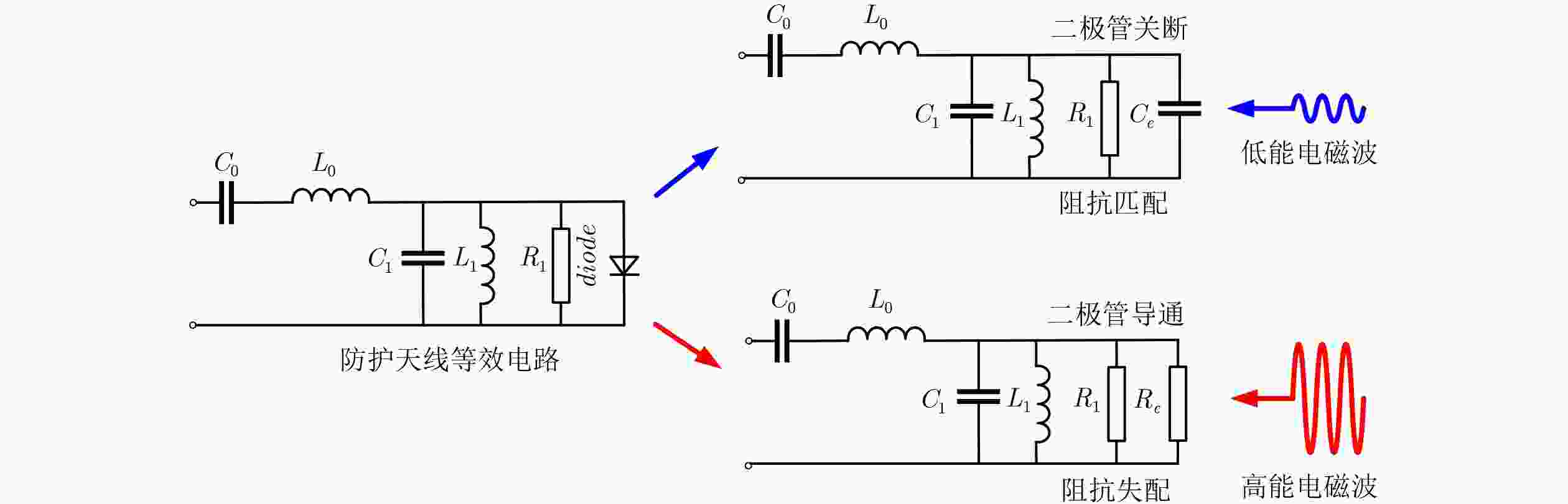
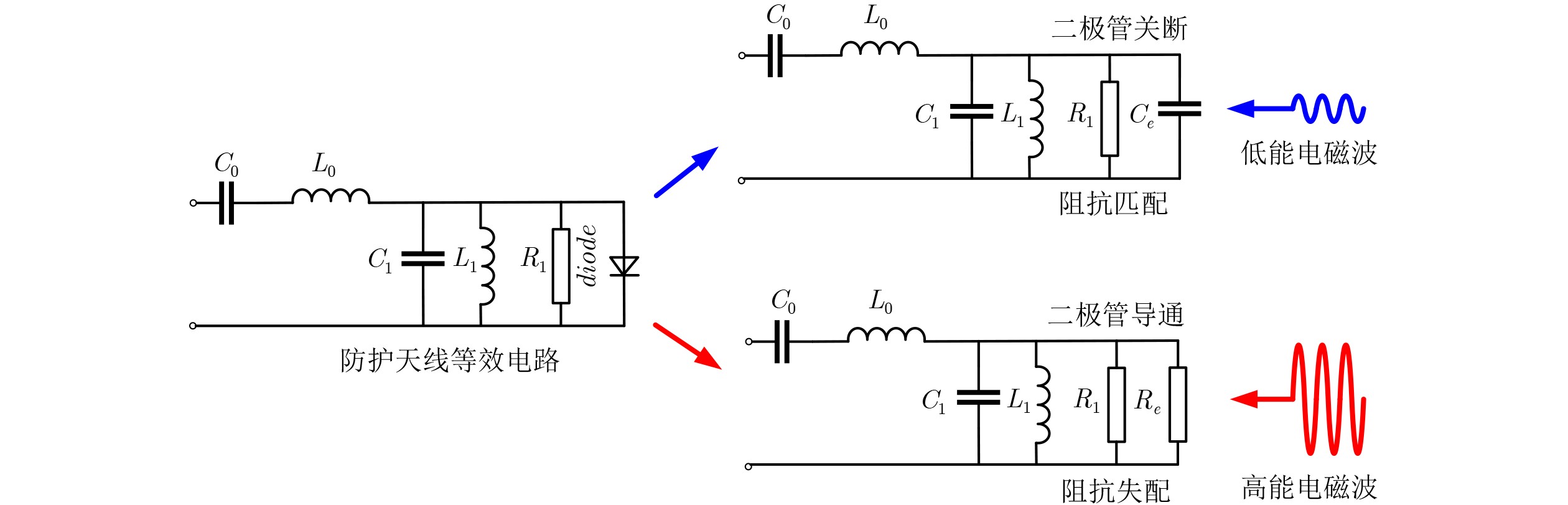
摘要: 为应对复杂电磁环境中高强度辐照场与带外干扰的双重威胁,该文设计了一种防抗一体化功能的窄带能量选择防护天线。防抗一体化,指的是防护和抗干扰功能的一体化设计。首先,采用特征模分析法对微带贴片天线辐射单元的潜在工作模式进行分析,结合电场和磁场模式分布研究其阻抗匹配特性,从而确定同轴馈电点的最优位置。随后,通过调控介质基板的介电常数,使天线具备窄带工作特性以及优异的带外干扰抑制能力,带外干扰抑制能力可达22.1 dB以上。进一步,基于同轴馈电的微带贴片天线结构,采用介质基板上下分层与中心镂空的设计方法,围绕同轴馈电探针构建空腔结构,并集成电磁防护功能模块,结合等效电路法阐释所设计天线的工作原理。当低能电磁波入射时,二极管处于断开状态,天线维持正常工作。当高能电磁波入射时,二极管导通,天线切换至防护状态。最后,完成天线的实物制备与实验测试,实测结果表明该天线具备小尺寸、窄带工作特性以及优异的电磁防护能力等特点,防护效能最高可达26 dB。该研究实现了能域电磁防护和频域带外抗干扰的防抗一体化设计,展现出尺寸紧凑、频带窄、防护效能高的综合优势。Abstract:
Objective With the rapid development of wireless communication technologies, the Electromagnetic (EM) environment is becoming increasingly complex. Electronic information equipment is facing growing challenges from High-Intensity Radiation Fields (HIRFs) and out-of-band interference. This trend makes the co-design of EM protection and out-of-band interference suppression in electronic information systems an urgent issue. As the front end of the radio-frequency channel, antennas provide the main path by which EM waves in free space are converted into guided waves in microwave circuits. High-power EM waves can couple into a system through an antenna and cause EM damage. In single-frequency applications, if an antenna does not exhibit narrowband characteristics, out-of-band interference signals may also enter the system through the antenna and disrupt normal operation. A narrowband energy-selective protective antenna should therefore be developed to provide both out-of-band interference suppression and in-band EM protection against strong EM threats, thereby improving the operational stability and environmental adaptability of electronic information equipment in complex EM environments. Methods A coaxial-fed microstrip patch antenna is designed, and its structure is optimized through simulation for operation at 915 MHz. The antenna structure is designed to provide both narrowband behavior and EM protection, thereby achieving integrated EM protection and out-of-band interference suppression. A high dielectric constant is used to support both antenna miniaturization and narrowband operation. Accordingly, a TP-2 substrate with a dielectric constant of 20 is selected to obtain the required narrowband response. In a conventional coaxial-fed microstrip patch antenna, the probe passes directly through the dielectric substrate and connects to the radiating patch, which leaves insufficient space for the integration of a protective structure. To solve this problem, a layered-substrate design with a central hollow cavity is adopted. This configuration forms a layered cavity protective structure and enables the antenna itself to exhibit energy-selective protection characteristics. Results and Discussions To verify the performance of the proposed antenna, physical fabrication and experimental measurements are carried out (Fig. 14). The measured center frequency is 928.5 MHz, and the operating bandwidth is 927.0-930.0 MHz. Although the measured center frequency is shifted by 12.8 MHz from the simulated design value, the antenna still exhibits favorable narrowband characteristics (Fig. 15). The measured radiation pattern agrees well with the simulated result. In the Phi = 0 deg plane, a stable omnidirectional radiation pattern is observed, and the measured maximum gain reaches 2.5 dBi (Figs 11 and 16). The Shielding Effectiveness (SE) is measured by a high-power injection method. As the injected power increases, the radiated power increases linearly. When the injected power reaches 22 dBm, the increase in radiated power begins to saturate, which indicates that the diodes in the protective structure start to conduct and that the energy-selective mechanism is activated. As the injected power increases further, the SE rises gradually. When the injected power reaches 48 dBm, the radiated power rises sharply to the level of the original linear radiation curve, and the SE drops abruptly, which indicates diode breakdown and failure of the protective structure. In summary, the activation threshold of the protection function is 26 dBm, and the device failure threshold is 48 dBm. Within this range, the maximum SE reaches 26 dB (Fig. 18). Conclusions Based on a coaxial-fed microstrip patch antenna, a narrowband energy-selective protective antenna with integrated EM protection and out-of-band interference suppression is designed and demonstrated. The complete process is covered, including theoretical analysis, structural simulation and optimization, prototype fabrication, and experimental verification. First, Characteristic Mode Analysis (CMA) is used to examine the potential operating modes of the microstrip patch antenna. By analyzing the electric- and magnetic-field modal distributions, the impedance-matching characteristics are clarified, and the optimal coaxial feed position is determined. Next, the use of a high-permittivity substrate enables both antenna miniaturization and narrowband performance, and an Interference Suppression Capability (ISC) better than 22.1 dB is achieved. A layered-substrate structure with a central hollow cavity is then proposed, and a cavity-based protective structure integrated into the feed-probe region is established. An equivalent-circuit model is also developed to explain the operating mechanisms of the antenna in both the normal and protective states. Finally, the antenna prototype is fabricated and tested. The measured results show favorable narrowband characteristics, good agreement between the measured and simulated radiation patterns, and a measured maximum gain of 2.5 dBi. In addition, by applying the reciprocity principle and using a high-power injection method for SE testing, a maximum SE of 26 dB is obtained, which confirms the excellent EM protection capability of the antenna. Compared with existing protective antennas, the proposed structure achieves both out-of-band interference suppression and EM protection within the antenna itself. This design advances the integration of frequency-domain interference suppression and energy-domain protection. It should also be noted that the deviation between the measured and simulated center frequencies is caused in part by nonuniform substrate permittivity and fabrication tolerances, which reflects the sensitivity of narrowband antennas to structural parameters. In future work, a tunable mechanism may be adopted to develop a frequency-reconfigurable narrowband energy-selective protective antenna, so that frequency deviations can be compensated dynamically and the design robustness and environmental adaptability can be improved. -
[1] LIN C K and CHUNG S J. A filtering microstrip antenna array[J]. IEEE Transactions on Microwave Theory and Techniques, 2011, 59(11): 2856–2863. doi: 10.1109/TMTT.2011.2160986. [2] 刘培国, 刘晨曦, 谭剑锋, 等. 强电磁防护技术研究进展[J]. 中国舰船研究, 2015, 10(2): 2–6. doi: 10.3969/j.issn.1673-3185.2015.02.002.LIU Peiguo, LIU Chenxi, TAN Jianfeng, et al. Analysis of the research development on HPM/EMP protection[J]. Chinese Journal of Ship Research, 2015, 10(2): 2–6. doi: 10.3969/j.issn.1673-3185.2015.02.002. [3] 虎宁, 徐延林, 刘培国. 一种能量选择防护结构与天线耦合效应矢量分析方法[J]. 电子与信息学报, 2023, 45(11): 3945–3954. doi: 10.11999/JEIT230762.HU Ning, XU Yanlin, and LIU Peiguo. A vector analysis method for coupling effects between energy selective structures and antennas[J]. Journal of Electronics & Information Technology, 2023, 45(11): 3945–3954. doi: 10.11999/JEIT230762. [4] 刘培国, 万双林, 李高升, 等. 一种电磁能量选择表面[P]. 中国, 201766807U, 2011.LIU Peiguo, WAN Shuanglin, LI Gaosheng, et al. Electromagnetic energy selective surface[P]. CN, 201766807U, 2011. [5] QU Meijun, HE Zizhuo, SU Jianxun, et al. A rasorber with energy-selective passband and ultrawideband absorptive out-of-band[J]. IEEE Transactions on Microwave Theory and Techniques, 2024, 72(10): 5643–5652. doi: 10.1109/tmtt.2024.3387917. [6] ZHANG Jihong, HU Ning, WU Zhaofeng, et al. Adaptive high-impedance surface for prevention of waveguide's high-intensity wave[J]. IEEE Transactions on Antennas and Propagation, 2021, 69(11): 7679–7687. doi: 10.1109/TAP.2021.3070052. [7] 周涛, 虎宁, 盖龙杰, 等. 一种S波段超宽带能量选择表面设计[J]. 强激光与粒子束, 2024, 36(3): 033003. doi: 10.11884/HPLPB202436.230369.ZHOU Tao, HU Ning, GAI Longjie, et al. Design of an S-band ultra-wideband energy selective surface[J]. High Power Laser and Particle Beams, 2024, 36(3): 033003. doi: 10.11884/HPLPB202436.230369. [8] ZHOU Lin and SHEN Zhongxiang. Diffusive energy-selective surface with low backscattering[J]. IEEE Transactions on Antennas and Propagation, 2022, 70(1): 430–439. doi: 10.1109/TAP.2021.3098603. [9] GONG Wenjian, ZHANG Wenmei, CHEN Xinwei, et al. A low-profile energy selective surface with ultra-wide absorption band[J]. IEEE Transactions on Microwave Theory and Techniques, 2023, 71(3): 1348–1355. doi: 10.1109/TMTT.2022.3222385. [10] WU Zhaofeng, XU Yanlin, LIU Peiguo, et al. An ultra-broadband energy selective surface design method: From filter circuits to metamaterials[J]. IEEE Transactions on Antennas and Propagation, 2023, 71(7): 5865–5873. doi: 10.1109/TAP.2023.3276447. [11] DENG Bowen, LIN Mingtuan, ZHANG Jihong, et al. PIN-diode-based high-intensity radiation fields (HIRF) protection of a printed dipole antenna[J]. IEEE Transactions on Electromagnetic Compatibility, 2021, 63(1): 198–205. doi: 10.1109/TEMC.2020.3020882. [12] 郑治, 汪伟, 张洪涛, 等. 一种基于电磁超材料的抗干扰天线[J]. 电波科学学报, 2020, 35(2): 299–304. doi: 10.13443/j.cjors.2018123001.ZHENG Zhi, WANG Wei, ZHANG Hongtao, et al. An anti-jamming antenna utilizing electromagnetic metamaterials[J]. Chinese Journal of Radio Science, 2020, 35(2): 299–304. doi: 10.13443/j.cjors.2018123001. [13] LIN Fenghan and CHEN Zhining. Low-profile wideband metasurface antennas using characteristic mode analysis[J]. IEEE Transactions on Antennas and Propagation, 2017, 65(4): 1706–1713. doi: 10.1109/TAP.2017.2671036. [14] GAO Jiafan and LIN Fenghan. Modeling and analysis of wideband multilayer metasurface antenna array using characteristic-mode analysis[J]. IEEE Transactions on Antennas and Propagation, 2023, 71(3): 2832–2836. doi: 10.1109/TAP.2023.3234201. [15] SUMITHRA P and KANNADASSAN D. Design and modeling of wideband planar antennas using characteristics modes[J]. IEEE Transactions on Antennas and Propagation, 2021, 69(12): 8257–8270. doi: 10.1109/TAP.2021.3090805. [16] NING Zihao, LI Mengmeng, DING Dazhi, et al. A step-by-step design methodology for broadband tunable microwave metasurface absorbers using theory of characteristic modes[J]. IEEE Open Journal of Antennas and Propagation, 2024, 5(4): 899–912. doi: 10.1109/OJAP.2023.3336610. [17] 盖龙杰, 徐延林, 查淞, 等. 一种基于互易原理的天线防护效能测试系统和方法[P]. 中国, 120275729B, 2025.GAI Longjie, XU Yanlin, ZHA Song, et al. Antenna protection efficiency test system and method based on reciprocity principle[P]. CN, 120275729B, 2025. -
下载:
下载: