Design of a CNN Accelerator Based on Systolic Array Collaboration with Inter-Layer Fusion
-
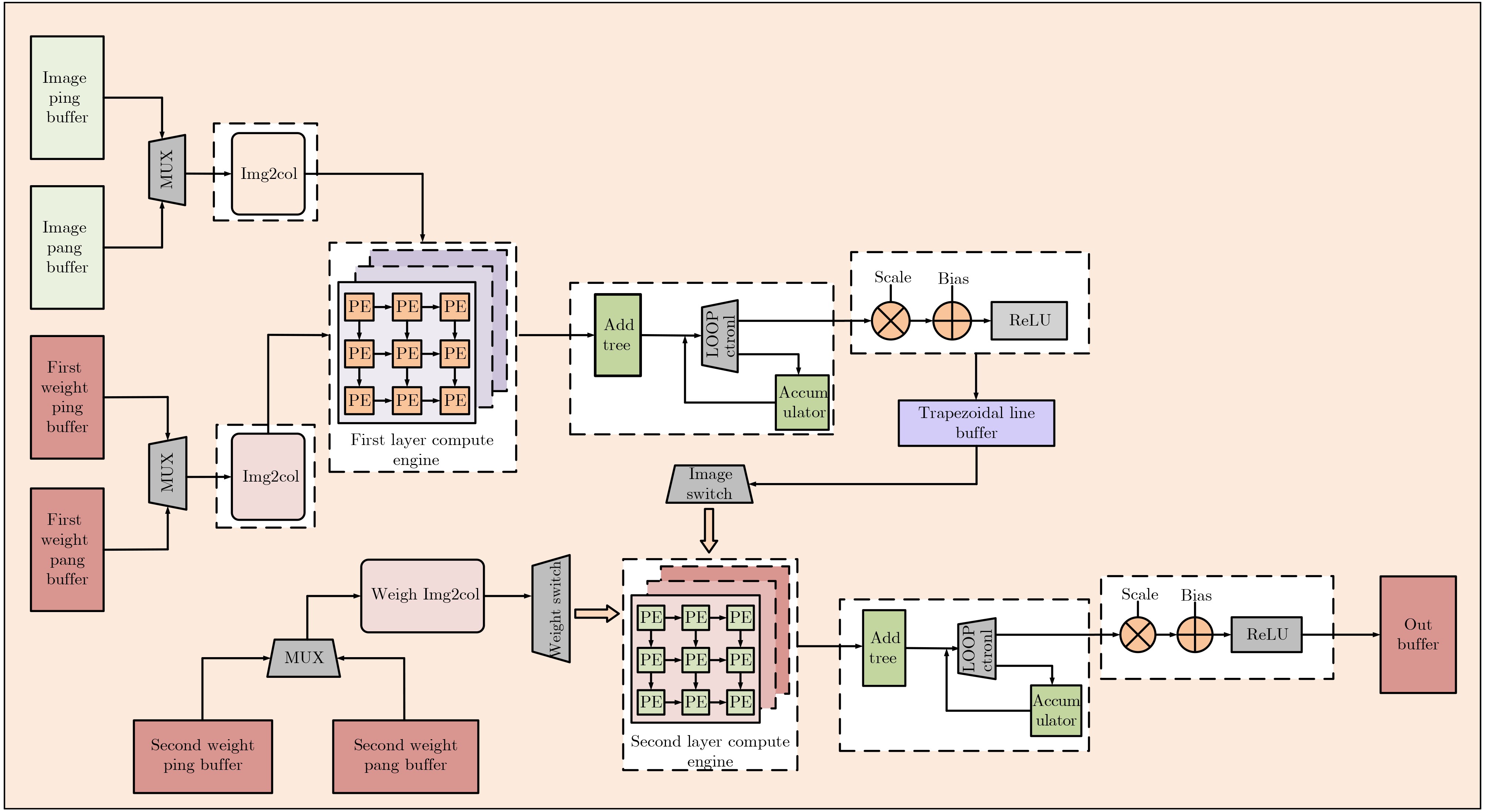
摘要: 卷积神经网络在边缘计算和嵌入式领域的实时应用对硬件加速器的性能和能效提出了严峻挑战。针对基于FPGA的卷积神经网络加速器中普遍存在的数据搬运瓶颈、资源利用率不足和计算单元效率低下等核心问题,提出一种脉动阵列协同层融合的混合卷积神经网络加速器架构,将计算密集型邻接层进行深度绑定,在同一级阵列内完成连续计算,减少中间结果向片外存储的频繁存取,降低数据搬运次数和功耗,提升计算速度和整体能效比;设计动态可配置脉动阵列方法,在硬件层面自适应支持多维度矩阵乘法计算,避免为不同规模运算分别部署专用硬件的资源浪费,降低整体FPGA逻辑资源的消耗,提升硬件资源的适应性与灵活性;通过精心规划计算流与控制逻辑,设计流式脉动阵列计算方法,确保脉动阵列计算单元始终保持在高效工作状态,数据在计算引擎中以高度流水化和并行方式持续流动,提升脉动阵列内部处理单元利用率,减少计算空洞期,提升整体吞吐率。实验结果表明,在Xilinx Zynq-
7100 平台上,VGG16、ResNet50以及Yolov8n在所提出加速器上的性能分别达到390.25GOPS、360.27GOPS和348.08GOPS,为部署高性能、低功耗的CNN推理至资源受限的边缘设备提供了有效的FPGA实现途径。Abstract:Objective With the rapid deployment of deep learning in edge computing, the demand for efficient Convolutional Neural Network (CNN) accelerators has become increasingly urgent. Although traditional CPUs and GPUs provide strong computational power, they suffer from high power consumption, large latency, and limited scalability in real-time embedded scenarios. FPGA-based accelerators, owing to their reconfigurability and parallelism, present a promising alternative. However, existing implementations often face challenges such as low resource utilization, memory access bottlenecks, and difficulties in balancing throughput with energy efficiency. To address these issues, this paper proposes a systolic array–based CNN accelerator with layer-fusion optimization, combined with an enhanced memory hierarchy and computation scheduling strategy. By designing hardware-oriented convolution mapping methods and employing lightweight quantization schemes, the proposed accelerator achieves improved computational efficiency and reduced resource consumption while meeting real-time inference requirements, making it suitable for complex application scenarios such as intelligent surveillance and autonomous driving. Methods This paper addresses the critical challenges commonly observed in FPGA-based Convolutional Neural Network (CNN) accelerators, including data transfer bottlenecks, insufficient resource utilization, and low processing unit efficiency. We propose a hybrid CNN accelerator architecture based on systolic array–assisted layer fusion, in which computation-intensive adjacent layers are deeply bound and executed consecutively within the same systolic array. This design reduces frequent off-chip memory access of intermediate results, decreases data transfer overhead and power consumption, and improves both computation speed and overall energy efficiency. A dynamically reconfigurable systolic array method is further developed to provide hardware-level adaptability for multi-dimensional matrix multiplications, thereby avoiding the resource waste of deploying dedicated hardware for different computation scales, reducing overall FPGA logic resource consumption, and enhancing adaptability and flexibility of hardware resources. In addition, a streaming systolic array computation scheme is introduced through carefully orchestrated computation flow and control logic, ensuring that processing elements within the systolic array remain in a high-efficiency working state. Data continuously flows through the computation engine in a highly pipelined and parallelized manner, improving the utilization of internal processing units, reducing idle cycles, and ultimately enhancing overall throughput. Results and Discussions To explore the optimal quantization precision of neural network models, experiments were conducted on the MNIST dataset using two representative architectures, VGG16 and ResNet50, under fixed-point quantization with 12-bit, 10-bit, 8-bit, and 6-bit precision. The results, as shown in Table 1 , indicate that when the quantization bit width falls below 8 bits, model inference accuracy drops significantly, suggesting that excessively low precision severely compromises the representational capacity of the model. On the proposed accelerator architecture, VGG16, ResNet50, and YOLOv8n achieved peak computational performances of 390.25 GOPS, 360.27 GOPS, and 348.08 GOPS, respectively. To comprehensively evaluate the performance advantages of the proposed accelerator, comparisons were made with FPGA accelerator designs reported in existing literature, as summarized inTable 4 .Table 5 further presents a comparison of the proposed accelerator with conventional CPU and GPU platforms in terms of performance and energy efficiency. During the acceleration of VGG16, ResNet50, and YOLOv8n, the proposed accelerator achieved computational throughput that was 1.76×, 3.99×, and 2.61× higher than that of the corresponding CPU platforms, demonstrating significant performance improvements unattainable by general-purpose processors. Moreover, in terms of energy efficiency, the proposed accelerator achieved improvements of 3.1× (VGG16), 2.64× (ResNet50), and 2.96× (YOLOv8n) compared with GPU platforms, highlighting its superior energy utilization efficiency.Conclusions This paper proposes a systolic array–assisted layer-fusion CNN accelerator architecture. First, a theoretical analysis of the accelerator’s computational density is conducted, demonstrating the performance advantages of the proposed design. Second, to address the design challenge arising from the variability in local convolution window sizes of the second layer, a novel dynamically reconfigurable systolic array method is introduced. Furthermore, to enhance the overall computational efficiency, a streaming systolic array scheme is developed, in which data continuously flows through the computation engine in a highly pipelined and parallelized manner. This design reduces idle cycles within the systolic array and improves the overall throughput of the accelerator. Experimental results show that the proposed accelerator achieves high throughput with minimal loss in inference accuracy. Specifically, peak performance levels of 390.25 GOPS, 360.27 GOPS, and 348.08 GOPS were attained for VGG16, ResNet50, and YOLOv8n, respectively. Compared with traditional CPU and GPU platforms, the proposed design exhibits superior energy efficiency, demonstrating that the accelerator architecture is particularly well-suited for resource-constrained and energy-sensitive application scenarios such as edge computing. -
Key words:
- Convolutional Neural Network (CNN) /
- FPGA /
- Systolic array /
- Accelerator
-
表 1 CIFAR100、CIFAR10、MNIST数据集上VGG16和ResNet50网络不同量化位宽分析
数据集 网络模型 准确率 32-float 12-bit 10-bit 8-bit 6-bit CIFAR100 VGG16 70.44 70.45 70.44 69.99 53.33 ResNet50 74.98 74.94 74.91 73.98 40.43 CIFAR10 VGG16 93.78 92.45 91.88 91.23 85.33 ResNet50 94.98 93.94 92.91 92..35 86.43 MNIST VGG16 98.42 97.98 96.95 96.55 93.33 ResNet50 99.35 98.94 98.90 97.38 95.43 表 2 部署资源消耗
资源类别 消耗(个) 片内总计(个) 占比(%) LUT 245672 277400 88.56 FF 293028 554800 52.81 BRAM 297 755 39.33 DSP 2000 2020 99.00 表 3 SP和LUT生成乘法器性能对比
乘法器综合资源 数据类型 最大频率(MHZ) DSP48E1 8位有符号 544 LUT 8位有符号 384.61 表 4 各算子资源消耗
算子类型 LUT(个) FF(个) BRAM(个) DSP(个) Conv 184293 229438 157.5 1824 Max_pool 12370 10698 20 0 Add 2256 2885 12 96 Cat 2120 2367 16 80 Upsample 1066 832 8 0 表 5 与相关FPGA加速器的比较结果
文献[6] 文献[7] 本文 文献[7] 文献[8] 文献[9] 本文 文献[14] 文献[15] 本文 模型 YOLOv2 YOLOv4-Tiny YOLOv8 VGG16 VGG16 VGG16 VGG16 ResNet50 ResNet50 ResNet50 计算平台 Pynq-z2 Zynq7020 Zynq7100 Zynq7020 ZC706 ZU15EG Zynq7100 ZC706 XCZU19EG Zynq7100 制程(nm) 28 28 28 28 28 16 28 28 16 28 频率(MHz) 125 200 200 150 150 300 200 200 100 200 数据类型 Int16 Int16 Int8 Int16 Int16 Int8 Int8 Int8 Int8 Int8 DSP(个) 153 220 2000 220 449 3528 2000 840 - 2000 GOP 29.47 6.95 9.16 15.52 15.52 15.52 15.52 4.13 4.13 4.13 算力(GOPS) 54.62 24.25 348.08 48.36 115.21 217.62 390.25 330.2 292 360.27 功耗(W) 2.7 4.58 7.1 3.75 3.8 3.72 7.1 - - 7.1 能效比(GOPS/W) 20.23 5.29 49.02 12.89 30.32 58.36 54.96 119.64 7.81 50.74 表 6 与CPU和GPU加速器实现对比
CPU GPU 本文 模型 VGG16 ResNet50 Yolov8 VGG16 ResNet50 Yolov8 VGG16 ResNet50 Yolov8 计算平台 Intel i5-12600kf Nvidia RTX 4060 Xilinx Zynq-7100 制程(nm) 7 5 28 频率 3.05 GHz 2.73 GHz 200 MHz 数据类型 Float32 Float32 Int8 GOP 15.52 4.13 9.16 15.52 4.13 9.16 15.52 4.13 9.16 GOPS 220.69 90.28 132.87 1974.60 2027.83 1832 390.25 360.27 348.08 功耗(W) 74.27 92.14 76.35 111.55 105.88 110.58 7.1 7.1 7.1 能效比(GOPS/W) 2.97 0.97 1.74 17.70 19.15 16.56 54.96 50.74 49.02 -
[1] SHAO Jie and CHENG Qiyu. E-FCNN for tiny facial expression recognition[J]. Applied Intelligence, 2021, 51(1): 549–559. doi: 10.1007/s10489-020-01855-5. [2] KRIZHEVSKY A, SUTSKEVER I, and HINTON G E. ImageNet classification with deep convolutional neural networks[C]. Proceedings of the 26th Annual Conference on Neural Information Processing Systems, Lake Tahoe, USA, 2012: 1106–1114. [3] SIMONYAN K and ZISSERMAN A. Very deep convolutional networks for large-scale image recognition[C]. 3rd International Conference on Learning Representations, San Diego, USA, 2015: 236–238. (查阅网上资料, 未找到本条文献页码, 请确认). [4] HE Kaiming, ZHANG Xiangyu, REN Shaoqing, et al. Identity mappings in deep residual networks[C]. 14th European Conference on Computer Vision, Amsterdam, The Netherlands, 2016: 630–645. doi: 10.1007/978-3-319-46493-0_38. [5] IOFFE S and SZEGEDY C. Batch normalization: Accelerating deep network training by reducing internal covariate shift[C]. Proceedings of the 32nd International Conference on Machine Learning, Lille, France, 2015: 448–456. [6] BAO Chun, XIE Tao, FENG Wenbin, et al. A power-efficient optimizing framework FPGA accelerator based on Winograd for YOLO[J]. IEEE Access, 2020, 8: 94307–94317. doi: 10.1109/ACCESS.2020.2995330. [7] YE Jinlin, LIU Yuhan, CHEN Haiyong, et al. Edge computing accelerator for real-time defect detection of photovoltaic panel on lightweight FPGAs[J]. IEEE Transactions on Instrumentation and Measurement, 2025, 74: 3001815. doi: 10.1109/TIM.2025.3563001. [8] ZHANG Chen, WANG Xin’an, YONG Shanshan, et al. An energy-efficient convolutional neural network processor architecture based on a systolic array[J]. Applied Sciences, 2022, 12(24): 12633. doi: 10.3390/app122412633. [9] XU Yuhua, LUO Jie, and SUN Wei. Flare: An FPGA-based full precision low power CNN accelerator with reconfigurable structure[J]. Sensors, 2024, 24(7): 2239. doi: 10.3390/s24072239. [10] ZHANG Yonghua, WANG Haojie, and PAN Zhenhua. An efficient CNN accelerator for pattern-compressed sparse neural networks on FPGA[J]. Neurocomputing, 2025, 611: 128700. doi: 10.1016/j.neucom.2024.128700. [11] HU Xianghong, FU Shansen, LIN Yuanmiao, et al. An FPGA-based bit-level weight sparsity and mixed-bit accelerator for neural networks[J]. Journal of Systems Architecture, 2025, 166: 103463. doi: 10.1016/j.sysarc.2025.103463. [12] LI Gang, LIU Zejian, LI Fanrong, et al. Block convolution: Toward memory-efficient inference of large-scale CNNs on FPGA[J]. IEEE Transactions on Computer-Aided Design of Integrated Circuits and Systems, 2022, 41(5): 1436–1447. doi: 10.1109/TCAD.2021.3082868. [13] PACINI T, RAPUANO E, DINELLI G, et al. A multi-cache system for on-chip memory optimization in FPGA-based CNN accelerators[J]. Electronics, 2021, 10(20): 2514. doi: 10.3390/electronics10202514. [14] OU Yaozhong, YU Weihan, UN K F, et al. A 119.64 GOPs/W FPGA-based ResNet50 mixed-precision accelerator using the dynamic DSP packing[J]. IEEE Transactions on Circuits and Systems II: Express Briefs, 2024, 71(5): 2554–2558. doi: 10.1109/TCSII.2024.3377356. [15] FUKUSHIMA Y, IIZUKA K, and AMANO H. Parallel implementation of CNN on multi-FPGA cluster[J]. IEICE Transactions on Information and Systems, 2023, E106. D(7): 1198–1208. doi: 10.1587/transinf.2022EDP7175. [16] ALWANI M, CHEN Han, FERDMAN M, et al. Fused-layer CNN accelerators[C]. 2016 49th Annual IEEE/ACM International Symposium on Microarchitecture (MICRO), Taipei, China, 2016: 1–12. doi: 10.1109/MICRO.2016.7783725. [17] 陈云霁, 李玲, 赵永威, 等. 智能计算系统: 从深度学习到大模型[M]. 2版. 北京: 机械工业出版社, 2024: 256–257.CHEN Yunji, LI Ling, ZHAO Yongwei, et al. AI Computing Systems[M]. 2nd ed. Beijing: China Machine Press, 2024: 256–257. [18] LIU Yanyi, DU Hang, WU Yin, et al. FPGA accelerated deep learning for industrial and engineering applications: Optimal design under resource constraints[J]. Electronics, 2025, 14(4): 703. doi: 10.3390/electronics14040703. -
下载:
下载: