高级搜索

留言板

尊敬的读者、作者、审稿人, 关于本刊的投稿、审稿、编辑和出版的任何问题, 您可以本页添加留言。我们将尽快给您答复。谢谢您的支持!

姓名
邮箱
手机号码
标题
留言内容
验证码

一种通用的时间数字转换器码密度校准信号产生方法及其实现

李海涛 李斌康 田耕 阮林波 赵前 吕宗璟

李海涛, 李斌康, 田耕, 阮林波, 赵前, 吕宗璟. 一种通用的时间数字转换器码密度校准信号产生方法及其实现[J]. 电子与信息学报, 2021, 43(8): 2121-2127. doi: 10.11999/JEIT200769
引用本文: 李海涛, 李斌康, 田耕, 阮林波, 赵前, 吕宗璟. 一种通用的时间数字转换器码密度校准信号产生方法及其实现[J]. 电子与信息学报, 2021, 43(8): 2121-2127. doi: 10.11999/JEIT200769
Haitao LI, Binkang LI, Geng TIAN, Linbo RUAN, Qian ZHAO, Zongjing LÜ. A General Method of Generating Code Density Calibration Signal for Time-to-Digital Converter and Its Realization[J]. Journal of Electronics & Information Technology, 2021, 43(8): 2121-2127. doi: 10.11999/JEIT200769
Citation: Haitao LI, Binkang LI, Geng TIAN, Linbo RUAN, Qian ZHAO, Zongjing LÜ. A General Method of Generating Code Density Calibration Signal for Time-to-Digital Converter and Its Realization[J]. Journal of Electronics & Information Technology, 2021, 43(8): 2121-2127. doi: 10.11999/JEIT200769

一种通用的时间数字转换器码密度校准信号产生方法及其实现

doi: 10.11999/JEIT200769 cstr: 32379.14.JEIT200769
详细信息
    作者简介:

    李海涛:男,1986年生,博士生,工程师,研究方向为快电子学

    李斌康:男,1966年生,博士,研究员,研究方向为脉冲辐射探测、快脉冲电子学研究和系统研制

    田耕:男,1978年生,博士,高级工程师,研究方向为仪器仪表控制、核电子学

    阮林波:男,1973年生,硕士,高级工程师,研究方向为物理电子学

    赵前:男,1994年生,硕士,研究实习员,研究方向为高速数字采集系统、数字信号处理

    吕宗璟:男,1993年生,硕士,工程师,研究方向为模拟光纤传输、数字信号处理

    通讯作者:

    李斌康 libk2008@sina.cn

  • 中图分类号: TN79

A General Method of Generating Code Density Calibration Signal for Time-to-Digital Converter and Its Realization

  • 摘要: 该文提出一种通用的时间数字转换器(TDC)码密度校准信号产生方法,该方法基于相干采样理论,通过合理设置TDC主时钟和校准信号之间的频率差,结合输出信号保持电路,产生校准用的随机信号,在码密度校准过程中,随机信号均匀分布在TDC的延时路径上,实现对TDC的bin-by-bin校准。基于Xilinx公司的28 nm工艺的Kintex-7 现场可编程门阵列(FPGA)内部的进位链实现一种plain TDC,利用该方法校准plain TDC的码宽(抽头延迟时间),研究校准了2抽头方式下的TDC的性能参数,时间分辨率(对应TDC的最低有效位,Least Significant Bit, LSB)为24.9 ps,微分非线性为(–0.84~3.1)LSB,积分非线性为(–5.0~2.2)LSB。文中所述的校准方法采用时钟逻辑资源实现,多次测试考核结果表明,单个延时单元的标准差优于0.5 ps。该校准方法采用时钟逻辑资源代替组合逻辑资源,重复性、稳定性较好,实现了对plain TDC的高精度自动校准。该方法同样适用于其他类型的TDC的码密度校准。
  • 图  1  门控数字震荡电路

    图  2  利用查找表构成环形振荡器

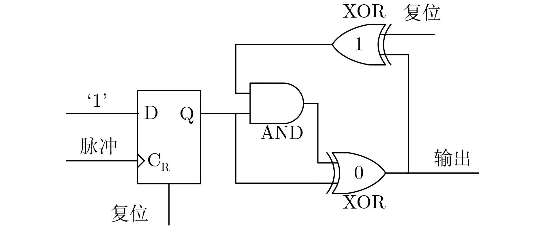
    图  3  典型的输出保持电路

    图  4  码密度法校准TDC码宽示意

    图  5  Kintex-7进位链4抽头码宽典型值

    图  6  两种2抽头方式的码宽典型值

    图  7  “0tap+3tap”抽头方式的TDC线性拟合结果

    图  8  TDC的非线性示意

    图  9  TDC典型码宽和标准差

    表  1  LUT1真值表

    I0 O
    0 1
    1 0
    下载: 导出CSV

    表  2  LUT2真值表

    I1 I0 O
    0 0 0
    0 1 0
    1 0 1
    1 1 0
    下载: 导出CSV
  • [1] 周浩. 基于FPGA进位链的时间数字转换器设计[D]. [硕士论文], 重庆邮电大学, 2017.

    ZHOU Hao. Design of a time-to-digital converter based on carry-in lines of FPGA[D]. [Master dissertation], Chongqing University of Posts and Telecommunications, 2017.
    [2] 范欢欢. 基于FPGA的时间数字转换电路的若干关键技术的研究[D]. [博士论文], 中国科学技术大学, 2015.

    FAN Huanhuan. Some key technologies about time-to-digital converter based on FPGA[D]. [Ph. D. dissertation], University of Science and Technology of China, 2015.
    [3] WU Jinyuan. Several key issues on implementing delay line based TDCs using FPGAs[J]. IEEE Transactions on Nuclear Science, 2010, 57(3): 1543–1548. doi: 10.1109/TNS.2010.2045901
    [4] BAYER E and TRAXLER M. A high-resolution (< 10 ps RMS)48-channel time-to-digital converter (TDC) implemented in a field programmable gate array (FPGA)[J]. IEEE Transactions on Nuclear Science, 2011, 58(4): 1547–1552. doi: 10.1109/TNS.2011.2141684
    [5] FISHBURN M W, MENNINGA L H, FAVI C, et al. A 19.6 ps, FPGA-based TDC with multiple channels for open source applications[J]. IEEE Transactions on Nuclear Science, 2013, 60(3): 2203–2208. doi: 10.1109/TNS.2013.2241789
    [6] 高丽江, 杨海钢, 李威, 等. 具有高资源利用率特征的改进型查找表电路结构与优化方法[J]. 电子与信息学报, 2019, 41(10): 2382–2388. doi: 10.11999/JEIT190095

    GAO Lijiang, YANG Haigang, LI Wei, et al. A circuit optimization method of improved lookup table for Highly efficient resource utilization[J]. Journal of Electronics &Information Technology, 2019, 41(10): 2382–2388. doi: 10.11999/JEIT190095
    [7] WANG Yonggang and LIU Chong. A 3.9 ps time-interval RMS precision time-to-digital converter using a dual-sampling method in an UltraScale FPGA[J]. IEEE Transactions on Nuclear Science, 2016, 63(5): 2617–2621. doi: 10.1109/TNS.2016.2596305
    [8] HU Xueye, ZHAO Lei, LIU Shubin, et al. A stepped-up tree encoder for the 10-ps wave union TDC[J]. IEEE Transactions on Nuclear Science, 2013, 60(5): 3544–3549. doi: 10.1109/TNS.2013.2265555
    [9] ZHAO Lei, HU Xueye, LIU Shubin, et al. The design of a 16-channel 15 ps TDC implemented in a 65 nm FPGA[J]. IEEE Transactions on Nuclear Science, 2013, 60(5): 3532–3536. doi: 10.1109/TNS.2013.2280909
    [10] 王巍, 董永孟, 李捷, 等. 基于FPGA的高精度多通道时间数字转换器设计[J]. 微电子学, 2015, 45(6): 698–701, 705.

    WANG Wei, DONG Yongmeng, LI Jie, et al. Design of a high resolution and multichannel TDC based on FPGA[J]. Microelectronics, 2015, 45(6): 698–701, 705.
  • 加载中
图(9) / 表(2)
计量
  • 文章访问数:  2062
  • HTML全文浏览量:  1220
  • PDF下载量:  242
  • 被引次数: 0
出版历程
  • 收稿日期:  2020-09-07
  • 修回日期:  2021-02-25
  • 网络出版日期:  2021-03-30
  • 刊出日期:  2021-08-10

目录

    /

    返回文章
    返回