高级搜索

留言板

尊敬的读者、作者、审稿人, 关于本刊的投稿、审稿、编辑和出版的任何问题, 您可以本页添加留言。我们将尽快给您答复。谢谢您的支持!

姓名
邮箱
手机号码
标题
留言内容
验证码

基于循环平稳特性的欠采样宽带数字预失真研究

兰榕 胡欣 邹峰 王刚 罗积润

兰榕, 胡欣, 邹峰, 王刚, 罗积润. 基于循环平稳特性的欠采样宽带数字预失真研究[J]. 电子与信息学报, 2020, 42(5): 1274-1280. doi: 10.11999/JEIT190105
引用本文: 兰榕, 胡欣, 邹峰, 王刚, 罗积润. 基于循环平稳特性的欠采样宽带数字预失真研究[J]. 电子与信息学报, 2020, 42(5): 1274-1280. doi: 10.11999/JEIT190105
Rong LAN, Xin HU, Feng ZOU, Gang WANG, Jirun LUO. Research of Low Sampling Frequency Broadband Digital Predistortion with Cyclostationary Characteristics[J]. Journal of Electronics & Information Technology, 2020, 42(5): 1274-1280. doi: 10.11999/JEIT190105
Citation: Rong LAN, Xin HU, Feng ZOU, Gang WANG, Jirun LUO. Research of Low Sampling Frequency Broadband Digital Predistortion with Cyclostationary Characteristics[J]. Journal of Electronics & Information Technology, 2020, 42(5): 1274-1280. doi: 10.11999/JEIT190105

基于循环平稳特性的欠采样宽带数字预失真研究

doi: 10.11999/JEIT190105 cstr: 32379.14.JEIT190105
详细信息
    作者简介:

    兰榕:男,1992年生,博士生,研究方向为行波管功率放大器宽带数字预失真技术

    胡欣:男,1985年生,工程师,研究方向为飞行器航电综合、卫星通信、智能信号处理等

    邹峰:男,1983年生,工程师,研究方向为行波管放大器

    王刚:男,1971年生,研究员,研究方向为微波电子信息系统与电路

    罗积润:男,1957年生,研究员,研究方向为高功率微波的产生与应用

    通讯作者:

    罗积润 Luojirun@mail.ie.ac.cn

  • 中图分类号: TN124

Research of Low Sampling Frequency Broadband Digital Predistortion with Cyclostationary Characteristics

  • 摘要:

    为了解决行波管(TWT)宽带数字预失真(DPD)中反馈回路ADC采样率过高的问题,该文利用信号的循环平稳特性证实可通过欠采样下的输出信号估计功放的非线性模型参数,然后由功放非线性模型参数和输入信号可恢复出与高采样率下效果相似的功放输出信号,最后通过传统的间接学习结构对功放进行数字预失真以实现行波管的线性化。为了验证该方法,利用20 MHz LTE信号驱动一只55 W的X波段行波管放大器(TWTA)。数字预失真反馈回路的ADC采样率从61.44 Msps降低至6.144 Msps和3.072 Msps,但线性化效果变化不大,表明欠采样方法是有效的。

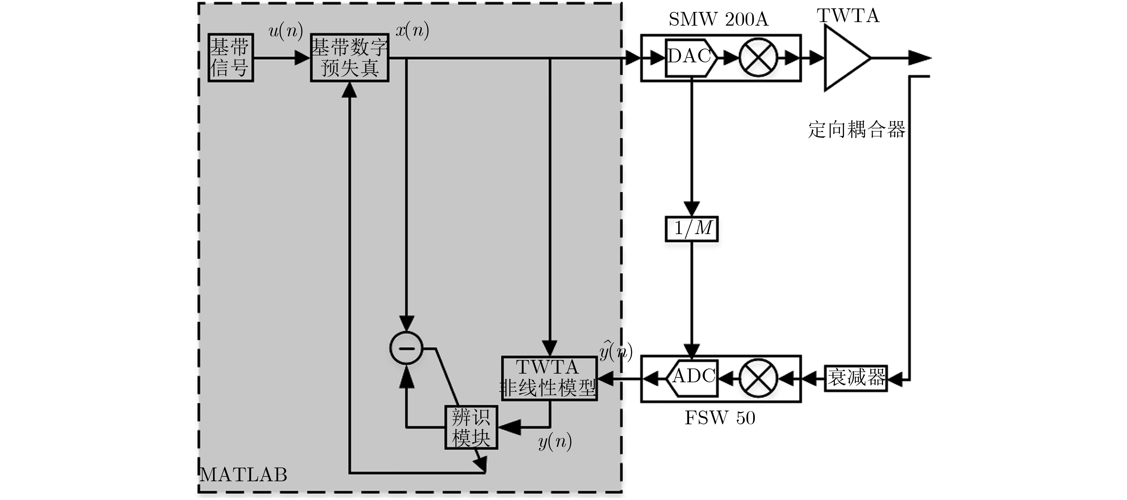
  • 图  1  实验电路框图

    图  2  不同采样率下的预失真输出频谱

    表  1  不同采样率下预失真的邻近信道功率比

    预失真采样率(Msps)ACPR-/+20 MHz(dBc)ACPR-/+40 MHz(dBc)
    无预失真–19.24/–19.94–37.84/–39.34
    61.44–47.42/–47.78–49.30/49.00
    6.144–47.07/–47.55–48.72/–48.15
    3.072–46.87/–46.40–48.06/–48.40
    下载: 导出CSV
  • DUNN Z, YEARY M, FULTON C, et al. Wideband digital predistortion of solid-state radar amplifiers[J]. IEEE Transactions on Aerospace and Electronic Systems, 2016, 52(5): 2452–2466. doi: 10.1109/TAES.2016.150142
    WOOD J. System-level design considerations for Digital Pre-Distortion of wireless base station transmitters[J]. IEEE Transactions on Microwave Theory and Techniques, 2017, 65(5): 1880–1890. doi: 10.1109/TMTT.2017.2659738
    YU Chao, GUAN Lei, ZHU Erni, et al. Band-limited Volterra series-based digital predistortion for wideband RF power amplifiers[J]. IEEE Transactions on Microwave Theory and Techniques, 2012, 60(12): 4198–4208. doi: 10.1109/TMTT.2012.2222658
    LIU Youjiang, YAN J J, DABAG H T, et al. Novel technique for wideband digital predistortion of power amplifiers with an under-sampling ADC[J]. IEEE Transactions on Microwave Theory and Techniques, 2014, 62(11): 2604–2617. doi: 10.1109/TMTT.2014.2360398
    MA Yuelin, YAMAO Y, AKAIWA Y, et al. Wideband digital predistortion using spectral extrapolation of band-limited feedback signal[J]. IEEE Transactions on Circuits and Systems I: Regular Papers, 2014, 61(7): 2088–2097. doi: 10.1109/TCSI.2013.2295897
    LIU Ying, PAN Wensheng, SHAO Shihai, et al. A general digital predistortion architecture using constrained feedback bandwidth for wideband power amplifiers[J]. IEEE Transactions on Microwave Theory and Techniques, 2015, 63(5): 1544–1555. doi: 10.1109/TMTT.2015.2416184
    ZHANG Qi, LIU Youjiang, ZHOU Jie, et al. A band-divided memory polynomial for wideband digital predistortion with limited bandwidth feedback[J]. IEEE Transactions on Circuits and Systems II: Express Briefs, 2015, 62(10): 922–926. doi: 10.1109/TCSII.2015.2457793
    WANG Zonghao, CHEN Wenhua, SU Gongzhe, et al. Low feedback sampling rate digital predistortion for wideband wireless transmitters[J]. IEEE Transactions on Microwave Theory and Techniques, 2016, 64(11): 3528–3539. doi: 10.1109/TMTT.2016.2602216
    GUAN Ning, WU Nan, and WANG Hua. Digital predistortion of wideband power amplifier with single undersampling ADC[J]. IEEE Microwave and Wireless Components Letters, 2017, 27(11): 1016–1018. doi: 10.1109/LMWC.2017.2750059
    LIU Ying, PAN Wensheng, SHAO Shihai, et al. A new digital predistortion using indirect learning with constrained feedback bandwidth for wideband power amplifiers[C]. 2014 IEEE MTT-S International Microwave Symposium, Tampa, USA, 2014: 1-3. doi: 10.1109/MWSYM.2014.6848259.
    GARDNER W A. Introduction to Random Processes: With Applications to Signals and Systems[M]. 2nd ed. New York, USA: McGraw-Hill, 1990: 302–310.
    REED I. On a moment theorem for complex Gaussian processes[J]. IRE Transactions on Information Theory, 1962, 8(3): 194–195. doi: 10.1109/TIT.1962.1057719
    ZHOU G T and KENNEY J S. Predicting spectral regrowth of nonlinear power amplifiers[J]. IEEE Transactions on Communications, 2002, 50(5): 718–722. doi: 10.1109/TCOMM.2002.1006553
    BRILLINGER D R. Time Series: Data Analysis and Theory[M]. San Francisco, USA: Holden Day, 1981: 19-27.
    GARDNER W A. Spectral correlation of modulated signals: Part I - analog modulation[J]. IEEE Transactions on Communications, 1987, 35(6): 584–594. doi: 10.1109/TCOM.1987.1096820
    GARDNER W A, BROWN III W A, and CHEN C K. Spectral correlation of modulated signals: Part II - digital modulation[J]. IEEE Transactions on Communications, 1987, 35(6): 595–601. doi: 10.1109/TCOM.1987.1096816
  • 加载中
图(2) / 表(1)
计量
  • 文章访问数:  2465
  • HTML全文浏览量:  1000
  • PDF下载量:  64
  • 被引次数: 0
出版历程
  • 收稿日期:  2019-02-25
  • 修回日期:  2019-10-20
  • 网络出版日期:  2020-01-20
  • 刊出日期:  2020-06-04

目录

    /

    返回文章
    返回