高级搜索

留言板

尊敬的读者、作者、审稿人, 关于本刊的投稿、审稿、编辑和出版的任何问题, 您可以本页添加留言。我们将尽快给您答复。谢谢您的支持!

姓名
邮箱
手机号码
标题
留言内容
验证码

基于射线描迹法微分形式的大气折射误差修正方法研究

卫佩佩 杜晓燕 江长荫

卫佩佩, 杜晓燕, 江长荫. 基于射线描迹法微分形式的大气折射误差修正方法研究[J]. 电子与信息学报, 2018, 40(8): 1838-1846. doi: 10.11999/JEIT171131
引用本文: 卫佩佩, 杜晓燕, 江长荫. 基于射线描迹法微分形式的大气折射误差修正方法研究[J]. 电子与信息学报, 2018, 40(8): 1838-1846. doi: 10.11999/JEIT171131
Peipei WEI, Xiaoyan DU, Changyin JIANG. Atmosphere Refractive Error Correction Method Based on Ray Tracing Differential Form[J]. Journal of Electronics & Information Technology, 2018, 40(8): 1838-1846. doi: 10.11999/JEIT171131
Citation: Peipei WEI, Xiaoyan DU, Changyin JIANG. Atmosphere Refractive Error Correction Method Based on Ray Tracing Differential Form[J]. Journal of Electronics & Information Technology, 2018, 40(8): 1838-1846. doi: 10.11999/JEIT171131

基于射线描迹法微分形式的大气折射误差修正方法研究

doi: 10.11999/JEIT171131 cstr: 32379.14.JEIT171131
详细信息
    作者简介:

    卫佩佩:女,1990年生,博士生,研究方向为电波传播电磁计算及反演问题等

    杜晓燕:女,1975年生,副教授,主要从事电磁场、微波技术与天线等的教学和科研工作

    江长荫:男,1936年生,研究员,主要从事无线电波传播研究

    通讯作者:

    卫佩佩  18563113879@163.com

  • 中图分类号: P225

Atmosphere Refractive Error Correction Method Based on Ray Tracing Differential Form

  • 摘要: 大气折射误差是影响各类无线电系统同步、跟踪、导航、定位精度的一个主要误差源。射线描迹法利用几何光学原理可以实现对该误差的精确修正。针对传统射线描迹法无法处理异常大气折射误差修正的问题,该文推导了射线描迹法的微分形式,并基于此提出适用于任意大气的折射误差修正方法。选取某地面测控站对目标的跟踪数据,验证了所提方法的可行性。此外,利用该方法对比分析了蒸发波导环境和标准大气环境对大气折射误差的影响。结果表明:完全陷获在蒸发波导内部的电波引入的大气折射误差是最显著的。所提方法为提高无线电系统在任意大气环境下的测量精度提供一种新的技术支持。
  • 图  1  射线传播轨迹示意图

    图  2  大气折射率剖面

    图  3  大气折射误差分布图

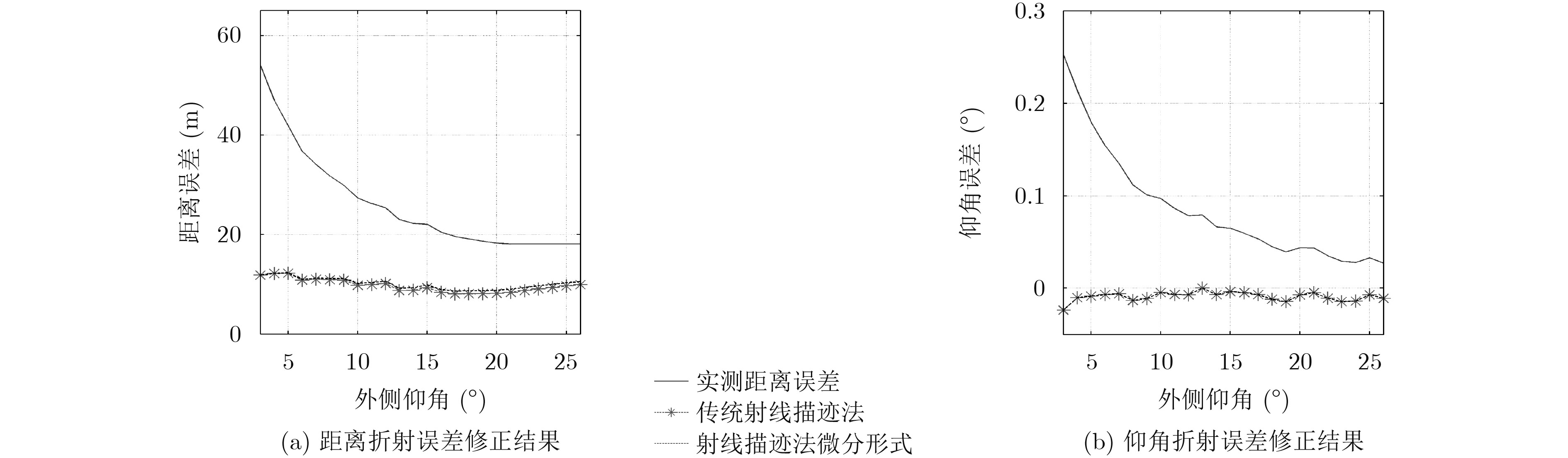
    图  4  大气折射误差修正结果

    图  5  电波传播轨迹

    图  6  距离误差

    图  7  高度误差

    图  8  仰角误差

    图  9  视在距离100 km时大气折射误差统计图

  • ZUS F, DICK G, HEISE S, et al. A forward operator and its adjoint for GPS slant total delays[J]. Radio Science, 2015, 50(5): 393–4052. DOI: 10.1002/2014RS005584.
    赵章明, 冯径, 洪亮. 卫星定位中对流层延迟模型对比分析[J]. 测绘通报, 2016, (11): 18–21. DOI: 10.13474/j.cnki.11-2246.2016.0356.

    ZHAO Zhangming, FENG Jing, and HONG Liang. Comparison and analysis of tropospheric correction models in satellite positioning[J]. Bulletin of Surveying and Mapping, 2016, (11): 18–21. DOI: 10.13474/j.cnki.11-2246.2016.0356.
    袁运斌, 霍星亮, 张宝成. 近年来我国GNSS电离层延迟精确建模及修正研究进展[J], 测绘学报, 2017, 46(10): 1364–1378.

    YUAN Yunbin, HUO Xingliang, and ZHANG Baocheng. Research progress of precise models and correction for GNSS ionospheric delay in China over recent years[J], Acta Geodaetica at Cartographica Siinica, 2017, 46(10): 1364–1378.
    HU Guojun, ZHANG Li, LI Gang, et al. Research on error analysis and correction technique of atmospheric refraction for InSAR measurement with distributed satellites[J]. Journal of Computer & Communications, 2016, 4(15): 142–150. DOI: 10.4236/jcc.2016.415014.
    陈西宏, 刘赞, 刘继业, 等. 低仰角下对流层散射斜延迟估计方法[J]. 电子与信息学报, 2016, 38(2): 408–412. DOI: 10.11999/JEIT150628.

    CHEN Xihong, LIU Zan, LIU Jiye, et al. Estimating tropospheric slant scatter delay at low elevation[J]. Journal of Electronics & Information Technology, 2016, 38(2): 408–412. DOI: 10.11999/JEIT150628.
    LIN Leke, ZHAO Zhenwei, ZHANG Yerong, et al. Tropospheric refractivity profiling based on refractivity profile model using single ground-based global positioning system[J]. IET Radar, Sonar & Navigation, 2011, 5(1): 7–11. DOI: 10.1049/iet-rsn.2009.0167.
    韩玲. 区域GPS电离层TEC监测、建模和应用[D]. [硕士论文], 中国科学院上海天文台, 2006.

    HAN Ling. Regional GPS ionosphere TEC monitoring, modeling and application[D]. [Master dissertation], Shanghai Astronomical Observatory, 2016.
    江长荫, 张明高, 焦培南, 等. 雷达电波传播折射与衰减手册[S]. 北京: 国防科工委军标出版发行部, 1997.

    JIANG Changyin, ZHANG Minggao, JIAO Peinan, el al. Handbook of refraction and attenuation of radiowave propagation for radar[S]. Beijing: The Military Standard Publication Department of COSTIND, 1997.
    黄捷. 大气折射误差修正[M]. 北京: 国防工业出版社, 1999: 65–137.

    HUANG Jie. Correction for Atmospheric Refractive Error of Radio Wave[M]. Beijing: National Defence Industry Press, 1999: 65–137.
    JIANG Changyin and WANG Beide. Atmosphere refraction corrections of radiowave propagation for airborne and satellite-borne radars[J]. Science in China (Series E), 2001, 44(3): 280–290. DOI: 10.1007/BF02916705.
    HOFMISTER A and BÖHM J. Application of ray-traced tropospheric slant delays to geodetic VLBI analysis[J]. Journal of Geodesy, 2017, 91(8): 945–964. DOI: 10.1007/s00190-017-1000-7.
    吴文溢, 陈西宏, 刘少伟. 低仰角对流层散射斜延迟实时估计方法[J]. 电子与信息学报, 2017, 39(6): 1326–1332. DOI: 10.11999/JEIT160776.

    WU Wenyi, CHEN Xihong, and LIU Shaowei. Real-time estimation method for tropospheric scatter slant delay at low elevation[J]. Journal of Electronics & Information Technology, 2017, 39(6), 1326–1332. DOI: 10.11999/JEIT160776.
    RECOMMENDATION ITU-R P.834-8. Effects of tropospheric refraction on radiowave propagation[S]. 2016.
    SAASTAMOINEN J. Contribution to the theory of atmospheric refraction[J]. Bulletin Géodésique, 1972, 105(1): 279-298. DOI: 10.1007/BF02521844.
    FOELSCHE U and KIRCHENGAST G. A new " geometric” mapping function for the hydrostatic delay at GPS frequencies[J]. Physics and Chemistry of the Earth, 2001, 26(3): 153 -157. DOI: 10.1016/S1464-1895(01)00039-4.
    赵静旸, 宋淑丽, 陈钦明, 等. 基于垂直剖面函数式的全球对流层天顶延迟模型的建立[J]. 地球物理学报, 2014, 57(10): 3140–3153. DOI: 10.6038/cjg20141005.

    ZHAO Jingyang, SONG Shuli, CHEN Qinming, et al. Establishment of a new global model for zenith tropospheric delay based on functional expression for its vertical profile[J]. Chinese Journal of Geophysics, 2014, 57(10): 3140–3153. DOI: 10.6038/cjg20141005.
    陈钦明, 宋淑丽, 朱文耀. 亚洲地区ECMWF/NCEP资料计算ZTD的精度分析[J]. 地球物理学报, 2012, 55(5): 1541–1548. DOI: 10.6038/j.issn.0001-5733.2012.05.011.

    CHEN Qinming, SONG Shuli, ZHU Wenyao. An analysis of the accuracy of zenith tropospheric delay calculated from ECMWF/NCEP data over Asian area[J]. Chinese Journal of Geophysics, 2012, 55(5): 1541–1548. DOI: 10.6038/j.issn.0001-5733.2012.05.011.
    刘宗伟, 刘夫体, 甘友谊, 等. 微波辐射计在雷测数据折射误差修正中的应用[J]. 电波科学学报, 2011, 26(6): 1153–1157. DOI: 10.13443/j.cjors.2011.06.010.

    LIU Zongwei, LIU Futi, GAN Youyi, et al. Application of microwave radiometer in the refractive error correction of radar measurement data[J]. Chinese Journal of Radio Science, 2011, 26(6): 1153–1157. DOI: 10.13443/j.cjors.2011.06.010.
    王先毅, 孙越强, 杜起飞, 等. 一种实时双频电离层修正方法[J]. 科学技术与工程, 2012, 12(5): 992–995. DOI: 10.3969/j.issn.1671-1815.2012.05.005.

    WANG Xianyi, SUN Yueqiang, DU Qifei, et al. A real-time sual-frequency ionospheric correction method[J]. Science Technology and Engineering, 2012, 12(5): 992–995. DOI: 10.3969/j.issn.1671-1815.2012.05.005.
    赵军, 王西京, 张华, 等. 外测数据对流层折射误差修正及精度分析[J]. 飞行器测控学报, 2014, 33(1): 25–29. DOI: 10.7642/j.issn.1674-5620.2014-01-0025-05.

    ZHAO Jun, WANG Xijing, ZHANG Hua, et al. Correction of tropospheric refraction error of tracking data and error analysis[J]. Journal of Spacecraft TT & C Technology, 2014, 33(1): 25–29. DOI: 10.7642/j.issn.1674-5620.2014-01-0025-05.
    李建儒, 刘玉梅, 赵振维, 等. 卫星测控电波折射修正效果分析[C]. 中国宇航学会飞行器测控专业委员会航天测控技术研讨会, 杭州, 2007: 135–138.

    LI Jianru, LIU Yumei, ZHAO Zhenwei, et al. Correction effect analysis of radio wave refraction for Satellite TT &C[C]. Space Flight Measurement and Control Technology Conference of Aerospace Institute of China Aerospace Science and Technology Specialized Committee, Hangzhou, 2007: 135–138.
    张美根, 程冰洁, 李小凡, 等. 一种最短路径射线追踪的快速算法[J]. 地球物理学报, 2006, 49(5): 1467–1474. DOI: 10.3321/j.issn:0001-5733.2006.05.026.

    ZHANG Meigen, CHENG Bingjie, LI Xiaofan, et al. A fast algorithm of shortest path ray tracing[J]. Chinese Journal of Geophysics, 2006, 49(5): 1467–1474. DOI: 10.3321/j.issn:0001-5733.2006.05.026.
    刘玉梅, 陈祥明, 赵振维, 等.高精度折光修正系统射线描迹快速算法[J]. 电波科学学报, 2015, 30(4): 749–753. DOI: 10.13443/j.cjors.2014090102.

    LIU Yumei, CHEN Xiangming, ZHAO Zhenwei, et al. High-precision fast ray-tracing algorithm used in optical wave refraction error correction[J]. Chinese Journal of Radio Science, 2015, 30(4): 749–753. DOI: 10.13443/j.cjors.2014090102.
    白璐, 张沛, 吴振森, 等. 海上对流层大气波导顶部电磁盲区研究[J]. 电波科学学报, 2016, 31(2): 278–283. DOI: 10.13443/j.cjors.2015052201.

    BAI Lu, ZHANG Pei, WU Zhensen, et al. Research of electromagnetic shadow zone in maritime tropospheric duct[J]. Chinese Journal of Radio Science, 2016, 31(2): 278–283. DOI: 10.13443/j.cjors.2015052201.
    PAULUS R A. Evaporation duct effects on sea clutter[J], IEEE Trans. Antennas and Propagation, 1990, 38(11): 1765–1771. DOI: 10.1109/8.102737.
    YANG Shanbo, LI Xingfei, WU Chao, et al. Application of the PJ and NPS evaporation duct models over the South China Sea (SCS) in winter[J]. Plos One, 2017, 12(3): 1–11. DOI: 10.1371/journal.pone.0172284.
  • 加载中
图(9)
计量
  • 文章访问数:  2907
  • HTML全文浏览量:  1368
  • PDF下载量:  86
  • 被引次数: 0
出版历程
  • 收稿日期:  2017-12-04
  • 修回日期:  2018-04-23
  • 网络出版日期:  2018-06-07
  • 刊出日期:  2018-08-01

目录

    /

    返回文章
    返回