Advanced Search
Turn off MathJax
Article Contents
XU Daxing, SU Lei, HAN Heqiao, WANG Hailun, ZHANG Heng, CHEN Bo. Dynamic State Estimation of Distribution Network by Integrating High-degree Cubature Kalman Filter and LSTM Under FDIA[J]. Journal of Electronics & Information Technology. doi: 10.11999/JEIT250805
Citation: XU Daxing, SU Lei, HAN Heqiao, WANG Hailun, ZHANG Heng, CHEN Bo. Dynamic State Estimation of Distribution Network by Integrating High-degree Cubature Kalman Filter and LSTM Under FDIA[J]. Journal of Electronics & Information Technology. doi: 10.11999/JEIT250805

Dynamic State Estimation of Distribution Network by Integrating High-degree Cubature Kalman Filter and LSTM Under FDIA

doi: 10.11999/JEIT250805 cstr: 32379.14.JEIT250805
Funds:  The National Natural Science Foundation of China (62441311), Quzhou Science and Technology Plan Project (2025K206)
  • Accepted Date: 2025-12-01
  • Rev Recd Date: 2025-12-01
  • Available Online: 2025-12-05
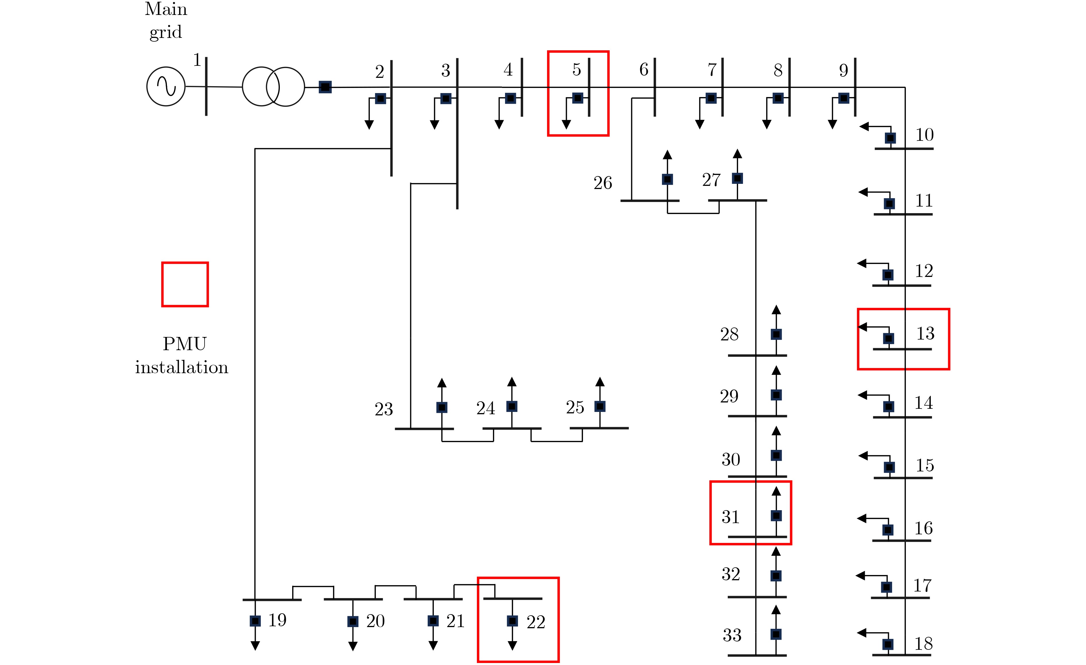
  •   Objective  Dynamic state estimation of distribution networks is a key technology for the safe and stable operation of cyber-physical power systems, but its accuracy and security are constrained by the system's strong nonlinearity, high-dimensional characteristics, and false data injection attacks (FDIA). This paper proposes a dynamic state estimation method fusing high-degree cubature Kalman filter (HCKF) and long short-term memory network (LSTM): first, HCKF is used to improve the estimation accuracy of nonlinear high-dimensional systems; second, the estimation results of HCKF and weighted least squares (WLS) are combined to achieve rapid FDIA detection based on residual analysis; finally, the LSTM model is adopted to reconstruct the measured data of attacked nodes and correct the state estimation results. The effectiveness of the proposed algorithm is verified on the IEEE 33-bus distribution system.  Methods   Due to the strong nonlinearity of the distribution system, the dynamic estimation method based on Cubature Kalman Filter (CKF) has limited state estimation accuracy. To this end, a hybrid measurement state estimation model based on Phasor Measurement Unit (PMU) and Supervisory Control and Data Acquisition (SCADA) is established. HCKF is used to improve the state estimation accuracy of strongly nonlinear and high-dimensional distribution networks through a high-degree cubature point generation strategy. In the face of FDIA launched by malicious attackers, the state estimation values of WLS and HCKF are combined, and rapid detection of FDIA is realized based on residual analysis and state consistency check. When FDIA is detected, the LSTM model is used for time-series prediction and reconstruction of the measurement data of the attacked nodes. Then, abnormal data is replaced and the state estimation results are corrected.  Results and Discussions  Experiments on the IEEE 33-bus distribution system show that in the absence of FDIA, the estimation accuracy of HCKF for voltage amplitude and phase angle is significantly better than that of CKF. The Average Voltage Relative Error (ARE) of voltage amplitude is reduced by 57.9%, and the ARE of voltage phase angle is reduced by 28.9%. These verify the advantage of the proposed algorithm in handling strongly nonlinear and high-dimensional systems. In the FDIA scenario, the detection method based on residual analysis can effectively identify cyber attacks and avoid false positives and false negatives. The prediction error of LSTM for the measurement data of attacked nodes and associated branches is on the order of 10-6, indicating that the reconstructed data is reliable. The method combining HCKF and LSTM can still stably track the real state after the attack. The performance of the proposed algorithm is better than that of WLS, adaptive Unscented Kalman Filter.  Conclusions  The dynamic state estimation method combining HCKF and LSTM proposed in this paper improves the adaptability to the strong nonlinearity and high-dimensional characteristics of the distribution network through HCKF. Rapid and accurate detection of FDIA is realized based on residual analysis. The measurement data of attacked nodes is effectively reconstructed by means of LSTM. The proposed method can provide high-precision estimation in the absence of attacks. In the FDIA scenario, it can resist attack interference and maintain estimation stability and accuracy. It provides key technical support for the safe and stable operation of the distribution network in the environment of cyber attacks.
  • loading
  • [1]
    方洁, 张少辉, 江泳. 基于改进自适应协同控制方法的电力系统混沌控制[J]. 电子与信息学报, 2024, 46(2): 728–737. doi: 10.11999/JEIT230075.

    FANG Jie, ZHANG Shaohui, and JIANG Yong. Chaotic power system control based on improved adaptive synergetic control method[J]. Journal of Electronics & Information Technology, 2024, 46(2): 728–737. doi: 10.11999/JEIT230075.
    [2]
    邓洪高, 余润华, 纪元法, 等. 偏差未补偿自适应边缘化容积卡尔曼滤波跟踪方法[J]. 电子与信息学报, 2025, 47(1): 156–166. doi: 10.11999/JEIT240469.

    DENG Honggao, YU Runhua, JI Yuanfa, et al. An adaptive target tracking method utilizing marginalized cubature Kalman filter with uncompensated biases[J]. Journal of Electronics & Information Technology, 2025, 47(1): 156–166. doi: 10.11999/JEIT240469.
    [3]
    TIAN Jiwei, SHEN Chao, WANG Buhong, et al. LESSON: Multi-label adversarial false data injection attack for deep learning locational detection[J]. IEEE Transactions on Dependable and Secure Computing, 2024, 21(5): 4418–4432. doi: 10.1109/TDSC.2024.3353302.
    [4]
    XIAO Liang, CHEN Haoyu, XU Shiyu, et al. Reinforcement learning-based false data injection attacks in smart grids[J]. IEEE Transactions on Industrial Informatics, 2025, 21(4): 3475–3484. doi: 10.1109/TII.2025.3528571.
    [5]
    GUO Mengmeng, HAO Yongsheng, LEE K. Y, et al. Extended-state Kalman filter-based model predictive control and energy-saving performance analysis of a coal-fired power plant[J]. Energy, 2025, 314: 134169. doi: 10.1016/j.energy.2024.134169.
    [6]
    NGUYEN D V, ZHAO Haiquan, HU Jinhui, et al. Adaptive robust unscented Kalman filter for dynamic state estimation of power system[J]. IEEE Transactions on Industrial Informatics, 2025, 21(7): 5081–5092. doi: 10.1109/TII.2025.3545093.
    [7]
    SHARMA A, SRIVASTAVA S C, and CHAKRABARTI S. A cubature Kalman filter based power system dynamic state estimator[J]. IEEE Transactions on Instrumentation and Measurement, 2017, 66(8): 2036–2045. doi: 10.1109/TIM.2017.2677698.
    [8]
    BASETTI V, CHANDEL A K, and SHIVA C K. Square-root cubature Kalman filter based power system dynamic state estimation[J]. Sustainable Energy, Grids and Networks, 2022, 31: 100712. doi: 10.1016/j.segan.2022.100712.
    [9]
    LIU Bo and WU Hongyu. Low-rank false data injection attacks with incomplete network information against machine-learning detectors[J]. IEEE Transactions on Industrial Informatics, 2025, 21(4): 2868–2877. doi: 10.1109/TII.2024.3513481.
    [10]
    LIU Yifa, CHENG Long, and YE Dan. Stealthy false data injection attacks against the summation detector in cyber-physical systems[J]. IEEE Transactions on Industrial Cyber-Physical Systems, 2024, 2: 391–403. doi: 10.1109/TICPS.2024.3446469.
    [11]
    RAGHUVAMSI Y and TEEPARTHI K. Detection and reconstruction of measurements against false data injection and DoS attacks in distribution system state estimation: A deep learning approach[J]. Measurement, 2023, 210: 112565. doi: 10.1016/j.measurement.2023.112565.
    [12]
    黄崇鑫, 洪明磊, 伏帅, 等. 考虑虚假数据注入攻击的有源配电网分布式状态估计[J]. 电力工程技术, 2022, 41(3): 22–31. doi: 10.12158/j.2096-3203.2022.03.003.

    HUANG Chongxin, HONG Minglei, FU Shuai, et al. Distributed state estimation of active distribution network considering false data injection attack[J]. Electric Power Engineering Technology, 2022, 41(3): 22–31. doi: 10.12158/j.2096-3203.2022.03.003.
    [13]
    XU Junjun, ZHANG Sheng, LIN Tong, et al. A distributed secure state estimation framework for unbalanced active distribution systems[J]. IEEE Transactions on Smart Grid, 2025, 16(5): 3714–3727. doi: 10.1109/TSG.2025.3587483.
    [14]
    DONG Lewei, XU Huiling, PARK J H, et al. Intermediate-variable-based robust state estimation for cyber–physical systems against FDI attacks[J]. IEEE Transactions on Circuits and Systems II: Express Briefs, 2024, 71(5): 2719–2723. doi: 10.1109/TCSII.2024.3351159.
    [15]
    MIAO Kelei, ZHANG Wen’an, and QIU Xiang. An adaptive unscented Kalman filter approach to secure state estimation for wireless sensor networks[J]. Asian Journal of Control, 2023, 25(1): 629–636. doi: 10.1002/asjc.2783.
  • 加载中

Catalog

    通讯作者: 陈斌, bchen63@163.com
    • 1. 

      沈阳化工大学材料科学与工程学院 沈阳 110142

    1. 本站搜索
    2. 百度学术搜索
    3. 万方数据库搜索
    4. CNKI搜索

    Figures(8)  / Tables(2)

    Article Metrics

    Article views (37) PDF downloads(5) Cited by()
    Proportional views
    Related

    /

    DownLoad:  Full-Size Img  PowerPoint
    Return
    Return